Вернуться на главную
Поиск
Каталоги запчастей к технике
Грузовые автомобили и прицепы
МЗКТ
МЗКТ-7930-200
Крепление контейнера и аккумуляторных батарей
Каталог запасных частей к технике: МЗКТ-7930-200. Крепление контейнера и аккумуляторных батарей
zoom-in
zoom-out
enlarge
shrink
circle-right
circle-left
file-text2
info
cart
Тип техники
Не выбрано
Легковые автомобили
Грузовые автомобили и прицепы
Автобусы
Сельхозтехника
Спецтехника
Двигатели
Мототехника
Марка
Не выбрано
BAW
DAF
DongFeng
FAW
Foton
HOWO
Hyundai
IVECO
JAC Motors
LGMG
MAN
Shaanxi
SITRAK
Studebaker
Tata
Volvo
Автокомпонент Плюс
БелАЗ
Брянский Арсенал
ГАЗ
ЗИЛ
КАЗ
Камский автозавод
КрАЗ
Мадара
МАЗ
МЗКТ
МоАЗ
Нефтекамский автозавод
Ставропольский Завод АвтоПрицепов
ТАТРА
Тонар
УралАЗ
ЧМЗАП
Модель
Не выбрано
МЗКТ-65151 "Волат" (2010)
МЗКТ-65158 (1999)
МЗКТ-652511 (2010)
МЗКТ-6527 (2010)
МЗКТ-700600-011 (2013)
МЗКТ-7401 (2010)
МЗКТ-7402 (2010)
МЗКТ-74131 (1996)
МЗКТ-74171 (2010)
МЗКТ-7429 (2005)
МЗКТ-74296 (2010)
МЗКТ-75165 (2005)
МЗКТ-751652 (2005)
МЗКТ-79011 (2010)
МЗКТ-79091 (2005)
МЗКТ-79092 (2005)
МЗКТ-79092 (нов.) (2005)
МЗКТ-79096 (2005)
МЗКТ-79097 (2005)
МЗКТ-7930-200 (2005)
МЗКТ-93782 (2010)
Схема
>
Не выбрано
Установка кабины
Кабина 7930-5000200
Установка окон боковин
Окно боковины правое, окно боковины левое
Установка ветровых окон
Установка стеклоочистителя
Привод стеклоочистителя 7930-5205500
Тяга 7930-5205501
Тяга 7930-5205504
Шарнир 7930-5205511
Шарнир 7930-5205514, 7930-5205515
Установка омывателя
Установка двери
Дверь левая, дверь правая
Установка замка двери
Установка окна двери
Установка пневмопитания сидения
Установка аппаратуры системы ПАЗ
Клапан 543-8040210
Клапан 543-8042250
Установка ФВУ системы ПАЗ
Фильтровентиляционная установка 7929-8000060
Кронштейн 7929-8038050
Фильтр с блоком обвода 7917-8041010
Блок обвода 7917-8042308
Корпус блока обвода
Патрубок блока обвода
Управление блока обвода
Клапан 7917-8042360
Клапан 7917-8042380
Механизм буферный 543-8039020
Нагнетатель 543М-8038030
Провод 543-3724730
Установка трубопроводов отопителей кабин
Фильтр-отстойник 7919-8101880
Установка отопителя
Установка отопителя
Отопитель 7930-8101010
Блок вентиляторов 7930-8101130
Вентилятор-сепаратор 7930-8101700
Затвор 7930-8101760
Крышка 547А-8109370
Отопитель 7930-8101010-10, 7930-8101010-11
Ротор с электродвигателем 7930-8101702
Установка системы управления отоплением и вентиляцией кабины
Привод 7908-8109310
Установка системы управления отоплением и вентиляцией правой части кабины
Блок управления 7930-8109512
Установка воздуховодов отопителя кабины
Установка системы вентиляции
Балка 7930-8104380
Установка зеркал
Трап 543-8210110
Установка козырьков противосолнечных
Установка поручней
Установка крыльев
Установка подножек
Установка левого ограждения
Установка среднего ограждения
Установка правого ограждения
Установка кронштейнов
Установка двигателя
Двигатель в состоянии установки на шасси
Крепление баллонов для воздуха
Воздуховоды высокого давления
Система смазки и воздуховоды
Агрегаты управления воздухопуском
Редуктор воздушный
Щит агрегатов воздушной системы
Клапан предохранительный
Клапан пусковой
Бачок дозатора смазки 7930-1026200
Дозатор смазки
Поршень
Установка подогревателя и выхлопных труб
Подогреватель в состоянии установки на шасси
Установка трубопроводов системы подогрева двигателя
Установка топливных агрегатов питания подогревателя
Фильтр топливный
Кран отключения подогревателя
Установка агрегатов системы смазки двигателя
Пробка заливной горловины
Топливопроводы левого топливного бака
Топливопроводы правого топливного бака
Топливопроводы кранов электромагнитных
Топливопроводы фильтров грубой очистки
Распределитель
Суфлер топливного бака
Топливопроводы к двигателю
Распределитель
Топливопроводы бака пускового топлива
Установка топливных баков
Бак топливный
Бак топливный
Установка бака пускового топлива
Установка агрегатов к левому топливному баку
Установка агрегатов к правому топливному баку
Установка воздухоочистителей
Привод управления подачей топлива (подсоединение к педали)
Привод управления подачей топлива (подсоединение к двигателю)
Блок рычагов
Педаль с кронштейном 7930-1108005-11
Педаль
Кронштейн
Насос БЦН
Привод останова двигателя
Привод открытия воздушной заслонки
Кран топливный электромагнитный
Установка системы выпуска газов
Заслонка
Установка агрегатов моторного тормоза
Цилиндр с кронштейном
Установка радиатора
Радиатор
Подсоединение трубопроводов к расширительному бачку
Подсоединение трубопроводов к радиатору
Установка бачка расширительного и клапана редукционного
Бачок расширительный
Клапан редукционный
Установка вентилятора с приводом (магистраль низкого давления)
Установка вентилятора с приводом (магистраль высокого давления)
Вентилятор
Вентилятор со ступицей
Клапанная коробка
Фильтр 7930-1910050-10
Фильтр 7930-1910050-11
Фильтр 7930-1910050-12
Вентилятор с приводом
Вентилятор
Установка бачка расширительного
Установка маховика и сцепления
Установка привода управления сцеплением
Установка механизма управления сцеплением
Установка усилителя пневмогидровлического
Бачок
Механизм управления сцеплением
Подпедальный цилиндр
Усилитель пневмогидравлический
Установка коробки передач
Коробка передач 202-1700045-04
Коробка передач 202-1700050-04
Установка выходного вала
Установка первичного и вторичного валов
Установка воздухопроводов
Установка клапана электромагнитного
Установка вала отбора мощности
Механизм переключения передач
Установка вилок переключения передач
Нижняя часть картера коробки передач
Картер понижающей передачи
Нижняя часть картера коробки передач
Вал первичный коробки передач
Вал вторичный коробки передач
Вал промежуточный коробки передач
Вал выходной
Опора рычага переключения передач
Масляный насос
Крышка заднего подшипника выходного вала
Цилиндр с поршнем
Воздухораспределитель 201-1723010
Клапан редукционный
Муфта выключения сцепления
Шестерня коронная
Шестерня 2-й, 3-й, 5-й передачи
Вилка механизма переключения
Привод переключения передач (передний контур)
Привод переключения передач (задний контур)
Тяга 7930-1703438
Тяга 7930-1703445
Тяга 7930-1703620-20
Распределитель
Корпус
Тяга 6923-1703490
Цилиндр
Установка воздухопроводов управления демультипликатором
Установка теплообменника коробки передач
Водомасляный теплообменник КПП
Установка раздаточной коробки
Узлы раздаточной коробки
Картерные детали раздаточной коробки
Картер раздаточной коробки 7930-1802010-10
Крышка 7930-1802018
Крышка 7930-1802190
Картер блокировки 7930-1802230
Пневмопереключатель 7930-1803100-10
Ведущий вал раздаточной коробки 7930-1800020
Ведущий вал раздаточной коробки 7930-1800020-01
Промежуточный вал
Ведомый вал
Дифференциал 7930-1830010
Детали привода насоса
Насос 7930-1808010
Механизм отбора мощности 7930-1810010
Тормоз стояночный
Суппорт 7930-3507068
Установка управления раздаточной коробкой
Установка управления раздаточной коробкой1
Установка трубопроводов силовых магистралей
Установка баков
Основание с прокладками 7930-1918008-10
Бак с фильтром 7930-1917010-40
Установка карданных валов
Валы карданные 7930-2205010, 7930-2206010, 7930-2218010-20
Валы карданные 547A-2202010-01, 7930-2203010
Привод колес
Редукторы мостов 7929-2302010-01, 7929-2422010
Полуось 7930-2303069
Дифференциал 7930-2303010
Дифференциал 7930-2403010-01
Комплект дифференциала 7930-2403004
Шестерня ведущая 547A-2302021-10
Редуктор моста 7930-2322010-02
Редуктор привода7930-2322007-10
Стакан 547A-2302240-10
Стакан сальников 547A-2322230-10
Дифференциал межосевой 7930-2326010
Опора промежуточная 7930-2322260-10
Редукторы главной передачи
Шестерня ведущая 7911-2322021-10
Насос 543-2312400
Редуктор моста 7930-2402010-01
Редуктор привода 7930-2402007-10
Привод спидометра 7929-3841010
Подвеска редуктора моста
Установка карданного полуосевого вала
Вал карданный полуосевой 7909-2303100
Привод управления механизмом блокировкой дифференциала второго моста
Привод управления механизмом блокировкой дифференциала третьего моста
Рама 7930-2800001-30, 7930-2800001-40, 7930-2800001-50
Рама 7930-2800012-30, 7930-2800012-40, 7930-2800012-50
Крюк буксирный 535-2805012
Подвеска колес
Рычаги подвески нижние передние
Рычаги подвески верхние 543-2902790-11, 543-2902796-11
Амортизатор 543-2905306-21
Поршень 543-2905350-20
Крышка нижняя 543-2905380-10
Установка передней ступицы
Установка задней ступицы
Ступица передняя, ступица колеса со стойкой
Поворотное устройство
Ступица колеса передняя 7930-3103006, ступица колеса задняя 7930-3104006
Водило 7930-2305018
Полуось 7930-2303071-10
Ступица с горловиной 7908-3103008
Вентиль с корпусом 547А-3106048-01
Голoвки подвода воздуха 543-4224010-03, 74295-4224010
Суппорт тормоза передний
Цилиндр колесного тормоза 7917-3501050
Колодка колесного тормоза 543-3501090-А
Присоединительная арматура к крану накачки шин
Установка крана накачки шин
Кран накачки шин 543-4222010-21
Привод управления краном 7930-3122110
Трубопроводы системы накачки шин
Датчик сигнализации прокола шин 7930-3130272-10
Установка колеса
Колесо
Трубопроводы и шланги бака, блока клапанов и насосов
Трубопроводы и шланги распределителя
Трубопроводы к цилиндру первого моста
Трубопроводы к цилиндру второго моста
Установка распределителя
Распределитель 7922-3416010-01
Наконечник 7922-3416066-11
Наконечник 7922-3416072
Установка блока клапанов
Блок клапанов 79092-3420010
Контакт электрический 6923-3420050
Плунжер 6923-3420080
Установка привода поворота колес
Цилиндр 7930-3405005-02
Наконечники 7930-3405040-01, 7930-3414090-01
Тяга 7930-3414180-10
Тяга боковая 7930-3414120-01
Наконечник
Тяги 7930-3414070-01, 7930-3414080-10
Кронштейн с рычагом
Кронштейн 7930-3414700
Установка насоса
Насос усилителя рулевого управления 7930-3431010
Установка насоса гидроусилителя
Насос усилителя рулевого управления 7929-3407010-10, Pump, booster, steearing control 7929-3407010-10
Бак масляный 7930-3410010-20
Фильтр с клапаном 7930-1910024-01
Установка редуктора руля
Установка рулевого механизма
Рулевой механизм 7930-3401004
Редуктор руля
Шестерня ведомая 7911-3401400
Вал со стаканом 7930-3426014
Вал карданный 7930-3422030
Вал карданный 7930-3444050
Установка влагомаслоотделителя
Установка клапана тройного защитного
Установка клапана тройного защитного
Установка воздушных баллонов
Установка воздушных баллонов
Присоединительная арматура к главным тормозным цилиндрам
Установка главного тормозного цилиндра
Главный тормозной цилиндр 7414-3505010
Клапан ускорительный 7908-3518010
Клапан обратный 543М-3515075
Клапан пылезащитный 547А-8005230
Трубопроводы гидравлической системы тормозов
Трубопроводы к тормозному крану
Присоединительная арматура к тормозному крану
Привод тормозного крана
Установка воздушного баллона стояночного тормоза
Установка крана стояночного тормоза
Установка клапана двухмагистрального
Присоединительная арматура к тормозной камере
Установка крана аварийного растормаживания
Кран тормозной с ручным управлением 7929-3537010
Управление стояночным тормозом
Кронштейн 7930-3508072
Кронштейн 7930-3508082
Установка воздушного баллона потребителей
Клапан-ограничитель 7410-3515010
Трубопроводы от воздушного баллона потребителей
Установка трубопроводов моторного тормоза
Установка электрооборудования в кабине
Установка жгутов проводов в кабине
Установка фары прожектора
Панель приборов основная
Панель приборов верхняя
Панель запуска 7930-3800007-20, 7930-3800007-21
Панель переключателей
Установка спецоборудования в кабине
Установка жгутов проводов спецоборудования
Панель приборов левая 7930-3800017
Панель приборов cредняя 7930-3800013
Панель приборов правая 7930-3800002, 7930-3800002-23
Установка электрооборудования аккумуляторного контейнера
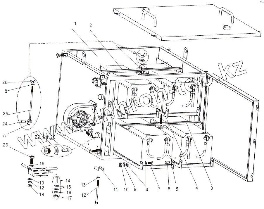
Крепление контейнера и аккумуляторных батарей
Установка проводов в аккумуляторном контейнере
Аккумуляторный контейнер 7930-3748002
Вентилятор 543-3703710
Розетка внешнего запуска 543-3723060
Фара прожектор 7917-3727010
Установка фар и фонарей передних
Электрооборудование фар и фонарей передних
Установка задних фонарей
Электрооборудование задних фонарей
Установка электрооборудования на шасси
Жгут проводов 7930-3724027
Жгут проводов 7930-3724588
Установка розетки ПС325
Установка розетки ПС400
Жгут проводов 7930-3724580
Жгут проводов 7930-3724584
Жгут проводов 7930-3724693
Установка сигнала
Установка коробки отбора мощности 7929-4200010-10
Картерные детали коробки отбора мощности 7929-4202010-10
Валы и шестерни коробки отбора мощности 7929-4202010-10
Картер 7929-4202012-10
Муфта 7929-1605010
Установка привода коробки отбора мощности 7930-4209010
Коробка отбора мощности 7930-4209010
Установка управления коробкой отбора мощности
Установка привода коробки отбора мощности 7930-4209010-10
Коробка отбора мощности 7930-4209010-10
Крышка 7930-4209080
Установка привода коробки отбора мощности
Картерные детали коробки отбора мощности 7930-4215010
Валы и шестерня коробки отбора мощности 7930-4215010
Картер 7930-4215012
Насос 7930-4215040
Клапан сливной 543-1718360
Вал карданный 7930-2227010
Вал карданный 7930-4253010
Установка буксирного троса
Инструмент
Принадлежности
1
2
3
4
5
5
6
7
8
8
9
10
11
12
12
13
14
15
16
17
18
19
19
20
21
22
23
24
25
26
Позиция на иллюстрации
Заводской номер детали
Название детали
1
7930-3748002
Аккумуляторный контейнер
2
7930-3748560
Планка прижимная верхняя
3
7930-3748600
Планка прижимная нижняя
4
7930-3748238
Стяжка
5
258038
Шплинт 3,2х16
6
260070
Палец 10х70
7
201456
Болт М8-6gх20
8
252038
Шайба 8
9
252135
Шайба 8Т
10
250510
Гайка М8х1-6Н
11
543-8408248-А
Прокладка
12
200323
Болт М10-6gх70
13
252136
Шайба 10 ОТ
14
220118
Винт М6-6gx48
15
252004
Шайба 6
16
252135
Шайба 8Т
17
250508
Гайка М6-6Н
18
250512
Гайка М10-6Н
19
252006
Шайба 10
20
543-3724245
Уплотнитель проводов
21
376190
Шайба 27
22
543-3724241
Гайка М39х2
23
370906
Болт М10-6gх30
24
260039
Палец 8х38
25
7930-3748256
Стяжка
26
251513
Гайка М8-6Н
Содержащиеся в справочниках-каталогах запасные части и детали не предлагаются к продаже, а носят исключительно информационный характер
Дополнительная информация
×
Название:
Номер:
Примечание: