Вернуться на главную
Поиск
Каталоги запчастей к технике
Грузовые автомобили и прицепы
МЗКТ
МЗКТ-79092
Кран топливораспределительный
Каталог запасных частей к технике: МЗКТ-79092. Кран топливораспределительный
zoom-in
zoom-out
enlarge
shrink
circle-right
circle-left
file-text2
info
cart
Тип техники
Не выбрано
Легковые автомобили
Грузовые автомобили и прицепы
Автобусы
Сельхозтехника
Спецтехника
Двигатели
Мототехника
Марка
Не выбрано
BAW
DAF
DongFeng
FAW
Foton
HOWO
Hyundai
IVECO
JAC Motors
LGMG
MAN
Shaanxi
SITRAK
Studebaker
Tata
Volvo
Автокомпонент Плюс
БелАЗ
Брянский Арсенал
ГАЗ
ЗИЛ
КАЗ
Камский автозавод
КрАЗ
Мадара
МАЗ
МЗКТ
МоАЗ
Нефтекамский автозавод
Ставропольский Завод АвтоПрицепов
ТАТРА
Тонар
УралАЗ
ЧМЗАП
Модель
Не выбрано
МЗКТ-65151 "Волат" (2010)
МЗКТ-65158 (1999)
МЗКТ-652511 (2010)
МЗКТ-6527 (2010)
МЗКТ-700600-011 (2013)
МЗКТ-7401 (2010)
МЗКТ-7402 (2010)
МЗКТ-74131 (1996)
МЗКТ-74171 (2010)
МЗКТ-7429 (2005)
МЗКТ-74296 (2010)
МЗКТ-75165 (2005)
МЗКТ-751652 (2005)
МЗКТ-79011 (2010)
МЗКТ-79091 (2005)
МЗКТ-79092 (2005)
МЗКТ-79092 (нов.) (2005)
МЗКТ-79096 (2005)
МЗКТ-79097 (2005)
МЗКТ-7930-200 (2005)
МЗКТ-93782 (2010)
Схема
>
Не выбрано
Кабина. Подвеска кабины
Подвеска кабины
Механизм опрокидывания кабины, его цилиндр и насос. Привод насоса опрокидывающего механизма. Трубопроводы.
Механизм опрокидывания кабины, его цилиндр и насос. Трубопроводы
Механизм опрокидывания кабины, его цилиндр и насос
Механизм опрокидывания кабины, его цилиндр и насос
Держатели. Облицовка радиатора. Крылья задние. Подножка
Установка стеклоочистителя, зеркал, антенны
Дверь кабины
Механизм подъема стекла
Сиденье. Остов сиденья водителя и переднего сиденья
Подставка сиденья и регулировочный механизм
Установка переднего сиденья и поручней
Вентиляция и отопление кузова
Двигатель
Подвеска двигателя
Устройства пусковые подогревательные
Маслопроводы двигателя
Система питания
Бак топливный, пробка топливного бака, трубопроводы топливные, ограждение топливных баков
Бак топливный, пробка топливного бака, трубопроводы топливные, ограждение топливных баков
Бак топливный
Фильтр грубой очистки топлива, управление подачей топлива, фильтр воздушный двигателя, система выпускная
Фильтр грубой очистки топлива
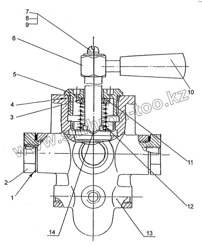
Кран топливораспределительный
Система охлаждения двигателя. Фильтр грубой очистки воздуха
Пробка радиатора, трубопроводы и шланги системы охлаждения, кран сливной, бачок расширительный
Клапан редукционный
Бачок расширительный
Сцепление. Усилитель привода управления сцеплением
Сцепление. Механизм привода управления сцеплением
Подпедальный цилиндр
Усилитель пневмогидравлический
Коробка передач
Детали коробки передач
Детали коробки передач
Детали коробки передач
Детали коробки передач
Детали коробки передач
Детали коробки передач
Детали коробки передач
Детали коробки передач
Привод управления механизмом переключения передач
Подвеска раздаточной коробки
Механизм переключения раздаточной коробки
Механизм переключения раздаточной коробки
Привод управления механизмом переключения передач. Трубопроводы
Передача карданная трансмиссии
Опора промежуточная
Подвеска редукторов мостов. Передача главная переднего первого моста. Редуктор первого переднего моста
Подвеска редукторов мостов. Дифференциал межмостовой и механизм блокировки межмостового дифференциала
Передача главная переднего второго моста дифференциал межмостовой и механизм блокировки межмостового дифференциала
Подвеска редукторов мостов передача главная переднего первого моста. Дифференциал и полуоси передних мостов
Редуктор привода
Вал карданный полуосевой
Шестерня коническая
Поворотное устройство
Насос
Шестерня коническая ведущая
Дифференциал межосевой
Дифференциал
Полуось и передача планетарная
Шестерня
Редуктор привода
Передача главная заднего первого моста
Передача главная заднего первого моста
Дифференциал и полуоси задних мостов. Передача главная заднего второго моста
Редуктор второго заднего моста
Комплект дифференциала
Полуось
Опора промежуточная
Подвеска передняя, торсионы, стойки и рычаги передней подвески
Подвеска задняя. Рессора. Стойки и рычаги задней подвески
Амортизаторы передние
Колеса
Ступицы передних и задних колес, покрышки и камеры
Ступицы с горловиной
Система сигнализации прокола шин
Вентиль с корпусом
Рулевой механизм. Механизм усилительный. Тяги рулевые. Распределитель рулевого управления. Вал карданный рулевого управления.
Рулевой механизм
Цилиндр механизма усилительного
Трубопроводы и шланги рулевого управления
Бак масляный
Распределитель
Насос усилителя рулевого управления
Тормоза. Тормоза рабочие передние и задние
Тормоза рабочие передние и задние. Цапфа задняя
Цилиндр колесного тормоза
Колодка тормозов
Главный тормозной цилиндр
Тормоз стояночный и его привод
Аппараты тормозной системы
Клапан ограничительный
Клапан двойной защиты
Электрооборудование
Установка фар и фонарей передних
Установка задних фонарей
Установка электрооборудования на шасси
Установка электрооборудования на шасси
Установка основного жгута проводов. Установка электрооборудования в кабине. Установка переключателей на рулевой колонке. Установка радиооборудования
Установка основного жгута проводов. Установка электрооборудования в кабине. Установка переключателей на рулевой колонке. Установка радиооборудования
Установка основного жгута проводов. Установка электрооборудования в кабине. Установка переключателей на рулевой колонке. Установка радиооборудования
Установка электрооборудования двигателя и аккумуляторного щитка
Установка электрооборудования двигателя и аккумуляторного щитка
Установка электрооборудования двигателя и аккумуляторного щитка
Установка электрооборудования подогревателей
Установка электрооборудования на кабине. Установка пневматического сигнала. Установка фонарей знака автопоезд
Панель блоков предохранителей и реле
Блок предохранителей и реле
Установка щитков приборов и коммутационной аппаратуры
Щиток приборов
Щиток приборов
Панель контрольных ламп
Привод спидометра
Кран управления давлением в системе накачки шин
Кран управления давлением в системе накачки шин
Головка подвода воздуха
1
2
3
4
5
6
7
8
9
10
11
12
13
14
Позиция на иллюстрации
Заводской номер детали
Название детали
79092-1300005
79092-1300005
Установка радиатора
79092-1300020
79092-1300020
Установка расширительного бачка
79092-1300010
79092-1300010
Установка трубопроводов системы охлаждения
79092-1300000
79092-1300000
Система охлаждения двигателя
1
543-3506013
Прокладка 12М3
2
543-1104224
Болт поворотного угольника
3
0000-2402726
Кольцо 016-020-25-2-2
4
0000-1116763
Кольцо 043-047-25-2-2
5
543-1116054-10
Гайка топливораспределительного крана
6
543-1116060
Рукоятка
7
220105
Винт М6-6gх16
8
252037
Шайба 6
9
252134
Шайба 6Т
10
503Л-8606275
Ручка
11
543-1116042
Тарелка
12
537-2402442-Б
Пружина
13
543-1116012-10
Корпус с пробкой
14
543-1116034
Защелка крана
Содержащиеся в справочниках-каталогах запасные части и детали не предлагаются к продаже, а носят исключительно информационный характер
Дополнительная информация
×
Название:
Номер:
Примечание: