Вернуться на главную
Поиск
Каталоги запчастей к технике
Грузовые автомобили и прицепы
МЗКТ
МЗКТ-74171
Установка раздаточной коробки
Каталог запасных частей к технике: МЗКТ-74171. Установка раздаточной коробки
zoom-in
zoom-out
enlarge
shrink
circle-right
circle-left
file-text2
info
cart
Тип техники
Не выбрано
Легковые автомобили
Грузовые автомобили и прицепы
Автобусы
Сельхозтехника
Спецтехника
Двигатели
Мототехника
Марка
Не выбрано
BAW
DAF
DongFeng
FAW
Foton
HOWO
Hyundai
IVECO
JAC Motors
LGMG
MAN
Shaanxi
SITRAK
Studebaker
Tata
Volvo
Автокомпонент Плюс
БелАЗ
Брянский Арсенал
ГАЗ
ЗИЛ
КАЗ
Камский автозавод
КрАЗ
Мадара
МАЗ
МЗКТ
МоАЗ
Нефтекамский автозавод
Ставропольский Завод АвтоПрицепов
ТАТРА
Тонар
УралАЗ
ЧМЗАП
Модель
Не выбрано
МЗКТ-65151 "Волат" (2010)
МЗКТ-65158 (1999)
МЗКТ-652511 (2010)
МЗКТ-6527 (2010)
МЗКТ-700600-011 (2013)
МЗКТ-7401 (2010)
МЗКТ-7402 (2010)
МЗКТ-74131 (1996)
МЗКТ-74171 (2010)
МЗКТ-7429 (2005)
МЗКТ-74296 (2010)
МЗКТ-75165 (2005)
МЗКТ-751652 (2005)
МЗКТ-79011 (2010)
МЗКТ-79091 (2005)
МЗКТ-79092 (2005)
МЗКТ-79092 (нов.) (2005)
МЗКТ-79096 (2005)
МЗКТ-79097 (2005)
МЗКТ-7930-200 (2005)
МЗКТ-93782 (2010)
Схема
>
Не выбрано
Установка кабины
Установка ветровых окон и стеклоочистителя
Установка омывателя
Установка дверей
Установка ограничителей дверей
Установка замков
Установка сидений
Пневмопитание сиденья
Установка отопителя
Установка трубопроводов отопителя
Установка системы управления отоплением и вентиляцией
Установка топливопроводов независимого отопителя
Установка отопителя независимого действия
Установка воздухозаборника отопителя
Установка держателей зеркал и зеркал
Установка противосолнечного козырька
Установка передних крыльев
Установка капота
Запорный механизм капота
Установка задних крыльев
Установка подножек
Установка двигателя
Подогреватель ПЖД в состоянии установки на шасси 6527-1015005
Крепление подогревателя (ПЖД)
Система питания подогревателя (ПЖД)
Крепление топливных агрегатов питания подогревателя
Система охлаждения подогревателя (ПЖД)
Система выхлопа подогревателя (ПЖД)
Установка агрегатов системы смазки двигателя
Установка топливного бака
Бак топливный 6525-1101010
Бак топливный 65151-1101010-10
Привод останова двигателя
Привод выключателя двигателя дублирующий
Установка радиатора
Установка бачка расширительного и редукционного клапана
Бачок расширительный 79092-1311010-20
Клапан редукционный 79095-1304010
Установка механизма управления сцеплением
Механизм управления сцеплением 69237-1602010
Подпедальный цилиндр 69237-1602300
Бачок 6923-1602250
Усилитель пневмогидравлический 65151-1609200-10
Установка привода управления сцеплением
Привод управления механизмом переключения передач
Воздухопроводы и шланги управления механизмом переключения передач
Шарнир 652511-1703416
Тяга 652511-1703438
Тяга 6923-1703490
Тяга 69237-1703490
Цилиндр 692374-1703610
Тяга 74171-1703620
Распределитель 652511-1703640
Картер и детали раздаточной коробки
Валы и шестерни раздаточной коробки
Картер раздаточной коробки 6525-1802010-20
Картер блокировки 65251-1802230
Детали привода насоса
Hacoс 6923-1808010-10
Установка управления раздаточной коробки
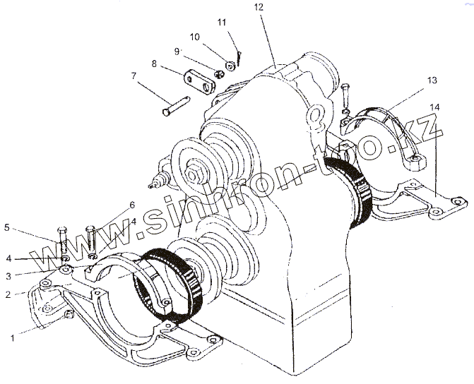
Установка раздаточной коробки
Установка карданных валов
Валы карданные 6923-2218010,74171 -2203010
Вал карданный 80071-2227010
Мосты
Установка редуктора переднего моста
Редуктор переднего моста 74171-2302010
Поворотное устройство переднего моста
Колесная передача переднего моста
Мост передний с тормозными колодками
Мост передний с цапфой
Привод тормозов переднего моста
Шестерня ведущая 6527-2402021
Дифференциал повышенного трения 6527-2303010
Шарнир поворотного кулака 74171-2304060
Колодка тормоза правая, колодка тормоза левая 9919-3501090, 9919-3501091
Установка редуктора заднего моста
Редуктор заднего моста 8007-2302010
Шестерня ведущая 8007-2302021
Дифференциалы 8007-2303010, 8007-2323010
Мосты задний и средний с цапфой и суппортом
Колесная передача заднего и среднего мостов
Мосты задний и средний с тормозными колодками
Привод тормозов заднего моста
Кронштейн правый, кронштейн левый 6525-3519268, 6525-3519269
Стакан 6525-3502018
Установка редуктора среднего моста
Картер редуктора с дифференциалом
Картер шестерен редуктора среднего моста
Шестерня ведущая 8007-2322021
Привод тормозов среднего моста
Механизм блокировки 6923-2509010-10
Дифференциал межосевой 6923-2506010-10
Привод управления блокировкой дифференциалов
Рессора 8007-2912012
Рессора 8007-2912012-01
Рессора задняя 6525-2912012-10
Установка колеса
Ступица с подшипниками 8021-3103010
Головка подвода воздуха 543-4224010-03
Кран 8021-3106046
Установка крана накачки шин
Кран накачки шин 543-4222010-21
Привод управления краном 8021-3122110
Клапан пылезащитный 547А-8005230
Клапан-ограничитель 7410-3515010
Установка рулевого управления
Тяга 6527-3414070
Тяга 652511-3414080-20
Цилиндр 74171-3405005
Детали наконечника
Кронштейн с колонкой 64221-3403008
Колонка рулевая 64221-3444010
Валы карданные 652511 -3422030,79092-3422030
Опора промежуточная 652511-3422080
Установка кожухов рулевой колонки
Установка масляного бака
Бак масляный 652511-3410010
Блок клапанов 8021-3420010-10
Установка насоса
Hacoc 65271-3407008
Наcoc 65271-3407010
Установка насоса гидроусилителя
Наcoc 652511-3431010
Насос 69237-3407310
Трубопроводы и шланги рулевого механизма, бака и цилиндров
Трубопроводы и шланги блока клапанов и насосов
Установка компрессора
Установка ресиверов и аппаратов
Привод тормозного крана
Установка ресивера переднего контура
Установка влагомаслоотделителя
Влагомаслоотделитель 6525-3536110
Установка клапана защитного
Установка крана стояночного тормоза
Установка клапана управления тормозами прицепа с двухпроводным приводом
Установка соединительных головок
Установка тормозной камеры
Камера тормозная с пружинным энергоаккумулятором 6923-3519200
Установка головного освещения
Установка задних фонарей
Крепление контейнера аккумуляторных батарей
Контейнер аккумуляторной батареи 74171-3748002
Вентилятор 80071-3703710
Установка аккумуляторных батарей
Установка электрооборудования на шасси. Жгут провод 74171-3724027
Установка электрооборудования на шасси, Жгут проводов 74171-3724580
Установка электрооборудования двигателя
Колодки, контакты
Резинотехнические изделия электрооборудования
Установка переключателей на рулевой колонке
Установка седельного устройства
Установка подъемника запасного колеса
Редуктор 5247Б-3925220-А2
Установка инструментального ящика
Установка ящика
Инструмент и принадлежности
1
2
3
4
4
5
5
7
8
9
10
11
12
13
14
Позиция на иллюстрации
Заводской номер детали
Название детали
1
374819
Гайка М18х1,5-5Н6Н
2
6923-1801064
Поперечина
3
7911-1801042-01
Крышка
4
376103
Шайба 18
5
372787
Болт М18х1,5-6gх50
5
372781
Болт М18х1,5-6gx60
7
378013
Палец 20х80
8
8007-1801075
Серьга
9
535A-1801101
Втулка
10
252019-10
Шайба 20
11
258054
Шплинт 4х32
12
74171-1800020
Коробка раздаточная
13
7911-1801038-01
Крышка
14
7911-1801060-01
Поперечина
Содержащиеся в справочниках-каталогах запасные части и детали не предлагаются к продаже, а носят исключительно информационный характер
Дополнительная информация
×
Название:
Номер:
Примечание: