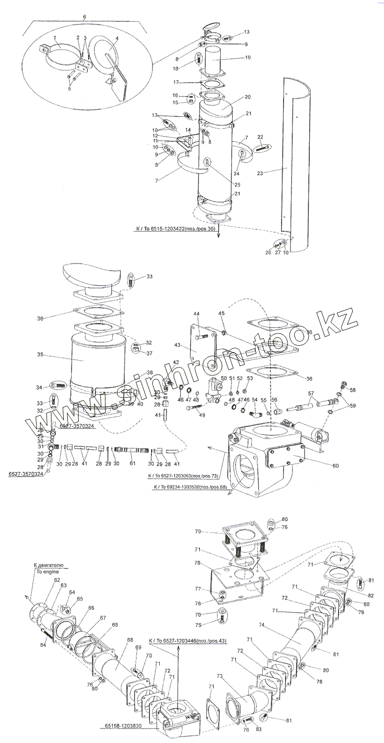
Каталог запасных частей к технике: МЗКТ-7402. Установка системы выпуска отработавших газов
6527-3570324
6527-3570324
6515-1203422
6527-1203063
69234-1203530
6527-1203446
65158-1203830
1
2
3
4
5
6
7
7
8
8
8
9
9
9
10
10
10
11
12
13
13
14
15
16
17
18
19
20
21
21
22
23
24
25
26
27
28
28
28
28
28
28
29
29
29
29
29
29
30
30
30
30
30
30
31
32
32
33
33
34
35
36
36
36
37
38
39
40
41
41
41
42
43
44
45
46
46
47
47
48
48
49
50
51
52
53
54
55
56
57
58
59
60
61
62
63
64
65
66
66
67
68
68
69
70
70
71
71
71
71
71
71
71
71
71
72
72
72
73
74
74
75
76
76
76
76
76
76
77
78
79
80
80
80
80
81
81
81
82
83
84
| Позиция на иллюстрации | Заводской номер детали | Название детали | |
|---|---|---|---|
| 6527-3570324 | 6527-3570324 | Трубка | |
| 6515-1203422 | 6515-1203422 | Прокладка | |
| 6527-1203063 | 6527-1203063 | Патрубок | |
| 69234-1203530 | 69234-1203530 | Металлорукав | |
| 6527-1203446 | 6527-1203446 | Кронштейн глушителя | |
| 65158-1203830 | 65158-1203830 | Распределитель выхлопных газов | |
| 1 | 65272-1203430 | Кронштейн заслонки | |
| 2 | 65272-1203409 | Втулка | |
| 3 | 258024 | Шплинт 2,5х16 | |
| 4 | 65272-1203400 | Заслонка | |
| 5 | 260022 | Палец 6х45 | |
| 6 | 65272-1203398 | Заслонка | |
| 7 | 65158-1203029 | Хомут | |
| 8 | 250512 | Гайка М10-6Н | |
| 9 | 252136 | Шайба 10 ОТ | |
| 10 | 252037 | Шайба 6 | |
| 11 | 258053 | Шплинт 4х25 | |
| 12 | 260092 | Палец 12х48 | |
| 13 | 201501 | Болт М10-6gх60 | |
| 14 | 6527-1203447 | Кронштейн глушителя | |
| 15 | 250514-02 | Гайка М12-6Н | |
| 16 | 252137 | Шайба 12 ОТ | |
| 17 | 6515-1203422 | Прокладка | |
| 18 | 200367 | Болт М12-6gх45 | |
| 19 | 6527-1203010 | Труба выхлопная | |
| 20 | 692374-1201010 | Глушитель | |
| 21 | 6527-1204028 | Хомут | |
| 22 | 407093-01 | Болт хомута М10-6gх80 | |
| 23 | 6527-1204020 | Кожух глушителя | |
| 24 | 5434-3513062 | Ось | |
| 25 | 5434-3513060 | Ось | |
| 26 | 201418 | Болт М6-6gх16 | |
| 27 | 252134 | Шайба 6Т | |
| 28 | 405641 | Гайка накидная 10 | |
| 29 | 379254 | Муфта 10 | |
| 30 | 0000-3506717 | Кольцо 008-011-19-2-2 | |
| 31 | 379117 | Тройник переходной 10 | |
| 32 | 252137 | Шайба 12 ОТ | |
| 33 | 200369 | Болт М12-6hх50 | |
| 34 | 201501 | Болт М10-6gх60 | |
| 35 | 692374-1202010 | Резонатор | |
| 36 | 6515-1203422 | Прокладка | |
| 37 | 250514-02 | Гайка М12-6Н | |
| 38 | 692374-1204028 | Хомут | |
| 39 | 250512 | Гайка М10-6Н | |
| 40 | 252136 | Шайба 10 ОТ | |
| 41 | 65158-1203856 | Труба подводящая | |
| 42 | 402843-10 | Угольник | |
| 43 | 6527-1203446 | Кронштейн глушителя | |
| 44 | 371309 | Болт М12х1,25-6gх35 | |
| 45 | 251647 | Гайка М12х1,25-6Н | |
| 46 | 374614 | Гайка М12х1,5-5Н6Н | |
| 47 | 375818 | Шайба 12 | |
| 48 | 0000-1310719 | Кольцо 010-014-25-2-2 | |
| 49 | 200271 | Болт М8-6gх60 | |
| 50 | 0000-2511410 | Клапан электромагнитный малогабаритный КЭМ16 | |
| 51 | 252005 | Шайба 8 | |
| 52 | 252135 | Шайба 8Т | |
| 53 | 250510 | Гайка М8х1-6Н | |
| 54 | 408752-01 | Угольник | |
| 55 | 379275 | Муфта конусная 8 | |
| 56 | 379225 | Гайка накидная 2В8 | |
| 57 | 74131-1310420 | Трубопровод | |
| 58 | 543-1104239 | Болт жиклера поворотного угольника | |
| 59 | 409279 | Прокладка 10М3 | |
| 60 | 65158-1203830 | Распределитель выхлопных газов | |
| 61 | 742952-3570210 | Шланг | |
| 62 | 79221-1203420 | Прокладка | |
| 63 | 8021-1203065 | Переходник | |
| 64 | 375614 | Шайба 10 | |
| 65 | 374374-01 | Гайка М10-6Н Г | |
| 66 | 69237-1203099 | Прокладка | |
| 67 | 69237-3570010 | Заслонка | |
| 68 | 69234-1203530 | Металлорукав | |
| 68 | 69234-1203530-10 | Металлорукав | |
| 69 | 201501 | Болт М10-6gх60 | |
| 70 | 252045-10 | Шайба 12 | |
| 71 | 6515-1203422 | Прокладка | |
| 72 | 6515-1203428 | Прокладка регулировочная | |
| 73 | 6527-1203063 | Патрубок | |
| 74 | 652511-1203530 | Металлорукав | |
| 74 | 6515-1203530 | Металлорукав | |
| 75 | 201542 | Болт М12-6gх35 | |
| 76 | 252137 | Шайба 12 ОТ | |
| 77 | 250514 | Гайка М12-6Н | |
| 78 | 6527-1203230 | Кронштейн | |
| 79 | 6515-8515010 | Устройство обогревательное | |
| 80 | 250514-02 | Гайка М12-6Н | |
| 81 | 200369 | Болт М12-6hх50 | |
| 82 | 6527-1203372 | Труба выхлопная | |
| 83 | 201540 | Болт М12-6gх30 | |
| 84 | 407161-01 | Болт М12-6gх135 |
Содержащиеся в справочниках-каталогах запасные части и детали не предлагаются к продаже, а носят исключительно информационный характер