Вернуться на главную
Поиск
Каталоги запчастей к технике
Грузовые автомобили и прицепы
МЗКТ
МЗКТ-700600-011
Установка электрооборудования двигателя
Каталог запасных частей к технике: МЗКТ-700600-011. Установка электрооборудования двигателя
zoom-in
zoom-out
enlarge
shrink
circle-right
circle-left
file-text2
info
cart
Тип техники
Не выбрано
Легковые автомобили
Грузовые автомобили и прицепы
Автобусы
Сельхозтехника
Спецтехника
Двигатели
Мототехника
Марка
Не выбрано
BAW
DAF
DongFeng
FAW
Foton
HOWO
Hyundai
IVECO
JAC Motors
LGMG
MAN
Shaanxi
SITRAK
Studebaker
Tata
Volvo
Автокомпонент Плюс
БелАЗ
Брянский Арсенал
ГАЗ
ЗИЛ
КАЗ
Камский автозавод
КрАЗ
Мадара
МАЗ
МЗКТ
МоАЗ
Нефтекамский автозавод
Ставропольский Завод АвтоПрицепов
ТАТРА
Тонар
УралАЗ
ЧМЗАП
Модель
Не выбрано
МЗКТ-65151 "Волат" (2010)
МЗКТ-65158 (1999)
МЗКТ-652511 (2010)
МЗКТ-6527 (2010)
МЗКТ-700600-011 (2013)
МЗКТ-7401 (2010)
МЗКТ-7402 (2010)
МЗКТ-74131 (1996)
МЗКТ-74171 (2010)
МЗКТ-7429 (2005)
МЗКТ-74296 (2010)
МЗКТ-75165 (2005)
МЗКТ-751652 (2005)
МЗКТ-79011 (2010)
МЗКТ-79091 (2005)
МЗКТ-79092 (2005)
МЗКТ-79092 (нов.) (2005)
МЗКТ-79096 (2005)
МЗКТ-79097 (2005)
МЗКТ-7930-200 (2005)
МЗКТ-93782 (2010)
Схема
>
Не выбрано
Установка двигателя
Установка агрегатов системы смазки двигателя
Установка топливопроводов
Установка фильтра топливного
Установка топливоподкачивающего насоса
Насос подкачивающий 79092-1133200
Установка топливного бака
Установка воздухоочистителя
Установка охладителя наддува
Привод управления подачей топлива
Установка системы выпуска отработавших газов
Установка трубопроводов системы охлаждения двигателя
Установка радиатора
Установка бачка расширительного и клапана редукционного
Бачок расширительный 69234-1311010
Клапан редукционный 6525-1304010
Установка уплотнителей
Установка привода управления сцеплением
Установка механизма управления сцеплением
Механизм управления сцеплением 69237-1602010
Подпедальный цилиндр 69237-1602300
Установка усилителя пневмогидравлического
Установка коробки передач
Коробка передач с деталями выключения сцепления 700600-1700045
Коробка передач 700600-1700050
Установка выходного вала
Установка первичного и вторичного валов
Установка воздухопроводов
Установка клапана электромагнитного
Установка вала отбора мощности
Механизм переключения передач 65151-1702010
Установка вилок переключения передач
Нижняя часть картера коробки передач 65151-1701014-10
Картер понижающей передачи 201-1721014
Нижняя часть картера коробки передач 65151-1701016
Вал первичный коробки передач 65151-1701025
Вал вторичный коробки передач 202-1701100-30
Вал промежуточный коробки передач 202-1701047-30
Вал выходной 202-1721300
Опора рычага переключения передач 201-1702200
Масляный насос 202-1704010
Цилиндр с поршнем 201-1722020
Воздухораспределитель управления механизмом понижающей передачи
Клапан редукционный 201-1723080
Шестерня коронная 202-1721350
Шестерня 2-й передачи 202-1701126, 3-й передачи 202-1701128-30, 5-й передачи 202-1701129-30
Вилка механизма переключения понижающей передачи 201-1722049
Привод управления механизмом переключения передач
Механизм промежуточный 69237-1703325
Тяга 69237-1703490
Цилиндр 692374-1703610
Тяга 700600-1703620-10
Распределитель 652511-1703640
Воздухопроводы управления механизмом переключения передач
Установка валов карданных
Опора промежуточная 700600-2220008-10
Опора промежуточная 6001-2220010
Картер 65271-2220012
Мосты
Установка колесной передачи мостов
Установка ступиц мостов
Ступица заднего колеса 6923-3104010-01
Ступица заднего колеса 6923-3104010-10
Привод тормозов мостов
Опора 99942-3502030
Стакан 6923-3502018
Рычаг регулировочный правый 64221-3501135, левый 64221-3501136
Установка редуктора заднего моста
Редуктор 7301-2402010
Шестерня ведущая 7301-2302021
Дифференциалы 6923-2403010, 6923-2503010
Установка редуктора среднего моста
Редуктор 7301-2322010
Главная передача редуктора 7301-2322010
Шестерня ведущая 69237-2502021-10
Дифференциал межосевой 6923-2506010-10
Механизм блокировки 6923-2509010-10
Картер заднего моста 740400-2401010, картер среднего моста 740400-2501010
Привод управления механизмом блокировки дифференциалов,Differentials lock-out mechanism control drive
Установка бокового ограждения
Установка бокового ограждения
Установка бокового ограждения
Установка буксирного прибора и буфера переднего
Установка защитного кожуха и поперечины
Рама 700600-2800012-10
Кронштейн 700600-2902500-10, 700600-2902606-10, 700600-2902607-10
Подвеска передняя
Подвеска задняя
Оси
Установка поворотного кулака оси 65151-3000015-01
Установка поворотного кулака оси 65151-3000015-20
Установка ступицы и тормозного механизма
Тормозной механизм передний правый 692301-3501004-01, Тормозной механизм передний левый 692301-3501005-01
Ступица 692301-3103006
Ступица 692301-3103006-10
Тяга 692301-3414070
Наконечники 69237-3414090-11 , 69237-3414091-11
Установка задних колес
Установка передних колес
Колесо 700600-3101011
Установка гидросистемы рулевого управления
Трубопроводы и шланги к насосам
Трубопроводы и шланги к цилиндру
Присоединительная арматура к распределителю
Установка блока клапанов
Блок клапанов 700600-3420010
Контакт электрический 6923-3420050
Плунжер 6923-3420080
Установка масляного бака
Бак масляный 692371-3410010
Установка насоса гидроусилителя
Насос усилителя рулевого управления
Насос шестеренный правого вращения 69237-3407310
Установка рулевого управления
Установка рулевого управления
Тяга 700600-3414180
Цилиндр 700600-3405005
Наконечник 80077-3405040
Наконечник 692374-3405039
Тяга 69237-3414120-03
Наконечник 69237-3414090-21
Установка влагомаслоотделителя
Влагомаслоотделитель
Установка аппаратов системы обезвоживания воздуха
Установка клапана защитного четырехконтурного
Установка ресиверов переднего тормозного контура
Установка ресиверов заднего тормозного контура
Установка ресиверов стояночного тормоза и потребителей
Установка клапана ускорительного переднего тормозного контура
Установка клапана ускорительного заднего тормозного контура
Установка модуляторов
Установка тормозной камеры
Камера тормозная с пружинным энергоаккумулятором тип 24/24 6923-3519200
Привод тормозного крана
Установка крана стояночного тормоза
Установка клапана ускорительного стояночного тормоза
Клапан обратный 543М-3515075
Шланги тормозной системы
Установка электрооборудования на шасси
Установка соединительной панели
Жгут проводов 700600-3724027-20
Жгут проводов 700600-3724580-01
Установка электрооборудования двигателя
Жгут проводов 692382-3724158
Жгут проводов двигателя 700600-3724160-10
Установка электрооборудования АБС на шасси
Жгут проводов АБС на шасси 700600-3724915
Установка электрооборудования АБС в кабине
Жгут проводов АБС в кабине 692374-3724901
Установка головного освещения
Установка задних фонарей
Жгут проводов 700600-3724044
Установка аккумуляторных батарей и контейнера
Контейнер аккумуляторный 65157-3748002
Установка кожуха контактора
Установка сигнальных маяков
Жгут проводов сигнальных маяков в кабине 7429-3724700
Установка электрооборудования в кабине
Установка основной панели приборов
Панель приборов основная 700600-3800001-10
Жгут проводов 700600-3724017
Установка панели переключателей
Жгут проводов 700600-3724008-10
Жгут проводов отбора мощности в кабине 692382-3724270
Установка блоков электронного управления
Жгут проводов электроники двигателя 700600-3724926
Жгут проводов электроники двигателя 700600-3724928
Жгут проводов электроники 700600-3724962
Установка подъемника запасного колеса
Установка инструментального ящика
Установка противооткатных упоров
Инструмент и принадлежности
Установка коробки отбора мощности
Коробка отбора мощности 75165-4201010
Корпус 75165-4201020
Детали включения коробки отбора мощности
Шестерня ведущая
Шестерня ведомая
Установка кабины
Балка опоры 700600-5001630-10
Механизм запорный 700600-5001530
Механизм подъёма кабины
Установка пневмопитания сидения
Установка трубопроводов отопителя кабины
Установка зеркал
Установка держателей зеркал
Установка крыльев
Установка подножек
Установка термошумоизоляции оперения
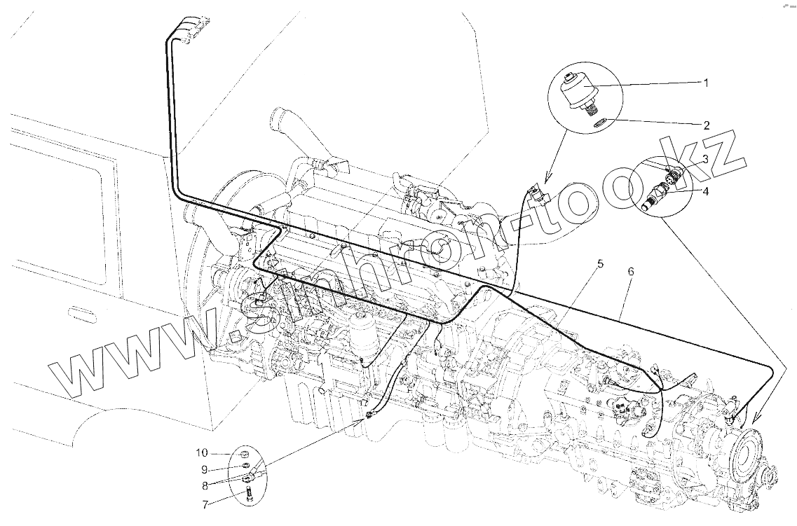
1
2
3
4
4
5
6
7
8
9
10
Позиция на иллюстрации
Заводской номер детали
Название детали
1
0000-3839403
Датчик сигнализатора засоренности воздушного фил
2
409281
Прокладка 14М3
3
0000-3802415
Кабель датчика скорости 5ПМ.503.466-07
4
0000-3802410
Датчик скорости ПД 8093-02
4
0000-3802411
Датчик скорости 4402.3843
5
700600-3724160-10
Жгут проводов двигателя
6
692382-3724158
Жгут проводов
7
201501
Болт М10-6gх60
8
7413-3724084
Провод массы
9
252136
Шайба 10 ОТ
10
250512
Гайка М10-6Н
Содержащиеся в справочниках-каталогах запасные части и детали не предлагаются к продаже, а носят исключительно информационный характер
Дополнительная информация
×
Название:
Номер:
Примечание: