Вернуться на главную
Поиск
Каталоги запчастей к технике
Грузовые автомобили и прицепы
МЗКТ
МЗКТ-652511
Установка стеклоподъёмников
Каталог запасных частей к технике: МЗКТ-652511. Установка стеклоподъёмников
zoom-in
zoom-out
enlarge
shrink
circle-right
circle-left
file-text2
info
cart
Тип техники
Не выбрано
Легковые автомобили
Грузовые автомобили и прицепы
Автобусы
Сельхозтехника
Спецтехника
Двигатели
Мототехника
Марка
Не выбрано
BAW
DAF
DongFeng
FAW
Foton
HOWO
Hyundai
IVECO
JAC Motors
LGMG
MAN
Shaanxi
SITRAK
Studebaker
Tata
Volvo
Автокомпонент Плюс
БелАЗ
Брянский Арсенал
ГАЗ
ЗИЛ
КАЗ
Камский автозавод
КрАЗ
Мадара
МАЗ
МЗКТ
МоАЗ
Нефтекамский автозавод
Ставропольский Завод АвтоПрицепов
ТАТРА
Тонар
УралАЗ
ЧМЗАП
Модель
Не выбрано
МЗКТ-65151 "Волат" (2010)
МЗКТ-65158 (1999)
МЗКТ-652511 (2010)
МЗКТ-6527 (2010)
МЗКТ-700600-011 (2013)
МЗКТ-7401 (2010)
МЗКТ-7402 (2010)
МЗКТ-74131 (1996)
МЗКТ-74171 (2010)
МЗКТ-7429 (2005)
МЗКТ-74296 (2010)
МЗКТ-75165 (2005)
МЗКТ-751652 (2005)
МЗКТ-79011 (2010)
МЗКТ-79091 (2005)
МЗКТ-79092 (2005)
МЗКТ-79092 (нов.) (2005)
МЗКТ-79096 (2005)
МЗКТ-79097 (2005)
МЗКТ-7930-200 (2005)
МЗКТ-93782 (2010)
Схема
>
Не выбрано
Установка кабины
Установка ветровых окон и стеклоочистителя
Установка омывателя
Установка дверей
Установка ограничителей дверей
Установка замков
Установка стеклоподъёмников
Установка сидений
Пневмопитание сиденья
Установка отопителя
Установка трубопроводов отопителя
Установка системы управления отоплением и вентиляцией
Установка топливопроводов независимого отопителя
Установка отопителя независимого действия
Установка воздухозаборника отопителя
Установка держателей зеркал и зеркал
Установка противосолнечного козырька
Установка передних крыльев
Установка капота
Запорный механизм капота
Установка задних крыльев (крылья из стеклопластика)
Установка задних крыльев (Крылья металлические)
Установка подножек
Установка платформы
Платформа 652511-8500020
Установка тента
Установка бака
Бак 65151-8608010
Фильтр с клапаном 7930-1910024-01
Установка привода насоса
Bал карданный 652511-8605010
Haсoc 75165-8604010
Клапанная коробка 6515-8606158
Гидроцилиндр 652511-8603010
Гидроцилиндр 652511-8603010-02
Установка двигателя
Подогреватель ПЖД 65151-1015005
Крепление подогревателя (ПЖД)
Система питания подогревателя (ПЖД)
Крепление топливных агрегатов питания подогревателя
Система охлаждения подогревателя (ПЖД)
Система выхлопа подогревателя (ПЖД)
Установка агрегатов системы смазки двигателя
Пробка заливной горловины 543-1018270
Установка топливопроводов
Установка топливного бака
Бак топливный 652511-1001010
Установка воздухоочистителя
Установка охладителя наддува
Установка подкачивающего насоса
Насос подкачивающий 79092-1133200
Привод управления подачей топлива
Педаль с кронштейном 74133-1108005
Педаль с втулкой и рычагом 74133-1108006
Установка топливных фильтров грубой очистки
Привод останова двигателя
Привод выключателя двигателя дублирующий
Установка системы выпуска газов
Установка глушителя
Установка обогревательного устройства
Привод управления выхлопных газов «зима-лето»
Заслонка 69237-3570010
Распределитель выхлопных газов 652511-1203830
Устройство обогревательное 6515-8515010
Установка трубопроводов и агрегатов моторного тормоза
Установка радиатора
Радиатор 65151-1301008
Установка трубопроводов радиатора
Установка трубопроводов бачка расширительного
Установка бачка расширительного и редукционного клапана
Бачок расширительный 79092-1311010-20
Клапан редукционный 79095-1304010
Установка уплотнителей
Установка механизма управления сцеплением
Механизм управления сцеплением 69237-1602010
Подпедальный цилиндр 69237-1602300
Бачок 6923-1602250
Усилитель пневмогидравлический 65151-1609200-10
Установка привода управления сцеплением
Установка коробки передач
Коробка передач 65151-1700045-90
Картерные детали коробки передач
Валы и шестерни первичного вала
Валы и шестерни вторичного вала
Валы и шестерни промежуточного вала
Масляный насос 202-1704010
Механизм переключения передач и опора рычага
Воздухораспределитель 201-1723010
Вал выходной
Детали понижающей передачи
Клапан редукционный 201-1723080
Привод управления механизмом переключения передач
Воздухопроводы и шланги
Опора 652511-1702200
Корпус опоры 652511-1702206
Шарнир 652511-1703416
Тяга 652511-1703438
Тяга 6525-1703490
Цилиндр 692374-1703610
Тяга 652511-1703620
Распределитель 652511-1703640
Установка раздаточной коробки
Картер и детали раздаточной коробки
Валы и шестерни раздаточной коробки
Картер раздаточной коробки 6525-1802010-20
Картер блокировки 65251-1802230
Детали привода насоса
Насос 6923-1808010-10
Установка управления раздаточной коробки
Установка карданных валов
Валы карданные 6525-2201010, 7917-2208010
Вал карданный 7415-2218010
Мосты
Установка редуктора переднего моста
Редуктор переднего моста 6923-2402010
Поворотное устройство переднего моста
Колесная передача переднего моста
Мост передний с тормозными колодками
Мост передний с цапфой и датчиком АБС
Привод тормозов переднего моста
Шестерня ведущая 6923-2402021
Дифференциалы 6923-2403010, 6923-2503010
Шарнир поворотного кулака 652511-2304060
Шарнир поворотного кулака 652511-2304061
Колодка тормоза правая, левая 9919-3501090, 9919-3501091
Установка редуктора заднего моста
Картер редуктора заднего моста с дифференциалом
Картер шестерен редуктора заднего моста
Шестерня ведущая 6923-2502021-10
Мост задний с цапфой и суппортом
Колесная передача заднего и среднего мостов
Мосты задний и средний с тормозными колодками
Привод тормозов заднего моста
Кронштейн правый, левый 6525-3519268, 6525-3519269
Установка редуктора среднего моста
Картер редуктора среднего моста с дифференциалом
Картер шестерен редуктора среднего моста
Шестерня ведущая 69237-2502021-10
Привод тормозов среднего моста
Мост средний с цапфой и суппортом
Дифференциал межосевой 6923-2506010-10
Механизм блокировки 6923-2509010-10
Привод управления блокировкой дифференциалов
Рама 652511-2800001
Рама 652511-2800010
Рама 652511-2800012
Установка бокового ограждения
Подвеска передняя
Рессора 8007-2912012
Рессора 8007-2912012-01
Подвеска задняя 6525-2910010
Подвеска балансирная 6525-2910012-01
Рессора задняя 6525-2912012-10
Ступица с подшипниками 652511-3103010-10
Ступица с подшипниками 652511-3103010
Головка подвода воздуха 65251-3124010-10
Установка колеса
Колесо 652511-3101011
Кран 8021-3106046
Установка крана накачки шин
Кран накачки шин 543-4222010-21
Привод управления краном 8021-3122110
Клапан пылезащитный 547A-8005230
Клапан-ограничитель 7410-3515010
Установка рулевого управления
Тяга 652511-3414070
Тяга 652511-3414080-20
Цилиндр 8021-3405005-10
Цилиндр 8021-3405007
Кронштейн с колонкой 64221-3403008
Колонка рулевая 64221-3444010
Валы карданные 652511 -3422030,79092-3422030
Опора промежуточная 652511-3422080
Установка кожухов рулевой колонки
Установка масляного бака
Бак масляный 652511-3410010
Блок клапанов 8021-3420010-10
Установка насоса
Hacoc 65271-3407008
Hacoс 65271-3407010
Установка насоса гидроусилителя
Hacoc 652511-3431010
Hacoc 69237-3407310
Трубопроводы и шланги рулевого механизма
Трубопроводы и шланги блока клапанов и насосов
Установка компрессора
Установка ресиверов и аппаратов
Привод тормозного крана
Установка ресивера переднего контура
Установка влагомаслоотделителя
Влагомаслоотделитель 6525-3536110
Установка крана стояночного тормоза
Установка ресиверов стояночного тормоза
Установка модуляторов
Установка тормозной камеры
Установка головного освещения
Установка задних фонарей
Крепление контейнера аккумуляторных батарей
Контейнер аккумуляторной батареи 652511-3748002
Вентилятор 80071-3703710
Установка аккумуляторных батарей
Установка системы обогрева контейнера АБ
Установка электрооборудования на шасси 652511-3724027
Установка электрооборудования на шасси 652511-3724580-10 и 652511-3724588
Установка электрооборудования двигателя
Колодки, контакты
Резино-технические изделия электрооборудования
Установка указателей габарита
Установка переключателей на рулевой колонке
Установка коробки отбора мощности
Коробка отбора мощности 75165-4201010
Корпус 75165-4201020
Детали включения коробки отбора мощности
Шестерня ведущая
Шестерня ведомая
Установка подъемника запасного колеса
Редуктор 5247Б-3925220-А2
Установка инструментального ящика
Установка ящика
Инструмент и принадлежности
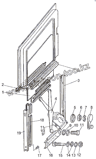
1
1
2
2
3
4
4
5
6
7
8
9
9
10
10
11
11
12
13
14
15
16
17
18
19
Позиция на иллюстрации
Заводской номер детали
Название детали
1
742953-6103210
Стекло опускное правое
1
742953-6103211
Стекло опускное левое
2
742953-6103268
Уплотнитель
3
742953-6104156
Направляющая опускного стекла
4
6430-6104011-001
Стеклоподъёмник левый
4
6430-6104010-001
Стеклоподъёмник правый
5
6430-6104050
Накладка
6
5336-6105184-10
Розетка ручки
7
64221-6104069
Облицовка стеклоподъемника
8
64221-6104064-01
Ручка стеклоподъемника
9
252037
Шайба 6
10
252154
Шайба 6Л
11
201416
Болт М6-6gх12
12
250512
Гайка М10-6Н
13
252136
Шайба 10 ОТ
14
252006
Шайба 10
15
742953-6104144
Ограничитель
16
742953-6104112
Кулиса нижняя
17
220051
Винт М4-6gх10
18
742953-6103261
Уплотнитель
19
742953-6104157
Направляющая опускного стекла
Содержащиеся в справочниках-каталогах запасные части и детали не предлагаются к продаже, а носят исключительно информационный характер
Дополнительная информация
×
Название:
Номер:
Примечание: