Вернуться на главную
Поиск
Каталоги запчастей к технике
Грузовые автомобили и прицепы
МЗКТ
МЗКТ-65158
Кронштейн с колонкой 64221-3403008
Каталог запасных частей к технике: МЗКТ-65158. Кронштейн с колонкой 64221-3403008
zoom-in
zoom-out
enlarge
shrink
circle-right
circle-left
file-text2
info
cart
Тип техники
Не выбрано
Легковые автомобили
Грузовые автомобили и прицепы
Автобусы
Сельхозтехника
Спецтехника
Двигатели
Мототехника
Марка
Не выбрано
BAW
DAF
DongFeng
FAW
Foton
HOWO
Hyundai
IVECO
JAC Motors
LGMG
MAN
Shaanxi
SITRAK
Studebaker
Tata
Volvo
Автокомпонент Плюс
БелАЗ
Брянский Арсенал
ГАЗ
ЗИЛ
КАЗ
Камский автозавод
КрАЗ
Мадара
МАЗ
МЗКТ
МоАЗ
Нефтекамский автозавод
Ставропольский Завод АвтоПрицепов
ТАТРА
Тонар
УралАЗ
ЧМЗАП
Модель
Не выбрано
МЗКТ-65151 "Волат" (2010)
МЗКТ-65158 (1999)
МЗКТ-652511 (2010)
МЗКТ-6527 (2010)
МЗКТ-700600-011 (2013)
МЗКТ-7401 (2010)
МЗКТ-7402 (2010)
МЗКТ-74131 (1996)
МЗКТ-74171 (2010)
МЗКТ-7429 (2005)
МЗКТ-74296 (2010)
МЗКТ-75165 (2005)
МЗКТ-751652 (2005)
МЗКТ-79011 (2010)
МЗКТ-79091 (2005)
МЗКТ-79092 (2005)
МЗКТ-79092 (нов.) (2005)
МЗКТ-79096 (2005)
МЗКТ-79097 (2005)
МЗКТ-7930-200 (2005)
МЗКТ-93782 (2010)
Схема
>
Не выбрано
Кабина
Каракас кабины
Подвеска кабины
Механизм подъема кабины
Цилиндр гидравлический 79092-5003010-10
Насос опрокидывающего механизма 79092-5004010
Принадлежности кузова, омыватель
Установка стекол, держателей и противосолнечных козырьков
Панель приборов
Двери
Механизм подъема стекла
Остов сиденья водителя и переднего сиденья
Подставка сиденья и регулировочные механизмы
Установка переднего сиденья и поручней
Отопитель кабины
Установка трубопроводов отопителя
Установка воздушных заслонок и отопителя кабины
Установка поручней в кабине
Установка спальных мест, штор и холодильника
Установка вещевой полки и шторок
Установка крыльев
Установка крыльев
Установка подножек
Установка подножек
Установка платформы
Установка платформы
Цилиндр 6515-8505300
Установка узлов гидрооборудования подъема платформы
Установка привода насоса
Установка трубопроводов системы подъёма
Гидроцилиндр 6515-8603010-02
Гидроцилиндр 6515-8603010-03
Насос 75165-8604010
Установка бака
Бак 6515-8608010
Клапанная коробка 6515-8606158
Установка трубопроводов системы управления
Надрамник 6515-8601012-10
Установка двигателя
Установка подогревателя
Установка подогревателя
Подогреватель в состоянии установки
Бачок топливный 65158-1015420
Установка агрегатов системы смазки
Установка агрегатов системы смазки
Пробка заливной горловины 543-1018270
Система питания двигателя
Установка топливопроводов
Установка топливного бака
Бак топливный 6923-1101010
Установка воздухоочистителей
Установка топливоподкачивающего насоса
Насос подкачивающий
Привод управления подачей топлива
Педаль с кронштейном
Привод останова двигателя
Установка системы выпуска отработанных газов
Установка радиатора
Радиатор в состоянии установки
Радиатор с кожухом 64229-1301009
Радиатор с кожухом 64229-1301009-01
Шторка радиатора 6422-1310610-10
Установка трубопроводов системы охлаждения двигателя
Установка бачка расширительного, клапана редукционного
Установка привода шторки
Бачок расширительный
Клапан редукционный
Привод управления сцеплением
Установка механизма управления сцепления
Подпедальный цилиндр 69237-1602300
Усилитель пневмогидравлический 69237-1609200
Установка коробки передач
Коробка передач с деталями выключения сцепления 65158-1700045
Коробка передач 65158-1700050
Картерные детали коробки передач
Валы и шестерни коробки передач
Масляный насос 202-1704010
Механизм переключения передач 202-1702010 и опора рычага 201-1702200
Воздухораспределитель 201-1723010
Вал выходной 202-1721300
Картер понижающей передачи 201 -1721014 и цилиндр с поршнем 201-1722020
Клапан редукционный 201-1723080
Привод переключения передач
Механизм промежуточный 64227-1703325 и хвостовик 69237-1703448
Рычаг коробки передач 64221-1703410-01
Карданный вал привода насоса 79111-1760040
Клапан электромагнитный 7917-1723010
Клапан электромагнитный 7930-1804100
Установка валов карданных
Вал карданный 6923-2201010
Валы карданные 69237-2202010-10, 79191-2204010
Опора промежуточная 69237-2220010
Мост задний. Детали колесной передачи
Картер моста
Редуктор
Шестерня ведущая
Дифференциалы
Мост средний. Редуктор с картером моста
Мост средний. Детали колесной передачи
Мост средний. Вал задний
Картер моста
Редуктор среднего моста. Картер редуктора с дифференциалом
Редуктор среднего моста. Межосевой дифференциал с картером шестерен
Редуктор среднего моста. Механизм блокировки
Шестерня ведущая
Дифференциал межосевой
Привод управления блокировкой межосевых дифференциалов
Рама
Подвеска передняя
Подвеска задняя ось передняя
Ось передняя
Балка оси передней с поворотными кулаками
Установка передних колес
Установка задних колес
Ступица задняя
Ступица с барабаном и подшипниками 6923-3103006
Установка рулевого управления
Тяги и кронштейны рулевого привода
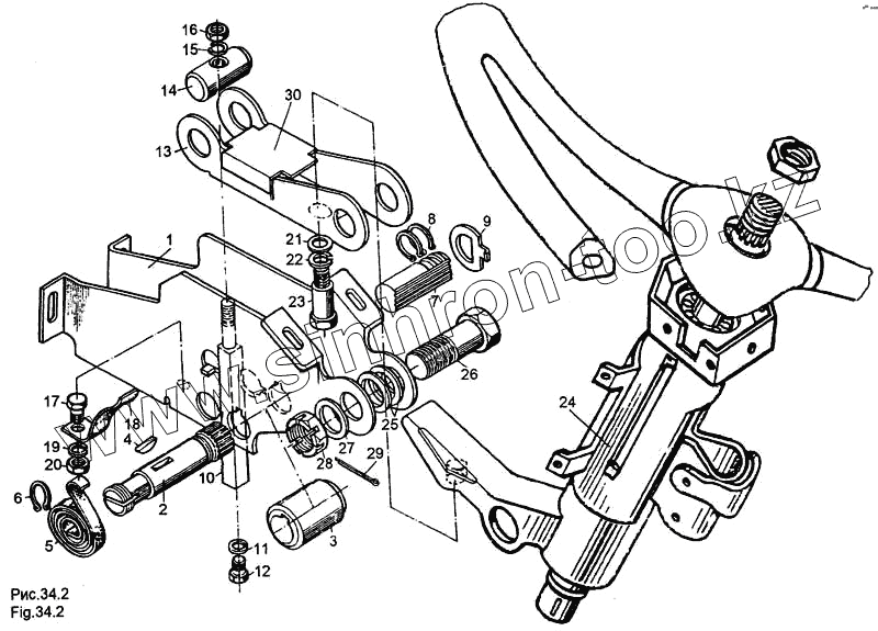
Кронштейн с колонкой 64221-3403008
Цилиндр 69237-3405005-11
Установка шлангов и трубопроводов
Установка масляного бака
Бак масляный 6923-3410010-10
Блок клапанов 6923-3420010-10
Колонка рулевая 64221-3444010
Вал карданный 5336-3444050
Установка кожухов рулевой колонки
Установка насоса
Установка насоса гидроусилителя
Насос 6923-3407010-20
Тормоза
Тормоз заднего и среднего колеса
Колодка тормоза правая. Колодка тормоза левая
Мост задний и средний. Привод тормозов
Тормоз правый 6923-3501004. Тормоз левый 6923-3501005
Привод тормозного крана
Установка тормозного крана
Рычаг с кронштейном 69237-3504076
Кронштейн 69237-3504090
Педаль тормоза 69237-3504100
Установка компрессора
Установка водоотделителя
Установка регулятора давления и предохранителя против замерзания
Установка воздушных баллонов
Присоединительная арматура к ресиверам
Установка клапана защитного
Клапан обратный 543М-3515075
Установка клапана ускорительного переднего
Установка клапана ускорительного заднего
Установка клапана ускорительного стояночного тормоза
Установка клапана двухмагистрального
Установка крана стояночного тормоза
Крепление передних тормозных камер и трубопроводов
Крепление задних тормозных камер и шлангов
Установка крана моторного тормоза
Установка трубопроводов моторного тормоза
Привод выключения двигателя дублирующий
Заслонка
Установка генератора
Установка головного освещения
Установка контейнера и аккумуляторных батарей
Установка задних фонарей
Установка электрооборудования на шасси
Установка электрооборудования на шасси
Установка электрооборудования двигателя
Установка электрооборудования в кабине
Установка переключателей на рулевой колонке. Установка стеклоочистителя
Установка электрооборудования подогревателя
Установка электрооборудования обогреваемых зеркал
Установка электрооборудования на кабине. Установка контурных огней на кабине
Панель приборов
Щиток приборов
Привод спидометра
Панель контрольных ламп
Панель управления платформой
Установка щитков приборов и коммутационной аппаратуры
Установка коробки отбора мощности
Коробка отбора мощности
Корпус 75165-4201020
Детали включения коробки отбора мощности
Шестерня ведущая
Шестерня ведомая
Установка подъемника запасного колеса
Редуктор подъемника запасного колеса
Установка буксирного троса
Установка огнетушителей
Установка инструментального ящика
Установка противооткатных упоров
Инструмент из комплекта ЗИ
Принадлежности из комплекта ЗИ
1
2
3
4
5
6
7
8
9
10
11
12
13
14
15
16
17
18
19
20
21
22
23
24
25
26
27
28
29
30
Позиция на иллюстрации
Заводской номер детали
Название детали
1
5336-3403012-20
Кронштейн
2
64221-3403088
Ось
3
5336-3403085
Втулка
4
378079
Шпонка 3х5
5
6422-3403061-10
Пружина
6
400332
Кольцо Б14
7
5336-3403098-10
Ось
8
400346
Кольцо Б20
9
5336-3403093
Стопор
10
5336-3403094-10
Рейка
11
252037
Шайба 6
12
201415
Болт М6-6gх10
13
5336-3403050
Кронштейн
14
5336-3403097-10
Палец
15
252155
Шайба 8Л
16
250510
Гайка М8х1-6Н
17
201416
Болт М6-6gх12
18
5336-3403096-10
Толкатель
19
252154
Шайба 6Л
20
250508
Гайка М6-6Н
21
252007
Шайба 12
22
252157
Шайба 12Л
23
5336-3403105
Болт регулировочный
24
64221-3444010
Колонка рулевая
25
5336-3403103
Шайба
26
5336-3403099
Болт стяжной
27
252018
Шайба 18
28
374809
Гайка М18х1,5
29
258071
Шплинт 5х45
30
5336-3403052
Предохранитель
Содержащиеся в справочниках-каталогах запасные части и детали не предлагаются к продаже, а носят исключительно информационный характер
Дополнительная информация
×
Название:
Номер:
Примечание: