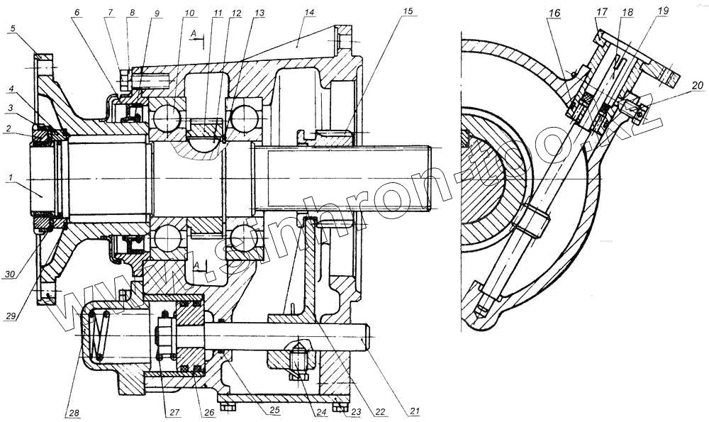
Каталог запасных частей к технике: МоАЗ 7505. Механизм блокировки дифференциала 7505-1729010СБ
1
2
3
4
5
6
7
8
9
10
11
12
13
14
15
16
17
18
19
20
21
22
23
24
25
26
27
28
29
30
| Позиция на иллюстрации | Заводской номер детали | Название детали | |
|---|---|---|---|
| 252135 | 252135 | Шайба | |
| 201458 | 201458 | Болт | |
| 1 | 6507-1729074 | Полуось левая | |
| 2 | 7505-1701276 | Гайка | |
| 3 | 6507-1701274 | Пластина | |
| 4 | 7505-1701230 | Шайба | |
| 5 | 6507-1701160-СБ | Фланец | |
| 6 | 6507-1729098 | Крышка | |
| 7 | 201544 | Болт | |
| 8 | 252137 | Шайба | |
| 9 | 540-2402052 | Сальник | |
| 10 | 314 | Подшипник | |
| 11 | 6507-1701140-10 | Шестерня ведущая | |
| 12 | 448439 | Шпонка сегментная | |
| 13 | 449686 | Кольцо В70 ГОСТ 13940-86 | |
| 14 | 6507-1729015-10 | Картер передний | |
| 15 | 6507-1729060 | Муфта подвижная | |
| 16 | 026-032-36-2-2 | Кольцо ГОСТ 18829-73 | |
| 17 | 6507-1701145-СБ | Стакан привода спидометра | |
| 18 | 6507-1701147-10 | Шестерня | |
| 19 | 1,2-10х25-3 | Манжета ГОСТ 8752-79 | |
| 20 | 446901 | Винт | |
| 21 | 6507-1729050-СБ | Поршень | |
| 22 | 6507-1729055 | Вилка | |
| 23 | 6507-1729062 | Крышка | |
| 24 | 446908 | Винт установочный | |
| 25 | 025-31-36-2-2 | Кольцо ГОСТ 18829-73 | |
| 26 | 6507-1729057 | Втулка | |
| 27 | 6507-1701235 | Пружина | |
| 28 | 6507-1701217 | Крышка | |
| 29 | 084-090-36-2-2 | Кольцо ГОСТ 18829-73 | |
| 30 | 065-070-30-2-2 | Кольцо ГОСТ 18829-73 |
Содержащиеся в справочниках-каталогах запасные части и детали не предлагаются к продаже, а носят исключительно информационный характер