Вернуться на главную
Поиск
Каталоги запчастей к технике
Грузовые автомобили и прицепы
МоАЗ
75054-22
Механизм привода управления тормоза гидравлического
Каталог запасных частей к технике: МоАЗ 75054-22. Механизм привода управления тормоза гидравлического
zoom-in
zoom-out
enlarge
shrink
circle-right
circle-left
file-text2
info
cart
Тип техники
Не выбрано
Легковые автомобили
Грузовые автомобили и прицепы
Автобусы
Сельхозтехника
Спецтехника
Двигатели
Мототехника
Марка
Не выбрано
BAW
DAF
DongFeng
FAW
Foton
HOWO
Hyundai
IVECO
JAC Motors
LGMG
MAN
Shaanxi
SITRAK
Studebaker
Tata
Volvo
Автокомпонент Плюс
БелАЗ
Брянский Арсенал
ГАЗ
ЗИЛ
КАЗ
Камский автозавод
КрАЗ
Мадара
МАЗ
МЗКТ
МоАЗ
Нефтекамский автозавод
Ставропольский Завод АвтоПрицепов
ТАТРА
Тонар
УралАЗ
ЧМЗАП
Модель
Не выбрано
7505
75051
75054-22
Схема
>
Не выбрано
Схема деления автомобиля-самосвала на составные части
Установка двигателя
Установка пускового подогревателя ПЖД-600И
Установка бака и монтаж трубопроводов
Привод управления двигателем
Установка воздушного фильтра
Установка радиатора ОНВ
Установка системы выпуска газов
Установка системы охлаждения
Установка гидромеханической передачи
Передача гидромеханическая
Гидротрансформатор и механизм управления дифференциалом в сборе
Картер гидротрансформатора
Насос масляный
Клапан блокировки дифференциала
Гидротрансформатор
Привод масляного насоса
Механизм управления дифференциалом
Коробка передач
Вал реверсивный
Фрикцион
Тормоз гидравлический
Вал ведомый
Клапан подпорный и трубопроводы гидравлического тормоза
Механизм управления гидравлическим тормозом
Маслозаборник и фильтр полнопоточный
Картер коробки передач
Фильтр тонкой очистки
Картер гидромеханической передачи
Коробка золотниковая
Клапан корректирующий
Механизм управления ГМП
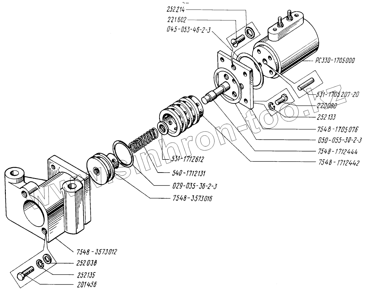
Механизм привода управления тормоза гидравлического
Дифференциал
Вал диапазонный
Вал ведущий
Привод насосов гидросистемы
Установка трубопроводов и маслоохладителя
Передача карданная
Установка механизма отключения трансмиссии
Муфта
Механизм отключения трансмиссии
Мост передний
Шарнир
Водило
Редуктор переднего моста
Дифференциал редуктора переднего моста
Мост задний
Редуктор заднего моста
Дифференциал редуктора заднего моста
Пневмопривод блокировки дифференциала заднего моста
Рама, щиты и палец буксирный
Подвеска управляемого моста
Цилиндр подвески
Подвеска заднего моста
Установка колес
Схема установки рулевого управления
Руль гидравлический с арматурой
Вал карданный
Гидроцилиндр с арматурой
Клапан предохранительный
Клапан приоритетный с арматурой
Фильтр
Электродвигатель с насосом
Тяга рулевой трапеции
Тормоз колесный передний
Тормоз колесный задний
Тормоз стояночный с редуктором заднего моста
Пневмосистема привода тормозов
Пневмосистема привода тормозов
Установка компрессора и его привода
Энергоаккумулятор пружинный
Цилиндр тормозной
Привод тормозного крана
Установка электрооборудования
Установка электрооборудования по кабине
Установка электрооборудования на панели приборов
Кабина и оперение
Люк крыши вентиляционный
Дверь
Установка сиденья водителя
Вентилятор
Отопление кабины (отопитель передний)
Отопление кабины (отопитель автономный)
Установка кузова
Установка кузова для перевозки угля
Механизм фиксации борта
Схема установки гидросистемы
Схема установки гидросистемы
Гидробак
Сапун
Фильтр
Заборник
Гидрораспределитель
Гидроцилиндр опрокидывающего механизма
1
2
3
4
5
6
7
8
9
10
11
12
13
14
15
16
17
18
19
Позиция на иллюстрации
Заводской номер детали
Название детали
1
РС330-1705000
Электромагнит
2
7548-1705076
Фланец
3
531-1705207-20
Толкатель
4
540-1712131
Пружина
5
7548-1712442
Гильза пилота
6
7548-1712444
Золотник
7
531-1712612
Шайба
8
7548-3573012
Корпус
9
7548-3573016
Заглушка
10
029-035-36-2-3
Кольцо
11
045-053-46-2-3
Кольцо
12
050-055-30-2-3
Кольцо
13
201456
Болт
14
220080
Винт М5-6gх15 ОСТ 37.001.127-81
15
221602
Винт М6х10
16
252038
Шайба 8
17
252133
Шайба
18
252135
Шайба
19
252214
Шайба Б
Содержащиеся в справочниках-каталогах запасные части и детали не предлагаются к продаже, а носят исключительно информационный характер
Дополнительная информация
×
Название:
Номер:
Примечание: