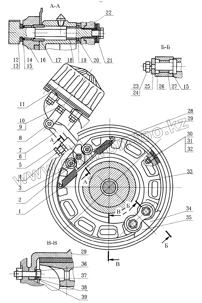
Каталог запасных частей к технике: МоАЗ 75051. Тормоз колесный передний
7505-3502090
1
2
3
4
5
6
7
8
9
10
11
12
13
14
15
15
16
17
18
19
20
21
22
23
24
25
26
27
28
29
29
30
31
32
33
34
35
36
37
38
39
| Позиция на иллюстрации | Заводской номер детали | Название детали | |
|---|---|---|---|
| 7505-3502090 | 7505-3502090 | Колодка тормозная | |
| 1 | 546Т-3502034 | Пружина | |
| 2 | 522А-3502107 | Ось ролика | |
| 3 | 6507-3502106 | Ролик | |
| 4 | 522А-3502141 | Винт | |
| 5 | 250659 | Гайка М22х1,5-6Н | |
| 6 | 522А-3501180 | Рычаг нажимной правый | |
| 7 | 522А-3501181 | Рычаг нажимной левый | |
| 8 | 260137 | Палец 16х50 | |
| 9 | 522А-3519070-01 | Кронштейн правый | |
| 10 | 522А-3519071-01 | Кронштейн левый | |
| 11 | 6441-3519110 | Цилиндр тормозной | |
| 12 | 7505-3501110 | Кулак разжимной правый | |
| 13 | 7505-3501111 | Кулак разжимной левый | |
| 14 | 7406-3502117 | Втулка распорная | |
| 15 | 042-050-46-2-2 | Кольцо | |
| 16 | 7505-3501017-20 | Суппорт | |
| 17 | 542А-3501022 | Втулка | |
| 18 | 6401-3502108-Б | Втулка | |
| 19 | 7406-3502168 | Манжета | |
| 20 | 7406-3502167 | Кольцо | |
| 21 | 546-3502155 | Шайба | |
| 22 | 7406-3502138 | Рычаг регулировочный | |
| 23 | 250586 | Гайка М24х2-6Н | |
| 24 | 252143 | Шайба | |
| 25 | 7505-3502203 | Планка | |
| 26 | 7505-3502095 | Колодка тормозная | |
| 27 | 7505-3502108 | Втулка | |
| 28 | 027-032-30-2-2 | Кольцо ГОСТ 18829-73 | |
| 29 | 546-3502070-22 | Барабан тормозной | |
| 30 | 221725 | Винт М10-6gх35 | |
| 31 | 250612 | Гайка М10-6Н | |
| 32 | 252136 | Шайба | |
| 33 | 546-3502105 | Накладка фрикционная | |
| 34 | 7505-3501170 | Диск защитный правый | |
| 35 | 7505-3501171 | Диск защитный левый | |
| 36 | 7505-3501202 | Болт М20х2,5х65 | |
| 37 | 252141 | Шайба | |
| 38 | 7505-3501082 | Пластина | |
| 39 | 258288 | Шплинт |
Содержащиеся в справочниках-каталогах запасные части и детали не предлагаются к продаже, а носят исключительно информационный характер