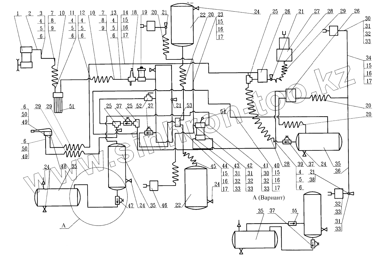
Каталог запасных частей к технике: МоАЗ 75051. Схема пневмопривода тормозов
1
2
3
4
4
4
4
4
5
5
5
5
5
6
6
6
6
6
6
6
7
7
8
8
9
9
10
10
11
12
13
14
15
15
15
15
15
16
16
16
16
16
17
17
17
17
17
18
19
20
20
20
20
21
21
21
21
22
22
23
24
24
24
24
24
25
25
25
25
25
25
26
26
26
26
27
28
28
29
29
29
30
30
31
31
31
31
32
32
32
32
32
33
33
33
33
33
33
34
35
35
35
35
36
37
37
37
37
38
39
40
41
42
43
44
45
46
47
48
49
49
50
50
51
52
53
54
55
| Позиция на иллюстрации | Заводской номер детали | Название детали | |
|---|---|---|---|
| 1 | 6441-3500009 | Установка компрессора | |
| 2 | 379652 | Угольник | |
| 3 | 75051-3506207 | Воздухопровод | |
| 4 | 379700 | Гайка накидная | |
| 5 | 379256 | Муфта | |
| 6 | 012-016-25-2-3 | Кольцо | |
| 7 | 546П-3506405 | Хомутик | |
| 8 | 201422 | Болт | |
| 9 | 374180 | Гайка | |
| 10 | 546П-3509247 | Рукав | |
| 11 | 7505-3506211 | Воздухопровод | |
| 12 | 7505-3506216 | Воздухопровод | |
| 13 | 7505-3506213 | Воздухопровод | |
| 14 | 7505-3506329 | Воздухопровод | |
| 15 | 405641 | Гайка накидная | |
| 16 | 379254 | Муфта | |
| 17 | 009-012-19-2-3 | Кольцо | |
| 18 | 11.3512010 | Регулятор давления | |
| 19 | 11.3515150-10 | Противозамерзатель | |
| 20 | 7405-3506085 | Рукав гибкий | |
| 21 | 13.3515310 | Клапан контрольного вывода | |
| 22 | 7505-3513015 | Ресивер Б40 | |
| 23 | 7505-3506284 | Воздухопровод правый | |
| 24 | 100-3513110 | Кран слива конденсата | |
| 25 | 100-3562010 | Клапан двухмагистральный | |
| 25 | 64221-3562010 | Клапан двухмагистральный | |
| 26 | 11.3518010 | Клапан ускорительный | |
| 26 | 64221-3518010 | Клапан ускорительный | |
| 27 | 7505-3519010-01 | Пружинный энергоаккумулятор | |
| 28 | 449372 | Угольник | |
| 29 | 6401-3506060 | Рукав гибкий | |
| 30 | 402741 | Угольник | |
| 31 | 374939 | Гайка | |
| 32 | 376145 | Шайба | |
| 33 | 020-025-30-2-3 | Кольцо | |
| 34 | 7505-3506300 | Воздухопровод правый | |
| 35 | 5336-3513015 | Ресивер Б20 | |
| 36 | 7505-3506301 | Воздухопровод левый | |
| 37 | 100-3515010 | Клапан защитный одинарный | |
| 38 | 6442-3506486 | Тройник | |
| 39 | 7505-3506293 | Воздухопровод | |
| 40 | 7505-3506297 | Воздухопровод | |
| 41 | 7505-3506466-10 | Крестовина | |
| 42 | 6401-3506147 | Тройник | |
| 43 | 402776 | Угольник | |
| 44 | 7505-3506285 | Воздухопровод левый | |
| 45 | 7406-3506095 | Рукав гибкий | |
| 46 | 6441-3519110 | Цилиндр тормозной | |
| 47 | 12.3515010 | Клапан защитный одинарный с обратным потоком | |
| 48 | 100-3537010 | Кран ручной тормозной | |
| 49 | 375919 | Шайба | |
| 50 | 404249 | Штуцер | |
| 51 | 11.3511010-01 | Водоотделитель | |
| 52 | 12.3520010-10 | Кран разобщительный | |
| 53 | 100-3515110 | Клапан защитный двойной | |
| 54 | 100-3514008 | Кран тормозной двухсекционный | |
| 55 | 6422-3515210 | Клапан обратный |
Содержащиеся в справочниках-каталогах запасные части и детали не предлагаются к продаже, а носят исключительно информационный характер