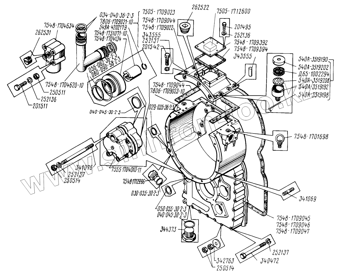
Каталог запасных частей к технике: МоАЗ 75051. Картер гидротрансформатора
1
2
3
4
5
6
8
8
9
10
11
12
13
14
15
18
19
20
21
22
22
23
24
25
26
28
29
30
30
31
31
32
32
32
33
34
35
36
37
38
39
39
40
| Позиция на иллюстрации | Заводской номер детали | Название детали | |
|---|---|---|---|
| 1 | 7548-1701698 | Рым-болт | |
| 2 | 7555-1704010-11 | Насос масляный | |
| 3 | 7548-1704134 | Втулка | |
| 4 | 7548-1704620-10 | Труба | |
| 5 | 7806-1709021-10 | Картер | |
| 6 | 7548-1709022 | Картер верхний | |
| 7 | 7806-1709523 | Картер нижний | |
| 8 | 7548-1709044 | Прокладка | |
| 9 | 7548-1709045 | Прокладка левая | |
| 10 | 7548-1709046 | Прокладка правая | |
| 11 | 7548-1709047 | Прокладка нижняя | |
| 12 | 7548-1709392 | Крышка | |
| 13 | 7548-1709394 | Прокладка | |
| 14 | 7505-1712600 | Клапан блокировки дифференциала | |
| 15 | 7548-1712996 | Заглушка | |
| 16 | 7548-1431071-20 | Втулка | |
| 17 | 540А-3519190-01 | Сапун | |
| 18 | 549А-4202179 | Кольцо | |
| 19 | 029-035-36-2-3 | Кольцо | |
| 20 | 030-035-30-2-3 | Кольцо | |
| 21 | 034-040-36-2-3 | Кольцо | |
| 22 | 040-045-30-2-3 | Кольцо | |
| 23 | 050-055-30-2-3 | Кольцо | |
| 24 | 056-062-36-2-3 | Кольцо | |
| 25 | 080-090-58-2-3 | Кольцо | |
| 26 | 201495 | Болт | |
| 27 | 201501 | Болт | |
| 28 | 201542 | Болт | |
| 29 | 250511 | Гайка М8 | |
| 30 | 250514 | Гайка | |
| 31 | 252136 | Шайба | |
| 32 | 252137 | Шайба | |
| 33 | 262522 | Пробка | |
| 34 | 262531 | Пробка КГ1/8 | |
| 35 | 340472 | Болт М12х120 | |
| 36 | 341069 | Шпилька М12х30 | |
| 37 | 341076 | Шпилька М12x160 | |
| 38 | 342763 | Шайба 12 | |
| 39 | 343555 | Штифт 12x30 | |
| 40 | 344373 | Пробка М42х2 |
Содержащиеся в справочниках-каталогах запасные части и детали не предлагаются к продаже, а носят исключительно информационный характер