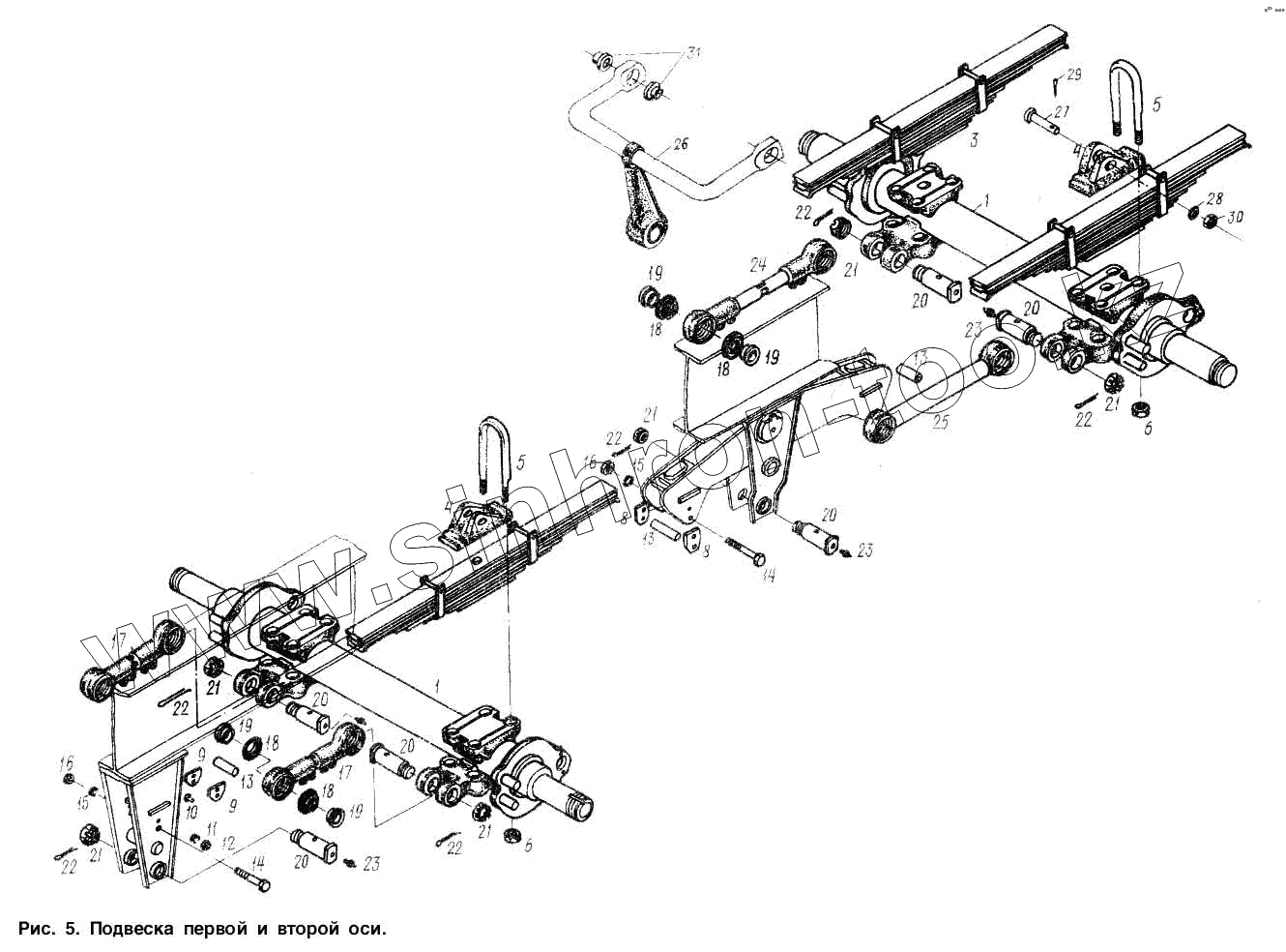
Каталог запасных частей к технике: МАЗ-9506. Подвеска. Установка первой и второй оси
1
1
3
4
4
5
5
6
6
8
8
9
9
10
11
12
13
13
13
14
14
15
15
16
16
17
17
18
18
18
18
19
19
19
19
20
20
20
20
20
20
21
21
21
21
21
21
22
22
22
22
22
22
23
23
23
24
25
26
27
28
29
30
31
| Позиция на иллюстрации | Заводской номер детали | Название детали | |
|---|---|---|---|
| 1 | 93866-2410007-30 | Ось с тормозами в сборе | |
| 2 | 9506-2919013-10 | Штанга нерегулируемая | |
| 3 | 9506-2912012 | Рессора | |
| 4 | 93866-2912412 | Накладка | |
| 5 | 8378-2912408 | Стремянка | |
| 6 | 375059 | Гайка М27х2-5Н6Н | |
| 7 | 9397-2918005 | Балансир | |
| 8 | 941-2918059 | Пластина | |
| 9 | 500-2912448-Б | Вкладыш боковой | |
| 10 | 221723 | Винт М10-6gх30 | |
| 11 | 252136 | Шайба 10.ОТ | |
| 12 | 250612 | Гайка М10-6Н | |
| 13 | 200-2912452 | Втулка распорная | |
| 14 | 200879 | Болт М16-6gх150 | |
| 15 | 252139 | Шайба 16.ОТ | |
| 16 | 250560 | Гайка М16-6Н | |
| 17 | 9389-2919011 | Штанга регулируемая L = 355 мм | |
| 18 | 941-2919026-10 | Уплотнитель | |
| 19 | 941-291902-11 | Втулка распорная | |
| 20 | 941-2912098 | Палец | |
| 21 | 5335-2402036 | Гайка М39х2-5Н6Н | |
| 22 | 459871 1232 | Шплинт 6,3х63 | |
| 23 | 264020 | Масленка 1.3.Ц6хр | |
| 24 | 9506-2919010-10 | Штанга регулируемая L=493 мм | |
| 25 | 9389-2919013 | Штанга нерегулируемая L = 355мм | |
| 26 | 54321-2916006 | Вал стабилизатора с рычагом | |
| 27 | 54321-2916034 | Палец | |
| 28 | 252019 | Шайба 20 | |
| 29 | 258056 | Шплинт 4х40 | |
| 30 | 374910 | Гайка М20х1,5-5Н6Н | |
| 31 | 54321-2916028 | Втулка |
Содержащиеся в справочниках-каталогах запасные части и детали не предлагаются к продаже, а носят исключительно информационный характер