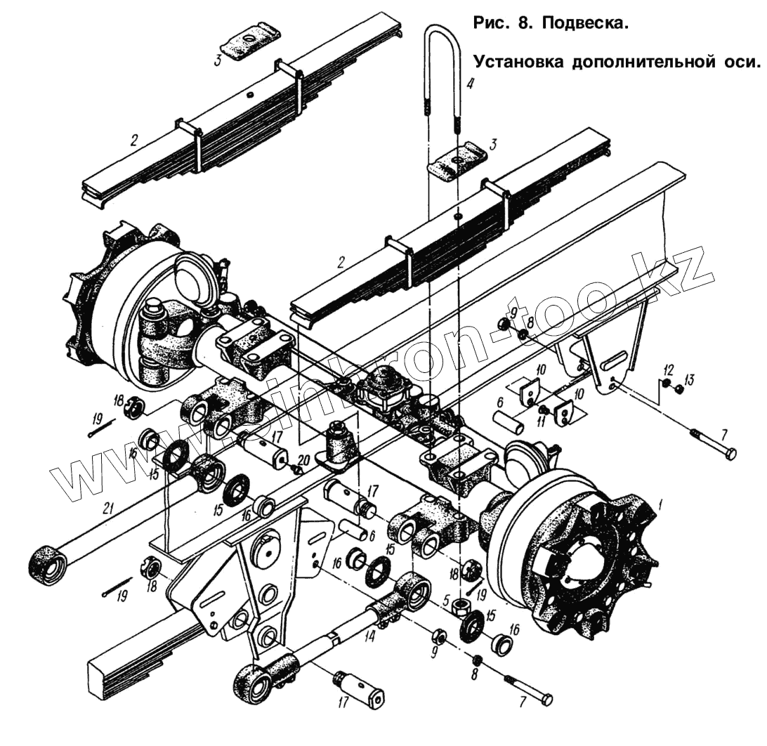
Каталог запасных частей к технике: МАЗ-93892. Подвеска. Установка дополнительной оси
1
2
2
3
3
4
5
6
6
7
7
8
8
9
9
10
10
11
12
13
14
15
15
15
15
16
16
16
16
17
17
17
18
18
18
19
19
19
20
21
| Позиция на иллюстрации | Заводской номер детали | Название детали | |
|---|---|---|---|
| 1 | 9389-3012002 | Ось с рессорами | |
| 2 | 9389-2902012 | Рессора | |
| 3 | 8925-2902412 | Накладка | |
| 4 | 509А-2902408 | Стремянка | |
| 5 | 250709 | Гайка М24х2-6Н | |
| 6 | 200-2912452 | Втулка распорная | |
| 7 | 200879 | Болт М16-6gх150 | |
| 8 | 252139 | Шайба 16.ОТ | |
| 9 | 250560 | Гайка М16-6Н | |
| 10 | 500-2912448-Б | Вкладыш боковой | |
| 11 | 221723 | Винт М10-6gх30 | |
| 12 | 252136 | Шайба 10.ОТ | |
| 13 | 250612 | Гайка М10-6Н | |
| 14 | 9389-2919010 | Штанга регулируемая L = 645мм | |
| 15 | 941-2919026-10 | Уплотнитель | |
| 16 | 941-2919028-11 | Втулка | |
| 17 | 941-2919098 | Палец | |
| 18 | 311701 | Гайка М39х2-5Н6Н | |
| 19 | Шплинт 6,3х63 | Шплинт 6,3х63 | |
| 20 | 264020 | Масленка 1.3.Ц6хр | |
| 21 | 9398-2919012 | Штанга нерегулируемая |
Содержащиеся в справочниках-каталогах запасные части и детали не предлагаются к продаже, а носят исключительно информационный характер