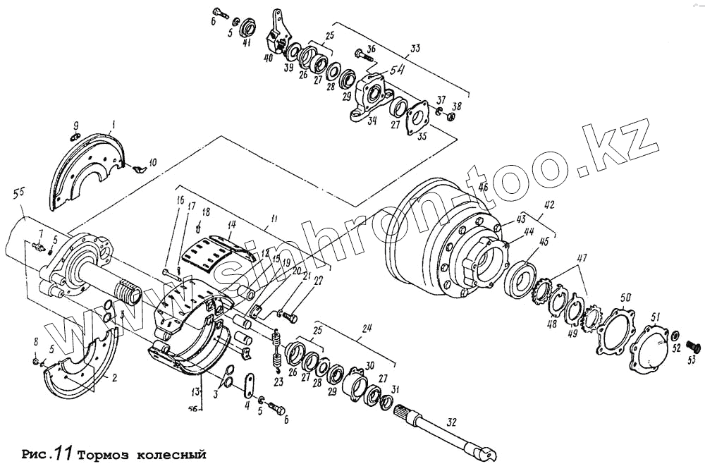
Каталог запасных частей к технике: МАЗ-9008. Тормоз колесный
1
2
3
3
4
5
5
5
5
6
6
7
8
9
10
11
12
13
14
15
16
17
18
19
20
21
22
23
24
25
25
26
26
27
27
27
27
28
28
29
29
30
31
32
32
33
34
35
36
37
38
39
40
41
42
43
44
45
45
46
47
48
49
50
51
52
53
54
55
56
| Позиция на иллюстрации | Заводской номер детали | Название детали | |
|---|---|---|---|
| 1 | 9758-3502151-10 | Щит левый | |
| 2 | 9758-3502150-10 | Щит правый | |
| 3 | 032-035-19-2-3 | Кольцо уплотнительное | |
| 4 | 5336-3501133 | Пластина | |
| 5 | 252136 | Шайба 10.ОТ | |
| 6 | 201495 | Болт М10-6gх20 | |
| 7 | 5336-3502153 | Переходник | |
| 8 | 250612 | Гайка М10-6Н | |
| 9 | 5336-3501192 | Заглушка | |
| 10 | 264030 | Масленка 2.3.45 Ц6хр | |
| 11 | 54326-3501092 | Колодка тормоза | |
| 12 | 54326-3501095 | Колодка тормоза левая | |
| 13 | 54326.3501094 | Колодка правая | |
| 14 | 54326-3501102 | Накладка тормозная | |
| 15 | 5336-3501107-10 | Ролик в сборе | |
| 16 | 500-3502098 | Палец | |
| 17 | 258053 | Шплинт 4х25 | |
| 18 | 253928 | Заклепка | |
| 19 | 5336-3501164 | Ось ролика | |
| 20 | 64326-3501112 | Стопор | |
| 21 | 252135 | Шайба 8Т | |
| 22 | 201452 | Болт М8х12 | |
| 23 | 54326-3501034 | Пружина стяжная | |
| 24 | 64221-3502018 | Стакан в сборе | |
| 25 | 64221-3502020-10 | Манжета в сборе | |
| 26 | 64221-3502021-10 | Корпус | |
| 27 | 1,2-40х60-3 | Манжета | |
| 28 | 376365 | Шайба 53 | |
| 29 | ШС40К | Подшипник | |
| 30 | 64221-3502019 | Стакан | |
| 31 | 64221-3502121 | Втулка | |
| 32 | 54326-3502111 | Кулак левый | |
| 32 | 54326-3502110 | Кулак правый | |
| 33 | 64221-3502024 | Опора | |
| 34 | 64221-3502026 | Корпус опоры | |
| 35 | 64221-3502028 | Крышка | |
| 36 | 200222 | Болт М6-6gх65 | |
| 37 | 252134 | Шайба 6Т | |
| 38 | 250508 | Гайка М6-6Н | |
| 39 | 64221-3501160 | Прокладка | |
| 40 | 64226-3501136 | Рычаг регулировочный | |
| 41 | 5336-3501155 | Шайба | |
| 42 | 93866-3104006 | Ступица | |
| 43 | 54321-3104051 | Болт | |
| 44 | 93866-3104015 | Ступица | |
| 45 | 7718А | Подшипник | |
| 45 | 7718К | Подшипник | |
| 46 | 64221-3502070 | Барабан тормозной | |
| 47 | 500-3104076-Б | Гайка | |
| 48 | 89501-3404079 | Шайба | |
| 49 | 500-3104079.11 | Шайба | |
| 50 | 93865-3104094 | Прокладка | |
| 51 | 9758-3104090-01 | Крышка ступицы | |
| 52 | 252005 | Шайба 8 | |
| 53 | 201458 | Болт М8-6gх25 | |
| 54 | 264020 | Масленка 1.3.Ц6хр | |
| 55 | 93866-2410010-40 | Балка оси | |
| 56 | 54326-3601020 | Колодка тормоза правая в сборе |
Содержащиеся в справочниках-каталогах запасные части и детали не предлагаются к продаже, а носят исключительно информационный характер