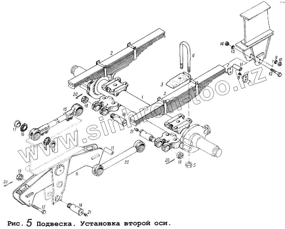
Каталог запасных частей к технике: МАЗ-9008. Подвеска. Установка второй оси
1
2
2
3
4
5
6
7
7
8
9
10
11
11
12
12
13
14
15
16
16
17
17
18
18
19
19
19
20
20
20
21
21
22
| Позиция на иллюстрации | Заводской номер детали | Название детали | |
|---|---|---|---|
| 1 | 93866.2410007-30 | Ось с тормозами | |
| 2 | 9506-2912012 | Рессора | |
| 3 | 5206-2912412 | Накладка задней рессоры | |
| 4 | 8378-2912408 | Стремянка | |
| 5 | 375059 | Гайка М27х2-5Н6Н | |
| 6 | 97581-2918015 | Балансир | |
| 7 | 941-2918059 | Пластина | |
| 8 | 221723 | Винт М10-6gх30 | |
| 9 | 252136 | Шайба 10.ОТ | |
| 10 | 250612 | Гайка М10-6Н | |
| 11 | 200-2912452 | Втулка распорная | |
| 12 | 200879 | Болт М16-6gх150 | |
| 13 | 252139 | Шайба 16.ОТ | |
| 14 | 250560 | Гайка М16-6Н | |
| 15 | 93865-2919010 | Штанга регулируемая L = 493мм | |
| 16 | 941-2919026.10 | Уплотнитель | |
| 17 | 941-2919023-10 | Втулка | |
| 18 | 941-2919098 | Палец | |
| 19 | 5335-2402036 | Гайка М39х2-5Н6Н | |
| 20 | 258086 | Шплинт | |
| 21 | 264020 | Масленка 1.3.Ц6хр | |
| 22 | 93865.2919012 | Штанга нерегулируемая |
Содержащиеся в справочниках-каталогах запасные части и детали не предлагаются к продаже, а носят исключительно информационный характер