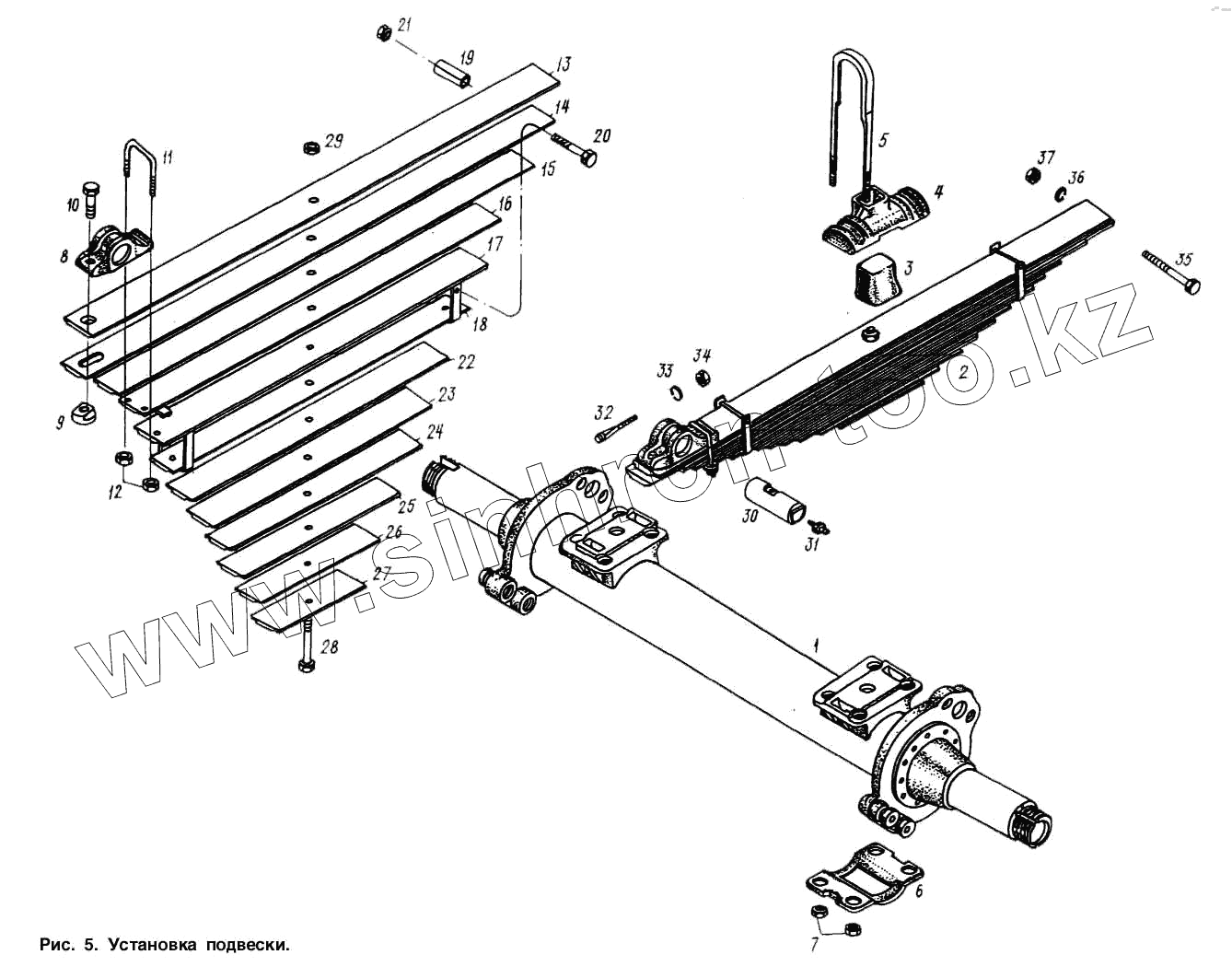
Каталог запасных частей к технике: МАЗ-83781. Установка подвески
1
2
3
4
5
6
7
8
9
10
11
12
13
14
15
16
17
18
19
20
21
22
23
24
25
26
27
28
29
30
31
32
33
34
35
36
37
| Позиция на иллюстрации | Заводской номер детали | Название детали | |
|---|---|---|---|
| 1 | 9380-24100010-10 | Валка оси | |
| 2 | 8378-2912012-01 | Рессора | |
| 3 | 501-2912624 | Буфер | |
| 4 | 501-2912412А | Накладка | |
| 5 | 8378-2912408 | Стремянка | |
| 6 | 9571-2912415 | Накладка нижняя | |
| 7 | 375059 | Гайка М27х2-5Н6Н | |
| 8 | 5336-2912015 | Ушко в сборе | |
| 9 | 5335-2902018 | Втулка накладного ушка передней рессоры | |
| 10 | 372882 | Болт М20х1,5-6gх55 | |
| 11 | 500-2912024 | Стремянка ушка рессоры | |
| 12 | 374727 | Гайка М16х1,5-5Н6Н | |
| 13 | 8378-2912101-10 | Лист № 1 | |
| 14 | 8378-2912102 | Лист № 2 | |
| 15 | 8378-2912103 | Лист № 3 | |
| 16 | 8378-2912051 | Лист № 4 | |
| 17 | 8378-2912105 | Лист № 5 | |
| 18 | 8378-2912052 | Лист № 6 | |
| 19 | 200-2902068 | Трубка распорная хомута рессоры | |
| 20 | 118132 | БолтМ10-6gх115 | |
| 21 | 250512 | Гайка М10-6Н | |
| 22 | 8378-2912107 | Лист № 7 | |
| 23 | 8378-2912108 | Лист № 8 | |
| 24 | 8378-2912109 | Лист № 9 | |
| 25 | 8378-2912110 | Лист № 10 | |
| 26 | 8378-2912111 | Лист № 11 | |
| 27 | 8378-2912112 | Лист № 12 | |
| 28 | 371292 | Болт М10-6gх110 | |
| 29 | 250515 | Гайка М12х1,25-6Н | |
| 30 | 500А-2912478 | Палец | |
| 31 | 264020 | Масленка 1.3.Ц6хр | |
| 32 | 500А-2912481 | Клин пальца | |
| 33 | 252137 | Шайба 12.ОТ | |
| 34 | 250514 | Гайка М12-6Н | |
| 35 | 200880 | Болт М16-6gх160 | |
| 36 | 252139 | Шайба 16.ОТ | |
| 37 | 250560 | Гайка М16-6Н |
Содержащиеся в справочниках-каталогах запасные части и детали не предлагаются к продаже, а носят исключительно информационный характер