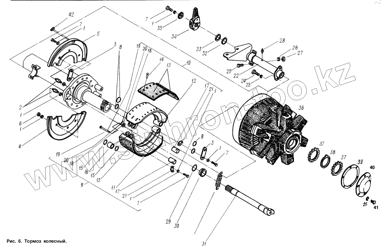
Каталог запасных частей к технике: МАЗ-83781. Тормоз колесный
9380-3519170
20
20
21
21
22
23
24
25
26
26
27
28
29
30
31
32
33
34
35
36
37
37
38
39
40
41
42
| Позиция на иллюстрации | Заводской номер детали | Название детали | |
|---|---|---|---|
| 9380-3502110 | 9380-3502110 | Кулак правый | |
| 9380-3519170 | 9380-3519170 | Кронштейн правый | |
| 20 | 258053 | Шплинт 4х25 | |
| 21 | 5336-3501112 | Стопор | |
| 22 | 9380-3519171 | Кронштейн левый | |
| 23 | 252138 | Шайба 14.ОТ | |
| 24 | 372212 | Болт М14х1,5-6gх35 | |
| 25 | 201544 | Болт М12-6gх40 | |
| 26 | 252137 | Шайба 12.ОТ | |
| 27 | 250514 | Гайка М12-6Н | |
| 28 | 264020 | Масленка 1.3.Ц6хр | |
| 29 | Н1-45х38-2 | Кольцо уплотнительное | |
| 30 | 500-3501121 | Втулка распорная | |
| 31 | 9380-3502111 | Кулак левый | |
| 32 | 200-3501160 | Прокладка регулировочного рычага | |
| 33 | 200-3501161 | Прокладка регулировочного рычага | |
| 34 | 500-3501136-05 | Рычаг тормоза регулировочный | |
| 35 | 9380-3502141 | Чашка | |
| 36 | 9397-3104006 | Ступица | |
| 37 | 500-3104076-Б | Гайка М80х2 | |
| 38 | 500-3104079-11 | Шайба замковая | |
| 39 | 5232В-3104094 | Прокладка | |
| 40 | 5232В-3104090 | Крышка ступицы | |
| 41 | 201538 | Болт М12-6gх25 | |
| 42 | 5336-3501192 | Заглушка |
Содержащиеся в справочниках-каталогах запасные части и детали не предлагаются к продаже, а носят исключительно информационный характер