Вернуться на главную
Поиск
Каталоги запчастей к технике
Грузовые автомобили и прицепы
МАЗ
МАЗ-74131
Установка реле-регулятора
Каталог запасных частей к технике: МАЗ-74131. Установка реле-регулятора
zoom-in
zoom-out
enlarge
shrink
circle-right
circle-left
file-text2
info
cart
Тип техники
Не выбрано
Легковые автомобили
Грузовые автомобили и прицепы
Автобусы
Сельхозтехника
Спецтехника
Двигатели
Мототехника
Марка
Не выбрано
BAW
DAF
DongFeng
FAW
Foton
HOWO
Hyundai
IVECO
JAC Motors
LGMG
MAN
Shaanxi
SITRAK
Studebaker
Tata
Volvo
Автокомпонент Плюс
БелАЗ
Брянский Арсенал
ГАЗ
ЗИЛ
КАЗ
Камский автозавод
КрАЗ
Мадара
МАЗ
МЗКТ
МоАЗ
Нефтекамский автозавод
Ставропольский Завод АвтоПрицепов
ТАТРА
Тонар
УралАЗ
ЧМЗАП
Модель
Не выбрано
KNORR-BREMSE применяемых на технике МАЗ
КПП МАЗ-543205-070
МАЗ-3PP59 (1999)
МАЗ-437030 (Зубренок) (2004)
МАЗ-437040 (Зубренок) (2002)
МАЗ-437040 (Зубренок) (2005)
МАЗ-437041 (Зубренок) (2010)
МАЗ-437043 (Зубренок) (2011)
МАЗ-437130 (Зубренок) (2008)
МАЗ-4371P2-0000421-000 (2013)
МАЗ-500А
МАЗ-503А
МАЗ-504А
МАЗ-504В (2005)
МАЗ-530905 (2009)
МАЗ-5335 (2004)
МАЗ-5336 (2005)
МАЗ-53363
МАЗ-53366
МАЗ-5337
МАЗ-5337 (2005) (2005)
МАЗ-53371
МАЗ-533731 (2009)
МАЗ-533731 (2012)
МАЗ-5429 (2003)
МАЗ-543 (7310) (2008)
МАЗ-5432 (2003)
МАЗ-543202 (2003)
МАЗ-54321
МАЗ-54323
МАЗ-54326 (2000)
МАЗ-54328
МАЗ-5433
МАЗ-5434
МАЗ-543403, 641705, 641708 (2010)
МАЗ-5440 (2002)
МАЗ-544018 (2011)
МАЗ-544069
МАЗ-5440B5 (2013)
МАЗ-5440B9, 6430B9 (2013)
МАЗ-5440E9 (2011)
МАЗ-5516
МАЗ-5516 (2003) (2003)
МАЗ-551605 (2007)
МАЗ-551608, 630308 (2007)
МАЗ-551669 (2008)
МАЗ-5516А5 (2007)
МАЗ-5549 (2003)
МАЗ-5550V3 (V5) (2011)
МАЗ-5551
МАЗ-5551 (2003) (2003)
МАЗ-555102, 5551А2 (2007)
МАЗ-555142 (2007)
МАЗ-6303 (2000)
МАЗ-6303 (2005) (2005)
МАЗ-630333 (2012)
МАЗ-6303A3, 6303A5 (2007)
МАЗ-631019 (2014)
МАЗ-631236 (2007)
МАЗ-6312B9-0008425-012 (2015)
МАЗ-6317
МАЗ-631705 (2010)
МАЗ-631705, 631708 (2010)
МАЗ-6422 (2003)
МАЗ-6422, 5432 (2007)
МАЗ-64221
МАЗ-64226 (2000)
МАЗ-64229
МАЗ-642505, 642508 (2006)
МАЗ-64255
МАЗ-643018 (2015)
МАЗ-643068 (2003)
МАЗ-6430A8 (5440A8, 5440A5) (2008)
МАЗ-650108 (2008)
МАЗ-650119 (2010)
МАЗ-6501B9 (2014)
МАЗ-6501B9 (2015)
МАЗ-651669-320 (340) (2009)
МАЗ-6516V8-520 (6516V8-540) (2011)
МАЗ-651705 (2009)
МАЗ-6517X9-0000410 (2014)
МАЗ-74131 (1996)
МАЗ-83781
МАЗ-9008
МАЗ-93802
МАЗ-93866
МАЗ-938662
МАЗ-93892
МАЗ-9506
МАЗ-9758
МАЗ-9758-30
Общий (см. мод-ции)
Справочник
Схема
>
Не выбрано
Установка кабины
Балка опоры 74131-5001660
Механизм запорный 5336-5001550
Механизм подъёма кабины
Цилиндр гидравлический 79092-5003010-10
Насос подъёма кабины 79092-5004010
Установка трубопроводов отопителя кабины
Установка отопителя независимого действия
Блок управления 74131-8109512
Установка топливопроводов независимого отопителя
Установка трубопроводов отопителя кабины
Оперение
Двигатель
Подвеска двигателя
Трубопроводы топливные и насос топливоподкачивающий ручной
Бак топливный
Фильтр грубой очистки топлива
Кран топливораспределительный
Привод управления подачей топлива. Система выпуска отработавших газов. Трубы выхлопные
Установка трубопроводов системы охлаждения двигателя
Установка трубопроводов системы охлаждения двигателя
Установка радиатора
Радиатор с балкой
Радиатор 74131-1301010, 74131-1301011
Установка бачка расширительного и редукционного клапана
Бачки расширительные 69234-1311010
Клапаны редукционные 7929-1304010
Кран сливной 547A-1305010-01
Установка редукторов привода вентиляторов
Редуктор входной привода вентилятора 74131-1315310
Якорь 7919-1317070
Щеткодержатель со щетками и кронштейном 7919-1317110
Муфта электромагнитная 7919-1317010
Вал-шестерня 7919-1315570
Шестерня ведущая 7919-1315330
Вал-шестерня 7919-1315340
Редуктор привода вентилятора 7919-1315311
Вал-шестерня 7919-1315440
Редуктор привода вентилятора 7919-1315312
Вал-шестерня 7919-1315420
Насос водяной 547A-1754010-10
Корпус с валом и крыльчаткой 547А-1754020
Корпус с валом 547А-1754030
Вал карданный 7919-1316030
Установка жалюзи
Рама 74131-2800001
Рама 74131-2800012
Рама 741331-2800001
Крюк буксирный 535-2805012
Рама 741331-2800012
Подвеска передняя
Рычаги подвески нижние передние 543-2902818-21, 543-2902819-21
Рычаги подвески верхние 543-2902790-11
Амортизатор 543-2905306-21
Поршень 543-2905350-20
Крышка нижняя 543-2905380-10
Подвеска задняя
Установка задних рычагов подвески
Рессора с кронштейном 74131-2912010
Рессора задняя 74131-2912012
Колесо
Ступица с горловиной
Установка демпферного соединения
Гидромеханическая передача
Гидротрансформатор
Гидротрансформатор
Гидротрансформатор
Гидротрансформатор
Гидротрансформатор
Гидротрансформатор
Гидротрансформатор
Гидротрансформатор
Гидротрансформатор
Гидротрансформатор
Гидротрансформатор
Гидротрансформатор
Гидротрансформатор
Гидротрансформатор
Насосы масляные
Насосы масляные
Насосы масляные
Управление переключением передач электрическое
Управление переключением передач электрическое
Управление переключением передач электрическое
Раздаточная коробка
Раздаточная коробка
Раздаточная коробка
Раздаточная коробка
Передача карданная трансмиссии, валы карданные
Редуктор 1-го моста
Мосты передние и задние
Мосты передние и задние
Редуктор привода
Мосты передние и задние
Вал карданный полуосевой
Шестерня коническая
Поворотное устройство
Насос
Шестерня коническая ведущая
Дифференциал межосевой
Дифференциал
Полуось и передача планетарная
Редуктор привода
Редуктор привода
Редуктор привода
Редуктор 2-ого заднего моста
Передача главная заднего второго моста
Комплект дифференциала
Полуось
Шестерня
Опора промежуточная
Рулевое управление
Рулевой механизм
Цилиндр механизма усилительного
Трубопроводы и шланги рулевого управления
Бак масляный
Распределитель рулевого управления
Редуктор
Тормоза
Главный тормозной цилиндр
Тормоз стояночный и его привод
Электрооборудование
Установка фар и передних фонарей
Установка аккумуляторных батарей и контейнера
Установка задних фонарей
Установка электрооборудования на шасси
Установка электрооборудования на шасси
Установка электрооборудования систем запуска и питания
Установка электрооборудования систем запуска и питания
Установка электрооборудования системы обогрева аккумуляторных батарей
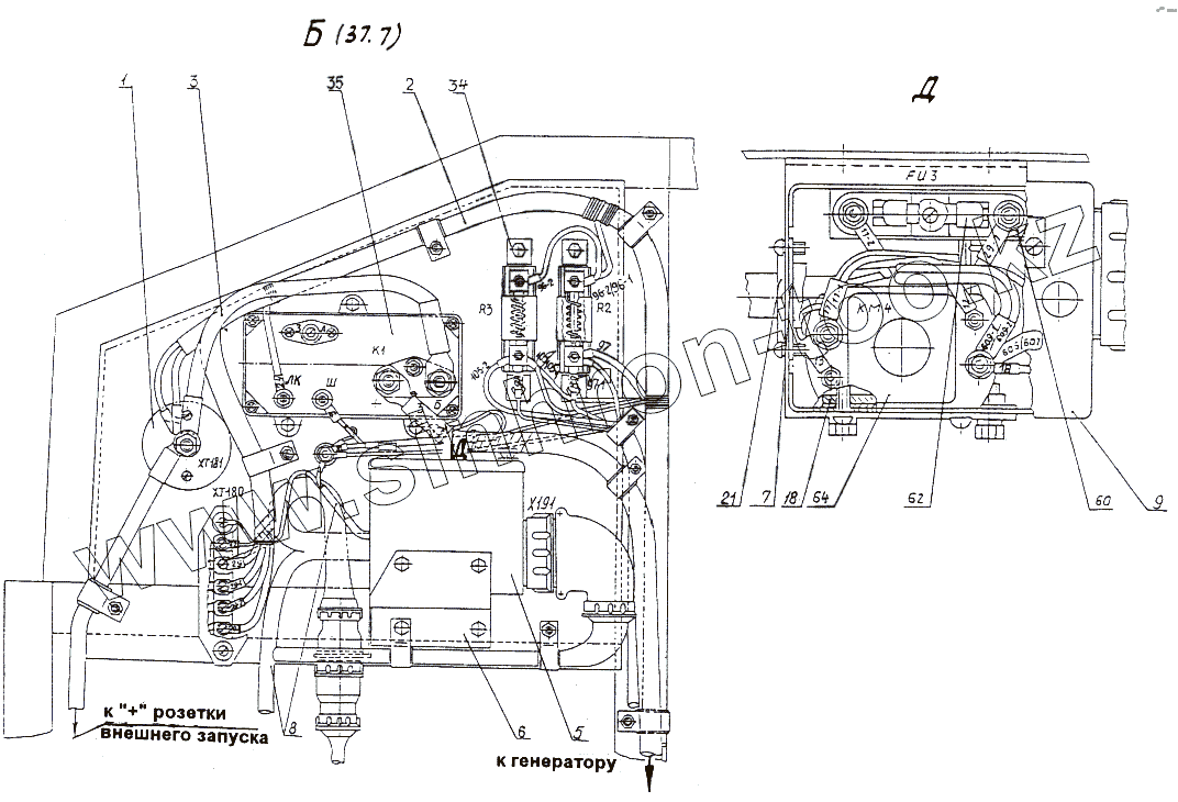
Установка реле-регулятора
Установка стеклоочистителя. Зеркала
Установка электрооборудования двигателя
Установка электрооборудования на кабине
Установка электрооборудования в кабине
Установка электрооборудования в кабине
Установка переключателей на рулевой колонке. Установка радиооборудования
Установка отсека коммутационной аппаратуры
Установка отсека коммутационной аппаратуры
Установка электрооборудования подогревателя
Панель приборов основная
Панель приборов основная
Панель приборов освещения
Панель приборов освещения
Панель переключателей
Привод спидометра
Установка электрооборудования на ГМП
1
2
3
5
6
7
8
9
18
21
34
35
60
62
64
Позиция на иллюстрации
Заводской номер детали
Название детали
543-1804397
543-1804397
Прокладка
543-3506226-А
543-3506226-А
Прокладка
547А-3724746
547А-3724746
Втулка
1
543-3723010
Панель соединительная
2
74131-3724388
Жгут проводов реле-регулятора
3
74131-3724392
Провод
5
74131-3750210
Кожух
6
74131-3723330
Кронштейн
7
74131-3750216
Пластина
8
74131-3724138
Жгут проводов
9
74131-3750222
Крышка
18
74131-3750036
Прижим контактора
21
547А-3724024
Втулка
34
1202.3741000
Резистор добавочный с электротермическим реле
35
21.3702000
Реле-регулятор 21.3702
60
0000-3722404
Блок защиты БЗ-30
62
0000-3722627
Предохранитель ПВ-20
64
КТ127-3750000
Контактор
Содержащиеся в справочниках-каталогах запасные части и детали не предлагаются к продаже, а носят исключительно информационный характер
Дополнительная информация
×
Название:
Номер:
Примечание: