Вернуться на главную
Поиск
Каталоги запчастей к технике
Грузовые автомобили и прицепы
МАЗ
МАЗ-651705
Подвеска балансирная 651705-2900002
Каталог запасных частей к технике: МАЗ-651705. Подвеска балансирная 651705-2900002
zoom-in
zoom-out
enlarge
shrink
circle-right
circle-left
file-text2
info
cart
Тип техники
Не выбрано
Легковые автомобили
Грузовые автомобили и прицепы
Автобусы
Сельхозтехника
Спецтехника
Двигатели
Мототехника
Марка
Не выбрано
BAW
DAF
DongFeng
FAW
Foton
HOWO
Hyundai
IVECO
JAC Motors
LGMG
MAN
Shaanxi
SITRAK
Studebaker
Tata
Volvo
Автокомпонент Плюс
БелАЗ
Брянский Арсенал
ГАЗ
ЗИЛ
КАЗ
Камский автозавод
КрАЗ
Мадара
МАЗ
МЗКТ
МоАЗ
Нефтекамский автозавод
Ставропольский Завод АвтоПрицепов
ТАТРА
Тонар
УралАЗ
ЧМЗАП
Модель
Не выбрано
KNORR-BREMSE применяемых на технике МАЗ
КПП МАЗ-543205-070
МАЗ-3PP59 (1999)
МАЗ-437030 (Зубренок) (2004)
МАЗ-437040 (Зубренок) (2002)
МАЗ-437040 (Зубренок) (2005)
МАЗ-437041 (Зубренок) (2010)
МАЗ-437043 (Зубренок) (2011)
МАЗ-437130 (Зубренок) (2008)
МАЗ-4371P2-0000421-000 (2013)
МАЗ-500А
МАЗ-503А
МАЗ-504А
МАЗ-504В (2005)
МАЗ-530905 (2009)
МАЗ-5335 (2004)
МАЗ-5336 (2005)
МАЗ-53363
МАЗ-53366
МАЗ-5337
МАЗ-5337 (2005) (2005)
МАЗ-53371
МАЗ-533731 (2009)
МАЗ-533731 (2012)
МАЗ-5429 (2003)
МАЗ-543 (7310) (2008)
МАЗ-5432 (2003)
МАЗ-543202 (2003)
МАЗ-54321
МАЗ-54323
МАЗ-54326 (2000)
МАЗ-54328
МАЗ-5433
МАЗ-5434
МАЗ-543403, 641705, 641708 (2010)
МАЗ-5440 (2002)
МАЗ-544018 (2011)
МАЗ-544069
МАЗ-5440B5 (2013)
МАЗ-5440B9, 6430B9 (2013)
МАЗ-5440E9 (2011)
МАЗ-5516
МАЗ-5516 (2003) (2003)
МАЗ-551605 (2007)
МАЗ-551608, 630308 (2007)
МАЗ-551669 (2008)
МАЗ-5516А5 (2007)
МАЗ-5549 (2003)
МАЗ-5550V3 (V5) (2011)
МАЗ-5551
МАЗ-5551 (2003) (2003)
МАЗ-555102, 5551А2 (2007)
МАЗ-555142 (2007)
МАЗ-6303 (2000)
МАЗ-6303 (2005) (2005)
МАЗ-630333 (2012)
МАЗ-6303A3, 6303A5 (2007)
МАЗ-631019 (2014)
МАЗ-631236 (2007)
МАЗ-6312B9-0008425-012 (2015)
МАЗ-6317
МАЗ-631705 (2010)
МАЗ-631705, 631708 (2010)
МАЗ-6422 (2003)
МАЗ-6422, 5432 (2007)
МАЗ-64221
МАЗ-64226 (2000)
МАЗ-64229
МАЗ-642505, 642508 (2006)
МАЗ-64255
МАЗ-643018 (2015)
МАЗ-643068 (2003)
МАЗ-6430A8 (5440A8, 5440A5) (2008)
МАЗ-650108 (2008)
МАЗ-650119 (2010)
МАЗ-6501B9 (2014)
МАЗ-6501B9 (2015)
МАЗ-651669-320 (340) (2009)
МАЗ-6516V8-520 (6516V8-540) (2011)
МАЗ-651705 (2009)
МАЗ-6517X9-0000410 (2014)
МАЗ-74131 (1996)
МАЗ-83781
МАЗ-9008
МАЗ-93802
МАЗ-93866
МАЗ-938662
МАЗ-93892
МАЗ-9506
МАЗ-9758
МАЗ-9758-30
Общий (см. мод-ции)
Справочник
Схема
>
Не выбрано
Установка малой кабины
Балка опоры 5551-5001660
Установка большой подрессореной кабины
Переднее подрессоривание большой кабины 64226-5001700
Заднее подрессоривание большой кабины 64221-5001800
Установка омывателя 64221-5200008-01
Установка панели приборов 64221-5300014
Установка вентиляционного люка 64221-5700010
Установка ограничителей 64221-6100006-10 и петель двери
Установка наружной ручки и замка двери
Установка стеклоподъемника и ручки стеклоподъемника
Установка и пневмопитание сидений 5433-6800006
Установка и пневмопитание сидений 5551-6800006-020
Установка и пневмопитание сидений 5551-6800006-040
Установка и пневмопитание сидений 64221-6800006-10
Подставка сиденья с пневмооборудованием 6430-6807006-010
Сидение 6430-6800010
Подушка и спинка сиденья 6430-6800012
Механизм регулирования высоты
Установка стекла ветрового, зеркал, зеркалодержателей, стекол задних
Установка стекол, установка зеркал, установка зеркалодержателей
Установка стекол задних 5551-5200012
Установка спальных мест 64255-8200010 (на большую кабину)
Установка поручней в кабине 64221-8200030-10
Установка облицовки передка 64221-8400018
Установка отопителя 64221-8100001
Отопитель 64221-8101010
Установка шлангов отопителя 54327-8100006
Пульт управления 630305-8109011
Установка крана управления отопителем 543205-8100030
Кран управления отопителем
Установка независимого воздушного отопителя 642550-8100002
Установка оперения 5434-8400020-20 (на малую кабину)
Установка оперения 63171-8400020
Установка крыльев 5309-8500048
Установка платформы V=10,3м3
Платформа V=10,3м3
Установка платформы 5516-8500002-060
Установка надрамника 55165-8600002-030
Установка зеркала обзора платформы 5516-8200004-01
Установка экранов 551605-8400030-070(для автомобилей с малой кабиной)
Установка экранов 642208-8400030-070, 651705-8400030-070
Установка дополнительных принадлежностей 5516-3900011
Установка противооткатного упора 53373-3900037
Установка огнетушителя 5516-3910040
Механизм подъема кабины 651705-5000040
Гидроцилиндр 64221-5003010
Установка гидрооборудования
Гидроцилиндр 55165-8603510
Насос с арматурой 551605-8604010
Крепление двигателя 651705-1001002-030, -630, -730
Установка системы заливки и контроля уровня масла 630300-1018002
Крепление предпускового подогревателя 642290-1015001
Подогреватель 6422-1015006
Топливопроводы питания подогревателя 6422-1015004
Установка шумоизоляционных экранов 642208-1016003
Установка шумоизоляционных экранов 555102-1016003
Установка шумоизоляционных экранов 631708-1061004
Установка шумоизоляционных экранов 642208-1061004
Привод останова двигателя 543208-1115002-010
Крепление топливного бака 651705-1101002-100
Крепление топливного бака 651705-1101002
Крепление топливопроводов 651705-1104002-100
Крепление топливопроводов 651705-1104002-010, 651705-1104002-700
Привод управления двигателем 543208-1108002-010
Крепление воздушного фильтра 551605-1109002-020
Крепление воздушного фильтра 551605-1109002-030
Привод выключения двигателя 551605-1115004
Установка системы выпуска 651705-1200001-010
Установка системы выпуска 651705-1200001-035
Установка системы выпуска 651705-1200001-025, 651705-1200001-125
Установка системы охлаждения 551605-1300005-010
Радиатор с кожухом 642290-1301009-010
Радиатор с кожухом 642290-1301009-011
Установка системы охлаждения воздуха 642290-1300040
Механизм управления сцеплением 64229-1600005-033
Основание педали 64221-1602004-010, 64226-1602004
Цилиндр подпедальный 6430-1602510
Установка привода управления коробкой передач 642208-1700002
Механизм промежуточный 551639-1703325-001
Рычаг 64221-1703410-01
Переключатель 6430-1703800
Хвостовик 63031-1703448-010
Тяга 6422-1703490-01
Установка раздаточной коробки 631705-1800008-090, 631705-1800008-690
Коробка раздаточная 631705-1800020, 631705-1800020-600
Коробка раздаточная. Вал выходной 55165-1802116, 55165-1802116-600
Коробка раздаточная. Вал привода переднего моста 55165-1802230, 55165-1802230-600
Коробка раздаточная. Вал промежуточный 5434-1802084-10
Коробка раздаточная. Дифференциал 55165-1830010
Коробка раздаточная. Крышка спидометра 63171-1802104
Установка управления раздаточной коробкой 55165-1800009
Установка карданных валов
Мост передний 63171-2300010-30
Мост передний. Картер 641708-2300015-01
Мост передний. Шарнир поворотного кулака 5434-2304060-20 (5434-2304057-20)
Мост передний. Дифференциал 63171-2303010
Мост передний. Шестерня ведущая 63171-2302021-011
Мост передний. Ступица 5434-3103006-030
Мост задний
Мост задний. Установка редуктора и элементов подвески
Мост задний. Картер моста 5516-2401010-030
Редуктор заднего моста
Редуктор заднего моста. Дифференциал
Шестерни ведущая и ведомая (комплект для запчастей)
Редуктор заднего моста. Шестерня ведущая
Колесный редуктор заднего моста
Мост средний
Мост средний. Установка редуктора и вала заднего
Мост средний. Картер моста
Ступица заднего и среднего мостов
Редуктор среднего моста
Редуктор среднего моста. Дифференциал с картером редуктора
Редуктор среднего моста. Межколесная блокировка дифференциала
Редуктор среднего моста. Шестерня ведущая
Редуктор среднего моста. Дифференциал межосевой
Мост средний. Вал задний
Тормоз колеса среднего моста
Тормоз колеса заднего моста
Привод тормозного механизма заднего моста
Привод тормозного механизма среднего моста
Установка привода управления блокировкой 55165-2500024
Рама 530905-2800010 (530905-2801002)
Рамы 651705-2800010-014, 651705-2800010-015, 651705-2800010-016, 651705-2800010-017, 651705-2800010-018 (651705-2801002-016, 651705-2801002-017)
Крепление бампера на 651705-2800010-014, 651705-2800010-015, 651705-2800010-016, 651705-2800010-017, 651705-2800010-018, 651705-2800010-051
Установка бокового ограждения 651705-2800040
Подвеска передняя 631705-2900001-010
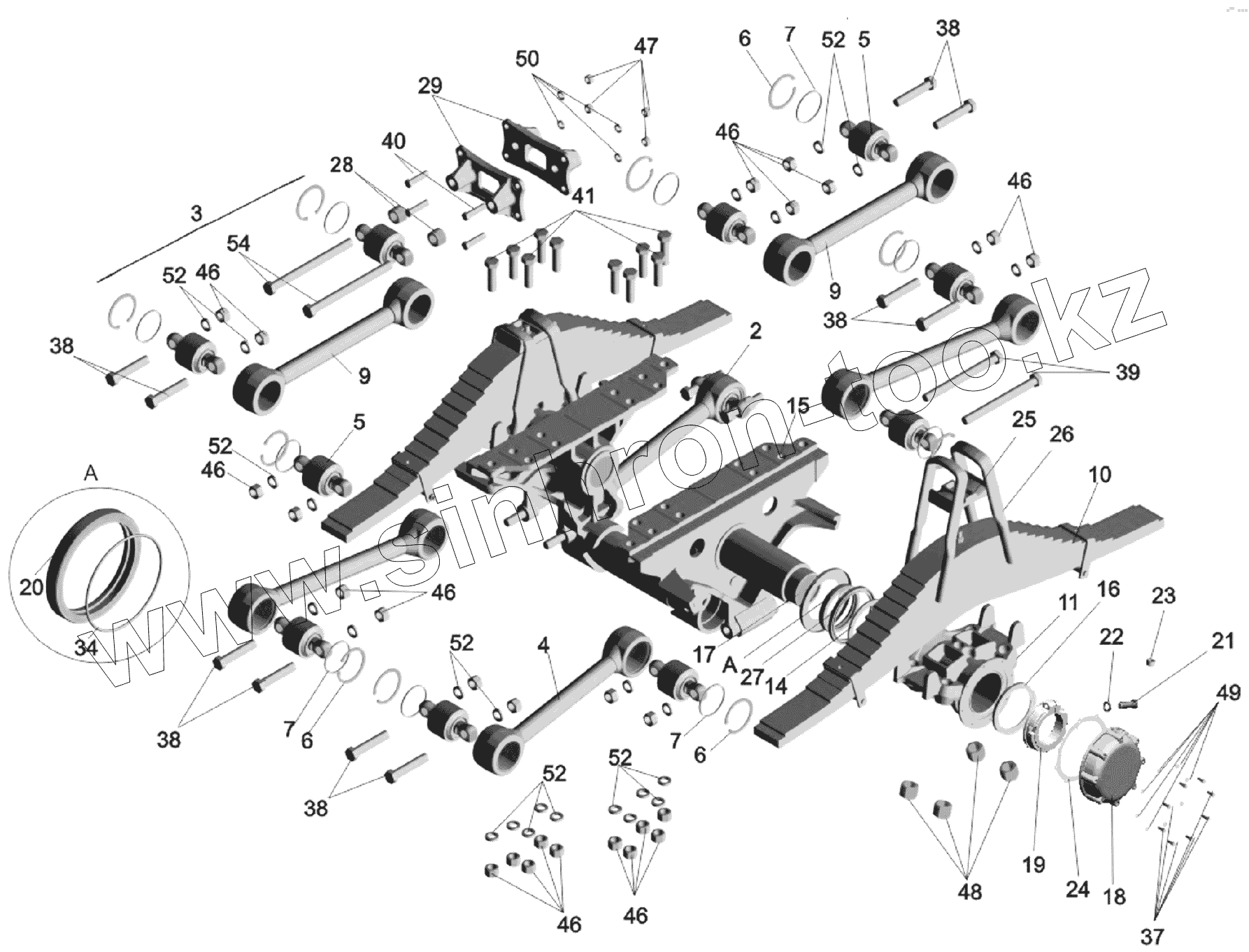
Подвеска балансирная 651705-2900002
Подвеска балансирная 651705-2900002
Tяга продольная 5551-3003010-01
Установка запасного колеса 5516-3100001-40, 551607-3100001-40
Установка запасного колеса 551650-3100001-010, 551650-3100001-710
Установка задних колес 5516-3100002-030, 5516-3100002-730
Установка передних колес 642505-3100005, (-700)
Колесо, камера и покрышка 551607-3101011-10, 5516-3101011-10
Установка колпака шумопоглощающего 5434-3103005
Тяга поперечная рулевая 5434-3003052
Установка рулевого управления 630300-3400001-020, 630300-3400001-720
Установка рулевого управления 630300-3400001-020, 630300-3400001-720
Силовой цилиндр гидроусилителя рулевого управления 6422-3405004
Кронштейн с колонкой 64221-3403008
Вал нижний 5336-344450-11
Механизм рулевой 64221-3400008-02
Механизм рулевой 64229-3400008
Распределитель 5336-3416010-01
Насос 630300-34070008-020
Бак масляный 64221-3410008
Шланги
Соединение для ремонта поврежденных трубопроводов
Установка пневмокомпрессора 642208-3500014
Крепление тормозных камер 509A-3500043-01 и присоединительной арматуры
Крепление тормозных камер 5440-3519002-10 и присоединительной арматуры
Крепление тормозных камер 651705-3519003 и присоединительной арматуры на среднем мосту
Установка присоединительной арматуры на ресиверах 551605-3513004
Крепление ресиверов 551605-3513004
Крепление ресиверов 64255-3513004 и присоединительной арматуры
Крепление ресивера 54321-3513005 и присоединительной арматуры
Крепление тормозного крана 64221-3514004-20 и присоединительной арматурой
Крепление тормозного крана 64221-3514004-20 и присоединительной арматурой
Установка ускорительного клапана 555102-3518004 и присоединительной арматуры
Установка ускорительного клапана 543403-3518004 и присоединительной арматуры
Регулятор тормозных сил 64221-3533002-02
Установка осушителя воздуха 64255-3536004-010
Привод стояночного и моторного тормозов 5516-3537004
Крепление клапана двухмагистрального 64221-3562004-10
Цилиндр останова двигателя 543205-3570004
Установка клапана пропорционального и присоединительной арматуры
Установка передних модуляторов и присоединительной арматуры
Установка задних модуляторов и присоединительной арматуры
Расположение разъемов и элементов электрооборудования на малой кабине автомобилей
Расположение разъемов и элементов электрооборудования на большой кабине автомобилей
Установка стеклоочистителя 6317-3700041
Привод стеклоочистителя 631708-5205500-010
Установка стеклоочистителя 64221-3700041-010
Привод стеклоочистителя 64221-5205500-010
Расположение разъемов и элементов электрооборудования на рулевой колонке и вещевой полке
Установка фары левой 64221-3711029-010 (64221-3711030-010 правой)
Установка аккумуляторных батарей 551605-3700008-071(551605-3700008-771)
Установка задних фонарей 55165-3700009
Установка электрооборудования муфты вентилятора543208-3700073, 543208-3700073-700
Установка электрооборудования ЭФУ 642208-3700124 (642208-3700124-700)
Расположение разъемов и элементов электрооборудования на двигателе ЯМЗ-238ДЕ2
Расположение разъемов и элементов электрооборудования на КПП ЯМЗ-239
Расположение разъемов и элементов электрооборудования на управления подъемом и опусканием платформы
Расположение разъемов и элементов электрооборудования управления подъемом и опусканием ковшовой платформы
Щиток приборов 551605-3805010 (551605-3805010-700)
Установка дополнительного щитка приборов 64229-3805012, 642297-3805012
Панель блоков предохранителей и реле 642208-3722014, 642208-3722014-700
Панель блоков предохранителей и реле 543240-3722014 (543240-3722014-700)
Установка и пломбировка спидометра 551605-3800004
Установка и пломбировка спидометра 551605-3800004-010
Установка электрооборудования независимого отопителя 642550-3700088
Установка электрооборудования АБС
Установка АБС по кабине
Жгут АБС по шасси 630308-3724760-010
Датчик с кабелем
Коробка отбора мощности 64228-4202010
Установка инструментального ящика 64229-8500009-10
Установка инструментального ящика 651705-8500009-010
2
3
4
5
5
6
6
6
7
7
7
9
9
10
11
12
14
15
16
17
18
19
20
21
22
23
24
25
26
27
28
29
34
37
38
38
38
38
38
39
40
41
46
46
46
46
46
46
46
47
48
49
50
52
52
52
52
52
52
54
Позиция на иллюстрации
Заводской номер детали
Название детали
2
64221-2919014
Штанга реактивная
3
64221-2919015
Штанга реактивная
4
64221-2919018
Труба с головками
5
64221-2919040
Шарнир штанги
6
64221-2919032-010
Кольцо пружинное
7
64221-2919026
Кольцо
9
64221-2919016
Труба с головками
10
55165-2912012
Рессора
11
6303-2918018
Балансир в сборе
12
6303-2918020
Балансир
13
938-2918022
Втулка балансира
14
6303-2918044
Кольцо упорное
15
5516-2918140
Кронштейны со стяжкой
16
6303-2918045
Кольцо упорное
17
6303-2918068
Шайба
18
5516-2918118
Крышка
19
5516-2918202-010
Гайка
20
6303-2918156
Кольцо распорное
21
371835
Болт М14-6gх50
22
252138
Шайба 14.ОТ
23
54323-2401142
Пробка МК24
24
6303-2918122
Прокладка
25
6303-2912412
Накладка рессоры
26
5516-2912408
Стремянка
27
537-3103037-01
Манжета армированная с пружиной
28
55165-2919046
Подкладка
29
55165-2919044
Кронштейн
34
122-130-46-2-3
Кольцо распорное
37
370848
Болт М8-6gх75
38
371045
Болт М24х2-6gх130
39
371095
Болт М24х2-6gх275
40
372608
Болт М16х1,5-6gх70
41
372976
Болт М24х2-6gх110
46
374650
Гайка М24х2-6Н
47
374727
Гайка М16х1,5-5Н6Н
48
349600
Гайка М30х2-5Н6Н
49
252155
Шайба 8Л
50
252139
Шайба 16.ОТ
52
252143
Шайба 24Т
53
252021
Шайба 24
54
372986
Болт М24х2-6gх290
Содержащиеся в справочниках-каталогах запасные части и детали не предлагаются к продаже, а носят исключительно информационный характер
Дополнительная информация
×
Название:
Номер:
Примечание: