Вернуться на главную
Поиск
Каталоги запчастей к технике
Грузовые автомобили и прицепы
МАЗ
МАЗ-6501B9
Установка преобразователя напряжения 6501А8-3700109-000
Каталог запасных частей к технике: МАЗ-6501B9. Установка преобразователя напряжения 6501А8-3700109-000
zoom-in
zoom-out
enlarge
shrink
circle-right
circle-left
file-text2
info
cart
Тип техники
Не выбрано
Легковые автомобили
Грузовые автомобили и прицепы
Автобусы
Сельхозтехника
Спецтехника
Двигатели
Мототехника
Марка
Не выбрано
BAW
DAF
DongFeng
FAW
Foton
HOWO
Hyundai
IVECO
JAC Motors
LGMG
MAN
Shaanxi
SITRAK
Studebaker
Tata
Volvo
Автокомпонент Плюс
БелАЗ
Брянский Арсенал
ГАЗ
ЗИЛ
КАЗ
Камский автозавод
КрАЗ
Мадара
МАЗ
МЗКТ
МоАЗ
Нефтекамский автозавод
Ставропольский Завод АвтоПрицепов
ТАТРА
Тонар
УралАЗ
ЧМЗАП
Модель
Не выбрано
KNORR-BREMSE применяемых на технике МАЗ
КПП МАЗ-543205-070
МАЗ-3PP59 (1999)
МАЗ-437030 (Зубренок) (2004)
МАЗ-437040 (Зубренок) (2002)
МАЗ-437040 (Зубренок) (2005)
МАЗ-437041 (Зубренок) (2010)
МАЗ-437043 (Зубренок) (2011)
МАЗ-437130 (Зубренок) (2008)
МАЗ-4371P2-0000421-000 (2013)
МАЗ-500А
МАЗ-503А
МАЗ-504А
МАЗ-504В (2005)
МАЗ-530905 (2009)
МАЗ-5335 (2004)
МАЗ-5336 (2005)
МАЗ-53363
МАЗ-53366
МАЗ-5337
МАЗ-5337 (2005) (2005)
МАЗ-53371
МАЗ-533731 (2009)
МАЗ-533731 (2012)
МАЗ-5429 (2003)
МАЗ-543 (7310) (2008)
МАЗ-5432 (2003)
МАЗ-543202 (2003)
МАЗ-54321
МАЗ-54323
МАЗ-54326 (2000)
МАЗ-54328
МАЗ-5433
МАЗ-5434
МАЗ-543403, 641705, 641708 (2010)
МАЗ-5440 (2002)
МАЗ-544018 (2011)
МАЗ-544069
МАЗ-5440B5 (2013)
МАЗ-5440B9, 6430B9 (2013)
МАЗ-5440E9 (2011)
МАЗ-5516
МАЗ-5516 (2003) (2003)
МАЗ-551605 (2007)
МАЗ-551608, 630308 (2007)
МАЗ-551669 (2008)
МАЗ-5516А5 (2007)
МАЗ-5549 (2003)
МАЗ-5550V3 (V5) (2011)
МАЗ-5551
МАЗ-5551 (2003) (2003)
МАЗ-555102, 5551А2 (2007)
МАЗ-555142 (2007)
МАЗ-6303 (2000)
МАЗ-6303 (2005) (2005)
МАЗ-630333 (2012)
МАЗ-6303A3, 6303A5 (2007)
МАЗ-631019 (2014)
МАЗ-631236 (2007)
МАЗ-6312B9-0008425-012 (2015)
МАЗ-6317
МАЗ-631705 (2010)
МАЗ-631705, 631708 (2010)
МАЗ-6422 (2003)
МАЗ-6422, 5432 (2007)
МАЗ-64221
МАЗ-64226 (2000)
МАЗ-64229
МАЗ-642505, 642508 (2006)
МАЗ-64255
МАЗ-643018 (2015)
МАЗ-643068 (2003)
МАЗ-6430A8 (5440A8, 5440A5) (2008)
МАЗ-650108 (2008)
МАЗ-650119 (2010)
МАЗ-6501B9 (2014)
МАЗ-6501B9 (2015)
МАЗ-651669-320 (340) (2009)
МАЗ-6516V8-520 (6516V8-540) (2011)
МАЗ-651705 (2009)
МАЗ-6517X9-0000410 (2014)
МАЗ-74131 (1996)
МАЗ-83781
МАЗ-9008
МАЗ-93802
МАЗ-93866
МАЗ-938662
МАЗ-93892
МАЗ-9506
МАЗ-9758
МАЗ-9758-30
Общий (см. мод-ции)
Справочник
Схема
>
Не выбрано
Установка силового агрегата 6501B9-1000000-020,(030),(200),(210),(220),(230)
Крепление двигателя 6501B9-1001002-020, (030),(200),(210),(220),(230)
Двигатель с коробкой передач и сцеплением 6501В9-1000300-020, (030)
Двигатель с коробкой передач и сцеплением 6501В9-1000300-200, (210), (220), (230)
Установка системы заливки и контроля уровня масла 5440А9-1018002
Крепление подогревателя 6501B9-1015001-000, (010)
Крепление топливопроводов подогревателя 6501A9-1015004
Mounting of fuel lines heater 6501A9-1015004-010
Бачок топливный 544004-1015910
Установка электрооборудования подогревателя 544008-3700085
Установка электрооборудования подогревателя 643020-3700085
Установка шумоизоляционных экранов 6501B9-1061003-025
Установка шумоизоляционных экранов 6516B9-1061004-011
Крепление топливного бака 6501В9-1101002-000
Бак топливный 5440В9-1101010
Труба наливная с пробкой 6430-1101083
Топливозаборник 5440В9-1105014
Хомут крепления бака 6430-1101110
Установка привода управления двигателем 437143-1108002
Педаль с переходником 437143-1108005
Установка топливопроводов 6501B9-1104002-020
Установка топливопроводов 6501B9-1104002-030
Крепление воздушного фильтра 6501B9-1109002-00
Крепление воздушного фильтра 6501B9-1109002-020
Установка системы выпуска газов 6501B9-1200001-000
Установка системы охлаждения 5440B9-1300005
Установка системы охлаждения 5440B9-1300005-001
Радиатор с кожухом 5440B9-1301009
Бачок расширительный 642290-1311008-010
Установка системы охлаждения наддувочного воздуха 5440В9-1300040
Установка механизма управления сцеплением 544022-1600005-001
Установка механизма управления сцеплением 64301-1600005-021, (051)
Установка механизма управления сцеплением 64301-1600005-022, (052)
Установка механизма управления сцеплением 64302-1600005-001
Блок управления сцеплением 6430-1602004
Блок управления сцеплением 6430A5-1602004
Цилиндр подпедальный с толкателем 6430-1602500-000 (6430-1602500-001, 6430-1602500-020)
Цилиндр подпедальный 6430-1602510
Толкатель 6430-1602568,6430-1602568-020
Педаль 6430-1602112, 64302-1602112
Педаль 6430-3504032, 64302-3504032
Толкатель 6430-3504056
Бачок 64221-1602560
Установка привода управления коробкой передач и демультипликатором 544008-1700002
Установка привода управления коробкой передач и демультипликатором 5440A9-1700002
Механизм промежуточный 533742-1703325
Механизм промежуточный 551639-1703325-001
Рычаг 642208-1703410
Рычаг 642208-1703410-010
Рычаг 5440A9-1703410
Переключатель 54402-1703800
Корпус 54402-1703802
Золотник 54402-1703808
Хвостовик 64301-1703448-050
Хвостовик 5440A9-1703448
Тяга 64301-1703490
Наконечник 6422-1703250
Установка карданных валов 6501B9-2200000-000
Установка карданных валов 6501B9-2200000-010
Вал карданный 54341-2201010-10
Крестовина карданного вала 53205-2205026-10
Комплект карданной передачи 6501В9-2205007-000
Комплект карданной передачи 6501В9-2205007-010
Крестовина 84-2205025
Крестовина в сборе UJ.68755.17.02
Крестовина в сборе UJ.68740.11.02
Мост задний
Корпус водила 5440-2405029-020
Корпус водила 5440-2405029
Колодка тормоза с накладками 5440-3502090, 5440-3502091
Рычаги регулировочные 64226-3502135-010, 64226-3502136-010
Привод управляющий 64226-3501166
Вал червячный с полумуфтой 64226-3501168-010
Ступица с крышкой
Ступица с крышкой
Крышка с манжетами
Крышка с манжетами
Крышка 543266-3104035-000
Мост задний. Картер моста 6501-2401010-030
Редуктор
Картер редуктора 5440-2402015-010
Шестерня ведущая 64221-2402021-012, 64221-2402021-612
Фланец 54326-2402061-050
Крышка
Дифференциал
Шестерни ведущая и ведомая (комплект для запчастей) 54321-2402020-050
Мост средний
Рычаги регулировочные 64226-3501136-010
Вал червячный с полумуфтой 64226-3501168-010
Привод управляющий 64226-3501166
Ступица с крышкой
Крышка с манжетами
Картер моста. 6501W6-2501010-000
Редуктор среднего моста
Картер редуктора 6430-2502015-010
Фланец 6430-2502129
Крышка 6430-2502140
Дифференциал межосевой 6430-2506010-020
Шестерня ведущая
Дифференциал
Вал задний
Установка привода управления блокировкой 650119-2500024
Установка переднего бампера 6312A9-2800003-000
Установка переднего бампера 6516V8-2800003-000
Бампер передний 650119-2803010-000
Установка защитной решетки 651669-3700174-000
Установка панелей бампера 643019-2800005
Панель бампера в сборе 643019-2803096/097
Рама 6501B9-2800010-010
Рама 6501B9-2801002-010
Буксирный прибор 5336-2707212-11
Корпус буксирного прибора 5336-2707214
Установка переднего противоподкатного бруса 6430-2800030
Установка бокового ограждения 6501B9-2800040-030
Боковое ограждение 6501А5-2815018
Балка с осью 6501-2815125
Установка подвески передней 6312-2900001-031
Рессора передняя 6312-2902012-000
Вал стабилизатора с кронштейнами 6430-2906006
Установка подвески задней 650119-2900002
Подвеска балансирная 650119-2900012
Рессора задняя 55165-2912012-010
Балансир рессоры 6418-2918018
Вал стабилизатора с кронштейнами 6430-2916006
Рычаг 6501А8-2916020-000
Штанга реактивная 64221-2919014
Штанга реактивная 6430-2919014
Штанга реактивная 64221-2919015
Передняя ось 6430-3000015-001 (лист 1)
Передняя ось 6430-3000015-001 (лист 2)
Ступица 6430-3103006-010
Ступица 6430-3103010-010
Крышка 54326-3103034-001
Кулак поворотный 6430-3001008,6430-3001009
Тяга поперечная 64221-3003052
Тяга поперечная 643008-3003052-000
Наконечник 6422-3003056
Наконечник 6422-3003057
Тормоз передний 5440-3501004 (5440-3501005)
Рычаг регулировочный 103-3501136-10
Тяга продольная 5440-3003010
Наконечник 6422-3003056-01
Установка запасного колеса
Установка запасного колеса
Установка задних колес
Установка задних колес
Установка передних колес
Установка передних колес
Колесо и шина (54321-3101011)
Колесо и шина
Установка шумопоглощающего колпака 5440-3104005
Установка рулевого управления 6501B9-3400001-000
Механизм рулевой с кронштейном 6418-3400006
Рулевой механизм с распределителем 64221-3400010-10
Механизм рулевой 64221-3401005-10
Винт 64229-3401030
Крышка 5336-3401080
Вкладыш 64229-3401082
Клапан ограничения давления 64221-3430010
Распределитель 5336-3416010-01
Крышка 5336-3416035
Крышка
Кронштейн с колонкой 5440-3403008
Колонка 5440-3444010
Вал 5440-3444014
Цилиндр гидравлический 6430-3405004
Бак масляный 5336-3410010-10
Фильтр с клапаном 5336-3410051
Вал нижний 5440-3444050
Шарнир карданный 6430-3444052-001
Шарнир карданный 6430-3444054-001
Уплотнение люка кабины 5440-3444256-010
Установка пневмотормозов
Крепление ресиверов 6501АЗ-3513005
Крепление ресиверов 650119-3513006
Крепление четырехконтурного клапана 6501АЗ-3515002
Крепление клапана ускорительного 650119-3518004
Крепление тормозных камер 643008-3519001
Установка задних тормозных камер 5440-3519002-10
Крепление тормозных камер 651705-3519003
Пневмовывод к прицепу 555105-3521004
Установка клапана управления тормозами прицепа 54401-3522005
Крепление регулятора тормозных сил 6501W6-3533002-000
Установка осушителя воздуха 631208-3536004-010
Осушитель сжатого воздуха с глушителем 630300-3512004
Привод стояночного и моторного тормозов
Шланги
Соединение для ремонта поврежденных трубопроводов
Установка противотуманных фар 447131-3700007-020
Установка аккумуляторных батарей 650119-3700008, (700)
Установка задних фонарей 6501А5-3700009
Установка электрооборудования на шасси 6501B9-3700010-050, (750)
Установка выключателей 650119-3700018
Установка электрооборудования на кабине 6501А9-3700076, (700)
Установка электрооборудования управления приводом центрального замка 6430-3800080-000
Установка светильников в кабине 6501-3700136
Установка датчика открытой двери 6430-3700218-010
Установка звуковых сигналов 544008-3700024, (700)
Установка звуковых сигналов 643008-3700024-000, (700)
Установка боковых габаритных фонарей по шасси 6501A5-3700081-010, 6501A5-3700081-710
Установка пневмосигнала 6430-3700096, 6430-3700096-700
Установка электрооборудования на двигателе 5440A9-3700098-020, (720)
Установка электрооборудования на двигателе 5440A9-3700098, (700)
Установка фонарей знака автопоезда 6501-3700099-001, (701)
Установка нагревателей на двигателе 6501P6-3700101-000
Установка преобразователя напряжения 6501А8-3700109-000
Установка электрооборудования управления платформой 6501B5-3700112-000
Установка реле сигнала заднего хода 5550B2-3700114-000
Установка щитка приборов и коммутационной аппаратуры 5440-3800001, 5440-3800001-700
Установка переключателей на рулевой колонке 6430-3700084
Щиток приборов 5440-3805010-000
Установка БКА-N4 6430А9-3700110-000
Установка БКА-N4 6430А9-3700110-001, (-701)
Установка и пломбировка спидометра 6516A9-3800004-020
Установка и пломбировка спидометра 6516V8-3800004-030
Установка и пломбировка тахографа 5440-3800005
Установка и пломбировка тахографа 6516A9-3800005-020
Установка радиоприемника с CD проигрывателем 6501-7900030
Установка навигационного оборудования 643008-7937001-000
Установка светоотражающей маркировки 551608-8200002-010
Установка светоотражающей маркировки 6501В9-8200002-000
Установка светоотражающей маркировки 544004-8200002
Установка электрооборудования АБС тормозов
Установка датчика АБС с кабелем на переднем колесе 544019-3538101
Установка электрооборудования АБС по кабине
Установка электрооборудования ЭСУ двигателя
Установка кабины 6501В9-5000002-060
Запорный механизм кабины 6501-5001550
Переднее подрессоривание 6430-5001700-10
Переднее подрессоривание 6430-5001702-1
Заднее подрессоривание 6501-5001800-010
Заднее подрессоривание кабины 6501-5001802-010
Кабина 650119-5000022-050
Петля 6430-6106012-001, 6430-6106013-001
Установка дополнительной термошумоизоляции 650119-5000122
Установка кожухов 6430-3400054
Установка стеклоочистителя 6430-3700041-001
Привод стеклоочистителя 6430-5205500-010
Установка обивок и ковриков
Установка омывателя 6430-5200008
Установки стекла 6430-5200010
Установка панели приборов 6430-5300014-020
Установки стекла задка 6501-5600015
Установка люка 6501-5700010
Установка дверной арматуры 6430-6100010 (правая), 6430-6100011 (левая)
Установка обивок и уплотнителей дверей 6430-6100015-020
Установка поручней в кабине 6430-8200030
Установка полки и штор 6501-8200034
Установка зеркал 6430-8200005
Установка зеркал 6430-8200005-012, 6430-8200005-010
Установка зеркал 6430-8200005-020
Установка облицовки передка 6431-8400018-000
Установка щитков 6431-8400014-000
Механизм подъема кабины 6501B9-5000040-010
Механизм подъема кабины 6501B9-5000040-011
Механизм подъема кабины 6501B9-5000040-030
Механизм подъема кабины 6501B9-5000040-031
Укладка рычага подъема кабины 6430-3900041
Гидроцилиндр замка кабины 6430-5003100
Установка и пневмопитание сидений 544003-6800006
Сиденье водителя 6430-6800010
Подушка и спинка сидения 6430-6800012
Механизм регулирования высоты 6430-6804100-010
Подставка сиденья с пневмооборудованием 6430-6807006-010
Сиденье переднее 6430-6810010
Установка подлокотника 6430-6800020 (21)
Установка ремней безопасности 54327-8200024
Установка подголовника 6430-6800030
Установка отопителя 631019-8100001
Установка отопителя 631019-8100001-010
Установка отопителя 643008-8100001
Отопитель 643008-8101010
Отопитель 631019-8101010-010
Отопитель 631019-8101010
Радиатор отопителя 631019-8101060
Радиатор отопителя 643008-8101060-010
Блок вентиляторный 643008-8118010-010, (-030)
Блок вентиляторный 643008-8118010-020
Установка электрооборудования управления микроклиматом 5440-3700103-010
Установка независимого воздушного отопителя 6501-8100002-011
Установка независимого воздушного отопителя 6501A9-8100002-001
Установка электрооборудования независимого воздушного отопителя 6501-3700088-010
Установка кондиционера 5440B9-8100004
Установка компрессора 5440А9-8100010
Установка конденсатора 5440B9-8100034
Установка ресивера-осушителя 544020-8100036
Кляммер 544020-8117052
Установка электрооборудования кондиционера 5440A9-3700092
Установка шлангов отопителя 6430A9-8100006-020
Установка шлангов отопителя 6516A9-8100006-030
Установка спального места 6501-8200010
Установка нижней подножки 643019-8400016-010
Установка оперения 6501E9-8400020-000
Оперение 6501-8400010-010, 6501-8400011-010
Установка боковых указателей поворота 6430-3700150
Установка экранов 544003-8400026
Установка брызговиков передних колес 6501А5-8400030
Установка брызговиков передних колес 6501А5-8400030-001
Установка платформы 551608-8500002
Установка платформы 551608-8500002-050
Установка платформы 6501B9-8500002-050
Платформа 551608-8500020
Платформа 551608-8500020-050
Платформа 6501B9-8500020-050
Установка надставных бортов 551608-8500012
Установка тента 6501B9-8500004-050
Установка тента 551608-8500004
Установка крыльев 6501A3-8500048-050, 6501A3-8500048-060
Установка надрамника 6501B9-8600002-000
Установка гидрооборудования 6501B9-8600005-062, (-762)
Установка гидрооборудования 6501B9-8600005-069, (-769)
Установка цилиндров и клапанов 6501B9-8603500-000, (-700)
Клапан 555102-8603508
Клапан расхода и давления 5516-8607110
Гидроцилиндр 551608-8603510
Клапан 555102-8607300
Клапан 555102-8607010
Насос с арматурой 64228-8604010-032, (-732)
Насос с арматурой 6501B9-8604010-069
Клапан обратный 5516-8609240
Клапан обратный с арматурой 551639-8609238
Установка коробки отбора мощности 5440Е9-8600007-069
Комплект кронштейнов гидровыводов и КОМ 6501В9-8600006-032
Запитка коробки отбора мощности 6516A8-4200007-032
Комплект кронштейнов гидровыводов 6501В9-8609600-000
Ящик инструментальный 6501-5108010
Установка противооткатных упоров 551605-3900037
Установка огнетушителя 6501-3910040
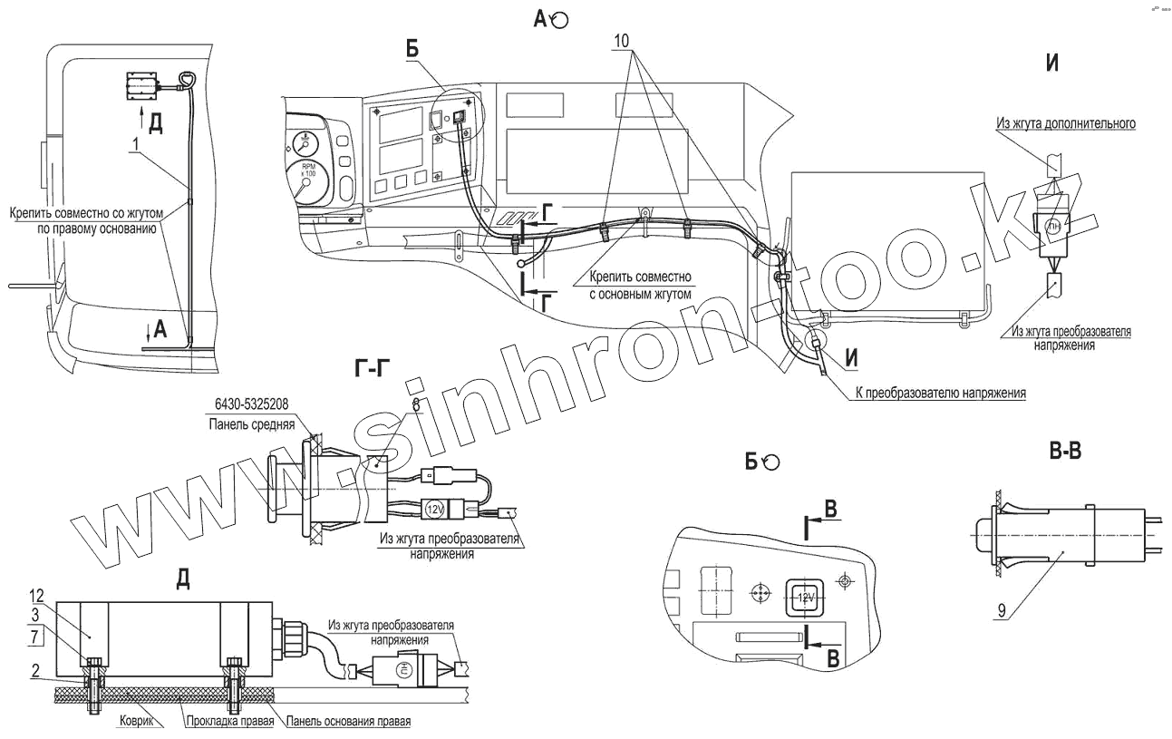
1
2
3
7
8
9
9
10
10
10
10
12
12
Позиция на иллюстрации
Заводской номер детали
Название детали
1
5440А9-3724392-000
Жгут преобразователя напряжения
2
6501-8219210
Втулка 4
3
201428
Болт М6-6gх40
7
252154
Шайба 6Л
8
11.3725.000
Прикуриватель 11.3725
9
3037.00.00.000-64
Выключатель 3037-02.97
9
86.3710-02.37
Выключатель
10
8320233
Кабельная стяжка
10
25315
Кабельная стяжка
10
110-133400
Кабельная стяжка
10
4-160975-2
Кабельная стяжка
12
ЛБИЕ.435654.006
Преобразователь напряжения
12
ЗПМ.499.456
Преобразователь напряжения
Содержащиеся в справочниках-каталогах запасные части и детали не предлагаются к продаже, а носят исключительно информационный характер
Дополнительная информация
×
Название:
Номер:
Примечание: