Вернуться на главную
Поиск
Каталоги запчастей к технике
Грузовые автомобили и прицепы
МАЗ
МАЗ-650119
Установка преобразователя напряжения 6430-3700109
Каталог запасных частей к технике: МАЗ-650119. Установка преобразователя напряжения 6430-3700109
zoom-in
zoom-out
enlarge
shrink
circle-right
circle-left
file-text2
info
cart
Тип техники
Не выбрано
Легковые автомобили
Грузовые автомобили и прицепы
Автобусы
Сельхозтехника
Спецтехника
Двигатели
Мототехника
Марка
Не выбрано
BAW
DAF
DongFeng
FAW
Foton
HOWO
Hyundai
IVECO
JAC Motors
LGMG
MAN
Shaanxi
SITRAK
Studebaker
Tata
Volvo
Автокомпонент Плюс
БелАЗ
Брянский Арсенал
ГАЗ
ЗИЛ
КАЗ
Камский автозавод
КрАЗ
Мадара
МАЗ
МЗКТ
МоАЗ
Нефтекамский автозавод
Ставропольский Завод АвтоПрицепов
ТАТРА
Тонар
УралАЗ
ЧМЗАП
Модель
Не выбрано
KNORR-BREMSE применяемых на технике МАЗ
КПП МАЗ-543205-070
МАЗ-3PP59 (1999)
МАЗ-437030 (Зубренок) (2004)
МАЗ-437040 (Зубренок) (2002)
МАЗ-437040 (Зубренок) (2005)
МАЗ-437041 (Зубренок) (2010)
МАЗ-437043 (Зубренок) (2011)
МАЗ-437130 (Зубренок) (2008)
МАЗ-4371P2-0000421-000 (2013)
МАЗ-500А
МАЗ-503А
МАЗ-504А
МАЗ-504В (2005)
МАЗ-530905 (2009)
МАЗ-5335 (2004)
МАЗ-5336 (2005)
МАЗ-53363
МАЗ-53366
МАЗ-5337
МАЗ-5337 (2005) (2005)
МАЗ-53371
МАЗ-533731 (2009)
МАЗ-533731 (2012)
МАЗ-5429 (2003)
МАЗ-543 (7310) (2008)
МАЗ-5432 (2003)
МАЗ-543202 (2003)
МАЗ-54321
МАЗ-54323
МАЗ-54326 (2000)
МАЗ-54328
МАЗ-5433
МАЗ-5434
МАЗ-543403, 641705, 641708 (2010)
МАЗ-5440 (2002)
МАЗ-544018 (2011)
МАЗ-544069
МАЗ-5440B5 (2013)
МАЗ-5440B9, 6430B9 (2013)
МАЗ-5440E9 (2011)
МАЗ-5516
МАЗ-5516 (2003) (2003)
МАЗ-551605 (2007)
МАЗ-551608, 630308 (2007)
МАЗ-551669 (2008)
МАЗ-5516А5 (2007)
МАЗ-5549 (2003)
МАЗ-5550V3 (V5) (2011)
МАЗ-5551
МАЗ-5551 (2003) (2003)
МАЗ-555102, 5551А2 (2007)
МАЗ-555142 (2007)
МАЗ-6303 (2000)
МАЗ-6303 (2005) (2005)
МАЗ-630333 (2012)
МАЗ-6303A3, 6303A5 (2007)
МАЗ-631019 (2014)
МАЗ-631236 (2007)
МАЗ-6312B9-0008425-012 (2015)
МАЗ-6317
МАЗ-631705 (2010)
МАЗ-631705, 631708 (2010)
МАЗ-6422 (2003)
МАЗ-6422, 5432 (2007)
МАЗ-64221
МАЗ-64226 (2000)
МАЗ-64229
МАЗ-642505, 642508 (2006)
МАЗ-64255
МАЗ-643018 (2015)
МАЗ-643068 (2003)
МАЗ-6430A8 (5440A8, 5440A5) (2008)
МАЗ-650108 (2008)
МАЗ-650119 (2010)
МАЗ-6501B9 (2014)
МАЗ-6501B9 (2015)
МАЗ-651669-320 (340) (2009)
МАЗ-6516V8-520 (6516V8-540) (2011)
МАЗ-651705 (2009)
МАЗ-6517X9-0000410 (2014)
МАЗ-74131 (1996)
МАЗ-83781
МАЗ-9008
МАЗ-93802
МАЗ-93866
МАЗ-938662
МАЗ-93892
МАЗ-9506
МАЗ-9758
МАЗ-9758-30
Общий (см. мод-ции)
Справочник
Схема
>
Не выбрано
Крепление двигателя
Установка системы заливки и контроля уровня масла 544019-1018002
Установка подогревателя 544019-1015001
Топливопроводы питания подогревателя 544019-1015004
Установки шумоизоляционных экранов 650119-1061003-006
Установка шумоизоляционных экранов 544019-1061004-006
Крепление топливного бака 650119-1101002
Крепление топливопроводов 650119-1104002
Крепление топливопроводов 650119-1104002-010
Установка педали управления двигателем 544019-1108002-010
Крепление воздушного фильтра 650119-1109002-010
Установка системы выпуска газов 650119-1200001
Установка системы охлаждения 544019-1300005, (-010)
Радиатор с кожухом 544019-1301009
Установка системы охлаждения наддувочного воздуха 544019-1300040
Крепление защитной сетки 544019-1300016
Установка системы подавления токсичных веществ отработавших газов 650119-1400001
Крепление бака 650119-1401002
Трубопроводы подогрева системы подавления токсичных веществ отработавших газов 650119-1402001
Крепление трубопроводов системы подавления токсичных веществ отработавших газов 650119-1404002
Шланги в оболочке 650119-1402020
Крепление аппаратов подготовки воздуха 650119-1401010
Механизм управления сцеплением 544019-1600005
Блок управления сцеплением 544019-1602004
Цилиндр подпедальный 6430-1602510
Установка привода управления коробкой передач и демультипликатором 544019-1700002
Тяга 64221-1703490-01
Тяга 64302-1703490-010
Рычаг 64301-1703410-060
Хвостовик 544019-1703448
Хвостовик 544019-1703447
Механизм промежуточный 551639-1703325-001
Установка карданных валов
Мост задний
Мост задний. Установка редуктора и элементов подвески
Мост задний. Картер моста
Колесный редуктор
Редуктор заднего моста 65019-2402010
Редуктор заднего моста. Дифференциал
Шестерни ведущая и ведомая (комплект для запчастей) 544012-2402020
Шестерня ведущая 650119-2402021
Ступица заднего моста. 544019-3104006
Мост средний
Мост средний. Установка редуктора и вала заднего
Мост средний. Картер моста
Редуктор среднего моста 643012-2502010
Редуктор среднего моста. Дифференциал с картером редуктора
Редуктор среднего моста. Шестерня ведущая
Редуктор среднего моста. Дифференциал межосевой
Редуктор среднего моста. Межколесная блокировка дифференциала
Мост средний. Вал задний
Шестерни ведущая и ведомая (комплект для запчастей) 643012-2502020
Установка привода управления блокировкой 650119-2500024
Установка бампера и фар 544019-2803006
Рамы 650119-2800010 (650119-2801002)
Рамы 650119-2800010 (650119-2801002)
Рамы 650119-2800010 (650119-2801002)
Установка заднего бампера
Буксирный прибор 5336-2707210-01 (комплект для запчастей)
Установка переднего противоподкатного бруса 544019-2800030-010
Установка бокового ограждения 650119-2800040
Установка бокового ограждения 650119-2800040
Установка подвески передней 5440-2900001-031
Рессора передняя 6430-2902012-10
Вал стабилизатора с кронштейнами 6430-2906006
Установка подвески задней 650119-2900002
Подвеска балансирная 650119-2900012
Штанга реактивная
Рессора задняя 55165-2912012-010
Передняя ось 6430-3000015-001
Передняя ось 6430-3000015-001
Ступица переднего колеса 6430-3103006-010
Тяга поперечная рулевая 64221-3003052
Тяга продольная 5440-3003010
Установка запасного колеса
Установка задних колес
Установка передних колес
Колесо и шина
Установка шумопоглощающего колпака 5440-3104005
Установка рулевого управления 544019-3400001
Рулевой механизм с кронштейном 544019-3400006
Механизм рулевой 64221-3400010-10
Кронштейн с колонкой 5440-3403008
Силовой цилиндр гидроусилителя рулевого управления 64221-3405004
Бак масляный 64221-3410008
Распределитель 5336-3416010-01
Клапан расхода давления 5336-3407260
Вал нижний 5440-3444050
Тормозной механизм передних колес 6516-3501004 (6516-3501005)
Тормозной механизм задних колес и средних колес (для барабана диаметром 410мм, с шириной накладок 220мм)
Автоматические регулировочные рычяги
Рычаг регулировочный
Крепление охладителя 650119-3506020
Установка ресиверов 643020-3513004
Крепление ресивера и присоединительной арматуры 650107-3513005
Крепление ресиверов 650119-3513006 и присоединительной арматуры
Установка ресивера регенерации и присоединительной арматуры
Тормозной кран и присоединительная арматура
Крепление четырехконтурного клапана 650107-3515002
Крепление клапана ускорительного 650119-351800
Крепление клапана ускорительного 650136-3518004
Крепление тормозных камер 643008-3519001
Крепление тормозных камер 5440-3519002-10 и присоединительной арматуры
Крепление тормозных камер 643008-3519003 на среднем мосту
Пневмовывод к прицепу 650119-3521004
Крепление клапана управления тормозами прицепа 555002-3522005
Крепление осушителя воздуха 650107-3536004
Привод стояночного тормоза 544019-3537006
Установка тормозного клапана ASR и присоединительной арматуры
Установка передних модуляторов и присоединительной арматуры
Установка задних модуляторов и присоединительной арматуры
Установка датчиков
Установка клапанов 472 170 636 0 и присоединительной арматуры
Шланги
Соединение для ремонта поврежденных трубопроводов
Установка аккумуляторных батарей 650119-3700008
Установка задних фонарей 650119-3700009
Установка электрооборудования на шасси 650119-3700010
Установка штепсельных розеток 63031-3700015
Установка электрооборудования по кабине 555035-3700076
Установка фар 544008-3700006
Установка противотуманных фар 6430-3700007
Установка пневмосигнала 6430-3700096
Установка электрооборудования на двигателе 544019-3700098
Установка фонарей автопоезда 6501-3700099-001
Установка кабелей обогрева зеркал 6430-3700108
Установка электрооборудования управления платформой 6501-3700112
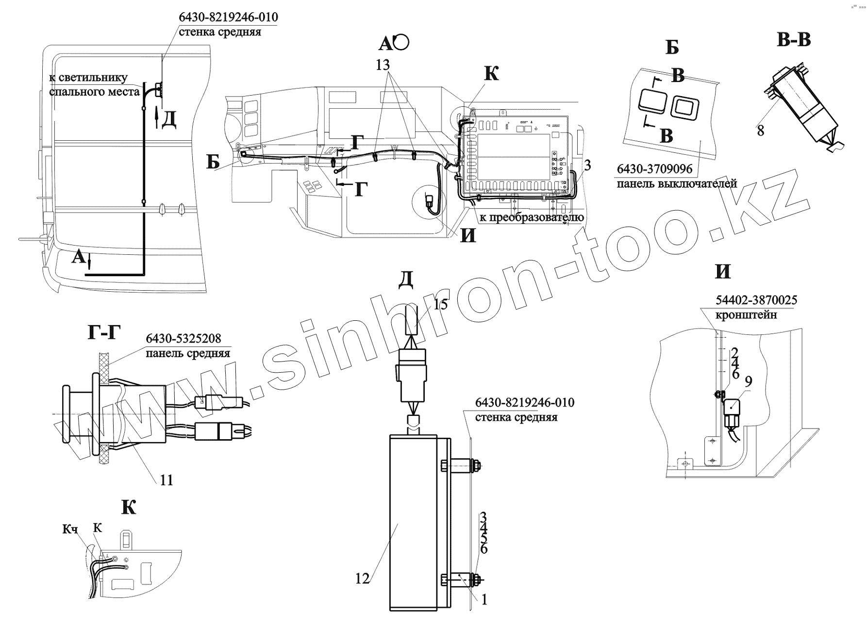
Установка преобразователя напряжения 6430-3700109
Установка щитка приборов и коммутационной аппаратуры 555035-3800001
Установка и пломбировка тахографа 544069-3800005, (-001), (-010)
Установка таймера 544019-3700086
Установка электрооборудования подогревателя 544019-3700085
Установка электрооборудования кондиционера 643008-3700092
Установка переключателей отопителя 544019-3700100-020
Установка электрооборудования независимого воздушного отопителя 6501-3700088-010
Установка боковых указателей поворота 6430-3700150
Установка стеклоочистителя 6430-3700041-001
Установка электрооборудования АБС 650119-3800040
Установка АБС по кабине 544019-3700120-010
Жгут АБС по кабине 437137-3724610
Жгут АБС по шасси 650119-3724760
Жгут реле и предохранителей 437137-3724611
Датчик с кабелем
Установка электрооборудования ЭСУ двигателя 650119-3800060
Установка кабины 650119-5000002-010
Переднее подрессоривание кабины 643019-5001700-010
Переднее подрессоривание 643019-5001702-010
Заднее подрессоривание 6501-5001800-010
Заднее подрессоривание кабины 6501-5001802-010
Установка механизма подъема кабины 650119-5000040-010
Установка механизма подъема кабины 650119-5000040
Укладка рычага подъема кабины 6430-3900041
Гидроцилиндр замка кабины 6430-5003100
Гидроцилиндр 6430-5003010
Насос механизма подъема кабины 6430-5004010
Установка дополнительной термошумоизоляции 650119-5000122
Установка омывателя 6430-5200008
Установки стекла 6430-5200010, стекла задка 6501-5600015
Установка панели приборов 6430-5300014-020
Установка люка 6501-5700010
Установка ручек, замка и ограничителя двери
Установка стеклоподъемника и ручки стеклоподъемника
Установка опускного стекла
Установка и пневмопитание сидений 544003-6800006
Сидение 6430-6800010
Подушка и спинка сидения 6430-6800012
Механизм регулирования высоты
Подставка сиденья с пневмооборудованием 6430-6807006-010
Установка зеркал 6430-8200005
Установка поручней в кабине 6430-8200030
Установка полки и штор 6501-8200034
Штора противосолнечная 6430-8204110
Установка облицовки 6430-8400018 и боковых щитков6430-8400014
Установка принадлежностей 6501-3900011
Установка огнетушителя 6501-3910040
Установка отопителя 544019-8100001-010
Отопитель 544019-8101010-010
Установка отопителя 650119-8100001
Установка фильтра 650119-8100022
Блок радиатора 650119-8101010
Блок вентилятора
Пульт управления
Установка шлангов отопителя 544019-8100006
Установка шлангов отопителя 544019-8100006-010
Установка шлангов отопителя
Кран управления отопителем 6430-8101150-010
Установка независимого воздушного отопителя
Установка кондиционера 544019-8100004
Установка конденсатора 544019-8100034
Установка ресивера-осушителя 544020-8100036
Установка спального места 6501-8200010
Установка нижней подножки 544008-8400016-010
Установка оперения 6501-8400020-010, 6501-8400020-011
Оперение 6501-8400010-010, 6501-8400011-010, 6501-8400010-001, 6501-8400011-001
Установка брызговиков передних колес 643019-8400030, (-001)
Установка платформы 650108-8500002 (без подогрева)
Платформа 650108-8500020
Установка тента 551605-8500004
Установка надставных бортов 650108-8500012
Установка крыльев
Установка надрамника 650119-8600002
Установка гидрооборудования 650119-8600005
Установка масляного бака 650119-8600034
Насос с арматурой 650119-8604010
Установка цилиндра и клапанов 650119-8603500
Гидроцилиндр 6501-8603510
Клапан расхода и давления 551605-8607110-025
Клапан 555102-8607300
Клапан 555102-8603508
6430-3709096
54402-3870025
6430-5325208
6430-8219246-010
6430-8219246-010
1
2
3
3
4
4
5
6
6
8
9
11
12
13
15
Позиция на иллюстрации
Заводской номер детали
Название детали
6430-3709096
6430-3709096
Панель выключателей
54402-3870025
54402-3870025
Кронштейн
6430-5325208
6430-5325208
Панель средняя
6430-8219246-010
6430-8219246-010
Стенка средняя
1
64221-6106064
Втулка
2
201418
Болт М6-6gх16
3
201424
Болт М6-6gх30
4
250508
Гайка М6-6Н
5
252004
Шайба 6
6
252154
Шайба 6Л
8
3037.00.00.00-64
Выключатель 3037-02.97
9
901.3747.000-10
Реле 901.3747-10
11
666874
Прикуриватель 11.3725
12
9500951
Преобразователь напряжения
13
TSL-200
Кабельная стяжка
15
6430-3724392
Жгут преобразователя напряжения
Содержащиеся в справочниках-каталогах запасные части и детали не предлагаются к продаже, а носят исключительно информационный характер
Дополнительная информация
×
Название:
Номер:
Примечание: