Вернуться на главную
Поиск
Каталоги запчастей к технике
Грузовые автомобили и прицепы
МАЗ
МАЗ-650108
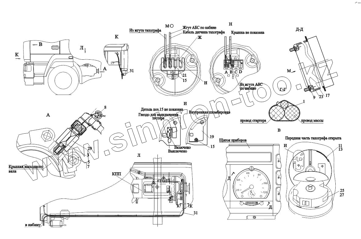
Установка и пломбировка тахографа 544008-3800005
Каталог запасных частей к технике: МАЗ-650108. Установка и пломбировка тахографа 544008-3800005
zoom-in
zoom-out
enlarge
shrink
circle-right
circle-left
file-text2
info
cart
Тип техники
Не выбрано
Легковые автомобили
Грузовые автомобили и прицепы
Автобусы
Сельхозтехника
Спецтехника
Двигатели
Мототехника
Марка
Не выбрано
BAW
DAF
DongFeng
FAW
Foton
HOWO
Hyundai
IVECO
JAC Motors
LGMG
MAN
Shaanxi
SITRAK
Studebaker
Tata
Volvo
Автокомпонент Плюс
БелАЗ
Брянский Арсенал
ГАЗ
ЗИЛ
КАЗ
Камский автозавод
КрАЗ
Мадара
МАЗ
МЗКТ
МоАЗ
Нефтекамский автозавод
Ставропольский Завод АвтоПрицепов
ТАТРА
Тонар
УралАЗ
ЧМЗАП
Модель
Не выбрано
KNORR-BREMSE применяемых на технике МАЗ
КПП МАЗ-543205-070
МАЗ-3PP59 (1999)
МАЗ-437030 (Зубренок) (2004)
МАЗ-437040 (Зубренок) (2002)
МАЗ-437040 (Зубренок) (2005)
МАЗ-437041 (Зубренок) (2010)
МАЗ-437043 (Зубренок) (2011)
МАЗ-437130 (Зубренок) (2008)
МАЗ-4371P2-0000421-000 (2013)
МАЗ-500А
МАЗ-503А
МАЗ-504А
МАЗ-504В (2005)
МАЗ-530905 (2009)
МАЗ-5335 (2004)
МАЗ-5336 (2005)
МАЗ-53363
МАЗ-53366
МАЗ-5337
МАЗ-5337 (2005) (2005)
МАЗ-53371
МАЗ-533731 (2009)
МАЗ-533731 (2012)
МАЗ-5429 (2003)
МАЗ-543 (7310) (2008)
МАЗ-5432 (2003)
МАЗ-543202 (2003)
МАЗ-54321
МАЗ-54323
МАЗ-54326 (2000)
МАЗ-54328
МАЗ-5433
МАЗ-5434
МАЗ-543403, 641705, 641708 (2010)
МАЗ-5440 (2002)
МАЗ-544018 (2011)
МАЗ-544069
МАЗ-5440B5 (2013)
МАЗ-5440B9, 6430B9 (2013)
МАЗ-5440E9 (2011)
МАЗ-5516
МАЗ-5516 (2003) (2003)
МАЗ-551605 (2007)
МАЗ-551608, 630308 (2007)
МАЗ-551669 (2008)
МАЗ-5516А5 (2007)
МАЗ-5549 (2003)
МАЗ-5550V3 (V5) (2011)
МАЗ-5551
МАЗ-5551 (2003) (2003)
МАЗ-555102, 5551А2 (2007)
МАЗ-555142 (2007)
МАЗ-6303 (2000)
МАЗ-6303 (2005) (2005)
МАЗ-630333 (2012)
МАЗ-6303A3, 6303A5 (2007)
МАЗ-631019 (2014)
МАЗ-631236 (2007)
МАЗ-6312B9-0008425-012 (2015)
МАЗ-6317
МАЗ-631705 (2010)
МАЗ-631705, 631708 (2010)
МАЗ-6422 (2003)
МАЗ-6422, 5432 (2007)
МАЗ-64221
МАЗ-64226 (2000)
МАЗ-64229
МАЗ-642505, 642508 (2006)
МАЗ-64255
МАЗ-643018 (2015)
МАЗ-643068 (2003)
МАЗ-6430A8 (5440A8, 5440A5) (2008)
МАЗ-650108 (2008)
МАЗ-650119 (2010)
МАЗ-6501B9 (2014)
МАЗ-6501B9 (2015)
МАЗ-651669-320 (340) (2009)
МАЗ-6516V8-520 (6516V8-540) (2011)
МАЗ-651705 (2009)
МАЗ-6517X9-0000410 (2014)
МАЗ-74131 (1996)
МАЗ-83781
МАЗ-9008
МАЗ-93802
МАЗ-93866
МАЗ-938662
МАЗ-93892
МАЗ-9506
МАЗ-9758
МАЗ-9758-30
Общий (см. мод-ции)
Справочник
Схема
>
Не выбрано
Установка кабины 6501-5000002-010
Переднее подрессоривание кабины 6430-5001700-10
Заднее подрессоривание 6501-5001800-010
Механизм подъема кабины 650108-5000040
Механизм подъема кабины 6501-5000040
Установка дополнительной термошумоизоляции 6501-5000122
Установка омывателя 6430-5200008
Установки стекла 6430-5200010, стекла задка 6501-5600015
Панель приборов 6430-5300014-020
Установка люка 6501-5700010
Установка ручек, замка и ограничителя двери 6430-6100010 (правая), 6430-6100011 (левая)
Установка стеклоподъемника и ручки стеклоподъемника
Установка опускного стекла 6430-6103210 (правая), 6430-6103211 (левая)
Установка зеркал 6430-8200005
Установка и пневмопитание сидений 544003-6800006
Сидение 6430-6800010
Подушка и спинка сидения 6430-6800012
Механизм регулирования высоты
Подставка сиденья с пневмооборудованием 6430-6807006-010
Установка поручней в кабине 6430-8200030
Установка полки и штор 6501-8200034
Установка облицовки и боковых щитков 6430-8400018
Установка отопителя
Установка фильтра 6430-8100022
Блок радиатора 6430-8101010-020
Блок вентиляторный
Кран управления отопителем
Пульт управления 5440-8109011
Установка шлангов отопителя 544004-810006-010 с НЖП
Установка шлангов отопителя 643008-8100006 без НЖП
Установка спального места 6501-8200010
Установка нижней подножки 544008-8400016
Установка нижней подножки 544008-8400016-010
Установка оперения 6501-8400020-010
Установка экранов 544003-8400026
Установка брызговиков передних колес 6501-8400030-010
Установка брызговиков передних колес 6501-8400030-011
Установка платформы
Платформа
Установка тента 551605-8500004
Установка надставных бортов 650108-8500012
Установка крыльев 650108-8500048
Установка крыльев
Установка надрамника 650108-8600002
Установка гидрооборудования
Установка гидрооборудования
Установка цилиндра и клапана
Установка масляного бака 6501-8600034
Насос с арматурой
Клапан 555102-8607300
Гидроцилиндр 6501-8603510
Крепление двигателя (650108-1001002, 650108-1001002-700)
Крепление двигателя (650108-1001002-010, 650108-1001002-710)
Система заливки и контроля уровня масла 64301-1018002
Установка подогревателя
Крепление воздушного фильтра 650108-1109002
Привод останова двигателя 643008-1115002
Привод выключения двигателя противоугонным устройством 544008-1115004
Крепление топливопроводов 650108-1104002
Крепление топливопроводов 650108-1104002-010
Крепление топливопроводов 650108-1104002-020
Крепление топливопроводов 650108-1104002-030
Установка системы выпуска газов 6501A8-1200001
Установка системы выпуска газов 6501A8-1200001-010
Установка системы охлаждения
Радиатор с кожухом 54401-1301009
Установка системы охлаждения наддувочного воздуха
Установка механизма управления сцеплением
Установка механизма управления сцеплением
Установка механизма управления сцеплением
Установка механизма управления сцеплением
Блок управления сцеплением 6430A5-1602004
Цилиндр подпедальный 6430-1602510
Установка привода управления коробкой передач
Установка привода управления коробкой передач 544008-1700002
Механизм промежуточный 544008-1703325
Механизм промежуточный 533742-1703325
Рычаг
Хвостовик
Тяга
Переключатель
Установка карданных валов
Мост задний
Мост задний.Установка редуктора и элементов подвески
Мост задний. Картер моста
Колесный редуктор
Редуктор заднего моста
Редуктор заднего моста. Дифференциал
Шестерни ведущая и ведомая (комплект для запчастей) 54323-2402020
Шестерня ведущая
Ступица заднего, среднего моста
Мост средний
Крепление тормозных камер 643008-3519003 на среднем мосту и присоединительной арматуры
Пневмовывод к прицепу 555105-3521004
Крепление клапана управления тормозами прицепа 650108-3522005 и присоединительной арматуры
Крепление регулятора тормозных сил 643020-3533002 и присоединительной арматуры
Крепление осушителя воздуха 650108-3536004 и присоединительной арматуры
Привод стояночного и моторного тормозов 544008-3537006, (-010)
Цилиндр останова двигателя 642208-3570004 и присоединительная арматура
Тормозной кран и присоединительная арматура
Установка передних модуляторов и присоединительной арматуры
Установка задних модуляторов и присоединительной арматуры на автомобили без тормозного клапана ASR (ПБС)
Установка задних модуляторов и присоединительной арматуры на автомобили с тормозным клапаном ASR (ПБС)
Установка тормозного клапана ASR и присоединительной арматуры
Установка клапана пропорционального и присоединительной арматуры
Установка датчиков
Шланги
Соединение для ремонта поврежденных трубопроводов
Установка электрооборудования на шасси 650108-3700010 (-700)
Установка розеток 63031-3700015
Установка электрооборудования на кабине 555002-3700076 (-700)
Установка фар 544008-3700006
Установка противотуманной фары
Установка аккумуляторных батарей 64302-3700008 (-700)
Установка задних фонарей 6501-3700009 (-700)
Установка электрооборудования на двигателе 643008-3700098 (-700)
Установка фонарей автопоезда 6501-3700099-001 (-701)
Установка кабелей обогрева зеркал 6430-3700108 (-700)
Установка щитка приборов и коммутационной аппаратуры 6430A8-3800001 (-700)
Установка и пломбировка спидометра 544008-3800004
Установка и пломбировка спидометра 5440-3800004-020
Установка и пломбировка тахографа 544008-3800005
Установка и пломбировка тахографа 5440-3800005-020
Установка стеклоочистителя 6430-3700041-001
Установка электрооборудования подогревателя 6501-3700085
Установка таймера 6501-3700086
Установка электрооборудования АБС
Установка датчиков АБС с кабелем на заднем мосту
Датчик с кабелем
Расположение элементов электронных систем в кабине автомобиля
Панель щитка приборов
Панель реле и предохранителей
Ввод жгутов АБС по шасси в кабину
Установка электронного блока АБС и пневмоподвески
Установка коробки отбора мощности и насоса
Коробка отбора мощности 64228-4202010
Установка принадлежностей 6501-3900011
Установка огнетушителя 6501-3910040
1
3
5
7
8
9
11
13
15
15
17
19
21
23
25
27
29
31
31
Позиция на иллюстрации
Заводской номер детали
Название детали
1
6430-3724624
Хомут
3
5335-3802083
Нить пломбировочная
5
206498
Болт 3М8-6gх20
7
252135
Шайба 8Т
8
1999.92.000015
Пломба
9
1305.9006.1300
Гайка
11
1310.0111.037.001
Пломбировочная пленка для таблички К
13
1310.0111.039.000
Табличка
15
1311.0111.132.010
Пломба колпачковая
17
1318.27.0000002523(А)
Тахограф 1318.27.0000002523
19
1318.90021301
Крышка кодирующего переключателя
21
1318.90025200
Пломбировочная крышка разъемов
23
1318.9003.1000
Скоба
25
1999.9999.002.000
Пломбировочная пленка для установочной таблицы
27
1999.9999.004.002
Установочная лента
29
2159.20102500
Датчик импульсов
31
2159.8517.0750
Кабель датчика скорости
Содержащиеся в справочниках-каталогах запасные части и детали не предлагаются к продаже, а носят исключительно информационный характер
Дополнительная информация
×
Название:
Номер:
Примечание: