Вернуться на главную
Поиск
Каталоги запчастей к технике
Грузовые автомобили и прицепы
МАЗ
МАЗ-6430A8 (5440A8, 5440A5)
Установка механизма управления сцеплением
Каталог запасных частей к технике: МАЗ-6430A8 (5440A8, 5440A5). Установка механизма управления сцеплением
zoom-in
zoom-out
enlarge
shrink
circle-right
circle-left
file-text2
info
cart
Тип техники
Не выбрано
Легковые автомобили
Грузовые автомобили и прицепы
Автобусы
Сельхозтехника
Спецтехника
Двигатели
Мототехника
Марка
Не выбрано
BAW
DAF
DongFeng
FAW
Foton
HOWO
Hyundai
IVECO
JAC Motors
LGMG
MAN
Shaanxi
SITRAK
Studebaker
Tata
Volvo
Автокомпонент Плюс
БелАЗ
Брянский Арсенал
ГАЗ
ЗИЛ
КАЗ
Камский автозавод
КрАЗ
Мадара
МАЗ
МЗКТ
МоАЗ
Нефтекамский автозавод
Ставропольский Завод АвтоПрицепов
ТАТРА
Тонар
УралАЗ
ЧМЗАП
Модель
Не выбрано
KNORR-BREMSE применяемых на технике МАЗ
КПП МАЗ-543205-070
МАЗ-3PP59 (1999)
МАЗ-437030 (Зубренок) (2004)
МАЗ-437040 (Зубренок) (2002)
МАЗ-437040 (Зубренок) (2005)
МАЗ-437041 (Зубренок) (2010)
МАЗ-437043 (Зубренок) (2011)
МАЗ-437130 (Зубренок) (2008)
МАЗ-4371P2-0000421-000 (2013)
МАЗ-500А
МАЗ-503А
МАЗ-504А
МАЗ-504В (2005)
МАЗ-530905 (2009)
МАЗ-5335 (2004)
МАЗ-5336 (2005)
МАЗ-53363
МАЗ-53366
МАЗ-5337
МАЗ-5337 (2005) (2005)
МАЗ-53371
МАЗ-533731 (2009)
МАЗ-533731 (2012)
МАЗ-5429 (2003)
МАЗ-543 (7310) (2008)
МАЗ-5432 (2003)
МАЗ-543202 (2003)
МАЗ-54321
МАЗ-54323
МАЗ-54326 (2000)
МАЗ-54328
МАЗ-5433
МАЗ-5434
МАЗ-543403, 641705, 641708 (2010)
МАЗ-5440 (2002)
МАЗ-544018 (2011)
МАЗ-544069
МАЗ-5440B5 (2013)
МАЗ-5440B9, 6430B9 (2013)
МАЗ-5440E9 (2011)
МАЗ-5516
МАЗ-5516 (2003) (2003)
МАЗ-551605 (2007)
МАЗ-551608, 630308 (2007)
МАЗ-551669 (2008)
МАЗ-5516А5 (2007)
МАЗ-5549 (2003)
МАЗ-5550V3 (V5) (2011)
МАЗ-5551
МАЗ-5551 (2003) (2003)
МАЗ-555102, 5551А2 (2007)
МАЗ-555142 (2007)
МАЗ-6303 (2000)
МАЗ-6303 (2005) (2005)
МАЗ-630333 (2012)
МАЗ-6303A3, 6303A5 (2007)
МАЗ-631019 (2014)
МАЗ-631236 (2007)
МАЗ-6312B9-0008425-012 (2015)
МАЗ-6317
МАЗ-631705 (2010)
МАЗ-631705, 631708 (2010)
МАЗ-6422 (2003)
МАЗ-6422, 5432 (2007)
МАЗ-64221
МАЗ-64226 (2000)
МАЗ-64229
МАЗ-642505, 642508 (2006)
МАЗ-64255
МАЗ-643018 (2015)
МАЗ-643068 (2003)
МАЗ-6430A8 (5440A8, 5440A5) (2008)
МАЗ-650108 (2008)
МАЗ-650119 (2010)
МАЗ-6501B9 (2014)
МАЗ-6501B9 (2015)
МАЗ-651669-320 (340) (2009)
МАЗ-6516V8-520 (6516V8-540) (2011)
МАЗ-651705 (2009)
МАЗ-6517X9-0000410 (2014)
МАЗ-74131 (1996)
МАЗ-83781
МАЗ-9008
МАЗ-93802
МАЗ-93866
МАЗ-938662
МАЗ-93892
МАЗ-9506
МАЗ-9758
МАЗ-9758-30
Общий (см. мод-ции)
Справочник
Схема
>
Не выбрано
Установка противооткатных упоров 6430-3900037
Установка противооткатных упоров 5440-3900037
Установка противооткатного упора 64221-3900037
Установка огнетушителя 6430-3910040
Установка регуляторов положения кабины c пневмогидроэлементами 6430-5001940-010
Переднее подрессоривание кабины 6430-5001700
Заднее подрессоривание кабины 6430-5001800-001
Запорный механизм кабины 6430-5001550
Переднее подрессоривание кабины 6430-5001700-10
Заднее подрессоривание кабины 6430-5001800-011
Механизм подъема кабины 64302-5000040,64302-5000040-010
Механизм подъема кабины 64302-5000040-700,64302-5000040-710
Гидроцилиндр 6430-5003010
Установка инструментального ящика 6430-5000115-020
Установка омывателя 6430-5200008
Установка панели приборов 6430-5300014-020
Панель приборов 6430-5300016
Установка стеклоочистителя 6430-3700041-001
Установка ветрового стекла 6430-5200010,стекла задка 6501-5600015
Установка ручек, замка и ограничителя двери 6430-6100010 (правая), 6430-6100011 (левая)
Установка опускного стекла 6430-6103210 (правая),6430-6103211 (левая)
Установка стеклоподъемника и ручки стеклоподъемника
Установка и пневмопитание сидений 6430-6800006-001
Подушка и спинка сиденья 6430-6800012, 6430-6810012
Сиденье 6430-6800010
Механизм регулирования высоты 6430-6804100-010
Подставка сиденья с пневмооборудованием 6430-6807006-010
Установка обтекателя и закрылков
Установка зеркал 6430-8200005
Установка спальных мест, шкафов и шторы 6430-8200010-020
Установка оперения
Оперение
Установка поручней в кабине 6430-8200030
Установка полки, штор, козырька 6430-8200034
Штора противосолнечная 6430-8204110
Полка 6430-8216008
Установка облицовки и боковых щитков 6430-8400018
Установка крыльев 6430-8500048-050, 6430-8500048-055
Установка крыльев 6430-8500048-060, 6430-8500048-065
Установка крыльев 5440-8500048-060 (-065),544008-8500048-050 (-055)
Установка крыльев 544004-8500048-050 (-055),544004-8500048-060 (-065)
Установка отопителя 6430-8100001
Блок радиатора 6430-8101010-010
Установка фильтра 6430-8100022
Кран управления отопителем
Пульт управления 5440-8109011
Блок вентилятора 6430-8118010
Установка независимого воздушного отопителя 6430-8100002-011, 6430-8100002-021
Установка независимого воздушного отопителя 6430-8100002-010
Установка шлангов отопителя 643008-810006, 643008-8100006-010
Установка нижней подножки 544008-8400016
Установка нижней подножки 544008-8400016-010
Установка брызговиков передних колес 6430-8400030-030
Установка экранов 544008-8400026
Крепление двигателя
Крепление двигателя
Крепление двигателя
Крепление двигателя 6430A8-1001002-040, (-740)
Система заливки и контроля уровня масла 64301-1018002
Установка подогревателя 64301-1015001-010
Установка топливного бачка и топливопроводов подогревателя 6430-1015004
Установка шумоизоляционных экранов 5440A8-1061003
Установка шумоизоляционных экранов 544008-1061004
Крепление топливного бака 6430-1101002
Крепление топливопроводов
Установка педали управления двигателем 437143-1108002
Крепление воздушного фильтра 5440A8-1109002
Установка системы выпуска 5440A8-1200001
Установка системы охлаждения 5440A8-1300005, (-010)
Установка системы охлаждения 6401A5-1300005, (-010), (-710)
Радиатор с кожухом 5440A8-1301009
Радиатор с кожухом 6501A5-1301009, (-700)
Установка системы охлаждения воздуха 5440A8-1300040
Установка системы охлаждения воздуха 6501A5-1300040
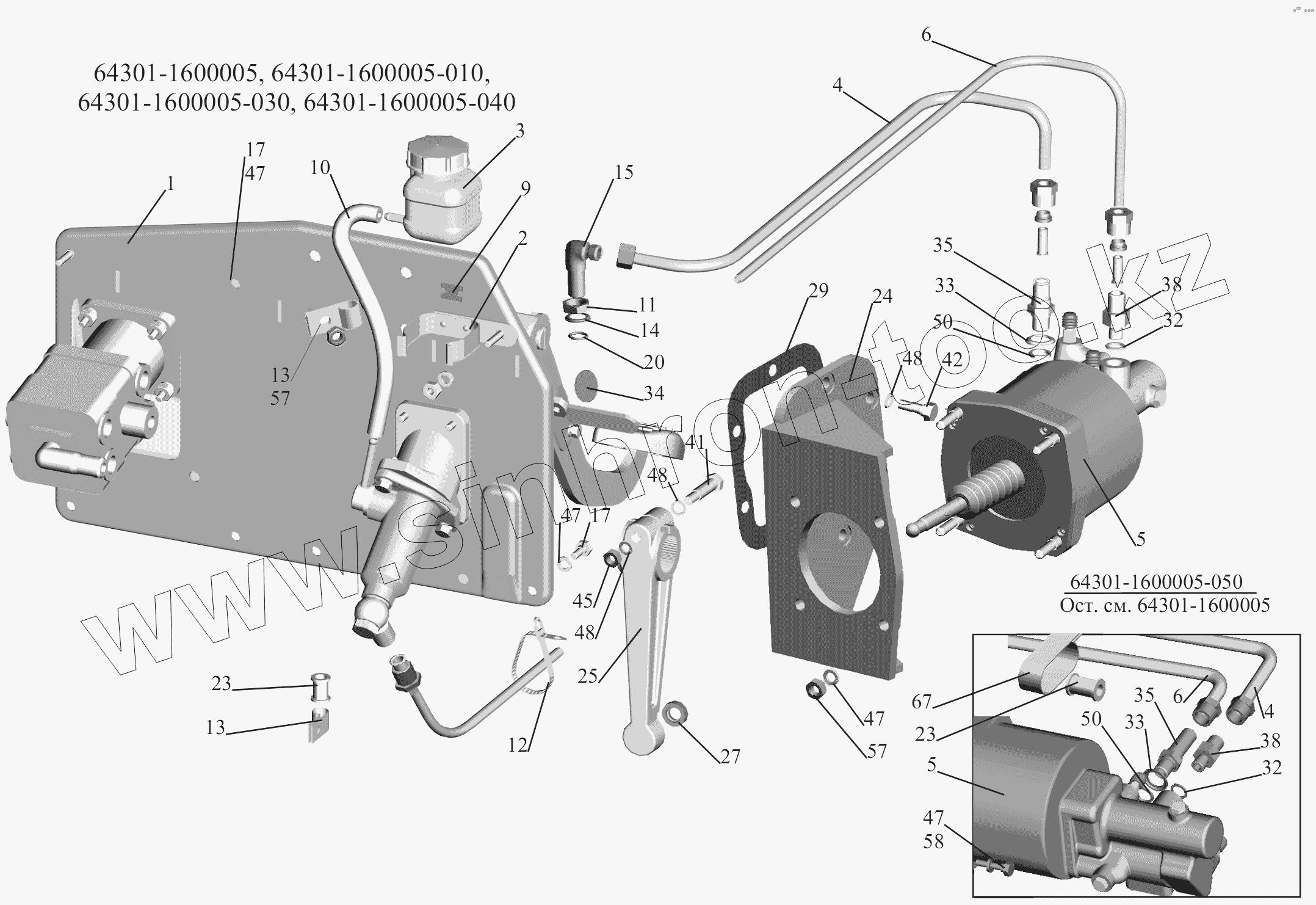
Установка механизма управления сцеплением
Установка механизма управления сцеплением
Установка механизма управления сцеплением
Блок управления сцеплением
Блок управления сцеплением и тормозами 6430A5-1602004
Цилиндр подпедальный 6430-1602510
Установка привода управления коробкой передач
Установка привода управления коробкой передач 64301-1700002-040
Установка привода управления коробкой передач 544008-1700002
Механизм промежуточный 544008-1703325
Механизм промежуточный 533742-1703325
Рычаг
Хвостовик
Тяга 64302-1703490
Тяга
Переключатель
Установка карданных валов
Установка карданного вала
Мост задний
Мост задний. Установка редуктора и элементов подвески
Мост задний. Картер моста
Колесный редуктор
Редуктор заднего моста
Редуктор заднего моста. Дифференциал
Шестерни ведущая и ведомая (комплект для запчастей)
Шестерня ведущая 5440-2402021-002
Ступица заднего моста
Мост средний
Мост средний. Установка редуктора и вала заднего
Мост средний. Картер моста
Редуктор среднего моста 6430-2502010-020
Редуктор среднего моста. Дифференциал с картером редуктора
Редуктор среднего моста. Шестерня ведущая
Редуктор среднего моста. Дифференциал межосевой
Редуктор среднего моста. Межколесная блокировка дифференциала
Мост средний. Вал задний
Установка привода управления блокировкой 6430-2500024
Установка привода управления блокировкой 5440-2500024
Седельно-сцепное устройство
Установка бампера 54421-2803006-011
Установка бампера 54421-2803006-012
Рамы 6430-2801002-001
Рамы 6430-2801002-021
Рамы 5440-2801002-031
Рамы 544008-2801002-001, 544008-2801002-011
Установка площадки шасси и подножки 6430-2800026
Установка переднего противоподкатного бруса 6430-2800030
Установка подвески передней
Установка подвески задней 5440-2900002, (-002)
Установка подвески задней 5440-2900002-010, (-011)
Установка подвески задней 6430-2900002, (-010)
Установка пневмоподвески задней 6430-2900002-020 (правая сторона)
Установка пневмоподвески задней 5440-2900002-030 (-031)
Установка трубопроводов ECAS 6430-2900018-010
Установка трубопроводов ECAS 5440-2900018-010
Передняя ось 6430-3000015-001 (лист 1)
Передняя ось 6430-3000015-001 (лист 2)
Тяга поперечная рулевая 64221-3003052
Ступица переднего колеса 6430-3103006-010
Тяга продольная 5440-3003010
Установка запасного колеса 6430-3100001, (-700), (-701), (-702)
Установка запасного колеса 643068-3100001, (-720), (-721), (-722)
Установка запасного колеса 5440-3100001-010, (-710), (-711), (-712), (-760), (-761), (-762)
Установка запасного колеса 544008-3100001-010, (-710), (-711), (-712), (-740), (-760)
Установка задних колес
Установка передних колес
Колесо и шина
Установка шумопоглощающего колпака 5440-3104005
Установка рулевого управления 64301-3400001-010 (-710),643008-3400001 (-700)
Механизм рулевой 64221-3400010-10
Насос 543240-3407010, 643008-3407010
Насос 630300-3407010 (-700)
Кронштейн с колонкой 5440-3403008
Силовой цилиндр гидроусилителя рулевого управления 64221-3405004
Распределитель 5336-3416010-01
Тормозной механизм передних колес 152-3501004 (152-3501005)
Тормозной механизм задних колес
Привод тормозного механизма задних колес
Рычаг регулировочный
Установка пневмокомпрессора 642208-3500014 (-700)
Установка ресиверов
Установка ресиверов 544020-3513005
Крепление ресиверов 643020-3513005
Крепление ресиверов 643020-3513005-010
Установка ресиверов 643020-3513004
Установка ресивера 544020-3513004
Установка ресивера 643026-3513006
Установка ресивера 54401-3513007
Ресивер регенерации
Тормозной кран и присоединительная арматура
Крепление четырехконтурного клапана 6430-3515002
Крепление четырехконтурного клапана 544008-3515002
Крепление четырехконтурного клапана 6430-3515002
Установка ускорительного клапана 54401-3518004
Установка ускорительного клапана 544003-3518004, 543240-3518004
Установка ускорительного клапана 643008-3518004
Установка тормозных камер 6422-3519001-10
Установка задних тормозных камер 5440-3519002-10
Установка задних тормозных камер 6430-3519002-10
Установка задних тормозных камер 6430-3519002-10
Крепление тормозных камер 64302-3519003
Пневмовыводы на полуприцеп 544008-3521004
Установка клапана управления тормозами прицепа 54401-3522005
Регулятор тормозных сил 54401-3533002-010
Установка регулятора тормозных сил 544020-3533002
Установка регулятора тормозных сил 643020-3533002
Установка регулятора тормозных сил 6430-3533002-10
Установка осушителя воздуха 643020-3536004
Управление стояночным и моторным тормозом 5440А8-3537006, 5440А8-3537006-010
Установка передних модуляторов и присоединительной арматуры
Установка задних модуляторов и присоединительной арматуры
Крепление модуляторов 5440А8-3538004
Установка задних модуляторов 6430A8-3538004
Установка задних модуляторов и присоединительной арматуры (левый лонжерон)
Установка задних модуляторов и присоединительной арматуры (правый лонжерон)
Установка датчиков
Установка тормозного клапана ПБС и присоединительной арматуры
Установка тормозного клапана ПБС и присоединительной арматуры
Установка противотуманной фары
Установка и пломбировка спидометра 544008-3800004
Установка и пломбировка тахографа 5440-3800005-030
Установка штепсельных розеток 6430-3700015
Установка выключателей 643008-3700018, 544008-3700018
Установка аккумуляторных батарей 64302-37000084
Установка аккумуляторных батарей 631208-3700008
Установка задних фонарей 544008-3700009, (-700),643008-3700009
Установка задних фонарей 5440-3700009, (-700)
Расположение разъемов и элементов электрооборудования на шасси 6430A8
Расположение разъемов и элементов электрооборудования на шасси 5440A8
Установка электрооборудования на шасси 6430-3700010-010, (-710)
Установка электрооборудования на кабине 5440A8-3700076, 5440A8-3700076-700
Установка звуковых сигналов 544008-3700024
Установка звуковых сигналов 6430-3700096, (-700)
Расположение разъемов и элементов электрооборудования на двигателе ЯМЗ-6581.10 , ЯМЗ-65817.10
Расположение электрооборудования на двигателе 544008-3700098, (-700)
Установка фонарей автопоезда 6430-3700099
Установка фар 544008-3700006
Установка корректора света фар 5440-3700129
Установка кабелей обогрева зеркал 6430-3700108, (-700)
Установка преобразователя напряжения 6430-3700109, (-700)
Расположение разъемов и элементов электрооборудования на КПП ЯМЗ-239, КПП Eaton 12JS200ТA
Установка электрооборудования по коробке передач 643008-3700148, (-700)
Установка электрооборудования по коробке передач 544008-3700148, (-700)
Расположение разъемов и элементов электрооборудования на КПП МЗКТ 65151
Установка электрооборудования по коробке передач 544008-3700148-020, (-720)
Установка плафонов освещения
Установка щитка приборов и коммутационной аппаратуры 643069-3800001 (-700)
Установка щитка приборов и коммутационной аппаратуры 6430А8-3800001, (-700)
Электрооборудование. Перечень элементов
Установка электрооборудования подогревателя 643020-3700085
Установка электрооборудования подогревателя 544008-3700085
Установка блока управления подогревателем 544020-3700087
Установка независимого отопителя 6430-3700088
Установка элементов электрооборудования электронных систем на автомобиле МАЗ-6430A8
Установка элементов электрооборудования электронных систем на автомобиле МАЗ-5440A8
Расположение элементов электронных систем в кабине автомобилей семейства МАЗ - 5440A8/6430A8
Выключатели ABS, ASR и ECAS
Установка пульта пневмоподвески
Панель реле и предохранителей автомобиля МАЗ-5440A8/6430A8
1
1
2
3
3
4
4
4
5
5
5
5
6
6
9
10
11
12
13
13
14
15
17
17
20
23
23
24
24
25
25
27
29
32
32
33
33
34
35
35
38
38
41
42
45
47
47
47
47
48
48
48
50
50
57
57
58
67
Позиция на иллюстрации
Заводской номер детали
Название детали
1
6430A5-1602004
Блок управления сцеплением
1
64301-1602004
Блок управления сцеплением
2
64226-1602198
Кронштейн
3
64221-1602560
Бачок
3
2101-1602560-00
Бачок
4
64229-1602940-030
Трубка
4
64229-1602940-040
Трубка
5
64221-1609200
Усилитель пневмогидравлический
5
8041.16.09.200
Усилитель сцепления
5
8050.16.09.200
Усилитель сцепления
6
54323-3506146-10
Трубка
9
64226-1602400
Пластина
10
6430-1602908
Шланг L = 300(+5) мм, рукав 6-14-168
11
374614
Гайка М12х1,5-5Н6Н
12
6430-3724624
Хомут
13
379173
Кляммер
14
375818
Шайба 12
15
402952
Угольник
17
201454
Болт М8-6gх16
20
010-014-25-2-3
Кольцо
23
500-1104542
Втулка
24
64229-1602715
Кронштейн
24
64229-1602715-20
Кронштейн
25
64229-1602832-030
Рычаг
25
543224-1602832
Рычаг
27
6430-1609517
Уплотнитель
29
205-4202018
Прокладка
30
374243
Гайка М10х1-6Н
32
375539
Шайба 14
33
375960
Шайба 16
34
378946
Заглушка М30х1,5
35
379002
Ниппель проходной
38
404249
Штуцер
41
200320
Болт М10-6gх55
42
201497
Болт М10-6gх25
45
250512
Гайка М10-6Н
47
252135
Шайба 8Т
48
252156
Шайба 10Л
50
014-018-25-2-3
Кольцо
57
250510
Гайка М8-6Н
58
201460
Болт М8-6gх30
67
379191
Кляммер
Содержащиеся в справочниках-каталогах запасные части и детали не предлагаются к продаже, а носят исключительно информационный характер
Дополнительная информация
×
Название:
Номер:
Примечание: