Вернуться на главную
Поиск
Каталоги запчастей к технике
Грузовые автомобили и прицепы
МАЗ
МАЗ-64255
Система выхлопа. Установка глушителя 5434
Каталог запасных частей к технике: МАЗ-64255. Система выхлопа. Установка глушителя 5434
zoom-in
zoom-out
enlarge
shrink
circle-right
circle-left
file-text2
info
cart
Тип техники
Не выбрано
Легковые автомобили
Грузовые автомобили и прицепы
Автобусы
Сельхозтехника
Спецтехника
Двигатели
Мототехника
Марка
Не выбрано
BAW
DAF
DongFeng
FAW
Foton
HOWO
Hyundai
IVECO
JAC Motors
LGMG
MAN
Shaanxi
SITRAK
Studebaker
Tata
Volvo
Автокомпонент Плюс
БелАЗ
Брянский Арсенал
ГАЗ
ЗИЛ
КАЗ
Камский автозавод
КрАЗ
Мадара
МАЗ
МЗКТ
МоАЗ
Нефтекамский автозавод
Ставропольский Завод АвтоПрицепов
ТАТРА
Тонар
УралАЗ
ЧМЗАП
Модель
Не выбрано
KNORR-BREMSE применяемых на технике МАЗ
КПП МАЗ-543205-070
МАЗ-3PP59 (1999)
МАЗ-437030 (Зубренок) (2004)
МАЗ-437040 (Зубренок) (2002)
МАЗ-437040 (Зубренок) (2005)
МАЗ-437041 (Зубренок) (2010)
МАЗ-437043 (Зубренок) (2011)
МАЗ-437130 (Зубренок) (2008)
МАЗ-4371P2-0000421-000 (2013)
МАЗ-500А
МАЗ-503А
МАЗ-504А
МАЗ-504В (2005)
МАЗ-530905 (2009)
МАЗ-5335 (2004)
МАЗ-5336 (2005)
МАЗ-53363
МАЗ-53366
МАЗ-5337
МАЗ-5337 (2005) (2005)
МАЗ-53371
МАЗ-533731 (2009)
МАЗ-533731 (2012)
МАЗ-5429 (2003)
МАЗ-543 (7310) (2008)
МАЗ-5432 (2003)
МАЗ-543202 (2003)
МАЗ-54321
МАЗ-54323
МАЗ-54326 (2000)
МАЗ-54328
МАЗ-5433
МАЗ-5434
МАЗ-543403, 641705, 641708 (2010)
МАЗ-5440 (2002)
МАЗ-544018 (2011)
МАЗ-544069
МАЗ-5440B5 (2013)
МАЗ-5440B9, 6430B9 (2013)
МАЗ-5440E9 (2011)
МАЗ-5516
МАЗ-5516 (2003) (2003)
МАЗ-551605 (2007)
МАЗ-551608, 630308 (2007)
МАЗ-551669 (2008)
МАЗ-5516А5 (2007)
МАЗ-5549 (2003)
МАЗ-5550V3 (V5) (2011)
МАЗ-5551
МАЗ-5551 (2003) (2003)
МАЗ-555102, 5551А2 (2007)
МАЗ-555142 (2007)
МАЗ-6303 (2000)
МАЗ-6303 (2005) (2005)
МАЗ-630333 (2012)
МАЗ-6303A3, 6303A5 (2007)
МАЗ-631019 (2014)
МАЗ-631236 (2007)
МАЗ-6312B9-0008425-012 (2015)
МАЗ-6317
МАЗ-631705 (2010)
МАЗ-631705, 631708 (2010)
МАЗ-6422 (2003)
МАЗ-6422, 5432 (2007)
МАЗ-64221
МАЗ-64226 (2000)
МАЗ-64229
МАЗ-642505, 642508 (2006)
МАЗ-64255
МАЗ-643018 (2015)
МАЗ-643068 (2003)
МАЗ-6430A8 (5440A8, 5440A5) (2008)
МАЗ-650108 (2008)
МАЗ-650119 (2010)
МАЗ-6501B9 (2014)
МАЗ-6501B9 (2015)
МАЗ-651669-320 (340) (2009)
МАЗ-6516V8-520 (6516V8-540) (2011)
МАЗ-651705 (2009)
МАЗ-6517X9-0000410 (2014)
МАЗ-74131 (1996)
МАЗ-83781
МАЗ-9008
МАЗ-93802
МАЗ-93866
МАЗ-938662
МАЗ-93892
МАЗ-9506
МАЗ-9758
МАЗ-9758-30
Общий (см. мод-ции)
Справочник
Схема
>
Не выбрано
Установка кабины
Запорный механизм кабины
Механизм подъема кабины
Установка стекол, зеркал и противосолнечных козырьков
Панель приборов
Дверь кабины
Механизм подъема стекла
Крепление наружной ручки, ограничителя и петель двери
Остов сиденья водителя и переднего сиденья
Подставка сиденья и регулировочные механизмы
Установка переднего сиденья и поручней
Отопитель
Установка шлангов и крана управления отопителем
Кран управления отопителем
Установка воздушных заслонок и отопителя кабины
Установка спальных мест, штор и холодильника
Установка вещевой полки и шторки
Установка поручней в кабине
Крепление силового агрегата МАЗ-5434
Крепление силового агрегата МАЗ-64255
Масляные радиаторы и их крепление
Масляные радиаторы и их крепление
Предпусковой подогреватель и его установка. Топливопроводы подогревателя
Заливка и контроль уровня масла
Топливный бак и его крепление
Установка топливопроводов
Топливопроводы подогревателя
Привод подачи топлива
Установка воздушного фильтра и воздухозаборника МАЗ-5434
Крепление воздушного фильтра МАЗ-64255
Система выхлопа. Установка глушителя МАЗ-64255
Система выхлопа. Установка глушителя 5434
Установка радиатора и расширительного бачка
Шторка радиатора и его привод
Механизм выключения сцепления
Клапан усилителя выключения сцепления
Педаль сцепления и тормоза с тягами
Механизм выключения сцепления и тормозного крана
Механизм переключения передач МАЗ-5434
Рычаг коробки передач
Механизм промежуточный привода коробки передач
Подвеска раздаточной коробки
Коробка раздаточная
Коробка раздаточная. Вал привода переднего моста
Коробка раздаточная. Вал привода заднего моста
Коробка раздаточная. Вал промежуточный
Коробка раздаточная. Вал первичный
Коробка раздаточная. Механизм включения нейтрали
Коробка раздаточная. Дифференциал
Валы карданные МАЗ-5434
Вал карданный промежуточный МАЗ-5434
Установка карданных валов МАЗ-64255
Мост передний с дисками
Картер переднего моста
Мост передний
Мост задний с дисками
Картер заднего и среднего мостов с полуосями и цапфами
Картер заднего моста с полуосями и цапфами
Картер редуктора заднего моста
Шестерня ведущая заднего моста
Дифференциал заднего моста
Детали колесной передачи
Мост средний с дисками
Механизм блокировки межосевого дифференциала МАЗ-64255
Мост средний. Редуктор с картером моста
Редуктор среднего моста. Промежуточный картер
Редуктор среднего моста
Редуктор среднего моста. Межмостовой дифференциал с картером шестерен
Мост средний. Вал задний
Рама МАЗ-5434
Рама МАЗ-64255
Крепление бампера
Установка передней подвески МАЗ-5434
Рессора задняя
Установка задней подвески
Тяга продольная рулевая
Тяга поперечная рулевая
Ступица и тормозной барабан заднего колеса
Крепление передних колес
Крепление задних колес
Установка запасного колеса 5434, 64255.
Установка рулевого управления
Рулевое управление. Установка трубопроводов
Механизм рулевой с распределителем гидроусилителя рулевого управления
Механизм рулевой
Распределитель гидроусилителя рулевого управления
Колонка рулевая с колесом рулевого управления
Механизм регулировочный рулевой колонки
Силовой цилиндр гидроусилителя рулевого управления
Рулевое управление. Насос
Рулевое управление. Бак масляный
Крепление кожухов на рулевой колонке
Рычаг регулировочный
Тормоз заднего колеса
Привод тормозов заднего моста
Привод тормозов среднего моста
Схема тормозного привода автомобиля МАЗ-5434
Установка регулятора давления, влагоотделителя и предохранителя против замерзания
Установка тормозного крана, клапана управления и четырехконтурного клапана
Установка ускорительного клапана
Присоединительная арматура к ресиверам МАЗ-5434
Установка ресиверов
Крепление передних тормозных камер и трубопроводов
Схема тормозного привода автомобиля МАЗ-64255
Установка тормозных камер на заднем мосту
Установка тормозных колец на среднем мосту
Присоединительная арматура к ресиверам
Крепление крана тормозного, крана управления и четырехконтурного клапана
Установка ускорительных клапанов
Крепление ресиверов и осушителя воздуха
Компрессор
Кран тормозной
Клапан контрольного вывода
Камера тормозная передняя
Камера тормозная задняя
Соединительная головка
Кран тормозной с ручным управлением
Клапан двухмагистральный
Электрооборудование
Установка переключателей на рулевой колонке
Установка фар
Установка подфарников, габаритных огней, плафонов освещения кабины и спальных мест, боковых повторителей, стеклоочистителей
Установка задних фонарей
Установка электрических сигналов
Установка фонарей знака автопоезда
Установка аккумуляторных батарей
Крепление аккумуляторного ящика
Установка аккумуляторных батарей
Установка электрооборудования ПЖД
Колодки, контакты, наконечники
Резинотехнические изделия электрооборудования
Щиток приборов
Датчик спидометра и его установка
Установка лесовозного оборудования. Рамка. Коник. Брызговики
Ограждение
Замок ограждения
Коробка отбора мощности
Редуктор лебедки
Установка привода лебедки
1
2
3
3
4
5
6
6
6
6
6
7
7
7
8
9
10
11
12
13
14
15
16
17
18
18
19
20
21
22
23
24
25
26
27
28
28
29
30
31
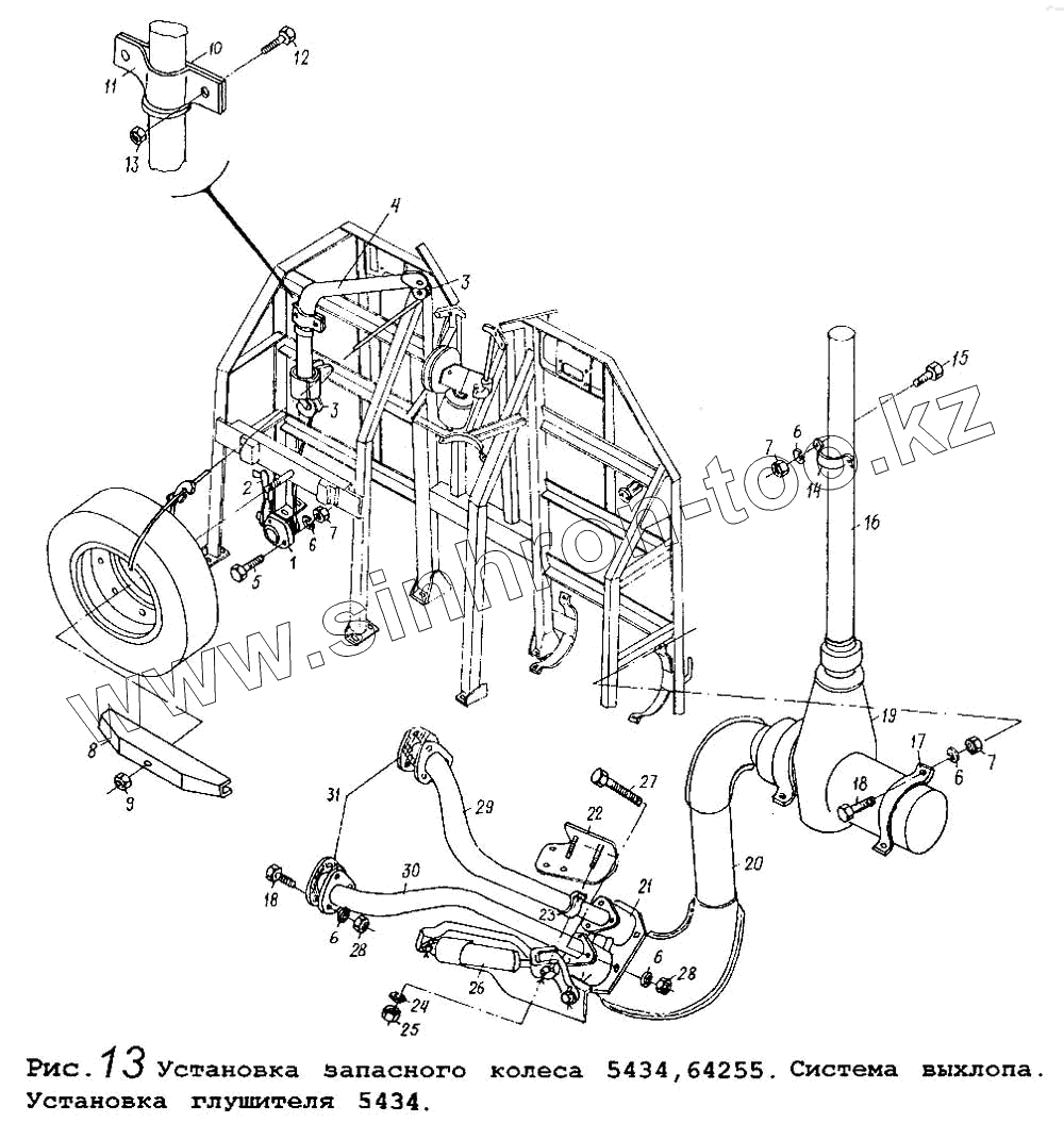
Позиция на иллюстрации
Заводской номер детали
Название детали
1
6422-3108210
Подъемник запасного колеса
2
6422-3108270
Рукоятка в сборе
3
6422-3105252
Ролик
4
5434-3108240-10
Траверса
5
201497
Болт М10-6gх25
6
252136
Шайба 10.ОТ
7
250512
Гайка М10-6Н
8
5434-3105180-01
Прижим
9
5335-3101040
Гайка крепления колеса
10
5434-3108294
Вкладыш верхний
11
5434-3108291
Крышка вкладыша
12
201454
Болт М8-6gх16
13
459563 1253
Гайка М8-6Н
14
5434-1203563
Хомут
15
201499
Болт М10-6gх30
16
5434-1203075-20
Труба выхлопная
17
5337-1203030-01
Хомут
18
200315
Болт М10-6gх40
19
5434-1201010
Глушитель
20
5434-1203022
Тройник
21
5434-3570010-03
Заслонка
22
5337-1203092
Кронштейн
23
5337-1203164
Хомут
24
252135
Шайба 8Т
25
250510
Гайка М8-6Н
26
100-3770210
Цилиндр
27
200332
Болт М10-6gх115
28
250536
Гайка М10-6Н
29
5337-1203010
Труба глушителя приемная, правая
30
5337-1203011
Труба приемная левая
31
500-1203002
Прокладка
Содержащиеся в справочниках-каталогах запасные части и детали не предлагаются к продаже, а носят исключительно информационный характер
Дополнительная информация
×
Название:
Номер:
Примечание: