Вернуться на главную
Поиск
Каталоги запчастей к технике
Грузовые автомобили и прицепы
МАЗ
МАЗ-6422, 5432
Установка и пломбировка спидометра
Каталог запасных частей к технике: МАЗ-6422, 5432. Установка и пломбировка спидометра
zoom-in
zoom-out
enlarge
shrink
circle-right
circle-left
file-text2
info
cart
Тип техники
Не выбрано
Легковые автомобили
Грузовые автомобили и прицепы
Автобусы
Сельхозтехника
Спецтехника
Двигатели
Мототехника
Марка
Не выбрано
BAW
DAF
DongFeng
FAW
Foton
HOWO
Hyundai
IVECO
JAC Motors
LGMG
MAN
Shaanxi
SITRAK
Studebaker
Tata
Volvo
Автокомпонент Плюс
БелАЗ
Брянский Арсенал
ГАЗ
ЗИЛ
КАЗ
Камский автозавод
КрАЗ
Мадара
МАЗ
МЗКТ
МоАЗ
Нефтекамский автозавод
Ставропольский Завод АвтоПрицепов
ТАТРА
Тонар
УралАЗ
ЧМЗАП
Модель
Не выбрано
KNORR-BREMSE применяемых на технике МАЗ
КПП МАЗ-543205-070
МАЗ-3PP59 (1999)
МАЗ-437030 (Зубренок) (2004)
МАЗ-437040 (Зубренок) (2002)
МАЗ-437040 (Зубренок) (2005)
МАЗ-437041 (Зубренок) (2010)
МАЗ-437043 (Зубренок) (2011)
МАЗ-437130 (Зубренок) (2008)
МАЗ-4371P2-0000421-000 (2013)
МАЗ-500А
МАЗ-503А
МАЗ-504А
МАЗ-504В (2005)
МАЗ-530905 (2009)
МАЗ-5335 (2004)
МАЗ-5336 (2005)
МАЗ-53363
МАЗ-53366
МАЗ-5337
МАЗ-5337 (2005) (2005)
МАЗ-53371
МАЗ-533731 (2009)
МАЗ-533731 (2012)
МАЗ-5429 (2003)
МАЗ-543 (7310) (2008)
МАЗ-5432 (2003)
МАЗ-543202 (2003)
МАЗ-54321
МАЗ-54323
МАЗ-54326 (2000)
МАЗ-54328
МАЗ-5433
МАЗ-5434
МАЗ-543403, 641705, 641708 (2010)
МАЗ-5440 (2002)
МАЗ-544018 (2011)
МАЗ-544069
МАЗ-5440B5 (2013)
МАЗ-5440B9, 6430B9 (2013)
МАЗ-5440E9 (2011)
МАЗ-5516
МАЗ-5516 (2003) (2003)
МАЗ-551605 (2007)
МАЗ-551608, 630308 (2007)
МАЗ-551669 (2008)
МАЗ-5516А5 (2007)
МАЗ-5549 (2003)
МАЗ-5550V3 (V5) (2011)
МАЗ-5551
МАЗ-5551 (2003) (2003)
МАЗ-555102, 5551А2 (2007)
МАЗ-555142 (2007)
МАЗ-6303 (2000)
МАЗ-6303 (2005) (2005)
МАЗ-630333 (2012)
МАЗ-6303A3, 6303A5 (2007)
МАЗ-631019 (2014)
МАЗ-631236 (2007)
МАЗ-6312B9-0008425-012 (2015)
МАЗ-6317
МАЗ-631705 (2010)
МАЗ-631705, 631708 (2010)
МАЗ-6422 (2003)
МАЗ-6422, 5432 (2007)
МАЗ-64221
МАЗ-64226 (2000)
МАЗ-64229
МАЗ-642505, 642508 (2006)
МАЗ-64255
МАЗ-643018 (2015)
МАЗ-643068 (2003)
МАЗ-6430A8 (5440A8, 5440A5) (2008)
МАЗ-650108 (2008)
МАЗ-650119 (2010)
МАЗ-6501B9 (2014)
МАЗ-6501B9 (2015)
МАЗ-651669-320 (340) (2009)
МАЗ-6516V8-520 (6516V8-540) (2011)
МАЗ-651705 (2009)
МАЗ-6517X9-0000410 (2014)
МАЗ-74131 (1996)
МАЗ-83781
МАЗ-9008
МАЗ-93802
МАЗ-93866
МАЗ-938662
МАЗ-93892
МАЗ-9506
МАЗ-9758
МАЗ-9758-30
Общий (см. мод-ции)
Справочник
Схема
>
Не выбрано
Установка противооткатного упора 54321-3900037
Установка противооткатных упоров 642208-3900037
Установка большой кабины
Переднее подрессоривание большой кабины 64226-5001700
Заднее подрессоривание большой кабины 64221-5001800
Установка омывателя 64221-5200008-01
Панель приборов
Установка вентиляционного люка 64221-5700010
Установка ограничителя и петель двери 64221-6100006-10
Установка наружной ручки и замка двери (входит в 64221-6100010-10, 64221-6100011-10)
Установка стеклоподъемника и ручки стеклоподъемника
Установка стекол и зеркал на большую кабину
Установка и пневмопитание сидений 64221-6800006-10
Установка и пневмопитание сидений 5433-6800006
Установка и пневмопитание сидений 5551-6800006-040
Сиденье 6430-6800010
Подушка и спинка сиденья 6430-6800012, 6430-6810012
Механизм регулирования высоты 6430-6804100-010
Подставка сиденья с пневмооборудованием 6430-6807006-010
Установка спальных мест 64221-8200010 (на большую кабину)
Установка верхнего спального места 64221-8200011
Установка поручней в кабине 64221-8200030-10
Установка облицовки и боковых щитков
Установка оперения на большую кабину 64221-8400020
Механизм подъема кабины 64221-5000040-30, 6303-5000040
Гидроцилиндр 64221-5003010
Установка шлангов и крана управления отопителем 630308-8100006-010
Установка шлангов и крана управления отопителем
Установка шлангов и крана управления отопителем
Установка воздушных заслонок и отопителя кабины 64221-8100001
Отопитель 64221-8101010
Кран управления отопителем
Установка зеркала обзора платформы 5516-8200004-01
Установка экранов 642208-8400030-070
Установка экранов 630308-8400030-070
Установка крыльев 54321-8500048-050, 54321-8500048-060
Установка крыльев 642205-8500048-050, 642205-8500048-060
Крепление двигателя 5337А3-1001002, -600, -700
Крепление двигателя 6422A5-1001002, -010, -600, -610, -700, -710, 6422A8-1001002-010, 020, -610, -620, -710, -720
Крепление двигателя 5432A5-1001002, -600, -700
Крепление двигателя 5432A5-1001002-010, -610, -710,6422A8-1001002, -600, -700
Установка системы заливки и контроля уровня масла 642208-1018002, 630300-1018002
Крепление подогревателя 5336A5-1015001, 5336A5-1015001-010
Установка подогревателя 630300-1015001, 533602-1015001
Установка топливопроводов подогревателя 64229-1015004-01,64226-1015004-01
Установка шумоизоляционных экранов 533602-1061003
Установка шумоизоляционных экранов 642205-1061003
Установка шумоизоляционных экранов 642208-1061003
Установка шумоизоляционных экранов 543208-1061004
Установка шумоизоляционных экранов 642208-1061004
Установка шумоизоляционных экранов 642208-1061004-001
Установка педали управления двигателем 437043-1108002
Установка педали управления двигателем 642268-1108002
Крепление топливного бака 6422-1101002-010
Крепление топливного бака 64221-1101002(500 литров)
Установка топливопроводов 5336A2-1104002, 5336A2-1104002-700
Установка топливопроводов (без подогревателя)
Установка топливопроводов (без подогревателя)
Установка топливопроводов 6422A8-1104002, 6422A8-1104002-020 (с Вебасто)
Установка топливопроводов 6422A8-1104002-700, 6422A8-1104002-720 (без Вебасто)
Крепление воздушного фильтра 5432А5-1109002, 5336А2-1109002,6422A8-1109002
Установка системы выпуска отработавших газов
Установка системы охлаждения
Радиатор с кожухом
Установка системы охлаждения
Радиатор с кожухом 6303A8-1301009
Установка системы охлаждения воздуха 5551А2-1300040
Установка системы охлаждения воздуха 5432А5-1300040
Система охлаждения наддувочного воздуха 6303A8-1300040
Механизм управления сцеплением
Механизм управления сцеплением 64229-1600005-050
Основание педали 64226-1602004, 64221-1602004-10
Цилиндр подпедальный 6430-1602510
Установка привода управления коробкой передач 543208-1700002
Установка привода управления коробкой передач 642205-1700002, 642208-1700002
Механизм переключения передач 5336-1702200-10
Механизм промежуточный 551639-1703325-001
Рычаг 4370-1703410
Рычаг 64221-1703410-01
Переключатель 6430-1703800
Тяга
Хвостовик 543208-1703448
Хвостовик
Установка карданной передачи
Установка карданного вала
Установка карданного вала
Установка карданных валов
Установка карданных валов
Мост задний
Мост задний. Установка редуктора и кронштейна крепления тормозных камер
Мост задний. Картер моста 54321-2401010-030
Редуктор заднего моста
Редуктор заднего моста. Дифференциал.
Шестерни ведущая и ведомая (комплект для запчастей)
Редуктор заднего моста. Шестерня ведущая
Ступица заднего моста
Колесный редуктор заднего моста
Мост задний
Мост задний. Установка редуктора и элементов подвески
Мост задний. Установка редуктора и элементов подвески
Мост задний. Картер моста 64221-2401010-030
Редуктор заднего моста
Редуктор заднего моста
Редуктор заднего моста. Дифференциал
Шестерни ведущая и ведомая (комплект для запчастей)
Редуктор заднего моста. Шестерня ведущая
Ступица заднего моста
Колесный редуктор заднего моста
Привод тормозного механизма заднего моста
Мост средний
Мост средний. Установка редуктора и вала заднего
Мост средний. Картер моста
Редуктор среднего моста
Редуктор среднего моста. Дифференциал с картером редуктора
Редуктор среднего моста. Шестерня ведущая
Редуктор среднего моста. Дифференциал межосевой
Редуктор среднего моста. Межколесная блокировка дифференциала
Мост средний. Вал задний
Колесный редуктор среднего моста
Привод тормозного механизма среднего моста
Тормозной механизм колес заднего и среднего мостов (для барабана диаметром 410 мм, с шириной накладок 220 мм)
Установка привода управления блокировкой 54321-2400024-01
Установка привода управления блокировкой 54323-2400024-10
Установка привода управления блокировкой 64221-2500024-01
Рамы 642205-2801002-004, 642205-2801002-012, 642208-2801002-007, 642208-2801002-014
Рамы 543202-2801002-002, 543205-2801002-004, 543208-2801002-007
Крепление бампера
Установка площадки шасси и подножки 54323-2800026
Установка подножки 64229-2800026
Установка площадки шасси 54323-2800020
Подвеска передняя
Подвеска задняя 54321-2900002-10
Подвеска балансирная 642205-2900002
Подвеска балансирная 642205-2900002
Передняя ось 543265-3000015
Передняя ось 6430-3000015-010
Балка c кулаками 6430-3001037
Ступица переднего колеса 54326-3103006, 6430-3103006-010
Тяга поперечная рулевая 64221-3003052, 64221-3003052-10
Установка продольной тяги 64221-3000020
Тяга продольная 64221-3003010
Установка запасного колеса
Установка запасного колеса 54321-3100001-030
Установка задних колес 54321-3100002-020, 720
Установка задних колес 5516-3100002-730, 5516-3100002-030
Установка передних колес 54321-3100005, 543217-3100005
Установка передних колес 551607-3100005-10, 5516-3100005-10
Колесо, камера и покрышка 54321-3101011, 543217-3101011, 5516-3101011 (-10), 551607-3101011 (-10)
Установка рулевой колонки и рулевого механизма 630300-3400001 (-700), 630300-3400001-010 (-710)
Установка рулевого управления 630300-3400001 (-700), 630300-3400001-010 (-710)
Насос 630300-3407010 (-700)
Силовой цилиндр гидроусилителя рулевого управления
Механизм рулевой 64221-3400008-02
Механизм рулевой 64229-3400008
Кронштейн с колонкой 64221-3403008
Распределитель 5336-3416010-01
Бак масляный 64221-3410008
Вал нижний 5336-344450-11
Тормозной механизм передних колес ( для барабана диаметром 420мм, с шириной накладок 160мм)
Тормозной механизм передних колес 152-3501004 (152-3501005)
Рычаг регулировочный
Установка пневмокомпрессора 642208-3500014 (-700)
Установка ресивера 54327-2926004
Установка ресиверов 64221-3513004
Установка ресиверов 54327-3513004
Установка ресивера 64221-3513005 (лонжерон левый)
Установка ресивера 631708-3513005
Установка ресивера 6422-3513006-30
Установка ресивера 642208-3513007
Ресивер регенерации
Тормозной кран 64221-3514108-010
Педаль привода тормозного крана
Крепление тормозного крана 64221-3514004-20
Крепление тормозного крана 64221-3514004-20
Крепление четырехконтурного клапана 5516-3515004
Крепление четырехконтурного клапана 5516-3515004
Установка ускорительного клапана 543403-3518004
Установка ускорительного клапана 555102-3518004
Установка ускорительного клапана 543240-3518004
Установка ускорительного клапана 543240-3518005
Установка тормозных камер 6422-3519001-10
Крепление тормозных камер на средний мост 6422-3519002, 6422-3519002-01
Крепление тормозных камер 64221-3519002, 64221-3519002-01 (на задний мост)
Установка тормозных камер6422-3519002, 64221-3519002-01(на задний мост)
Установка электропневмовыводов на полуприцеп 642290-3500010 и штепсельных розеток
Пневмовыводы к полуприцепу 54321-3521004
Установка клапана прицепа 642208-3522005
Крепление регулятора тормозных сил 5336-3533002
Крепление регулятора тормозных сил 64221-3533002-02
Установка осушителя воздуха 64255-3536004-010
Привод стояночного и моторного тормозов 5516A5-3537004(для автомобилей без пневмосигнала)
Привод стояночного и моторного тормозов 5336A5-3537004 (для автомобилей c пневмосигналом)
Привод стояночного и моторного тормозов 5336A5-3537004 (для автомобилей c пневмосигналом)
Крепление клапана двухмагистрального 64221-3562004-10
Установка передних модуляторов и присоединительной арматуры
Установка задних модуляторов и присоединительной арматуры
Установка задних модуляторов 54321-3538004
Соединение для ремонта поврежденных трубопроводов
Шланги
Электрооборудование. Перечень элементов
Установка головных фар 64221-3711029-010 (64221-3711030-010)
Установка аккумуляторных батарей 543240-3700008, 543240-3700008-700
Установка задних фонарей
Установка фонарей автопоезда 64221-3700099-10
Установка розеток
Установка электрооборудования муфты вентилятора 543208-37000073 (-700)
Установка стеклоочистителя 64221-3700041-010
Привод стеклоочистителя 64221-5205500-010
Щиток приборов
Щиток приборов 64229-3805012, 642297-3805012
Панель блоков предохранителей и реле 543240-3722014 (-700)
Установка коммутационной аппаратуры
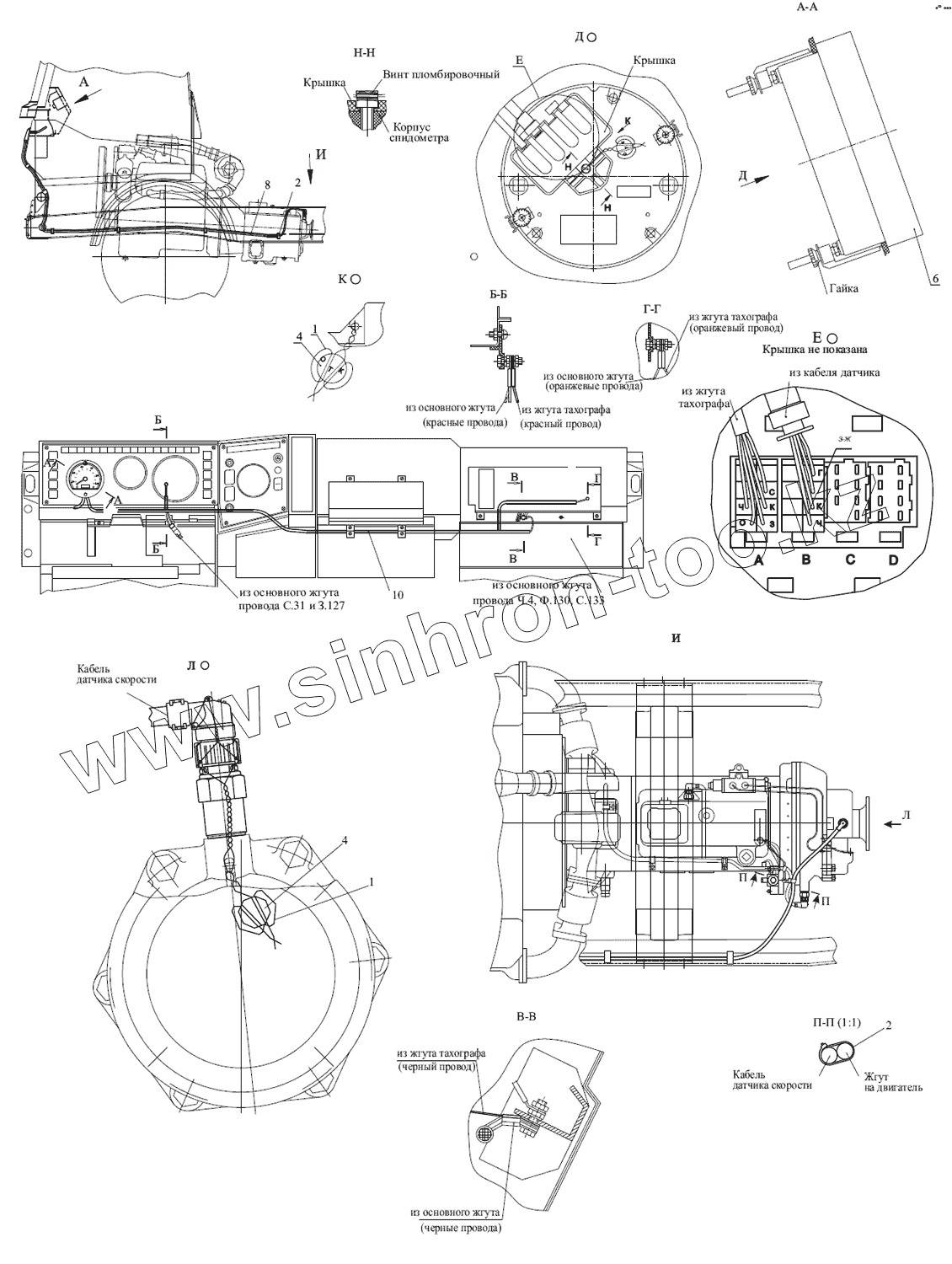
Установка и пломбировка спидометра 555102-3800004, 555102-3800004-700
Установка и пломбировка спидометра
Установка и пломбировка тахографа 543203-3800005 (-700)
Установка и пломбировка тахографа 533702-3800005-050 (533702-3800005-750)
Установка электрооборудования ЭФУ 642208-3700124 (642208-3700124-700)
Установка электрооборудования подогревателя 64221-3700085
Установка бокового указателя поворота
Установка противотуманной фары
Расположение разъемов и элементов электрооборудования на рулевой колонке и вещевой полке
Расположение разъемов и элементов электрооборудования на КПП ЯМЗ-239, КПП Eaton12JS200TA
Расположение разъемов и элементов электрооборудования на КПП ЯМЗ-238М, КПП 9JS135A
Расположение разъемов и элементов электрооборудования на двигателе ЯМЗ-6562.10
Расположение разъемов и элементов электрооборудования на двигателе ЯМЗ-6582.10
Расположение разъемов и элементов электрооборудования на большой кабине Автомобиля
Расположение разъемов и элементов электрооборудования на малой кабине Автомобилей
Расположение разъемов и элементов электрооборудования на шасси Автомобилей
Расположение разъемов и элементов электрооборудования на шасси автомобилей (с гидроотбором)
Расположение разъемов и элементов электрооборудования на шасси автомобилей(без автомобилей)
Расположение разъемов и элементов электрооборудования управления подъемом и опусканием самосвального полуприцепа
Расположение разъемов и элементов электрооборудования управления моторным тормозом
Расположение элементов системы АБС в кабине автомобиля 543208-3700120-020
Установка датчиков АБС с кабелем на заднем мосте
Укладка выводов жгута АБС по шасси и кабелей датчиков частоты вращения в передней части рамы
Ввод жгута АБС по шасси в кабину
Датчик с кабелем
Установка электронного блока АБС на автомобиле с прицепом и c ограничением скорости
Установка ламп и выключателей на автомобиле с прицепом и ограничением скорости
Жгут АБС по шасси 543208-3724760
Жгут АБС по шасси 642208-3724760
Жгут АБС по шасси 642208-3724760-010
Панель реле и предохранителей для автомобиля c прицепом
Установка электрооборудования АБС 543240-3800040-020, 543240-3800040-021
Установка электрооборудования АБС 642208-3800040-020, 642208-3800040-021
Установка электрооборудования АБС 642208-3800040-030, 642208-3800040-031
Установка электронного блока управления двигателем автомобиля 5336A3-3800060
Установка устройства седельного
Седельно-сцепное устройство
Установка коробки отбора мощности и насоса
Коробка отбора мощности 503-4202010-Б
Установка гидрооборудования 64229-8600005-10
Установка гидрооборудования 642205-8600005
Установка гидрооборудования
Насос с арматурой
Кронштейн с арматурой
Установка огнетушителя 5516-3910040
Установка инструментального ящика 54321-8500009, 64221-8500009
1
1
2
2
4
4
6
6
8
8
10
10
Позиция на иллюстрации
Заводской номер детали
Название детали
1
5335-3802084
Нить пломбировочная
2
6430-3724625
Хомут крепления проводов
4
379432
Пломба 4-12-АД1М-10
6
ЗПМ.499.393
Спидометр электронный ПА8090
6
81,380201
Спидометр 81.3802
8
5ПМ.503.466-08
Кабель соединительный
8
4202.3843010.0750
Жгут
10
64221-3724137
Жгут тахографа
10
642217-3724137
Жгут тахографа
Содержащиеся в справочниках-каталогах запасные части и детали не предлагаются к продаже, а носят исключительно информационный характер
Дополнительная информация
×
Название:
Номер:
Примечание: