Вернуться на главную
Поиск
Каталоги запчастей к технике
Грузовые автомобили и прицепы
МАЗ
МАЗ-64229
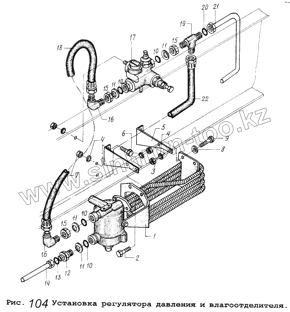
Установка регулятора давления и влагоотделителя
Каталог запасных частей к технике: МАЗ-64229. Установка регулятора давления и влагоотделителя
zoom-in
zoom-out
enlarge
shrink
circle-right
circle-left
file-text2
info
cart
Тип техники
Не выбрано
Легковые автомобили
Грузовые автомобили и прицепы
Автобусы
Сельхозтехника
Спецтехника
Двигатели
Мототехника
Марка
Не выбрано
BAW
DAF
DongFeng
FAW
Foton
HOWO
Hyundai
IVECO
JAC Motors
LGMG
MAN
Shaanxi
SITRAK
Studebaker
Tata
Volvo
Автокомпонент Плюс
БелАЗ
Брянский Арсенал
ГАЗ
ЗИЛ
КАЗ
Камский автозавод
КрАЗ
Мадара
МАЗ
МЗКТ
МоАЗ
Нефтекамский автозавод
Ставропольский Завод АвтоПрицепов
ТАТРА
Тонар
УралАЗ
ЧМЗАП
Модель
Не выбрано
KNORR-BREMSE применяемых на технике МАЗ
КПП МАЗ-543205-070
МАЗ-3PP59 (1999)
МАЗ-437030 (Зубренок) (2004)
МАЗ-437040 (Зубренок) (2002)
МАЗ-437040 (Зубренок) (2005)
МАЗ-437041 (Зубренок) (2010)
МАЗ-437043 (Зубренок) (2011)
МАЗ-437130 (Зубренок) (2008)
МАЗ-4371P2-0000421-000 (2013)
МАЗ-500А
МАЗ-503А
МАЗ-504А
МАЗ-504В (2005)
МАЗ-530905 (2009)
МАЗ-5335 (2004)
МАЗ-5336 (2005)
МАЗ-53363
МАЗ-53366
МАЗ-5337
МАЗ-5337 (2005) (2005)
МАЗ-53371
МАЗ-533731 (2009)
МАЗ-533731 (2012)
МАЗ-5429 (2003)
МАЗ-543 (7310) (2008)
МАЗ-5432 (2003)
МАЗ-543202 (2003)
МАЗ-54321
МАЗ-54323
МАЗ-54326 (2000)
МАЗ-54328
МАЗ-5433
МАЗ-5434
МАЗ-543403, 641705, 641708 (2010)
МАЗ-5440 (2002)
МАЗ-544018 (2011)
МАЗ-544069
МАЗ-5440B5 (2013)
МАЗ-5440B9, 6430B9 (2013)
МАЗ-5440E9 (2011)
МАЗ-5516
МАЗ-5516 (2003) (2003)
МАЗ-551605 (2007)
МАЗ-551608, 630308 (2007)
МАЗ-551669 (2008)
МАЗ-5516А5 (2007)
МАЗ-5549 (2003)
МАЗ-5550V3 (V5) (2011)
МАЗ-5551
МАЗ-5551 (2003) (2003)
МАЗ-555102, 5551А2 (2007)
МАЗ-555142 (2007)
МАЗ-6303 (2000)
МАЗ-6303 (2005) (2005)
МАЗ-630333 (2012)
МАЗ-6303A3, 6303A5 (2007)
МАЗ-631019 (2014)
МАЗ-631236 (2007)
МАЗ-6312B9-0008425-012 (2015)
МАЗ-6317
МАЗ-631705 (2010)
МАЗ-631705, 631708 (2010)
МАЗ-6422 (2003)
МАЗ-6422, 5432 (2007)
МАЗ-64221
МАЗ-64226 (2000)
МАЗ-64229
МАЗ-642505, 642508 (2006)
МАЗ-64255
МАЗ-643018 (2015)
МАЗ-643068 (2003)
МАЗ-6430A8 (5440A8, 5440A5) (2008)
МАЗ-650108 (2008)
МАЗ-650119 (2010)
МАЗ-6501B9 (2014)
МАЗ-6501B9 (2015)
МАЗ-651669-320 (340) (2009)
МАЗ-6516V8-520 (6516V8-540) (2011)
МАЗ-651705 (2009)
МАЗ-6517X9-0000410 (2014)
МАЗ-74131 (1996)
МАЗ-83781
МАЗ-9008
МАЗ-93802
МАЗ-93866
МАЗ-938662
МАЗ-93892
МАЗ-9506
МАЗ-9758
МАЗ-9758-30
Общий (см. мод-ции)
Справочник
Схема
>
Не выбрано
Установка кабины
Каркас кабины
Переднее подрессоривание кабины
Заднее подрессоривание кабины
Запорный механизм кабины МАЗ-64229, 54323, 5516
Механизм подъема кабины
Установка стекол, зеркал и противосолнечных козырьков
Панель приборов
Механизм подъема стекла
Дверь кабины
Крепление наружной ручки, ограничителя и петель двери
Остов сиденья водителя и переднего сиденья
Подставка сиденья и регулировочные механизмы
Установка переднего сиденья и поручней
Сиденье
Подставка сиденья с пневмооборудованием
Установка и пневмопитание сидений
Установка обтекателя кабины
Отопитель кабины
Отопитель
Установка шлангов и крана управления отопителем
Кран управления отопителем
Установка воздушных заслонок и отопителя кабины
Установка вещевой полки и шторки
Установка спальных мест, штор и холодильника
Установка поручней в кабине
Установка передних крыльев и подножек
Установка передних крыльев и подножек
Установка задних крыльев и брызговиков
Установка задних крыльев и брызговиков
Механизм запора заднего борта платформы
Цилиндр механизма запора заднего борта платформы
Клапан управления механизмом подъема платформы
Бак масляный механизма подъема платформы
Кран пневматический привода управления механизмом подъема платформы
Крепление силового агрегата
Масляные радиаторы и их крепление МАЗ-64229, МАЗ-54323,МАЗ-5516
Заливка и контроль уровня масла
Топливопроводы системы питания с подогревом двигателя
Топливный бак и его крепление
Топливопроводы системы питания МАЗ-64229,54323,5516
Привод подачи топлива МАЗ-64229,54323,5516
Установка воздушного фильтра и воздухозаборника МАЗ-64229, 54323, 5516
Крепление глушителя и вспомогательного тормоза МАЗ-64229, МАЗ-5516
Установка радиатора и расширительного бачка
Шторка радиатора и его привод
Педаль сцепления и тормоза с тягами МАЗ-64229, МАЗ-54323, МАЗ-5516, МАЗ-53371
Привод выключения сцепления и тормозного крана МАЗ-64229, МАЗ-54323, МАЗ-5516
Усилитель выключения сцепления
Клапан усилителя выключения сцепления
Механизм переключения передач
Рычаг коробки передач
Привод коробки передач
Механизм промежуточный привода коробки передач
Трубопроводы механизма переключения дополнительной коробки передач
Валы карданные
Мост задний (дисковые колеса)
Мост задний с дисками (бездисковые колеса)м
Картер заднего моста с полуосями и цапфами
Шестерня ведущая и картер заднего моста
Шестерня ведущая заднего моста
Дифференциал заднего моста
Детали колесной передачи (дисковые колеса)
Детали колесной передачи (бездисковые колеса)
Вал задний среднего моста
Механизм блокировки межосевого дифференциала
Средний мост с дисками (дисковые колеса)
Мост средний с дисками (бездисковые колеса)
Картер среднего и заднего мостов с полуосями и цапфами
Мост средний. Редуктор с картером моста
Редуктор среднего моста. Промежуточный картер
Редуктор среднего моста. Картер редуктора с дифференциалом
Редуктор среднего моста. Межмостовой дифференциал с картером шестерен
Мост средний. Вал задний
Мост средний. Вал задний
Редуктор среднего моста. Промежуточный картер
Рама МАЗ-64229
Крепление бампера
Установка площадки шасси, инструментального ящика, поручня МАЗ-64229,54323
Установка передней подвески
Установка малолистовой передней рессоры
Подвеска задняя
Рессора задняя
Установка задней подвески
Ось передняя (дисковое колесо)
Ось передняя (бездисковое колесо)
Ось передняя (дисковое колесо)
Передняя ось и ступица переднего колеса
Балка передней оси МАЗ-64229,54323,5516
Балка передней оси и поворотного кулака
Тяга продольная рулевая
Тяга поперечная рулевая
Ступица переднего дискового колеса
Ступица переднего бездискового колеса
Крепление передних дисковых колес
Крепление задних дисковых колес
Крепление переднего бездискового колеса
Крепление задних бездисковых колес
Ступица и тормозной барабан переднего колеса
Ступица задняя (дисковое колесо)
Ступица и тормозной барабан заднего бездискового колеса
Установка дискового запасного колеса
Установка бездискового запасного колеса
Держатель запасного колеса
Механизм рулевой
Механизм рулевой с распределителем гидроусилителя рулевого управления
Механизм регулировочный рулевой колонки
Распределитель гидроусилителя рулевого управления
Силовой цилиндр гидроусилителя рулевого управления
Колонка рулевая с колесом рулевого управления
Крепление кожухов на рулевой колонке
Рулевое управление. Бак масляный
Рулевое управление. Насос
Установка рулевого управления
Тормозной механизм передних дисковых колес
Тормозной механизм передний (бездисковое колесо)
Тормозной механизм заднего дискового колеса
Тормозной механизм задних бездисковых колес
Педаль сцепления и тормоза с тягами МАЗ-64229, МАЗ-54323, МАЗ-5516, МАЗ-53371
Привод выключения сцепления и тормозного крана МАЗ-64229, МАЗ-54323, МАЗ-5516
Рычаги регулировочные
Привод тормозов среднего моста
Схема тормозного привода автомобиля МАЗ-64229
Схема тормозного привода автомобиля МАЗ-54323
Установка регулятора давления и влагоотделителя
Установка аппаратов
Крепление ресиверов
Установка ускорительных клапанов и регулятора тормозных сил
Крепление передних тормозных камер и трубопроводов
Установка тормозных камер на среднем мосту
Установка ускорительного, двухмагистрального клапанов и регулятора тормозных сил
Присоединительная арматура к тормозному крану и клапану управления прицепом
Крепление ресиверов
Присоединительная арматура к ресиверам
Крепление влагоотделителя
Установка тормозного крана
Установка ускорительных и двухмагистрального клапанов
Установка регулятора тормозных сил
Крепление ресиверов
Присоединительная арматура к ресиверам
Влагоотделитель
Регулятор давления пневмотормозов
Кран тормозной
Клапан управления с двухпроводным приводом
Клапан защитный двойной
Клапан контрольного вывода
Клапан ускорительный
Камера тормозная (передняя)
Камера тормозная задняя
Камера тормозная задняя
Соединительная головка
Регулятор тормозных сил
Предохранитель против замерзания
Кран тормозной с ручным управлением
Клапан двухмагистральный
Установка привода останова двигателя и вспомогательного тормоза
Вспомогательный тормоз
Вспомогательный тормоз
Крепление тормозных камер на заднем мосту МАЗ-64229, 5516
Компрессор
Электрооборудование МАЗ-64229
Установка переключателя на рулевой колонке
Установка фар
Установка подфарников габаритных огней, плафонов освещения кабины и спальных мест, боковых повторителей, стеклоочистителей
Установка задних фонарей МАЗ-64229, 54323, 5516
Установка электрических сигналов
Установка фонарей знака автопоезда
Установка аккумуляторных батарей
Крепление аккумуляторного ящика
Установка аккумуляторных батарей
Установка электропневмовыводов полуприцепа
Колодки, контакты, наконечники
Резинотехнические изделия электрооборудования
Щиток приборов
Датчик спидометра и его установка
Устройство седельное с подставкой
Буксирный прибор. Беззазорная сцепка
Буксирный прибор
Коробка отбора мощности
1
2
3
4
4
5
6
7
8
9
10
10
10
10
11
11
11
11
12
13
14
15
15
15
16
16
17
18
19
20
21
22
Позиция на иллюстрации
Заводской номер детали
Название детали
1
11.3511010
Влагоотделитель в сборе
2
201499
Болт М10-6gх30
3
250512
Гайка М10-6Н
4
252136
Шайба 10.ОТ
5
5336-3536035-10
Кронштейн
6
201540
Болт М12-6gх30
7
250514
Гайка М12-6Н
8
252007
Шайба 12
9
201496
Болт
10
020-025-30-2-3
Кольцо
11
376145
Шайба 22
12
404314
Штуцер
13
012-016-25-2-3
Кольцо
14
6422-3506142-10
Трубка
15
374939
Гайка М22х1,5-6Н
16
402977
Угольник
17
11.3512010
Регулятор давления с предохранительным клапаном в сборе
18
5336-3506187-01
Шланг к клапану четырехконтурному
19
403039
Тройник
20
008-011-19-2.3
Кольцо
21
64229-3506130-10
Трубка
22
5549-3506187-02
Шланг
Содержащиеся в справочниках-каталогах запасные части и детали не предлагаются к продаже, а носят исключительно информационный характер
Дополнительная информация
×
Название:
Номер:
Примечание: