Вернуться на главную
Поиск
Каталоги запчастей к технике
Грузовые автомобили и прицепы
МАЗ
МАЗ-64221
Устройство седельное с подставкой
Каталог запасных частей к технике: МАЗ-64221. Устройство седельное с подставкой
zoom-in
zoom-out
enlarge
shrink
circle-right
circle-left
file-text2
info
cart
Тип техники
Не выбрано
Легковые автомобили
Грузовые автомобили и прицепы
Автобусы
Сельхозтехника
Спецтехника
Двигатели
Мототехника
Марка
Не выбрано
BAW
DAF
DongFeng
FAW
Foton
HOWO
Hyundai
IVECO
JAC Motors
LGMG
MAN
Shaanxi
SITRAK
Studebaker
Tata
Volvo
Автокомпонент Плюс
БелАЗ
Брянский Арсенал
ГАЗ
ЗИЛ
КАЗ
Камский автозавод
КрАЗ
Мадара
МАЗ
МЗКТ
МоАЗ
Нефтекамский автозавод
Ставропольский Завод АвтоПрицепов
ТАТРА
Тонар
УралАЗ
ЧМЗАП
Модель
Не выбрано
KNORR-BREMSE применяемых на технике МАЗ
КПП МАЗ-543205-070
МАЗ-3PP59 (1999)
МАЗ-437030 (Зубренок) (2004)
МАЗ-437040 (Зубренок) (2002)
МАЗ-437040 (Зубренок) (2005)
МАЗ-437041 (Зубренок) (2010)
МАЗ-437043 (Зубренок) (2011)
МАЗ-437130 (Зубренок) (2008)
МАЗ-4371P2-0000421-000 (2013)
МАЗ-500А
МАЗ-503А
МАЗ-504А
МАЗ-504В (2005)
МАЗ-530905 (2009)
МАЗ-5335 (2004)
МАЗ-5336 (2005)
МАЗ-53363
МАЗ-53366
МАЗ-5337
МАЗ-5337 (2005) (2005)
МАЗ-53371
МАЗ-533731 (2009)
МАЗ-533731 (2012)
МАЗ-5429 (2003)
МАЗ-543 (7310) (2008)
МАЗ-5432 (2003)
МАЗ-543202 (2003)
МАЗ-54321
МАЗ-54323
МАЗ-54326 (2000)
МАЗ-54328
МАЗ-5433
МАЗ-5434
МАЗ-543403, 641705, 641708 (2010)
МАЗ-5440 (2002)
МАЗ-544018 (2011)
МАЗ-544069
МАЗ-5440B5 (2013)
МАЗ-5440B9, 6430B9 (2013)
МАЗ-5440E9 (2011)
МАЗ-5516
МАЗ-5516 (2003) (2003)
МАЗ-551605 (2007)
МАЗ-551608, 630308 (2007)
МАЗ-551669 (2008)
МАЗ-5516А5 (2007)
МАЗ-5549 (2003)
МАЗ-5550V3 (V5) (2011)
МАЗ-5551
МАЗ-5551 (2003) (2003)
МАЗ-555102, 5551А2 (2007)
МАЗ-555142 (2007)
МАЗ-6303 (2000)
МАЗ-6303 (2005) (2005)
МАЗ-630333 (2012)
МАЗ-6303A3, 6303A5 (2007)
МАЗ-631019 (2014)
МАЗ-631236 (2007)
МАЗ-6312B9-0008425-012 (2015)
МАЗ-6317
МАЗ-631705 (2010)
МАЗ-631705, 631708 (2010)
МАЗ-6422 (2003)
МАЗ-6422, 5432 (2007)
МАЗ-64221
МАЗ-64226 (2000)
МАЗ-64229
МАЗ-642505, 642508 (2006)
МАЗ-64255
МАЗ-643018 (2015)
МАЗ-643068 (2003)
МАЗ-6430A8 (5440A8, 5440A5) (2008)
МАЗ-650108 (2008)
МАЗ-650119 (2010)
МАЗ-6501B9 (2014)
МАЗ-6501B9 (2015)
МАЗ-651669-320 (340) (2009)
МАЗ-6516V8-520 (6516V8-540) (2011)
МАЗ-651705 (2009)
МАЗ-6517X9-0000410 (2014)
МАЗ-74131 (1996)
МАЗ-83781
МАЗ-9008
МАЗ-93802
МАЗ-93866
МАЗ-938662
МАЗ-93892
МАЗ-9506
МАЗ-9758
МАЗ-9758-30
Общий (см. мод-ции)
Справочник
Схема
>
Не выбрано
Каркас кабины
Механизм подъема кабины
Переднее подрессоривание кабины
Заднее подрессоривание кабины
Запорный механизм кабины
Установка вентиляционного люка, стекол и зеркал
Панель приборов
Дверь кабины
Крепление наружной ручки, ограничителя и петель двери
Механизм подъема стекла
Остов сиденья водителя и переднего сиденья
Подставка сиденья и регулировочные механизмы
Установка переднего сиденья и поручней
Установка обтекателя кабины
Отопитель кабины
Установка поручней в кабине
Установка упора для ног пассажира и противосолнечных козырьков
Установка вещевой полки и шторы
Установка спальных мест, штор и холодильника
Установка передних крыльев и подножек
Установка задних крыльев и брызговиков
Установка задних крыльев и брызговиков
Крепление двигателя
Система заливки масла
Установка подогревателя
Топливопроводы подогревателя
Бак топливный
Бак топливный
Установка топливопроводов
Привод управления двигателем
Крепление воздушного фильтра
Привод останова. Привод выключения двигателя противоугонным устройством
Система выхлопа. Установка глушителя
Система выхлопа. Крепление выхлопной трубы
Радиатор
Трубопроводы радиатора
Установка жалюзи
Механизм управления сцеплением
Привод управления коробкой передач
Привод управления коробкой передач. Рычаг с краном управления делителем передач
Привод демультипликатора
Установка карданных валов
Установка карданного вала
Мост задний
Мост задний с дисками
Мост задний. Картер моста
Мост задний. Редуктор с картером моста
Редуктор заднего моста. Картер редуктора с дифференциалом
Установка привода управления блокировкой дифференциала ведущих мостов
Редуктор заднего моста. Ведущая шестерня
Мост задний. Механизм блокировки колес
Детали колесной передачи
Детали колесной передачи
Мост средний
Мост средний с дисками
Мост средний. Картер моста
Мост средний. Редуктор с картером моста
Редуктор среднего моста. Картер редуктора с дифференциалом
Редуктор среднего моста. Ведущая шестерня с промежуточным картером
Редуктор среднего моста. Межмостовой дифференциал с картером шестерен
Редуктор среднего моста. Механизм блокировки
Мост средний. Вал задний
Рама
Рама
Крепление бампера
Установка площадки шасси, поручня, инструментального ящика
Установка передней подвески
Установка передней подвески
Гидравлический амортизатор
Установка задней подвески
Установка задней подвески
Ось передняя
Ось передняя
Балка оси
Тяга продольная рулевая
Тяга поперечная рулевая
Ступица
Ступица
Крепление передних колес
Крепление передних колес
Крепление задних колес
Крепление задних колес
Ступица заднего колеса
Ступица заднего колеса
Установка дискового запасного колеса МАЗ-54321
Установка бездискового запасного колеса МАЗ-54321
Механизм рулевой
Кронштейн с рулевой колонкой
Колонка рулевая с колесом рулевого управления
Силовой цилиндр гидроусилителя рулевого управления
Распределитель гидроусилителя рулевого управления
Крепление кожухов на рулевой колонке
Рулевое управление. Бак масляный
Рулевое управление. Насос
Рулевое управление. Установка трубопроводов
Тормоз заднего колеса
Привод тормозов заднего моста
Привод тормозов среднего моста
Ось передняя. Тормозной механизм
Ось передняя. Тормозной механизм
Схема тормозного привода автомобиля МАЗ-54321
Крепление влагоотделителя
Установка пневмосигнала и останова двигателя
Установка аппаратов
Крепление ресиверов МАЗ-54321
Присоединительная арматура к ресиверам МАЗ-54321
Присоединительная арматура к тормозному крану и клапану управления прицепом МАЗ-54321
Установка ускорительного и двухмагистрального клапанов МАЗ-54321
Регулятор тормозных сил МАЗ-54321
Схема тормозного привода автомобиля МАЗ-64221
Привод тормозного крана МАЗ-64221
Регулятор тормозных сил МАЗ-64221
Присоединительная арматура к тормозному крану и клапану управления тормозами прицепа МАЗ-64221
Крепление ресиверов МАЗ-64221
Установка ускорительных и двухмагистральных клапанов МАЗ-64221
Присоединительная арматура ресиверов МАЗ-64221
Крепление передних тормозных камер и трубопроводов
Установка тормозных камер на среднем мосту
Крепление тормозных камер
Камера тормозная
Установка крана тормозного с ручным управлением
Заслонка моторного тормоза
Электрооборудование МАЗ-54321
Электрооборудование МАЗ-64221
Установка переключателей на рулевой колонке
Установка штепсельных розеток
Установка фар
Установка электрических сигналов
Установка фонарей знака автопоезда
Крепление аккумуляторного и инструментального ящиков
Установка аккумуляторных батарей
Установка электрооборудования на кабине
Установка задних фонарей
Колодки, контакты, наконечники
Резинотехнические изделия
Щиток приборов
Датчик спидометра и его установка
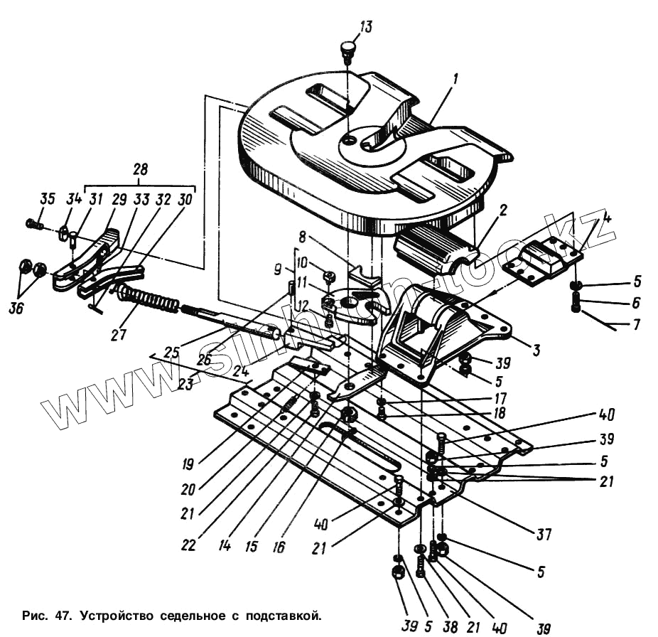
Устройство седельное с подставкой
1
2
3
4
5
5
5
5
5
6
7
8
9
10
11
12
13
14
15
16
17
18
19
20
21
21
21
21
22
23
24
25
26
27
28
29
30
31
32
33
34
35
36
37
38
39
39
39
39
40
40
40
Позиция на иллюстрации
Заводской номер детали
Название детали
1
64221-2702028
Седло
2
64221-2702090
Подушка
3
64221-2702071
Кронштейн
4
64221-2702056
Кронштейн
5
252139
Шайба 16.ОТ
6
372703
Болт 3М16-6hх45
7
258286
Шплинт 1,6х300
8
64221-2703016
Захват передний
9
64221-2703015
Захват задний
10
64221-2703020
Опора
11
64221-2703017
Захват задний
12
201495
Болт М10-6gх20
13
64221-2704125
Палец
14
64221-2703156
Крышка
15
250910
Гайка М24х2-5Н6Н
16
258071
Шплинт 5х45
17
252138
Шайба 14.ОТ
18
201585
Болт М14-6gх30
19
64221-2704138
Защелка
20
200В-2703146
Пружина
21
252017
Шайба 16
22
372179
Болт М14-6hх25
23
64221-2703028
Кулак
24
64221-2703029
Кулак
25
64221-2703032
Шток
26
377576
Штифт 10х45
27
64221-2703033
Пружина
28
64221-2703140
Рукоятка
29
64221-2703137
Рукоятка
30
64221-2703152
Опора
31
260065
Палец 10х48
32
258038
Шплинт 3,2х16
33
200В-2703146
Пружина
34
64221-2704140
Планка предохранительная
35
372179
Болт М14-6hх25
36
250636
Гайка М16х1,5-6Н
37
54321-2702171
Подставка
38
372613
Болт М16х1,5-6gх55
39
250691
Гайка М16х1,5-6Н
40
372629
Болт М16х1,5-6gх45
Содержащиеся в справочниках-каталогах запасные части и детали не предлагаются к продаже, а носят исключительно информационный характер
Дополнительная информация
×
Название:
Номер:
Примечание: