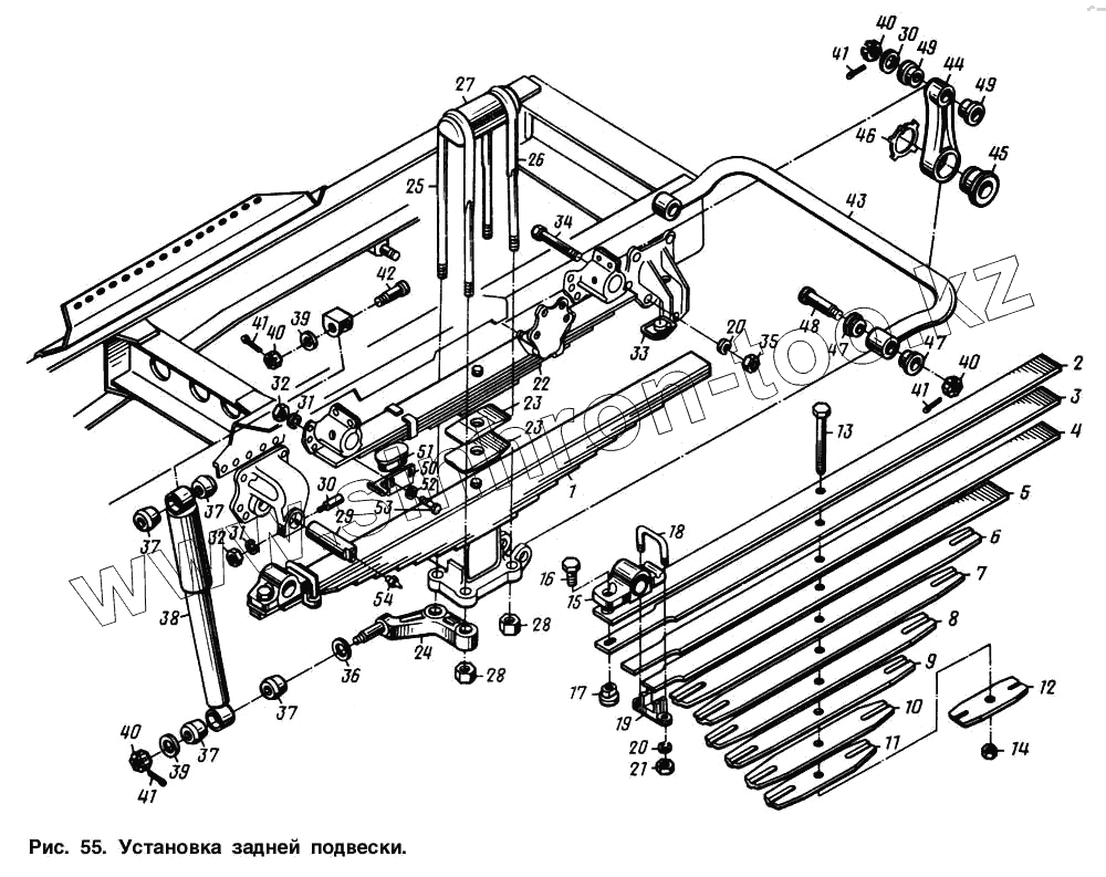
Каталог запасных частей к технике: МАЗ-64221. Установка задней подвески
1
2
3
4
5
6
7
8
9
10
11
12
13
14
15
16
17
18
19
20
20
21
22
23
23
24
25
26
27
28
28
29
30
30
31
31
32
32
33
34
35
36
37
37
37
37
38
39
39
40
40
40
40
41
41
41
41
42
43
44
45
46
47
47
48
49
49
50
51
52
53
54
| Позиция на иллюстрации | Заводской номер детали | Название детали | |
|---|---|---|---|
| 64221-2905006 | 64221-2905006 | Амортизатор в сборе | |
| 1 | 5556-2912012-05 | Рессора основная | |
| 2 | 509-2912101-20 | Лист № 1 задней рессоры | |
| 3 | 509-2912102-20 | Лист № 2 задней рессоры | |
| 4 | 509-2912105-11 | Лист 3 | |
| 5 | 509-2912104-20 | Лист 4 | |
| 6 | 509-2912106-11 | Лист 5 | |
| 7 | 509-2912107-11 | Лист 6 | |
| 8 | 509-2912108-11 | Лист 7 | |
| 9 | 509-2912109-11 | Лист 8 | |
| 10 | 509-2912110-11 | Лист 9 | |
| 11 | 509-2912112-11 | Лист 10 | |
| 12 | 509-2912113-11 | Лист 11 | |
| 13 | 374799 | Болт М12х1,25-6gх160 | |
| 14 | 250515 | Гайка М12х1,25-6Н | |
| 15 | 5336-2912015 | Ушко в сборе | |
| 16 | 64221-2902020 | Палец | |
| 17 | 5335-2902018 | Втулка накладного ушка передней рессоры | |
| 18 | 54321-2912024 | Стремянка ушка рессоры | |
| 19 | 54321-2912025 | Накладка ушка | |
| 20 | 252139 | Шайба 16.ОТ | |
| 21 | 374727 | Гайка М16х1,5-5Н6Н | |
| 22 | 500А-2913012 | Рессора дополнительная | |
| 23 | 500А-2912418 | Пластина | |
| 24 | 54321-2915416 | Кронштейн амортизатора | |
| 25 | 5551-2912408 | Стремянка рессоры | |
| 26 | 509-2912408 | Стремянка задней рессоры | |
| 27 | 5206-2512412 | Накладка | |
| 28 | 375059 | Гайка М27х2-5Н6Н | |
| 29 | 500А-2912478 | Палец | |
| 30 | 500А-2912482 | Клин пальца ушка задней рессоры | |
| 31 | 252137 | Шайба 12.ОТ | |
| 32 | 250514 | Гайка М12-6Н | |
| 33 | 504Н-2902449 | Вкладыш кронштейна рессоры | |
| 34 | 200880 | Болт М16-6gх160 | |
| 35 | 250560 | Гайка М16-6Н | |
| 36 | 500А-2905420 | Шайба | |
| 37 | 500А-2905410 | Буфер | |
| 38 | 5336-2905006-01 | Амортизатор | |
| 39 | 252049 | Шайба 20 | |
| 40 | 374910 | Гайка М20х1,5-5Н6Н | |
| 41 | 258056 | Шплинт 4х40 | |
| 42 | 54321-2915470 | Палец | |
| 43 | 54321-2916016 | Вал стабилизатора | |
| 44 | 54321-2916022 | Рычаг | |
| 45 | 54321-2916030 | Втулка | |
| 46 | 54321-2916032 | Кольцо стопорное | |
| 47 | 54321-2916028 | Втулка | |
| 48 | 54321-2916032 | Кольцо стопорное | |
| 49 | 64221-2906028 | Втулка | |
| 50 | 5336-2912626-10 | Кронштейн буфера | |
| 51 | 5336-2912622-10 | Буфер задней рессоры | |
| 52 | 252045 | Шайба 12 | |
| 53 | 201542 | Болт М12-6gх35 | |
| 54 | 264020 | Масленка 1.3.Ц6хр |
Содержащиеся в справочниках-каталогах запасные части и детали не предлагаются к продаже, а носят исключительно информационный характер