Каталог запасных частей к технике: МАЗ-64221. Установка подогревателя
1
2
3
4
4
5
5
6
7
8
9
9
9
10
10
10
10
11
11
11
11
11
11
12
12
12
12
13
14
16
17
18
18
19
20
21
21
21
21
24
25
26
26
27
28
29
30
31
32
32
33
34
35
35
36
37
38
39
40
41
41
41
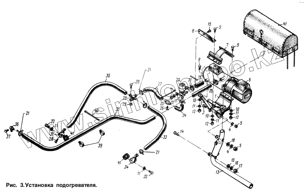
| Позиция на иллюстрации | Заводской номер детали | Название детали | |
|---|---|---|---|
| 1 | 64221-1015616 | Кронштейн | |
| 2 | 64221-1015168 | Кронштейн | |
| 3 | 372206 | Болт М14-6gх42 | |
| 4 | 252138 | Шайба 14.ОТ | |
| 5 | 250558 | Гайка М14-6Н | |
| 6 | 15.8106000-01 | Подогреватель | |
| 7 | 64221-1015619 | Хомут | |
| 8 | 64221-1015072-10 | Кронштейн | |
| 9 | 201459 | Болт М8-6gх25 | |
| 10 | 252005 | Шайба 8 | |
| 11 | 252135 | Шайба 8Т | |
| 12 | 250510 | Гайка М8-6Н | |
| 13 | 64221-1015030-10 | Труба выхлопная | |
| 14 | 201497 | Болт М10-6gх25 | |
| 16 | 252136 | Шайба 10.ОТ | |
| 17 | 250512 | Гайка М10-6Н | |
| 18 | 252006 | Шайба 10 | |
| 18 | 252016 | Шайба 14 | |
| 19 | 64221-1015094-10 | Шланг Рукав 18х27-1,6 L = 100 мм | |
| 20 | 35.3730010 | Электродвигатель с насосом | |
| 21 | 64229-1303160 | Хомут d=28 | |
| 24 | 64221-1015063 | Шланг | |
| 25 | 64221-1015655 | Переходник | |
| 26 | 64229-1305010 | Краник сливной | |
| 27 | 64221-1015136 | Шланг Рукав 18х27-16 L = 255 мм | |
| 28 | 64221-1015689 | Тройник с кронштейном | |
| 29 | 500-5001083 | Втулка распорная | |
| 30 | 64221-1015081 | Шланг Рукав 18х27-16 L= 940 мм | |
| 31 | 64221-1015131 | Фланец | |
| 32 | 201458 | Болт М8-6gх25 | |
| 33 | 64221-1015080 | Шланг Рукав 18х27-16 L = 630 мм | |
| 34 | 64221-1015130 | Фланец | |
| 35 | 64221-1015100 | Шланг Рукав 18х27-16 L = 1800 мм | |
| 36 | 6422-1015113 | Переходник | |
| 37 | 262541 | Пробка КГ 1/8" | |
| 38 | 262542 | Пробка КГ 1/4" | |
| 39 | 379202 | Кляммер | |
| 40 | 64221-3724622 | Хомут | |
| 41 | 64221-1015216 | Чехол |
Содержащиеся в справочниках-каталогах запасные части и детали не предлагаются к продаже, а носят исключительно информационный характер