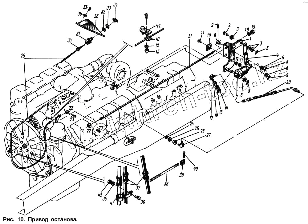
Каталог запасных частей к технике: МАЗ-64221. Привод останова. Привод выключения двигателя противоугонным устройством
1
2
3
3
4
5
5
5
5
6
6
6
7
8
9
10
10
11
12
12
13
13
14
15
16
17
18
19
20
21
22
22
23
23
24
25
26
27
28
29
30
31
32
33
34
35
35
36
36
37
38
39
40
41
42
42
| Позиция на иллюстрации | Заводской номер детали | Название детали | |
|---|---|---|---|
| 64221-1115022 | 64221-1115022 | Оболочка | |
| 1 | 64221-1115064 | Кронштейн | |
| 2 | 260002 | Палец 5х16 | |
| 3 | 252036 | Шайба 5 | |
| 4 | 64221-1115072 | Рычаг | |
| 5 | 258012 | Шплинт 2х12 | |
| 6 | 252004 | Шайба 6 | |
| 7 | 100-3570110 | Цилиндр останова двигателя | |
| 8 | 64221-1115116 | Поводок | |
| 9 | 220105 | Винт М6-6gх16 | |
| 10 | 509-3570179 | Держатель | |
| 11 | 220079 | Винт М5-6gх14 | |
| 12 | 252153 | Шайба 5 Т | |
| 13 | 250464 | Гайка М5-6Н | |
| 14 | 008-011-19-2-3 | Кольцо | |
| 15 | 375600 | Шайба 10 | |
| 16 | 250513 | Гайка М10х1-6Н | |
| 17 | 402717 | Угольник | |
| 18 | 252156 | Шайба 10Л | |
| 19 | 250679 | Гайка М10х1,25-6Н | |
| 20 | 64221-1115074 | Трубка | |
| 21 | 64221-1115080 | Тяга | |
| 22 | 504В-1108262 | Втулка упорная | |
| 23 | 220077 | Винт М5-6gх10 | |
| 24 | 010-014-25-2-3 | Кольцо | |
| 25 | 374614 | Гайка М12х1,5-5Н6Н | |
| 26 | 375818 | Шайба 12 | |
| 27 | 402737 | Угольник | |
| 28 | 64221-1115048 | Коробка | |
| 29 | 64221-1115013 | Рейка с тягой | |
| 30 | 500-1310454 | Втулка | |
| 31 | 5336-1115012 | Корпус | |
| 32 | 252159 | Шайба 16Л | |
| 33 | 250636 | Гайка М16х1,5-6Н | |
| 34 | 64221-1115120 | Ручка | |
| 35 | 201418 | Болт М6-6gх16 | |
| 36 | 252154 | Шайба 6Л | |
| 37 | 500-1104541Б | Втулка | |
| 38 | 297582 | Лента | |
| 39 | 297580 | Пряжка | |
| 40 | 297575 | Шплинт 5,6х22 | |
| 41 | 379307 | Кляммер | |
| 42 | 250508 | Гайка М6-6Н |
Содержащиеся в справочниках-каталогах запасные части и детали не предлагаются к продаже, а носят исключительно информационный характер