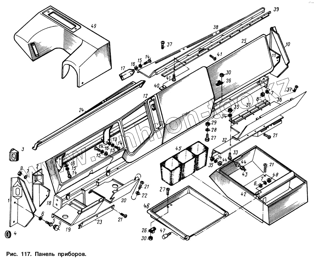
Каталог запасных частей к технике: МАЗ-64221. Панель приборов
1
2
3
4
5
6
6
7
7
7
8
8
9
10
11
12
13
14
14
14
14
15
15
15
15
16
16
16
17
18
19
20
21
21
21
21
22
23
24
25
26
26
27
27
28
29
30
30
31
32
33
34
34
35
35
36
37
37
38
39
40
41
41
42
43
44
44
45
46
47
48
49
| Позиция на иллюстрации | Заводской номер детали | Название детали | |
|---|---|---|---|
| 1 | 64221-5325221 | Панель боковая левая | |
| 2 | 64221-5325243 | Кронштейн панели левый | |
| 3 | 64221-8101134 | Уплотнитель боковой | |
| 4 | 5336-3724027 | Втулка | |
| 5 | 201456 | Болт М8-6gх20 | |
| 6 | 252005 | Шайба 8 | |
| 7 | 252155 | Шайба 8Л | |
| 8 | 250510 | Гайка М8-6Н | |
| 9 | 64221-8216036 | Заглушка | |
| 10 | 6422-5325220 | Панель боковая правая | |
| 11 | 64221-5325242 | Кронштейн панели правый | |
| 12 | 64221-5325008 | Панель приборов | |
| 13 | 64221-5325083 | Кронштейн верхний | |
| 14 | 230103 | Винт 2М6-6gх12 | |
| 15 | 252174 | Шайба 26 | |
| 16 | 252004 | Шайба 6 | |
| 17 | 64221-5325093 | Кронштейн правый | |
| 18 | 64221-5325020 | Балка | |
| 19 | 64221-5325015 | Дно панели приборов левое | |
| 20 | 64221-5325019 | Дно панели приборов среднее | |
| 21 | 230107 | Винт 2М6-6gх20 | |
| 22 | 64221-5325086 | Прижим | |
| 23 | 5336-5325049 | Накладка левая | |
| 24 | 64221-5325285 | Накладка левая | |
| 25 | 64221-5325208 | Панель средняя | |
| 26 | 64221-5303040 | Защелка | |
| 27 | 230079 | Винт 2М5-6gх14 | |
| 28 | 232133 | Шайба 5Т | |
| 29 | 252036 | Шайба 5 | |
| 30 | 250464 | Гайка М5-6Н | |
| 31 | 64221-3525044 | Петля | |
| 32 | 64221-5325046 | Накладка правая | |
| 33 | 201416 | Болт М6-6gх12 | |
| 34 | 252154 | Шайба 6Л | |
| 35 | 250508 | Гайка М6-6Н | |
| 36 | 64221-5325014 | Дно панели приборов правое | |
| 37 | 233064 | Винт М6-6gх14 | |
| 38 | 64221-5325284 | Накладка правая | |
| 39 | 64221-5325254 | Петля | |
| 40 | 64221-5325264 | Держатель | |
| 41 | 240818 | Винт М4х12 | |
| 42 | 64221-5303012 | Корпус | |
| 43 | 64221-5303042 | Штырь | |
| 44 | 252037 | Шайба 6 | |
| 45 | 64221-5303030 | Вставка | |
| 46 | 64221-5303020 | Крышка | |
| 47 | 64221-5303038 | Ось | |
| 48 | 251106 | Гайка М8-6Н | |
| 49 | 64221-5325176 | Панель накладная |
Содержащиеся в справочниках-каталогах запасные части и детали не предлагаются к продаже, а носят исключительно информационный характер