Каталог запасных частей к технике: МАЗ-64221. Остов сиденья водителя и переднего сиденья
1
2
3
4
4
5
5
6
6
6
6
7
7
7
8
8
9
9
10
10
11
12
13
14
15
16
17
18
19
20
21
22
23
24
25
26
27
27
28
28
29
30
31
32
33
34
35
35
36
36
37
37
38
39
40
41
41
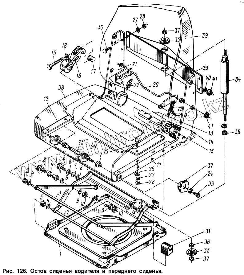
| Позиция на иллюстрации | Заводской номер детали | Название детали | |
|---|---|---|---|
| 1 | 504В-6801084-11 | Плита остова | |
| 2 | 504В-6801068-11 | Труба торсиона с тягами | |
| 3 | 504В-6801107 | Шарнир остова верхний | |
| 4 | 504В-6801109-02 | Прокладка | |
| 5 | 504В-6801013-02 | Ролик остова | |
| 6 | 504В-6801110-01 | Прокладка | |
| 7 | 504В-6801113-11 | Втулка | |
| 8 | 504В-6801112-10 | Ось тяги | |
| 9 | 252136 | Шайба 10.ОТ | |
| 10 | 250512 | Гайка М10-6Н | |
| 11 | 504В-6801017-21 | Стойка остова левая | |
| 12 | 504В-6801016-21 | Стойка остова правая | |
| 13 | 504В-6801092-10 | Пластина торсиона | |
| 14 | 504В-6801094-10 | Муфта торсиона | |
| 15 | 504В-6801082-12 | Втулка трубы торсиона | |
| 16 | 504В-6801096-10 | Муфта закрутки торсиона | |
| 17 | 504В-6801098 | Гайка механизма закрутки торсиона | |
| 18 | 252016 | Шайба 14 | |
| 19 | 370894 | Болт М14-6gх100 | |
| 20 | 5336-6805086 | Механизм регулирования спинки | |
| 21 | 504В-6805059 | Втулка | |
| 22 | 504В-6804080-10 | Пружина | |
| 23 | 504В-6803086 | Механизм регулирования подножки | |
| 24 | 5336-6801072 | Панель стяжная | |
| 25 | 201418 | Болт М6-6gх16 | |
| 26 | 252004 | Шайба 6 | |
| 27 | 252134 | Шайба 6Т | |
| 28 | 250508 | Гайка М6-6Н | |
| 29 | 504В-6801065-10 | Стяжка | |
| 30 | 201416 | Болт М6-6gх12 | |
| 31 | 504В-6801029-10 | Буфер | |
| 32 | 5336-6803110 | Ручка | |
| 33 | 220103 | Винт М6-6gх12 | |
| 34 | 11.6809010 | Амортизатор | |
| 35 | 504В-6801122 | Шайба | |
| 36 | 504В-6801120 | Буфер внутренний | |
| 37 | 250679 | Гайка М10х1,25-6Н | |
| 38 | 5336-6803010 | Подушка сиденья | |
| 39 | 5336-6805010 | Спинка сиденья | |
| 40 | 504В-6805059 | Втулка | |
| 41 | 504В-6801142 | Наконечник |
Содержащиеся в справочниках-каталогах запасные части и детали не предлагаются к продаже, а носят исключительно информационный характер