Каталог запасных частей к технике: МАЗ-6317. Установка шлангов и крана управления отопителем
1
2
2
3
3
3
3
3
4
4
4
4
4
5
5
5
5
5
6
6
6
6
6
7
8
9
10
11
11
11
12
13
13
13
13
13
13
14
14
14
14
15
15
15
15
15
16
17
18
19
20
21
22
23
24
25
26
26
27
27
28
29
30
31
32
33
34
35
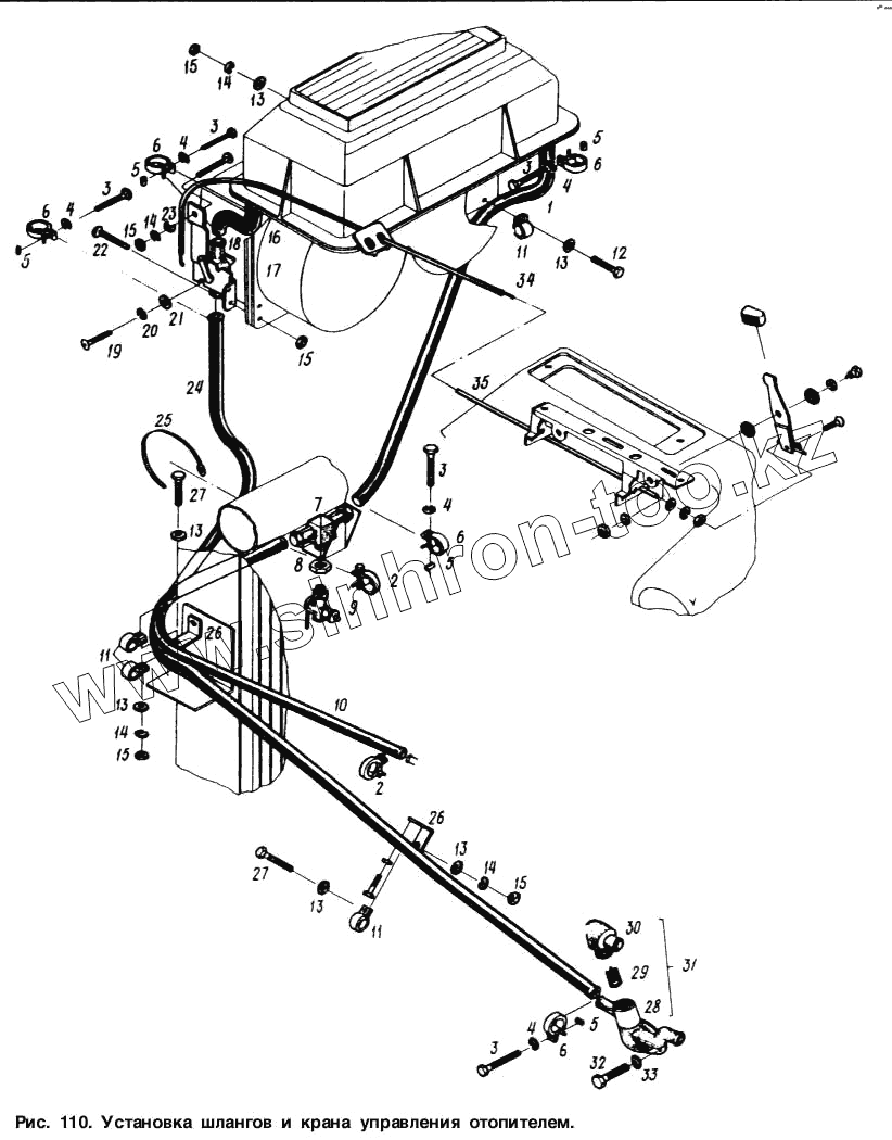
| Позиция на иллюстрации | Заводской номер детали | Название детали | |
|---|---|---|---|
| 1 | 64221 ХЛ-8101039 | Шланг отводящий передний | |
| 2 | 500-1303160 | Хомут | |
| 3 | 201424 | Болт М6-6gх30 | |
| 4 | 252004 | Шайба 6 | |
| 5 | 374179 | Гайка М6-6Н | |
| 6 | 500-1303161 | Хомутик | |
| 7 | 401418 | Тройник | |
| 8 | 250640 | Гайка М20х1,5 | |
| 9 | ПС-7 | Кран ОСТ 37.001.240-81 | |
| 10 | 64221 ХЛ-8101038 | Шланг отводящий задний | |
| 11 | 379665 | Кпяммер | |
| 12 | 201422 | Болт М6-6gх25 | |
| 13 | 252004 | Шайба 6 | |
| 14 | 252154 | Шайба 6Л | |
| 15 | 250508 | Гайка М6-6Н | |
| 16 | 64221-8101036 | Шланг подводящий передний | |
| 17 | 64221-8101191 | Кронштейн | |
| 18 | 64221-8101150 | Кран управления отопителем | |
| 19 | 220077 | Винт М5-6gх10 | |
| 20 | 252133 | Шайба 5Т | |
| 21 | 252003 | Шайба 5 | |
| 22 | 220107 | Винт М6-6gх20 | |
| 23 | 64221-8109044 | Прижим | |
| 24 | 64221-8101037 | Шланг подводящий задний | |
| 25 | 64221-3724628 | Хомут | |
| 26 | 64221-8101046 | Кронштейн | |
| 27 | 201418 | Болт М6-6gх16 | |
| 28 | 64221-8101338 | Фланец | |
| 29 | 64221-8101374 | Клапан | |
| 30 | 64221-8101364 | Угольник | |
| 31 | 64221-8101330 | Распределитель | |
| 32 | 201458 | Болт М8-6gх25 | |
| 33 | 252135 | Шайба 8Т | |
| 34 | 64221-8109133 | Тяга нижняя | |
| 35 | 64221-8109144 | Оболочка нижняя | |
| 36 | 64221-8109036 | Рычаг | |
| 37 | 220077 | Винт М5-6gх10 | |
| 38 | 64221-8109026 | Ось | |
| 39 | 5336-8109032 | Шайба | |
| 40 | 250510 | Гайка М8-6Н | |
| 41 | 252155 | Шайба 8Л | |
| 42 | 252156 | Шайба 10Л |
Содержащиеся в справочниках-каталогах запасные части и детали не предлагаются к продаже, а носят исключительно информационный характер