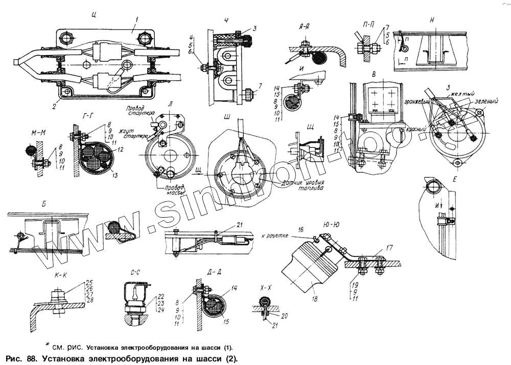
Каталог запасных частей к технике: МАЗ-6317. Установка электрооборудования на шасси (2)
1
2
3
4
5
5
6
6
7
7
8
8
8
8
8
9
9
9
9
9
9
10
10
10
10
10
11
11
11
11
11
11
12
13
14
14
14
15
15
15
16
17
18
19
20
21
21
22
23
24
25
26
27
28
| Позиция на иллюстрации | Заводской номер детали | Название детали | |
|---|---|---|---|
| 1 | 6422-3724530 | Крышка | |
| 2 | 64221-3724514 | Основание | |
| 3 | 006-009-19-2-3 | Кольцо | |
| 4 | 201497 | Болт М10-6gх25 | |
| 5 | 250512 | Гайка М10-6Н | |
| 6 | 252156 | Шайба 10Л | |
| 7 | 201496 | Болт | |
| 8 | 201420 | Болт М6-6gх20 | |
| 9 | 250508 | Гайка М6-6Н | |
| 10 | 252037 | Шайба 6 | |
| 11 | 252134 | Шайба 6Т | |
| 12 | 64227-3506028 | Прокладка | |
| 13 | 64221-3724632 | Хомут | |
| 14 | 64227-3506027 | Прокладка | |
| 15 | 64221-3724631 | Хомут | |
| 16 | 53362-3724083 | Провод | |
| 17 | 5336-3719058 | Кронштейн | |
| 18 | ФП103-3716000Г-Э | Фонарь подкузовной | |
| 19 | 201422 | Болт М6-6gх25 | |
| 20 | 64221-3724618 | Замок | |
| 21 | 64221-3724628 | Хомут | |
| 22 | 375818 | Шайба 12 | |
| 23 | 010-014-25-2-3 | Кольцо | |
| 24 | ММ125Д-3810600Э | Включатель пневматический сигнала торможения, блокировки | |
| 25 | 201540 | Болт М12-6gх30 | |
| 26 | 250514 | Гайка М12-6Н | |
| 27 | 252007 | Шайба 12 | |
| 28 | 252137 | Шайба 12.ОТ |
Содержащиеся в справочниках-каталогах запасные части и детали не предлагаются к продаже, а носят исключительно информационный характер