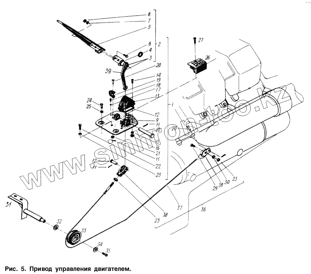
Каталог запасных частей к технике: МАЗ-6317. Привод управления двигателем
1
2
3
4
5
6
7
8
9
10
11
11
11
12
12
13
14
15
16
17
18
19
20
20
21
22
23
23
23
24
25
26
27
28
29
30
31
32
33
34
35
36
37
38
39
| Позиция на иллюстрации | Заводской номер детали | Название детали | |
|---|---|---|---|
| 1 | 64221-1108005-10 | Педаль с кронштейном в сборе | |
| 2 | 64221-1108008-10 | Педаль с втулкой и рычагом | |
| 3 | 64221-1108056-10 | Втулка с пластиной и рычагом | |
| 4 | 5336-1108161 | Кольцо | |
| 5 | 64221-1108014 | Педаль | |
| 6 | 201422 | Болт М6-6gх25 | |
| 7 | 252154 | Шайба 6Л | |
| 8 | 250508 | Гайка М6-6Н | |
| 9 | 64221-1108025 | Кронштейн педали | |
| 10 | 377931 | Палец 10х75 | |
| 11 | 255039 | Шплинт 3,2х20 | |
| 12 | 5336-1108059 | Прокладка | |
| 13 | 5336-1108058 | Крышка | |
| 14 | 220080 | Винт М5-6gх16 | |
| 15 | 252133 | Шайба 5Т | |
| 16 | 250464 | Гайка М5-6Н | |
| 17 | 377931 | Палец 10х75 | |
| 18 | 220-8604028 | Пружина | |
| 19 | 64221-1109432 | Защелка | |
| 20 | 260033 | Палец | |
| 21 | 252005 | Шайба 8 | |
| 22 | 210381 | Болт М8-6gх22 | |
| 23 | 250510 | Гайка М8-6Н | |
| 24 | 201420 | Болт М6-6gх20 | |
| 25 | 252154 | Шайба 6Л | |
| 26 | 64221-1108029 | Подставка | |
| 27 | 231617 | Винт 2М6-6gх45 | |
| 28 | 64221-1108210 | Рычаг | |
| 29 | 201456 | Болт М8-6gх20 | |
| 30 | 252155 | Шайба 8Л | |
| 31 | 6317-1108122 | Кронштейн | |
| 32 | 252006 | Шайба 10 | |
| 33 | 500-3925014 | Ролик | |
| 34 | 252038 | Шайба 8 | |
| 35 | 231604 | Винт 2М6-6gх14 | |
| 36 | 64221-1108580 | Гибкий привод | |
| 37 | 64221-1108596 | Трос с наконечником | |
| 38 | 204-1310112-Б | Вилка | |
| 39 | 1336-1108588 | Пластина |
Содержащиеся в справочниках-каталогах запасные части и детали не предлагаются к продаже, а носят исключительно информационный характер