Вернуться на главную
Поиск
Каталоги запчастей к технике
Грузовые автомобили и прицепы
МАЗ
МАЗ-631236
Установка гидрооборудования 650136-8600005
Каталог запасных частей к технике: МАЗ-631236. Установка гидрооборудования 650136-8600005
zoom-in
zoom-out
enlarge
shrink
circle-right
circle-left
file-text2
info
cart
Тип техники
Не выбрано
Легковые автомобили
Грузовые автомобили и прицепы
Автобусы
Сельхозтехника
Спецтехника
Двигатели
Мототехника
Марка
Не выбрано
BAW
DAF
DongFeng
FAW
Foton
HOWO
Hyundai
IVECO
JAC Motors
LGMG
MAN
Shaanxi
SITRAK
Studebaker
Tata
Volvo
Автокомпонент Плюс
БелАЗ
Брянский Арсенал
ГАЗ
ЗИЛ
КАЗ
Камский автозавод
КрАЗ
Мадара
МАЗ
МЗКТ
МоАЗ
Нефтекамский автозавод
Ставропольский Завод АвтоПрицепов
ТАТРА
Тонар
УралАЗ
ЧМЗАП
Модель
Не выбрано
KNORR-BREMSE применяемых на технике МАЗ
КПП МАЗ-543205-070
МАЗ-3PP59 (1999)
МАЗ-437030 (Зубренок) (2004)
МАЗ-437040 (Зубренок) (2002)
МАЗ-437040 (Зубренок) (2005)
МАЗ-437041 (Зубренок) (2010)
МАЗ-437043 (Зубренок) (2011)
МАЗ-437130 (Зубренок) (2008)
МАЗ-4371P2-0000421-000 (2013)
МАЗ-500А
МАЗ-503А
МАЗ-504А
МАЗ-504В (2005)
МАЗ-530905 (2009)
МАЗ-5335 (2004)
МАЗ-5336 (2005)
МАЗ-53363
МАЗ-53366
МАЗ-5337
МАЗ-5337 (2005) (2005)
МАЗ-53371
МАЗ-533731 (2009)
МАЗ-533731 (2012)
МАЗ-5429 (2003)
МАЗ-543 (7310) (2008)
МАЗ-5432 (2003)
МАЗ-543202 (2003)
МАЗ-54321
МАЗ-54323
МАЗ-54326 (2000)
МАЗ-54328
МАЗ-5433
МАЗ-5434
МАЗ-543403, 641705, 641708 (2010)
МАЗ-5440 (2002)
МАЗ-544018 (2011)
МАЗ-544069
МАЗ-5440B5 (2013)
МАЗ-5440B9, 6430B9 (2013)
МАЗ-5440E9 (2011)
МАЗ-5516
МАЗ-5516 (2003) (2003)
МАЗ-551605 (2007)
МАЗ-551608, 630308 (2007)
МАЗ-551669 (2008)
МАЗ-5516А5 (2007)
МАЗ-5549 (2003)
МАЗ-5550V3 (V5) (2011)
МАЗ-5551
МАЗ-5551 (2003) (2003)
МАЗ-555102, 5551А2 (2007)
МАЗ-555142 (2007)
МАЗ-6303 (2000)
МАЗ-6303 (2005) (2005)
МАЗ-630333 (2012)
МАЗ-6303A3, 6303A5 (2007)
МАЗ-631019 (2014)
МАЗ-631236 (2007)
МАЗ-6312B9-0008425-012 (2015)
МАЗ-6317
МАЗ-631705 (2010)
МАЗ-631705, 631708 (2010)
МАЗ-6422 (2003)
МАЗ-6422, 5432 (2007)
МАЗ-64221
МАЗ-64226 (2000)
МАЗ-64229
МАЗ-642505, 642508 (2006)
МАЗ-64255
МАЗ-643018 (2015)
МАЗ-643068 (2003)
МАЗ-6430A8 (5440A8, 5440A5) (2008)
МАЗ-650108 (2008)
МАЗ-650119 (2010)
МАЗ-6501B9 (2014)
МАЗ-6501B9 (2015)
МАЗ-651669-320 (340) (2009)
МАЗ-6516V8-520 (6516V8-540) (2011)
МАЗ-651705 (2009)
МАЗ-6517X9-0000410 (2014)
МАЗ-74131 (1996)
МАЗ-83781
МАЗ-9008
МАЗ-93802
МАЗ-93866
МАЗ-938662
МАЗ-93892
МАЗ-9506
МАЗ-9758
МАЗ-9758-30
Общий (см. мод-ции)
Справочник
Схема
>
Не выбрано
Крепление двигателя TCD 2013 L04 4V+ZF 6S850+MF 395(555035-1001002)
Крепление двигателя TCD 2013 L06 4V+ZF 9S1310+MFZ 430(650136-1001002)
Установка подогревателя 555035-1015001
Установка топливопроводов подогревателя 555003-1015004
Установка шумоизоляционных экранов 555035-1061003-005
Установка шумоизоляционных экранов 555035-1061004-005
Установка шумоизоляционных экранов 650136-1061004-005
Крепление топливного бака 631236-1101002
Крепление топливного бака 555035-1101002
Крепление топливного бака 650136-1101002
Установка топливопроводов 650136-1104002, 631236-1104002(c подогревателем)
Установка топливопроводов 650136-1104002-010, 631236-1104002-010(без подогревателя)
Установка топливопроводов 555035-1104002(c подогревателем)
Установка топливопроводов 555035-1104002-010(без подогревателя)
Привод управления двигателем 650136-1108002
Крепление воздушного фильтра
Установка системы выпуска 650136-1200001
Глушитель 650136-1201010
Установка системы выпуска 555035-1200001
Трубопроводы подогрева системы подавления токсичных веществ 555035-1402001
Крепление трубопроводов системы подавления токсичных веществ отработавших газов 555035-1404002
Крепление трубопроводов системы подавления токсичных веществ отработавших газов 650136-1404002
Установка системы охлаждения
Радиатор с кожухом 631236-1301009
Радиатор с кожухом 555035-1301009
Установка муфты вентилятора
Система охлаждения наддувочного воздуха
Крепление бака
Механизм управления сцеплением
Блок управления сцеплением и тормозами
Установка привода управления коробкой передач 650136-1700002
Установка привода управления коробкой передач 555035-1700002
Рычаг 4370-1703410
Механизм промежуточный 551639-1703325-001
Хвостовик
Тяга
Карданные передача МАЗ-631236
Установка карданных передач МАЗ-534035, 555035
Установка карданных валов МАЗ-650136
Мост задний
Мост задний. Установка редуктора и элементов подвески
Мост задний. Картер моста
Колесный редуктор
Редуктор заднего моста
Редуктор заднего моста. Дифференциал
Шестерни ведущая и ведомая (комплект для запчастей)
Редуктор заднего моста. Шестерня ведущая
Ступица заднего моста
Мост средний
Мост средний. Установка редуктора и вала заднего
Мост средний. Картер моста
Редуктор среднего моста
Редуктор среднего моста. Дифференциал с картером редуктора
Редуктор среднего моста. Шестерня ведущая
Редуктор среднего моста. Дифференциал
Редуктор среднего моста. Межколесная блокировка дифференциала
Мост средний. Вал задний
Установка бокового ограждения 650136-2800040
Установка бокового ограждения 555035-2800040
Рама 631236-2801002
Рама 534035-2801002
Рама 650136-2801002
Рама 555035-2801002
Установка противоподкатного бруса 6430-2800030-001
Установка заднего бампера на МАЗ-631236, 534035
Установка заднего бампера на МАЗ-650136, 555035
Подвеска передняя 6430-2900001
Подвеска балансирная
Подвеска балансирная
Подвеска задняя 5440-2900002
Подвеска задняя 5550-2900002
Установка запасного колеса 6312-3100001
Установка запасного колеса 5440-3100001-010
Установка запасного колеса 650136-3100001
Установка запасного колеса 555005-3100001
Установка передних колес
Установка задних колес
Колесо и шина
Передняя ось 6430-3000015
Передняя ось (рис.2)
Ступица переднего колеса 6430-3103006
Тяга поперечная рулевая 64221-3003052
Установка рулевого управления 650136-3400001
Установка рулевого управления 555035-3400001
Кронштейн с колонкой 5440-3403008
Механизм рулевой с кронштейном 6418-3400006
Механизм рулевой 64221-3400010-10
Распределитель 5336-3416010-01
Силовой цилиндр гидроусилителя рулевого управления
Клапан расхода и давления 5336-3407260
Бак масляный 5336-3410010-10
Тяга продольная 5440-3003010
Тормозной механизм передних колес
Тормоз механизм задних колес
Рычаг регулировочный
Установка ресиверов и присоединительной арматуры
Установка ресиверов и присоединительной арматуры
Установка ресиверов и присоединительной арматуры
Установка ресивера и присоединительной арматуры
Установка ресивера и присоединительной арматуры
Установка ресивера и присоединительной арматуры
Установка ресиверов и присоединительной арматуры
Установка ресиверов и присоединительной арматуры
Установка ресиверов и присоединительной арматуры
Установка ресиверов и присоединительной арматуры
Установка ресивера и присоединительной арматуры
Установка осушителя воздуха и присоединительной арматуры
Установка осушителя воздуха и присоединительной арматуры
Установка осушителя воздуха и присоединительной арматуры
Крепление четырехконтурного клапана
Крепление четырехконтурного клапана
Установка тормозного клапана ASR и присоединительной арматуры
Установка тормозного клапана ASR и присоединительной арматуры
Установка ускорительного клапана и присоединительной арматуры
Установка ускорительного клапана и присоединительной арматуры
Установка ускорительного клапана и присоединительной арматуры
Установка ускорительного клапана и присоединительной арматуры
Установка ускорительного клапана и присоединительной арматуры
Установка ускорительного клапана и присоединительной арматуры
Установка тормозных камер и присоединительной арматуры
Камера тормозная
Установка задних тормозных камер и присоединительной арматуры
Установка задних тормозных камер и присоединительной арматуры
Установка задних тормозных камер и присоединительной арматуры
Крепление тормозных камер и присоединительной арматуры
Тормозной кран и присоединительная арматура
Установка передних модуляторов и присоединительной арматуры
Установка задних модуляторов и присоединительной арматуры
Установка задних модуляторов и присоединительной арматуры
Установка задних модуляторов и присоединительной арматуры
Привод стояночного тормоза
Установка датчиков
Установка датчиков
Установка датчиков
Соединение для ремонта поврежденных трубопроводов
Шланги
Установка головных фар
Установка противотуманной фары
Установка указателя поворота бокового
Установка габаритных огней
Установка звуковых сигналов
Установка датчиков и клапанов блокировок задних мостов
Установка датчиков и клапанов блокировок задних мостов
Установка датчиков пневмосистемы тормозов
Коробка задних фонарей
Установка задних фонарей 6501-3700009
Установка задних фонарей 6312-3700009
Установка задних фонарей 555102-3700009
Установка электрооборудования подогревателя
Установка таймера 6501-3700086
Установка плафонов освещения
Установка приборов и выключателей
Установка приборов и выключателей
Установка блока коммутационной аппаратуры
Установка аккумуляторных батарей
Установка аккумуляторных батарей
Установка элементов электрооборудования АБС на автомобилях МАЗ-631236
Установка элементов электрооборудования АБС на автомобилях МАЗ-534035
Установка элементов электрооборудования АБС на автомобилях МАЗ-650136
Установка элементов электрооборудования АБС на автомобилях МАЗ-555035
Панель реле и предохранителей автомобилей МАЗ-534035, 555035,631236, 650136
Установка электронных блоков на автомобилях МАЗ-534035, 555035, 631236, 650136
Ввод жгута АБС в кабину автомобилей МАЗ-534035, 555035,631236, 650136
Установка датчика NOx на автомобили МАЗ-631236, 650136
Установка датчика NOx на автомобили МАЗ-534035, 555035
Установка противооткатного упора 534035-3900037
Установка противооткатного упора 5516-3900011
Установка противооткатного упора 555102-3900037
Установка кабины 555035-5000002-010
Переднее подрессоривание кабины 6418-5001700-010
Заднее подрессоривание кабины 6501-5001800-010
Механизм подъема кабины
Гидроцилиндр 6430-5003010
Установка дополнительной термошумоизоляции 6501-5000122
Установка омывателя 6430-5200008
Установка стеклоочистителя 6430-3700041-001
Привод стеклоочистителя 6430-5205500-010
Установка панели приборов 6430-5300014-020
Установка стекла 6430-5200010, стекла задка 6501-5600015
Установка люка 6501-57000010
Установка опускного стекла 6430-6100010 (правая),6430-6100011 (левая)
Установка ручек, замка и ограничителя двери 6430-6100010 (правая), 6430-6100011 (левая)
Установка стеклоподъемника и ручки стеклоподъемника
Установка поручней в кабине 6430-8200030
Установка полки и штор 6501-8200034
Штора противосолнечная 6430-8204110
Установка зеркал 6430-8200005
Установка нижней подножки 544008-8400016-010
Установка огнетушителя 6501-3910040
Установка и пневмопитание сидений 544003-6800006
Сидение 6430-6800010
Подушка и спинка сидения 6430-6800012
Механизм регулирования высоты
Подставка сиденья с пневмооборудованием 6430-6807006-010
Установка отопителя 5440-8100001-010
Установка шлангов отопителя 555035-810006, 555035-810006-010,650136-8100006-010, 650136-8100006
Блок радиатора 5440-8101010
Блок вентилятора 6430-8118010
Пульт управления 5440-8109011
Установка фильтра 6430-8100022
Установка облицовки передка 6430-8400018
Установка оперения 5550-8400020-010
Установка экранов 544003-8400026
Установка брызговиков передних колес 555035-8400030-011
Установка крыльев 631208-8500048-020
Установка крыльев 534008-8500048
Установка крыльев 650108-8500048-050
Установка крыльев 555102-8500048-050
Установка платформы 650136-8500002
Платформа 650136-8500020
Установка платформы 5550-8500002
Платформа 5550-8500020
Установка платформы 5550-8500002-010
Платформа 5550-8500020-010
Установка надставных бортов 5550-8500012
Установка надставных бортов 5550-8500012-010
Установка тента 5550-8500004
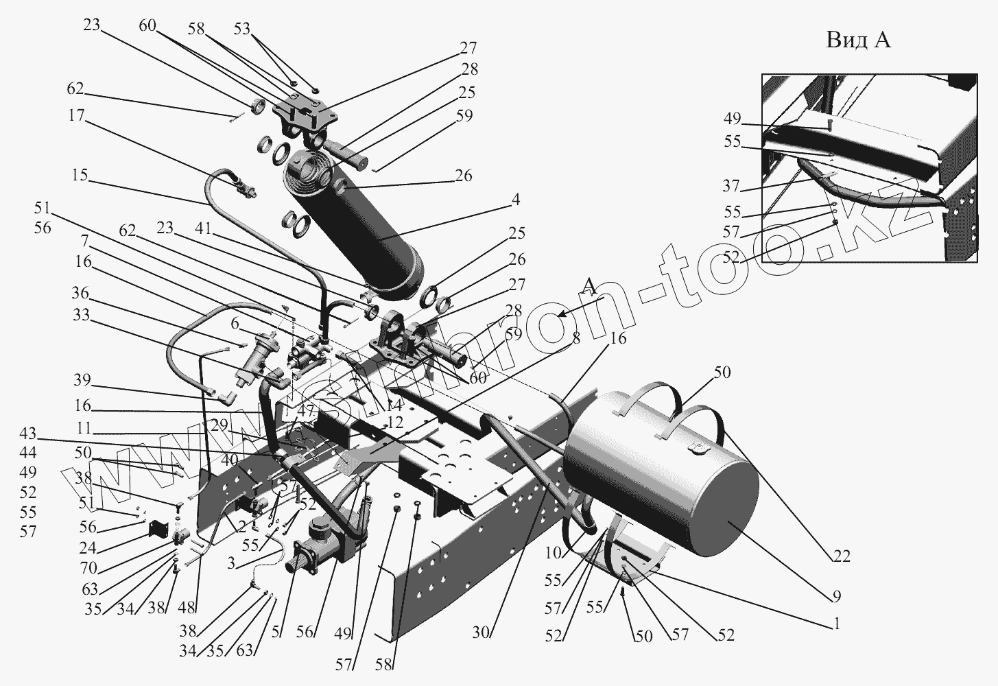
Установка гидрооборудования 650136-8600005
Гидроцилиндр 55165-8603510
Установка гидрооборудования 555035-8600005
Установка цилиндра и клапана 555102-8603500
Гидроцилиндр 555102-8603510
Клапан 5550-8607010
1
2
3
4
5
6
7
8
9
10
11
12
14
15
16
16
16
17
22
23
23
24
25
25
26
26
27
27
28
28
29
30
33
34
34
35
35
36
38
38
38
39
40
41
47
48
49
49
49
50
50
50
51
51
52
52
52
52
52
53
55
55
55
55
55
55
56
56
56
57
57
57
57
57
57
58
58
59
59
60
60
62
62
63
63
70
Позиция на иллюстрации
Заводской номер детали
Название детали
1
543403-1109110
Кронштейн
2
64226-3570212-10
Трубка
3
5516-8524202
Трубка
4
55165-8603510
Цилиндр
5
551633-8604010
Насос с арматурой
6
551605-8607010
Клапан
7
5516-8607108
Клапан
8
5516-8607286
Кронштейн
9
551605-8608010-010
Масляный бак
10
5516-8609026
Хомутик
11
5516-8609164
Трубка
12
64221-3506319-20
Трубка
14
650108-8609462
Трубка
15
5516-8609029
Шланг
16
5551-8609029-10
Шланг
17
555102-8603508
Клапан
22
6422-1109118
Хомут
23
5335-2402036
Гайка М39х2-5Н6Н
24
54321-2411054
Кронштейн
25
941-2909026-10
Уплотнитель
26
941-2919028-11
Втулка
27
6303-2919044
Кронштейн
28
941-2919098
Палец
29
6430-3724625
Хомут крепления проводов
30
650136-8609020
Шланг всасывающий
33
55165-8609838
Угольник
34
250513
Гайка М10х1-6Н
35
375600
Шайба 10
36
379502
Ниппель
38
402717
Угольник
39
402789
Угольник
40
403355
Тройник
41
250615
Гайка М12х1,25-6Н
47
200267
Болт М8-6gх45
48
200269
Болт М8-6gх50
49
201495
Болт М10-6gх20
50
200315
Болт М10-6gх40
51
250510
Гайка М8-6Н
52
250512
Гайка М10-6Н
53
250561
Гайка М16х1,5-6Н
54
252039
Шайба 10
55
252006
Шайба 10
56
252135
Шайба 8Т
57
252136
Шайба 10.ОТ
58
252139
Шайба 16.ОТ
59
264020
Масленка 1.3.Ц6хр
60
372608
Болт М16х1,5-6gх70
62
4598711232
Шплинт 6,3х63
63
008-011-19-2-3
Кольцо
70
КЭБ-420С
Клапан электромагнитный
Содержащиеся в справочниках-каталогах запасные части и детали не предлагаются к продаже, а носят исключительно информационный характер
Дополнительная информация
×
Название:
Номер:
Примечание: