Вернуться на главную
Поиск
Каталоги запчастей к технике
Грузовые автомобили и прицепы
МАЗ
МАЗ-6303 (2005)
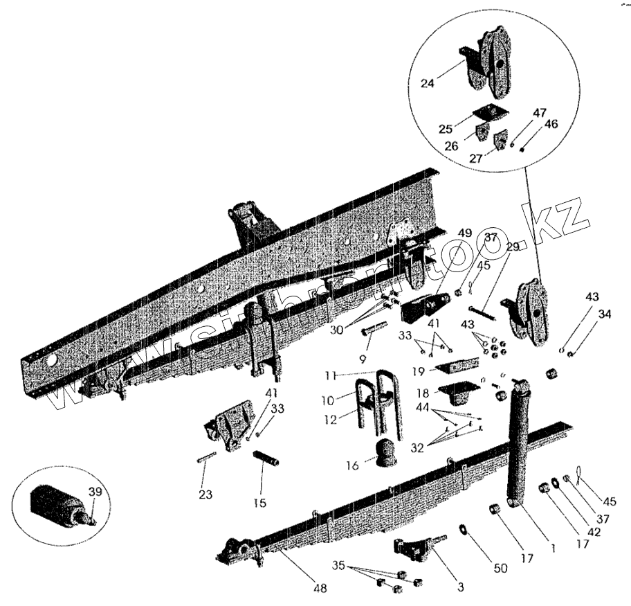
Подвеска передняя автомобиля МАЗ-533702
Каталог запасных частей к технике: МАЗ-6303 (2005). Подвеска передняя автомобиля МАЗ-533702
zoom-in
zoom-out
enlarge
shrink
circle-right
circle-left
file-text2
info
cart
Тип техники
Не выбрано
Легковые автомобили
Грузовые автомобили и прицепы
Автобусы
Сельхозтехника
Спецтехника
Двигатели
Мототехника
Марка
Не выбрано
BAW
DAF
DongFeng
FAW
Foton
HOWO
Hyundai
IVECO
JAC Motors
LGMG
MAN
Shaanxi
SITRAK
Studebaker
Tata
Volvo
Автокомпонент Плюс
БелАЗ
Брянский Арсенал
ГАЗ
ЗИЛ
КАЗ
Камский автозавод
КрАЗ
Мадара
МАЗ
МЗКТ
МоАЗ
Нефтекамский автозавод
Ставропольский Завод АвтоПрицепов
ТАТРА
Тонар
УралАЗ
ЧМЗАП
Модель
Не выбрано
KNORR-BREMSE применяемых на технике МАЗ
КПП МАЗ-543205-070
МАЗ-3PP59 (1999)
МАЗ-437030 (Зубренок) (2004)
МАЗ-437040 (Зубренок) (2002)
МАЗ-437040 (Зубренок) (2005)
МАЗ-437041 (Зубренок) (2010)
МАЗ-437043 (Зубренок) (2011)
МАЗ-437130 (Зубренок) (2008)
МАЗ-4371P2-0000421-000 (2013)
МАЗ-500А
МАЗ-503А
МАЗ-504А
МАЗ-504В (2005)
МАЗ-530905 (2009)
МАЗ-5335 (2004)
МАЗ-5336 (2005)
МАЗ-53363
МАЗ-53366
МАЗ-5337
МАЗ-5337 (2005) (2005)
МАЗ-53371
МАЗ-533731 (2009)
МАЗ-533731 (2012)
МАЗ-5429 (2003)
МАЗ-543 (7310) (2008)
МАЗ-5432 (2003)
МАЗ-543202 (2003)
МАЗ-54321
МАЗ-54323
МАЗ-54326 (2000)
МАЗ-54328
МАЗ-5433
МАЗ-5434
МАЗ-543403, 641705, 641708 (2010)
МАЗ-5440 (2002)
МАЗ-544018 (2011)
МАЗ-544069
МАЗ-5440B5 (2013)
МАЗ-5440B9, 6430B9 (2013)
МАЗ-5440E9 (2011)
МАЗ-5516
МАЗ-5516 (2003) (2003)
МАЗ-551605 (2007)
МАЗ-551608, 630308 (2007)
МАЗ-551669 (2008)
МАЗ-5516А5 (2007)
МАЗ-5549 (2003)
МАЗ-5550V3 (V5) (2011)
МАЗ-5551
МАЗ-5551 (2003) (2003)
МАЗ-555102, 5551А2 (2007)
МАЗ-555142 (2007)
МАЗ-6303 (2000)
МАЗ-6303 (2005) (2005)
МАЗ-630333 (2012)
МАЗ-6303A3, 6303A5 (2007)
МАЗ-631019 (2014)
МАЗ-631236 (2007)
МАЗ-6312B9-0008425-012 (2015)
МАЗ-6317
МАЗ-631705 (2010)
МАЗ-631705, 631708 (2010)
МАЗ-6422 (2003)
МАЗ-6422, 5432 (2007)
МАЗ-64221
МАЗ-64226 (2000)
МАЗ-64229
МАЗ-642505, 642508 (2006)
МАЗ-64255
МАЗ-643018 (2015)
МАЗ-643068 (2003)
МАЗ-6430A8 (5440A8, 5440A5) (2008)
МАЗ-650108 (2008)
МАЗ-650119 (2010)
МАЗ-6501B9 (2014)
МАЗ-6501B9 (2015)
МАЗ-651669-320 (340) (2009)
МАЗ-6516V8-520 (6516V8-540) (2011)
МАЗ-651705 (2009)
МАЗ-6517X9-0000410 (2014)
МАЗ-74131 (1996)
МАЗ-83781
МАЗ-9008
МАЗ-93802
МАЗ-93866
МАЗ-938662
МАЗ-93892
МАЗ-9506
МАЗ-9758
МАЗ-9758-30
Общий (см. мод-ции)
Справочник
Схема
>
Не выбрано
Установка большой кабины
Переднее подрессоривание большой кабины
Заднее подрессоривание большой кабины
Установка малой кабины
Запорный механизм кабины МАЗ-533702
Запорный механизм большой кабины
Механизм подъема кабины
Установка стекол и зеркал на малую кабину
Установка стекол и зеркал на большую кабину
Установка стеклоподъемника и ручки стеклоподъемника
Установка и пневмопитание сидений
Установка и пневмопитание сидений автомобиля МАЗ-533702
Сиденье
Подушка и спинка сидения
Механизм регулирования высоты
Подставка сиденья с пневмооборудованием
Установка ограничителя и петель двери
Установка наружной ручки и замка двери
Установка облицовки и боковых щитков
Установка оперения на малую кабину
Установка оперения на большую кабину
Установка обтекателей
Отопитель
Кран управления отопителем
Установка шлангов и крана управления отопителем
Установка воздушных заслонок и отопителя кабины
Установка крышки вентиляционного люка
Установка поручней в кабине
Установка основания, настила, брызговиков автомобилей МАЗ-533608, МАЗ-533605, МАЗ-533603, МАЗ-533602
Установка основания, настила, брызговиков автомобилей МАЗ-630308, МАЗ-630305, МАЗ-630303
Установка основания, настила, брызговиков автомобиля МАЗ-533702
Установка бортов и стоек на МАЗ-533608, МАЗ-533605, МАЗ-533603, МАЗ-533602
Установка бортов и стоек на МАЗ-630308, МАЗ-630305, МАЗ-630303
Установка бортов и стоек на МАЗ-533702
Установка бортов и стоек на МАЗ-533608, МАЗ-533605, МАЗ-533603, МАЗ-533602
Установка бортов и стоек на МАЗ-630308, МАЗ-630305, МАЗ-630303
Установка трапа, противооткатных упоров, инструментального ящика
Установка тентовой надстройки и тента на МАЗ-533608, МАЗ-533605, МАЗ-533603, МАЗ-533602
Установка тентовой надстройки и тента на МАЗ-630308, МАЗ-630305, МАЗ-630303
Крепление двигателя на автомобилях МАЗ-533602, МАЗ-533603, МАЗ-630303
Крепление двигателя на автомобилях МАЗ-533605, МАЗ-630305 с двигателем ЯМЗ-238ДЕ2
Крепление двигателя на автомобилях МАЗ-533608, МАЗ-630308, МАЗ-630305 с двигателем ЯМЗ-7511
Крепление двигателя на автомобиле МАЗ-533702
Управление двигателем на автомобилях МАЗ
Привод останова двигателя
Привод выключения двигателя противоугонным устройством на автомобилях МАЗ
Установка системы заливки и контроля уровня масла
Крепление топливного бака (500 литров)
Крепление топливного бака
Крепление топливного бака (350 литров)
Крепление топливного бака (с ограждением) на МАЗ-533702
Установка топливопроводов МАЗ-533602, МАЗ-533603, МАЗ-533605, МАЗ-630305 (с подогревателем)
Установка топливопроводов МАЗ-533602, МАЗ-533603, МАЗ-533605, МАЗ-630305 (без подогревателя)
Установка топливопроводов МАЗ-630305, МАЗ-533602, МАЗ-533603 (с подогревателем)
Установка топливопроводов МАЗ-630305, МАЗ-533602, МАЗ-533603 (без подогревателя)
Установка топливопроводов МАЗ-630308, МАЗ-533608 (с подогревателем)
Установка топливопроводов МАЗ-630308, МАЗ-533608 (без подогревателя)
Установка топливопроводов МАЗ-630305, МАЗ-630303 (с подогревателем)
Установка топливопроводов МАЗ-630305, МАЗ-630303 (без подогревателя)
Установка топливопроводов МАЗ-533702
Система питания воздухом МАЗ-53302, 533603, 630303
Система питания воздухом МАЗ-533605, 533608, 630308, 630305
Система питания воздухом МАЗ-630303 с малой кабиной
Система питания воздухом МАЗ-630305 с малой кабиной
Система питания воздухом МАЗ-533702
Система охлаждения наддувочного воздуха на МАЗ-533605, МАЗ-533603, МАЗ-533602, МАЗ-630305, МАЗ-630303, МАЗ-533702
Система охлаждения наддувочного воздуха на МАЗ-533608, МАЗ-630308
Установка системы выпуска МАЗ-533602, 533603, 630303
Установка системы выпуска МАЗ-630308, 630305, 533608, 533605
Установка системы выпуска МАЗ-533702
Радиатор с кожухом на МАЗ-533605, МАЗ-533603, МАЗ-533602, МАЗ-630305, МАЗ-630303, МАЗ-533702
Радиатор с кожухом на МАЗ-533608, МАЗ-630308
Установка системы охлаждения на МАЗ-533605, МАЗ-533603, МАЗ-533602, МАЗ-630305, МАЗ-630303, МАЗ-533702
Установка системы охлаждения на МАЗ-533608, МАЗ-630308
Механизм управления сцеплением
Основание педали 64221-1602004-10, 64226-1602004
Усилитель пневмогидравлический 64221-1609200
Цилиндр подпедальный 6430-1602510
Установка привода управления коробкой передач на МАЗ-533602, МАЗ-533702
Установка привода управления коробкой передач
Тяга
Переключатель
Хвостовик
Механизм промежуточный
Рычаг 64221-1703410-01
Рычаг 543202-1703410, 5551-1703410-01
Механизм переключения передач
Карданные передачи
Карданные передачи
Мост задний
Мост задний. Установка редуктора и элементов подвески
Мост задний. Картер моста с приводом тормозного механизма
Ступица моста
Редуктор заднего моста
Редуктор заднего моста. Шестерня ведущая.
Редуктор заднего моста. Дифференциал.
Редуктор заднего моста. Шестерни ведущая и ведомая (комплект для запчастей)
Колесный редуктор
Мост задний МАЗ-533608
Мост задний МАЗ-533608. Установка редуктора и элементов подвески
Мост задний МАЗ-533608. Картер мосла с приводом тормозного механизма
Мост задний МАЗ-533608. Редуктор
Мост задний МАЗ-533608. Шестерня ведущая
Мост задний МАЗ-533608. Дифференциал
Мост средний. Вал задний
Ступица моста
Редуктор среднего моста. Дифференциал межосевой
Редуктор среднего моста. Механизм блокировки
Редуктор среднего моста. Шестерни ведущая и ведомая (комплект для запчастей)
Редуктор среднего моста. Дифференциал
Редуктор среднего моста. Шестерня ведущая
Редуктор среднего моста. Дифференциал с картером редуктора
Редуктор среднего моста автомобилей МАЗ-630308, МАЗ-630305, МАЗ-630303
Мост средний. Картер моста с приводом тормозного механизма автомобилей МАЗ-630308, МАЗ-630305, МАЗ-630303
Мост средний. Установка редуктора и элементов подвески автомобилей МАЗ-630308, МАЗ-630305, МАЗ-630303
Мост средний автомобилей МАЗ-630308, МАЗ-630305, МАЗ-630303
Буксирный прибор 5336-27072.12-11
Буксирный прибор 500А-2805002-01
Рама автомобиля-сортиментовоза МАЗ-533602
Рама автомобилей МАЗ-533608, 533605, 533603, 533602
Рама шасси МАЗ-630305,630303 под комплектацию специального оборудования
Рама автомобилей МАЗ-630308, 630305
Рама автомобиля-сортиментовоза МАЗ-630308,630305
Рама автомобиля МАЗ-533702
Рама шасси МАЗ-533702 под комплектацию специального оборудования
Установка заднего бампера
Крепление бампера
Установка бокового ограждения 6303-2800040, 53362-2800040
Установка бокового ограждения 630305-2800040, 5336205-2800040
Установка бокового ограждения 630308-2800040
Установка бокового ограждения 630308-2800040-010
Подвеска передняя автомобилей МАЗ-533608, МАЗ-533605, МАЗ-533603, МАЗ-533602, МАЗ-630308
Подвеска передняя автомобилей МАЗ-630305, МАЗ-630303
Подвеска передняя автомобиля МАЗ-533702
Подвеска балансирная автомобилей МАЗ-630308, МАЗ-630305
Подвеска балансирная автомобилей МАЗ-630308, МАЗ-630305
Подвеска задняя
Ступица переднего колеса 54326-3103006
Передняя ось 54326-3000015
Балка передней оси
Установка запасного колеса 54321-3100001-10
Установка запасного колеса 63035-3100001-10
Установка передних колес 54321-3100005
Установка задних колес 54321-3100002-020
Колесо, камера и покрышка
Тяга поперечная рулевая 64221-3003052-10
Установка рулевой колонки и рулевого механизма
Механизм рулевой
Колонка рулевая с колесом рулевого управления
Силовой цилиндр гидроусилителя рулевого управления
Кронштейн с колонкой
Тяга продольная
Установка рулевого управления
Насос
Вал нижний
Распределитель
Бак масляный
Тормозной механизм передних колес
Тормоз колеса
Рычаг регулировочный
Тормозной кран
Педаль привода тормозного крана
Тормозной кран с присоединительной арматурой МАЗ-533608, МАЗ-533605, МАЗ-533603, МАЗ-533602, МАЗ-630308, МАЗ-533702
Тормозной кран с присоединительной арматурой МАЗ-630305, МАЗ-630303
Привод стояночного тормоза и ВТС на МАЗ-533608, МАЗ-533605, МАЗ-533603, МАЗ-533602, МАЗ-630308
Привод стояночного тормоза и ВТС МАЗ-630303
Привод стояночного тормоза и ВТС на МАЗ-533702
Цилиндр останова двигателя
Установка клапана пропорционального и присоединительной арматуры МАЗ-533608, МАЗ-533605, МАЗ-533603, МАЗ-533602, МАЗ-630308, МАЗ-630305, МАЗ-630303
Установка клапана пропорционального и присоединительной арматуры МАЗ-533702
Клапан защитный четырехконтурный
Крепление четырехконтурного клапана МАЗ-533608, МАЗ-533605, МАЗ-533603, МАЗ-533602, МАЗ-630308
Крепление четырехконтурного клапана МАЗ-630305, МАЗ-630303
Крепление четырехконтурного клапана МАЗ-533702
Установка ускорительного клапана и присоединительной арматуры МАЗ-533702, МАЗ-533602, МАЗ-533603, МАЗ-533605, МАЗ-533608
Установка ускорительного клапана и присоединительной арматуры МАЗ-533602, МАЗ-533603, МАЗ-533605, МАЗ-533608
Установка ускорительного клапана и присоединительной арматуры на шасси на МАЗ-630305 под бетоносмеситель
Установка ускорительного клапана и. присоединительной арматуры на МАЗ-630303, МАЗ-630305
Установка ускорительного клапана и присоединительной арматуры на МАЗ-630308
Установка ускорительного клапана и присоединительной арматуры на МАЗ-630308
Установка ускорительного клапана и присоединительной арматуры на МАЗ-533702
Установка клапана прицепа и присоединительной арматуры на автомобили на МАЗ-533603, МАЗ-533602
Установка клапана прицепа и присоединительной арматуры на автомобили на МАЗ-533608, МАЗ-533605, МАЗ-630308
Установка клапана прицепа и присоединительной арматуры на автомобиль МАЗ-533702
Установка осушителя воздуха и присоединительной арматуры на МАЗ-533608, МАЗ-533605, МАЗ-533603, МАЗ-533602, МАЗ-630308
Установка осушителя воздуха и присоединительной арматуры
Установка осушителя воздуха и присоединительной арматуры МАЗ-533702
Установка передних модуляторов и присоединительной арматуры МАЗ-533602, МАЗ-533603, МАЗ-533605, МАЗ-533608, МАЗ-630303, МАЗ-630305, МАЗ-630308
Установка передних модуляторов и присоединительной арматуры МА5-533702
Установка задних модуляторов и присоединительной арматуры МАЗ-533602, МАЗ-533603, МАЗ-533605, МАЗ-533608, МАЗ-533702
Установка задних модуляторов и присоединительной арматуры МАЗ-630303, МАЗ-630305, МАЗ-630308
Ресивер регенерации
Установка ресивера и присоединительной арматуры на МАЗ-533608, МАЗ-533605, МАЗ-533603, МАЗ-533602 (лонжерон левый)
Установка ресивера и присоединительной арматуры на МАЗ-533608, МАЗ-533605, МАЗ-533603, МАЗ-533602, МАЗ-630308
Установка ресиверов и присоединительной арматуры МАЗ-630305, МАЗ-630303
Установка ресиверов и присоединительной арматуры МАЗ-630305, МАЗ-630303
Установка ресиверов и присоединительной арматуры на МАЗ-533608, МАЗ-533605, МАЗ-533603, МАЗ-533602, МАЗ-630308
Установка ресиверов и присоединительной арматуры на МАЗ-630308
Установка ресивера и присоединительной арматуры МАЗ-533702
Установка ресиверов и присоединительной арматуры МАЗ-533702
Регулятор тормозных сил с присоединительной арматурой на МАЗ-533608, МАЗ-533605, МАЗ-533603, МАЗ-533602
Регулятор тормозных сил с присоединительной арматурой на МАЗ-630305, МАЗ-630303
Регулятор тормозных сил с присоединительной арматурой на МАЗ-630308
Регулятор тормозных сил с присоединительной арматурой на МАЗ-533702
Установка тормозных камер и присоединительной арматуры
Крепление тормозных камер МАЗ-630308, МАЗ-630305, МАЗ-630303
Установка задних тормозных камер и присоединительной арматуры на МАЗ-533608, МАЗ-533605, МАЗ-533603, МАЗ-533602
Установка задних тормозных камер и присоединительной арматуры на МАЗ-630308, МАЗ-630305, МАЗ-630303
Установка задних тормозных камер и присоединительной арматуры на МАЗ-533702
Пневмовыводы к полуприцепу и присоединительная арматура
Установка пневмокомпрессора
Шланги
Установка плафона освещения кабины
Установка фонаря освещения спального места
Установка головных фар
Установка габаритных огней
Установка фонарей автопоезда
Установка бокового указателя поворота
Установка плафона освещения двигателя
Установка задних фонарей
Коробка задних фонарей
Установка розеток
Установка аккумуляторных батарей
Панель блоков предохранителей и реле
Установка коммутационной аппаратуры
Установка элементов электрооборудования АБС на автомобилях МАЗ-533608, МАЗ-533605, МАЗ-533603, МАЗ-533602, МАЗ-533702
Установка элементов электрооборудования АБС на автомобилях МАЗ-630308, МАЗ-630305, МАЗ-630303
Установка электронного блока управления АБС ф. WABCO на автомобилях семейства МАЗ-64221 с большой кабиной
Установка электронного блока управления АБС ф. WABCO на автомобилях семейства МАЗ-64221 с малой кабиной
Установка электронного блока АБС БПО "ЭКРАН" на автомобилях семейства МАЗ-64221 с большой кабиной
Установка электронного блока АБС БПО "ЭКРАН" на автомобилях семейства МАЗ-64221 с малой кабиной
Расположение элементов АБС в кабине автомобилей семейства МАЗ-64221
Установка датчиков на шасси
Установка датчиков на двигателе
Установка дополнительного щитка приборов
Установка приборов и выключателей
Центральный редуктор отбора мощности автомобилей МАЗ-630305, МАЗ-533702
Центральный редуктор отбора мощности автомобилей МАЗ-630305, МАЗ-533702
Центральный редуктор отбора мощности. Вал задний
Центральный редуктор отбора мощности. Крышка передняя
Установка подогревателя
Установка подогревателя
Установка топливопроводов подогревателя
Подогреватель автомобиля МАЗ-533702
Крепление предпускового подогревателя на автомобиль МАЗ-533702
Топливопроводы питания подогревателя на МАЗ-533702
1
3
9
10
11
12
15
16
17
17
18
19
23
24
25
26
27
29
30
32
33
33
34
35
37
37
39
41
41
42
43
43
44
45
45
46
47
48
49
50
Позиция на иллюстрации
Заводской номер детали
Название детали
1
15.2905006-11
Амортизатор
2
5551-2905416
Кронштейн нижний правый
3
5551-2905417
Кронштейн нижний левый
9
53361-2905470
Палец
10
500-2902409
Стремянка
11
516-2902409
Стремянка задняя
12
64221-2902412
Накладка
15
5432-2902478
Палец
16
64221-2902624
Буфер
17
500А-2905410
Буфер
18
500А-2902634
Буфер дополнительный
19
5434-2902626
Кронштейн буфера
23
500А-2912482
Клин пальца ушка задней рессоры
24
5336-2902447
Кронштейн
25
504Н-2902449
Вкладыш кронштейна рессоры
26
500-2912448-Б
Вкладыш боковой
27
221725
Винт М10-6gх35
28
201542
Болт М12-6gх35
29
200880
Болт М16-6gх160
30
202142
Болт М16х1,5-6gх38
32
201493
Болт М10-6gх16
33
250514
Гайка М12-6Н
34
250560
Гайка М16-6Н
35
374650
Гайка М24х2-6Н
36
374727
Гайка М16х1,5-5Н6Н
37
374910
Гайка М20х1,5-5Н6Н
39
264040
Масленка 2.3.90 Ц6хр
40
252007
Шайба 12
41
252137
Шайба 12.ОТ
42
252049-10
Шайба 20
43
252139
Шайба 16.ОТ
44
252136
Шайба 10.ОТ
45
258056
Шплинт 4х40
46
250512
Гайка М10-6Н
47
252136
Шайба 10.ОТ
48
64221-2902012-04
Рессора передняя
49
5551-2905540
Кронштейн верхний
50
500А-2905420
Шайба
Содержащиеся в справочниках-каталогах запасные части и детали не предлагаются к продаже, а носят исключительно информационный характер
Дополнительная информация
×
Название:
Номер:
Примечание: