Вернуться на главную
Поиск
Каталоги запчастей к технике
Грузовые автомобили и прицепы
МАЗ
МАЗ-5550V3 (V5)
Установка рулевого управления 5550V3-3400001-000
Каталог запасных частей к технике: МАЗ-5550V3 (V5). Установка рулевого управления 5550V3-3400001-000
zoom-in
zoom-out
enlarge
shrink
circle-right
circle-left
file-text2
info
cart
Тип техники
Не выбрано
Легковые автомобили
Грузовые автомобили и прицепы
Автобусы
Сельхозтехника
Спецтехника
Двигатели
Мототехника
Марка
Не выбрано
BAW
DAF
DongFeng
FAW
Foton
HOWO
Hyundai
IVECO
JAC Motors
LGMG
MAN
Shaanxi
SITRAK
Studebaker
Tata
Volvo
Автокомпонент Плюс
БелАЗ
Брянский Арсенал
ГАЗ
ЗИЛ
КАЗ
Камский автозавод
КрАЗ
Мадара
МАЗ
МЗКТ
МоАЗ
Нефтекамский автозавод
Ставропольский Завод АвтоПрицепов
ТАТРА
Тонар
УралАЗ
ЧМЗАП
Модель
Не выбрано
KNORR-BREMSE применяемых на технике МАЗ
КПП МАЗ-543205-070
МАЗ-3PP59 (1999)
МАЗ-437030 (Зубренок) (2004)
МАЗ-437040 (Зубренок) (2002)
МАЗ-437040 (Зубренок) (2005)
МАЗ-437041 (Зубренок) (2010)
МАЗ-437043 (Зубренок) (2011)
МАЗ-437130 (Зубренок) (2008)
МАЗ-4371P2-0000421-000 (2013)
МАЗ-500А
МАЗ-503А
МАЗ-504А
МАЗ-504В (2005)
МАЗ-530905 (2009)
МАЗ-5335 (2004)
МАЗ-5336 (2005)
МАЗ-53363
МАЗ-53366
МАЗ-5337
МАЗ-5337 (2005) (2005)
МАЗ-53371
МАЗ-533731 (2009)
МАЗ-533731 (2012)
МАЗ-5429 (2003)
МАЗ-543 (7310) (2008)
МАЗ-5432 (2003)
МАЗ-543202 (2003)
МАЗ-54321
МАЗ-54323
МАЗ-54326 (2000)
МАЗ-54328
МАЗ-5433
МАЗ-5434
МАЗ-543403, 641705, 641708 (2010)
МАЗ-5440 (2002)
МАЗ-544018 (2011)
МАЗ-544069
МАЗ-5440B5 (2013)
МАЗ-5440B9, 6430B9 (2013)
МАЗ-5440E9 (2011)
МАЗ-5516
МАЗ-5516 (2003) (2003)
МАЗ-551605 (2007)
МАЗ-551608, 630308 (2007)
МАЗ-551669 (2008)
МАЗ-5516А5 (2007)
МАЗ-5549 (2003)
МАЗ-5550V3 (V5) (2011)
МАЗ-5551
МАЗ-5551 (2003) (2003)
МАЗ-555102, 5551А2 (2007)
МАЗ-555142 (2007)
МАЗ-6303 (2000)
МАЗ-6303 (2005) (2005)
МАЗ-630333 (2012)
МАЗ-6303A3, 6303A5 (2007)
МАЗ-631019 (2014)
МАЗ-631236 (2007)
МАЗ-6312B9-0008425-012 (2015)
МАЗ-6317
МАЗ-631705 (2010)
МАЗ-631705, 631708 (2010)
МАЗ-6422 (2003)
МАЗ-6422, 5432 (2007)
МАЗ-64221
МАЗ-64226 (2000)
МАЗ-64229
МАЗ-642505, 642508 (2006)
МАЗ-64255
МАЗ-643018 (2015)
МАЗ-643068 (2003)
МАЗ-6430A8 (5440A8, 5440A5) (2008)
МАЗ-650108 (2008)
МАЗ-650119 (2010)
МАЗ-6501B9 (2014)
МАЗ-6501B9 (2015)
МАЗ-651669-320 (340) (2009)
МАЗ-6516V8-520 (6516V8-540) (2011)
МАЗ-651705 (2009)
МАЗ-6517X9-0000410 (2014)
МАЗ-74131 (1996)
МАЗ-83781
МАЗ-9008
МАЗ-93802
МАЗ-93866
МАЗ-938662
МАЗ-93892
МАЗ-9506
МАЗ-9758
МАЗ-9758-30
Общий (см. мод-ции)
Справочник
Схема
>
Не выбрано
Крепление двигателя 5550V3-1001002-000 (-010)
Крепление двигателя 5550V5-1001002-000 (-010)
Установка системы заливки и контроля уровня масла 5340V4-1018002-010
Установка системы заливки и контроля уровня масла 5550V5-1018002-000
Установка подогревателя 555035-1015001-010
Крепление подогревателя 555035-1015001-030
Установка топливопроводов подогревателя 643069-1015004-010
Крепление топливопроводов подогревателя 555035-1015004-010
Бачок топливный 544004-1015910
Установка шумоизоляционных экранов 555003-1061003-005
Крепление топливного бака 555035-1101002
Крепление топливного бака 5550В5-1101002-000
Бак топливный 650136-1101010
Бак топливный 6501B5-1101010
Труба наливная с пробкой 6430-1101083
Труба наливная с пробкой 4371V3-1101083-000
Топливозаборник 650108-1105014
Топливозаборник 5440В9-1105014
Хомут крепления бака 6430-1101110
Крепление топливопроводов 5340V4-1104002-000
Крепление топливопроводов 5340V4-1104002-010
Установка топливопроводов 5550V5-1104002-000
Установка топливопроводов 5550V5-1104002-010
Установка педали управления двигателем 4371V2-1108002-000
Крепление воздушного фильтра 5340V4-1109002-000
Крепление воздушного фильтра 5550V3-1109002-000
Воздухозаборник 650119-1109025
Установка системы выпуска газов 5550V3-1200001-000
Установка системы выпуска газов 5340V4-1200001-030
Установка системы охлаждения 5550V3-1300005-000
Установка системы охлаждения 5550V5-1300005-000 (-010)
Крепление расширительного бачка 5340V4-1300014-000
Радиатор с кожухом 5550V5-1301009-000, (-010)
Радиатор с кожухом 4371V2-1301009-000
Установка механизма управления сцеплением 5550V3-1600005-000, (-010)
Блок управления сцеплением 6430A5-1602004
Блок управления сцеплением 64301-1602004
Цилиндр подпедальный 6430-1602510
Педаль 6430-1602112, 64302-1602112
Педаль 6430-3504032, 64302-3504032
Толкатель 6430-3504056
Бачок 64221-1602560
Установка привода управления коробкой передач 5550V3-1700002-000
Установка привода управления коробкой передач 5340V4-1700002-020
Тяга 64301-1703490
Тяга 6422-1703490-01
Рычаг 4370-1703410
Хвостовик 5550V3-1703448-000
Хвостовик 5340V4-1703448-020
Механизм промежуточный 551639-1703325-001
Установка карданной передачи 5550V3-2200000-000
Установка карданной передачи 5550V5-2200000-000
Карданная передача 5550V5-2201006-000
Вал карданный промежуточный 6312V5-2202010-000
Вал карданный 54328-2201010-10
Крестовина карданного вала 53205-2205026-10
Мост задний 555003-2400012, -010, -600, -610, 5550A2-2400012, -010, -600, -610
Корпус водила 5440-2405029-020
Корпус водила 5440-2405029
Ступица заднего моста 543266-3104006, 543266-3104006-600
Крышка с манжетами 543266-3104034, 543266-3104034-600
Крышка 543266-3104035-000
Мост задний. Картер моста
Редуктор 555003-2402010, -600, 5336-2402010, -040
Картер редуктора
Шестерня ведущая 555003-2402021, -600, 5336-2402021-011, -611
Крышка 5432-2402050
Дифференциал 555003-2403010, 5336-2403010-020
Колодка тормоза с накладками 5440-3502090, 5440-3502091
Рычаг регулировочный 64226-3502135-010, 64226-3502136-010
Привод управляющий 64226-3501166
Вал червячный с полумуфтой 64226-3501168-010
Шестерни ведущая и ведомая (комплект для запчастей) 54321-2402020
Установка привода управления блокировкой 5440E9-2400024-000
Установка переднего бампера 5340V4-2800003-030
Рама 5550V3-2800010-000
Рама 5550V5-2800010-000
Рама 5550V3-2801002-000
Рама 5550V5-2801002-000
Буксирный прибор 5336-2707212-11
Корпус буксирного прибора 5336-2707214
Установка переднего противоподкатного бруса 6430-2800030
Установка бокового ограждения 5550V3-2800040-000
Установка бокового ограждения 5550V5-2800040-000
Установка подвески передней 650108-2900001
Рессора передняя 6430-2902012-10
Вал стабилизатора с кронштейнами 6430-2906006
Установка подвески задней 5550-2900002
Установка подвески задней 5550-2900002-010
Установка подвески задней 5550B5-2900002
Рессора дополнительная 5440-2913012-010
Рессора дополнительная 500А-2913012-01
Рессора задняя 5550-2912012
Рессора задняя 5550-2912012-010
Рессора задняя 509-2912012-13
Вал стабилизатора с рычагами 64221-2916006
Передняя ось 6430-3000015-001 (лист 1)
Передняя ось 6430-3000015-001 (лист 2)
Ступица 6430-3103006-010
Ступица 6430-3103010-010
Крышка 54326-3103034-001
Кулак поворотный 6430-3001008
Кулак поворотный 6430-3001009
Тормоз передний 5440-3501004 (5440-3501005)
Рычаг регулировочный 103-3501136-10
Тяга поперечная 64221-3003052
Наконечник 6422-3003056
Наконечник 6422-3003057
Тяга продольная 5440-3003010
Наконечник 6422-3003056-01
Установка запасного колеса 555003-3100001, -700, -710, -712
Установка запасного колеса 5550В5-3100001, -700, -710, -712
Кронштейн 5440-3105050-020
Установка задних колес
Установка передних колес 5309-3100005(-700)
Установка передних колес 6501-3100005-710 (-712)
Колесо и шина 6501-3101011, (-010), 5309-3101011
Установка шумопоглощающего колпака 5440-3104005
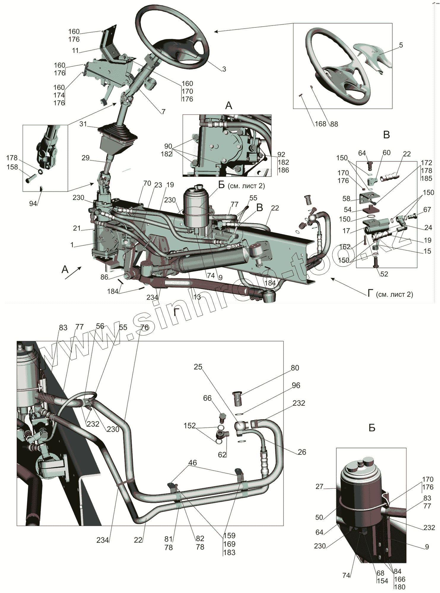
Установка рулевого управления 5550V3-3400001-000
Установка рулевого управления 5340V4-3400001-010
Рулевой механизм с кронштейном 6418-3400006
Рулевой механизм с распределителем 64221-3400010-10
Механизм рулевой 64221-3401005-10
Винт 64229-3401030
Крышка 5336-3401080
Вкладыш 64229-3401082
Клапан 64221-3430010
Распределитель 5336-3416010-01
Крышка 5336-3416035
Крышка
Кронштейн с колонкой 5440-3403008
Колонка 5440-3444010
Вал 5440-3444014
Цилиндр гидравлический 6430-3405004
Бак масляный 5336-3410010-10
Фильтр с клапаном 5336-3410051
Клапан расхода и давления 5336-3407260
Кардан нижний 6418-3444050
Шарнир карданный 6430-3444052-001
Шарнир карданный 6430-3444054-001
Уплотнение люка кабины 6418-3444256
Установка пневмотормозов 5550V3-3500003-000
Установка пневмотормозов 5550V5-3500003-000
Крепление защитного экрана 6501В5-3506040-000
Крепление ресиверов 5550V3-3513004-000
Крепление ресиверов 534003-3513004
Установка ресиверов 650136-3513005
Крепление ресиверов 643020-3513005-010
Установка ресивера 544003-3513005
Крепление клапана четырехконтурного 438041-3515002
Установка ускорительного клапана 555002-3518004
Клапан ускорительный 543240-3518004
Крепление тормозных камер 6422-3519001-10
Установка задних тормозных камер 5440-3519002-10
Крепление тормозных камер 6430-3519002-10
Пневмовывод к прицепу 5550V5-3521004-000
Установка клапана управления тормозами прицепа 54401-3522005
Крепление регулятора тормозных сил 54401-3533002-010
Установка осушителя воздуха 5516-3536004
Осушитель сжатого воздуха с глушителем 630300-3512004
Привод стояночного тормоза 5340V4-3537006-010
Привод стояночного тормоза 5550V5-3537006-000
Установка задних фонарей 5550V3-3700009-000
Установка задних фонарей 6501-3700009, 6501-3700009-700
Установка заднего противотуманного фонаря 555002-3700012
Установка заднего противотуманного фонаря 5550-3700012
Установка выключателей 555035-3700018
Установка выключателей 5550B5-3700018-000
Установка электрооборудования контроля коробки отбора мощности 5550V3-3700210-000
Установка аккумуляторных батарей 5550V3-3700008-000, 5550V3-3700008-700
Установка аккумуляторных батарей 5440A9-3700008
Установка электрооборудования на шасси 5550V3-3700010-000 (-700)
Установка электрооборудования на шасси 5550V5-3700010-000 (-700)
Установка электрооборудования на кабине 6501А9-3700076, (-700)
Установка боковых габаритных огней на шасси 5550B2-3700081-000, 5550B2-3700081-700
Установка датчиков уровня 5340V4-3700093-000, 5340V4-3724328-700
Установка пневматического сигнала 6418-3700096, 6418-3700096-700
Установка фонарей автопоезда 6501-3700099-001, 6501-3700099-701
Установка электрооборудования подогрева топливного фильтра 6516V8-3700101-000, (-700)
Установка кабелей обогрева зеркал 6430-3700108, (-700)
Установка электрооборудования управления платформой 555002-3700112, (-700)
Установка электрооборудования управления платформой 6501-3700112, (-700)
Установка реле сигнала заднего хода 555002-3700114, 555002-3700114-700
Установка электрооборудования по коробке передач 5550V3-3700148-000, 5550V3-3700148-700
Установка электрооборудования по коробке передач 5550V5-3700148-000, 5550V5-3700148-700
Установка щитка приборов и коммутационной аппаратуры 5340V4-3800001, -700
Установка противотуманных фар 447131-3700007-020
Установка и пломбировка тахографа 5440-3800005
Установка и пломбировка тахографа 5440-3800005-001
Установка электрооборудования подогревателя 544003-3700085
Установка электрооборудования подогревателя 5440E9-3700085
Установка электрооборудования кондиционера 544069-3700092
Установка электрооборудования кондиционера 6312V5-3700092-000
Установка электрооборудования независимого воздушного отопителя 6501-3700088-010
Установка боковых указателей поворота 6430-3700150
Установка электрооборудования управления микроклиматом 5440-3700103
Установка стеклоочистителя 6430-3700041-001
Привод стеклоочистителя 6430-5205500-010
Установка электрооборудования АБС тормозов
Установка электрооборудования АБС тормозов
Установка электрооборудования АБС по кабине (6516V8-3700120)
Установка электрооборудования АБС по кабине (6516V8-3700120)
Установка электрооборудования ЭСУ двигателя
Установка механизма подъема кабины 5340V4-5000040-010
Гидроцилиндр замка кабины 6430-5003100
Установка кабины 5550-5000002-060
Запорный механизм кабины 6501-5001550
Переднее подрессоривание кабины 6418-5001700-010
Переднее подрессоривание кабины 6418-5001702-010
Заднее подрессоривание 6501-5001800-010
Заднее подрессоривание кабины 6501-5001802-010
Установка обивок и ковриков 6501-5000100
Установка дополнительной термошумоизоляции 6501-5000122
Установка омывателя 6430-5200008
Установки стекла 6430-5200010
Установка панели приборов 6430-5300014-020
Установки стекла задка 6501-5600015
Установка люка 6501-5700010
Установка дверной арматуры 6430-6100010 (правая), 6430-6100011 (левая)
Установка обивок и уплотнителей дверей 6430-6100015-020
Установка и пневмопитание сидений 5340V4-6800006-000
Подставка сиденья с пневмооборудованием 6430-6807006-010
Сиденье водителя 6430-6800010
Механизм регулирования высоты 6430-6804100-010
Подушка и спинка сидения 6430-6800012
Установка зеркал 6430-8200005-010
Держатель зеркала 6430-8201010, 6430-8201011
Установка поручней в кабине 6430-8200030
Установка полки и штор 6501-8200034
Установка спального места 6501-8200010
Установка отопителя 631019-8100001
Установка отопителя 631019-8100001-010
Установка отопителя 643008-8100001
Отопитель 631019-8101010
Отопитель 631019-8101010-010
Отопитель 643008-8101010
Радиатор отопителя 643008-8101060-010
Радиатор отопителя 631019-8101060
Блок вентиляторный 643008-8118010-010
Установка шлангов отопителя 5340V4-8100006-020
Установка шлангов отопителя 5340V4-8100006-030
Установка независимого воздушного отопителя 6501-8100002-001
Установка независимого воздушного отопителя 6501-8100002-011
Установка кондиционера 4371V2-8100004-000
Установка кондиционера 5550V5-8100004-000
Установка компрессора 4371V2-8100010-000
Установка конденсатора 4371V2-8100034-000
Установка конденсатора 5550V5-8100034-000
Установка ресивера-осушителя 544020-8100036
Установка ресивера-осушителя 6516V8-8100036-000
Кляммер 544020-8117052
Установка щитков 6431-8400014-000
Установка облицовки передка 6431-8400018-000
Установка оперения 5550-8400020-050
Установка нижней подножки 544008-8400016-010
Установка экранов 544003-8400026
Установка брызговиков передних колес 5340V4-8400030-050
Установка брызговиков передних колес 5340V4-8400030-051
Установка платформы 5550-8500002 (V=6.2m3)
Установка платформы 5550-8500002-010 (V=8.4m3)
Установка платформы 5550B5-8500002
Платформа 5550-8500020 (V=6.2m3)
Платформа 5550-8500020-010 (V=8.4m3)
Платформа 5550B5-8500020
Установка тента 5550-8500004
Установка тента 555102-8500004
Установка надставных бортов 5550-8500012
Установка надставных бортов 5550-8500012-010
Установка надставных бортов 5550B5-8500012
Установка крыльев 536074-8500048-050, -060
Установка надрамника 5550B5-8600002
Установка гидрооборудования 5550V3-8600005-069, -769
Установка гидрооборудования 5550V5-8600005-069, -769
Установка масляного бака 5550V5-8600034-000
Установка цилиндра и клапана 5550-8603500
Установка цилиндра и клапана 5550V5-8603500-000
Клапан 5550-8607010
Клапан 5550V5-8607010-000
Гидроцилиндр 555102-8603510
Клапан 555102-8603508
Клапан 555102-8607300
Насос с арматурой 5550V3-8604010-000
Насос с арматурой 5550V5-8604010-000
Клапан обратный с арматурой 551639-8609238
Опора цилиндра гидроподъемника нижняя в сборе 503-8603597
Установка коробки отбора мощности 5550V3-8600007-069
Установка коробки отбора мощности 5550V5-8600007-069
Установка противооткатных упоров 555102-3900037
Установка огнетушителя 6501-3910040
Укладка рычага подъема кабины 6430-3900041
1
3
5
7
9
9
11
13
15
17
19
19
21
22
22
22
23
24
25
26
27
29
31
46
50
52
54
55
55
56
58
60
62
64
64
66
67
68
70
74
74
76
77
77
77
78
78
80
81
82
83
83
84
86
88
90
92
94
96
150
150
150
152
154
156
158
159
160
160
160
160
162
166
168
169
170
170
170
172
174
176
176
176
176
176
176
178
178
180
182
182
183
184
184
185
186
230
230
230
230
232
232
232
234
234
Позиция на иллюстрации
Заводской номер детали
Название детали
1
6418-3400006
Рулевой механизм с кронштейном
3
4370-3402015
Колесо рулевое
5
4370-3402060
Крышка
7
5440-3403008
Кронштейн с колонкой
9
544019-3403017
Кронштейн
11
5440-3403166
Кронштейн
13
6430-3405004
Цилиндр гидравлический
15
64221-3407224
Трубка
17
5336-3407260
Клапан
19
533632-3408009
Шланг
21
64221-3408009
Шланг
22
437137-3408011
Шланг
23
64221-3408013
Шланг
23
РВД.12.25.20.1050-Т
Рукав высокого давления армированный
24
630300-3408014
Наконечник
25
53367-3408040
Наконечник
26
437030-3408066
Трубопровод нагнетательный
27
5336-3410010-10
Бак масляный
29
6418-3444050
Кардан нижний
31
6418-3444256
Уплотнение люка кабины
46
54321-3124049
Кронштейн
50
5336-3403021
Хомут
52
503-3405188-10
Болт
54
551654-3407221
Фланец
55
437030-3407227
Шланг
56
437030-3407258
Тройник
58
437137-3407259
Кронштейн
60
64221-3408016
Наконечник
62
642539-3408016
Наконечник
64
64221-3408017
Болт приводной
66
642539-3408017
Болт приводной
67
630300-3408017
Болт приводной
68
5336-3408018-001
Наконечник
70
642268-3408024
Шланг
74
5336-3408031
Болт приводной
76
555035-3408082
Шланг
77
5336-3408082
Шланг
78
64227-3506027
Прокладка
80
64221-3509254
Наконечник
81
64221-3724631
Хомут
82
64221-3724634
Хомут
83
55514-8609022
Пружина защитная
84
250514
Гайка М12-6Н
86
251035
Гайка М24х2-5Н6Н
88
252037
Шайба 6
90
372653
Болт М16х1,5-6gх85
92
374727
Гайка М16х1,5-5Н6Н
94
378057
Шпонка 5х7,5
96
376291
Шайба
150
018-022-25-2-3
Кольцо
152
019-023-25-2-3
Кольцо 019-023-25-2-3
154
021-025-25-2-3
Кольцо
156
028-033-30-2-3
Кольцо
158
200315
Болт М10-6gх40
159
201420
Болт М6-6gх20
160
201456
Болт М8-6gх20
162
201464
Болт М8-6gх40
166
201540
Болт М12-6gх30
168
234657-10
Винт 2М6-6gх20
169
250508
Гайка М6-6Н
170
250510
Гайка М8-6Н
172
250512
Гайка М10-6Н
174
252005
Шайба 8
176
252135
Шайба 8Т
178
252136
Шайба 10.ОТ
180
252137
Шайба 12.ОТ
182
252139
Шайба 16.ОТ
183
252154
Шайба 6Л
184
258069
Шплинт 5х36
185
370906
Болт М10-6gх30
186
372613
Болт М16х1,5-6gх55
230
16-25/972
Хомут
232
25-40/972
Хомут червячный
234
TSL-200-S
Кабельная стяжка
Содержащиеся в справочниках-каталогах запасные части и детали не предлагаются к продаже, а носят исключительно информационный характер
Дополнительная информация
×
Название:
Номер:
Примечание: