Вернуться на главную
Поиск
Каталоги запчастей к технике
Грузовые автомобили и прицепы
МАЗ
МАЗ-5440E9
Установка электрооборудования управления микроклиматом 5440-3700103
Каталог запасных частей к технике: МАЗ-5440E9. Установка электрооборудования управления микроклиматом 5440-3700103
zoom-in
zoom-out
enlarge
shrink
circle-right
circle-left
file-text2
info
cart
Тип техники
Не выбрано
Легковые автомобили
Грузовые автомобили и прицепы
Автобусы
Сельхозтехника
Спецтехника
Двигатели
Мототехника
Марка
Не выбрано
BAW
DAF
DongFeng
FAW
Foton
HOWO
Hyundai
IVECO
JAC Motors
LGMG
MAN
Shaanxi
SITRAK
Studebaker
Tata
Volvo
Автокомпонент Плюс
БелАЗ
Брянский Арсенал
ГАЗ
ЗИЛ
КАЗ
Камский автозавод
КрАЗ
Мадара
МАЗ
МЗКТ
МоАЗ
Нефтекамский автозавод
Ставропольский Завод АвтоПрицепов
ТАТРА
Тонар
УралАЗ
ЧМЗАП
Модель
Не выбрано
KNORR-BREMSE применяемых на технике МАЗ
КПП МАЗ-543205-070
МАЗ-3PP59 (1999)
МАЗ-437030 (Зубренок) (2004)
МАЗ-437040 (Зубренок) (2002)
МАЗ-437040 (Зубренок) (2005)
МАЗ-437041 (Зубренок) (2010)
МАЗ-437043 (Зубренок) (2011)
МАЗ-437130 (Зубренок) (2008)
МАЗ-4371P2-0000421-000 (2013)
МАЗ-500А
МАЗ-503А
МАЗ-504А
МАЗ-504В (2005)
МАЗ-530905 (2009)
МАЗ-5335 (2004)
МАЗ-5336 (2005)
МАЗ-53363
МАЗ-53366
МАЗ-5337
МАЗ-5337 (2005) (2005)
МАЗ-53371
МАЗ-533731 (2009)
МАЗ-533731 (2012)
МАЗ-5429 (2003)
МАЗ-543 (7310) (2008)
МАЗ-5432 (2003)
МАЗ-543202 (2003)
МАЗ-54321
МАЗ-54323
МАЗ-54326 (2000)
МАЗ-54328
МАЗ-5433
МАЗ-5434
МАЗ-543403, 641705, 641708 (2010)
МАЗ-5440 (2002)
МАЗ-544018 (2011)
МАЗ-544069
МАЗ-5440B5 (2013)
МАЗ-5440B9, 6430B9 (2013)
МАЗ-5440E9 (2011)
МАЗ-5516
МАЗ-5516 (2003) (2003)
МАЗ-551605 (2007)
МАЗ-551608, 630308 (2007)
МАЗ-551669 (2008)
МАЗ-5516А5 (2007)
МАЗ-5549 (2003)
МАЗ-5550V3 (V5) (2011)
МАЗ-5551
МАЗ-5551 (2003) (2003)
МАЗ-555102, 5551А2 (2007)
МАЗ-555142 (2007)
МАЗ-6303 (2000)
МАЗ-6303 (2005) (2005)
МАЗ-630333 (2012)
МАЗ-6303A3, 6303A5 (2007)
МАЗ-631019 (2014)
МАЗ-631236 (2007)
МАЗ-6312B9-0008425-012 (2015)
МАЗ-6317
МАЗ-631705 (2010)
МАЗ-631705, 631708 (2010)
МАЗ-6422 (2003)
МАЗ-6422, 5432 (2007)
МАЗ-64221
МАЗ-64226 (2000)
МАЗ-64229
МАЗ-642505, 642508 (2006)
МАЗ-64255
МАЗ-643018 (2015)
МАЗ-643068 (2003)
МАЗ-6430A8 (5440A8, 5440A5) (2008)
МАЗ-650108 (2008)
МАЗ-650119 (2010)
МАЗ-6501B9 (2014)
МАЗ-6501B9 (2015)
МАЗ-651669-320 (340) (2009)
МАЗ-6516V8-520 (6516V8-540) (2011)
МАЗ-651705 (2009)
МАЗ-6517X9-0000410 (2014)
МАЗ-74131 (1996)
МАЗ-83781
МАЗ-9008
МАЗ-93802
МАЗ-93866
МАЗ-938662
МАЗ-93892
МАЗ-9506
МАЗ-9758
МАЗ-9758-30
Общий (см. мод-ции)
Справочник
Схема
>
Не выбрано
Установка противооткатных упоров 544018-3900037
Установка огнетушителя 6430-3910040
Установка кабины 6431E9-5000002-010
Запорный механизм кабины 6501-5001550
Переднее подрессоривание кабины 643019-5001700
Переднее подрессоривание 643019-5001702
Заднее подрессоривание 6501-5001800
Заднее подрессоривание 6501-5001802
Заднее подрессоривание 6501-5001803
Пневмопитание подвески кабины 643019-5001930
Установка дополнительной термошумоизоляции 643019-5000122
Установка инструментального ящика 6430-5000115-020
Установка омывателя 6430-5200008
Установки стекла 6430-5200010
Установка панели приборов 6430-5300014-020
Установка люка 6430-5700010-020
Установка дверной арматуры 6430-6100010 (правая), 6430-6100011 (левая)
Установка и пневмопитание сидений 5440Е9-6800006
Установка зеркал 6430-8200005-010
Установка зеркал 6430-8200005-020
Держатель зеркала 6430-8201010, 6430-8201011
Установка спальных мест, шкафов и шторы 6430-8200010-020
Установка поручней в кабине 6430-8200030
Установка полки, штор, козырька 6430-8200034
Штора противосолнечная 6430-8204110
Установка стенки 6430-8200041
Установка щитков 6432-8400014-000
Установка облицовки передка 6431-8400018-000
Установка оперения 6431-8400020-010
Оперение 6312-8400010-010
Оперение 6312-8400011-010
Механизм подъема кабины 544019-5000040
Установка механизма подъема кабины 544019-5000040-010
Укладка рычага подъема кабины 6430-3900041
Гидроцилиндр замка кабины 6430-5003100
Гидроцилиндр 6430-5003010
Шток с поршнем и крышкой 6430-5003040-010
Насос механизма подъема кабины 6430-5004010
Установка козырька 6430-8000012
Установка обтекателей 6430-8000014-010
Установка отопителя 631019-8100001-010
Установка отопителя 631019-8100001
Установка отопителя 643008-8100001
Отопитель 631019-8101010-010
Отопитель 631019-8101010
Отопитель 643008-8101010
Радиатор отопителя 643008-8101060-010
Радиатор отопителя 631019-8101060
Блок вентиляторный 643008-8118010-010
Установка шлангов отопителя 544019-8100006-020
Установка шлангов отопителя 544019-8100006-030
Установка независимого воздушного отопителя 544019-8100002-010
Установка независимого воздушного отопителя 544019-8100002-011
Установка независимого воздушного отопителя 6430-8100002
Установка независимого воздушного отопителя 6430-8100002-001
Установка независимого воздушного отопителя 6430-8100002-021
Установка кондиционера 544019-8100004
Установка ресивера-осушителя 544020-8100036
Кляммер 544020-8117052
Установка конденсатора 643008-8100034
Установка нижней подножки 643019-8400016-010
Установка экранов 544003-8400026
Установка брызговиков передних колес 643019-8400030
Установка брызговиков передних колес 643019-8400030-001
Установка крыльев 544019-8500048-050
Установка крыльев 544019-8500048-060
Установка крыльев 544019-8500048-070
Установка крыльев 544019-8500048-075
Крепление двигателя 5440Е9-1001002
Крепление двигателя 5440Е9-1001002-010
Установка системы заливки и контроля уровня масла 544019-1018002
Установка подогревателя 544019-1015001
Топливопроводы питания подогревателя 544019-1015004
Бачок топливный 544004-1015910
Установка шумоизоляционных экранов 544019-1061002-006
Установка шумоизоляционых экранов 544019-1061004-006
Крепление топливного бака 544019-1101002 (500 литров)
Крепление топливного бака 544019-1101002-010 (700 литров)
Бак топливный 544009-1101010
Бак топливный 544019-1101010
Труба наливная с пробкой 6430-1101083
Топливозаборник 650108-1105014
Хомут крепления бака 6430-1101110
Крепление топливопроводов 544019-1104002
Крепление топливопроводов 544019-1104002-010
Установка педали управления двигателем 544019-1108002-010
Крепление воздушного фильтра 544019-1109002-001
Установка системы выпуска газов 5440Е9-1200001
Установка системы охлаждения 544019-1300005-010
Установка системы охлаждения 544019-1300005
Уплотнитель с пластиной 544019-1310068-010
Крепление защитной сетки 544019-1300016
Установка системы охлаждения наддувочного воздуха 544019-1300040
Радиатор с кожухом 544019-1301009
Установка системы подавления токсичных веществ 544019-1400001
Крепление бака 544019-1401002
Хомут с прокладкой 544019-1401110
Трубопроводы подогрева системы подавления токсичных веществ 544019-1402001
Шланги в оболочке 544019-1402010
Крепление трубопроводов системы подавления токсичных веществ 544019-1404002
Крепление аппаратов подготовки воздуха 5440Е9-1401010
Установка механизма управления сцеплением 5440Е9-1600005
Блок управления сцеплением и тормозами 544019-1602004
Цилиндр подпедальный 6430-1602510
Педаль 64302-1602112
Педаль 64302-3504032
Толкатель 6430-1602568
Толкатель 6430-3504056
Установка привода управления коробкой передач и демультипликатором 5440Е9-1700002-000
Установка привода управления коробкой передач и демультипликатором 5440E9-1700002-010
Тяга 64221-1703490-01
Тяга 64302-1703490-010
Наконечник 6422-1703250
Рычаг 64301-1703410-060
Рычаг 5440Е9-1703410-010
Хвостовик 544019-1703448
Хвостовик 544019-1703447
Механизм промежуточный 551639-1703325-001
Установка карданного вала 544019-2200000
Вал карданный 5309-2201010
Мост задний
Корпус водила 5440-2405029-020
Корпус водила 5440-2405029 (альтернатива комплекта 5440-2405029-020)
Ступица с крышкой 544019-3104006
Крышка с манжетами 544019-3104034
Картер моста 64301-2401010-030
Редуктор
Картер редуктора 5440-2402015-010
Шестерня ведущая 544019-2402021, 544019-2402021-010
Крышка 544019-2402050
Дифференциал 5440-2403010, 5440-2403010-10, 5440-2403010-600, 5440-2403010-610
Колодка тормоза с накладками 5440-3502090,5440-3502091
Рычаг регулировочный 64226-3502135-010, 64226-3502136-010
Привод управляющий 64226-3501166
Вал червячный с полумуфтой 64226-3501168-010
Шестерни ведущая и ведомая 5551-2402020-040 (комплект для запчастей)
Установка привода управления блокировки 544019-2400024
Установка переднего бампера 5440E9-2800003-010
Бампер передний 5440Е9-2803010
Рама 5440Е9-2800010-030
Рама 5440Е9-2801002-030
Установка площадки шасси и подножки 544018-2800026
Установка переднего противоподкатного бруса 643018-2800030-010
Установка поручня 544069-2800036
Установка подвески передней 5440-2900001-030
Установка подвески передней 5440-2900001-031
Установка подвески передней 544018-2900001-030
Установка подвески передней 544018-2900001-031
Рессора передняя 6430-2902012-10
Вал стабилизатора с кронштейнами 6430-2906006
Установка пневмоподвески задней 544019-2900002-030, 544019-2900002-030
Вал стабилизатора с кронштейнами 6430-2916006
Штанга реактивная 6430-2919014
Штанга реактивная 6430-2919015
Пневмобаллон 544019-2934014
Тяга регулятора 544019-2935027
Установка трубопроводов ECAS 5440Е9-2900018
Установка рессивера 5440-2926004
Блок электропневмоклапанов ECAs с угольниками 5440Е9-2926006
Установка датчиков перемещения ECAS 544019-2935006
Передняя ось 544019-3000015
Передняя ось 544019-3000015
Ступица передних колес 6430-3103006-010
Ступица 6430-3103010-010
Крышка 54326-3103034-001
Тяга поперечная 64221-3003052
Наконечник 6422-3003056
Наконечник 6422-3003057
Тормозной механизм передних колес 152-3501004 (152-3501005)
Тяга продольная 5440-3003010
Наконечник 6422-3003056-01
Установка запасного колеса
Кронштейн 544018-3105050
Установка задних колес
Установка передних колес
Колеса и шины
Установка шумопоглощающего колпака 5440-3104005
Установка рулевого управления 5440Е9-3400001 (лист 1)
Установка рулевого управления 5440E9-3400001 (лист 2)
Рулевой механизм с кронштейном 544019-3400006
Рулевой механизм с распределителем 64221-3400010-10
Механизм рулевой 64221-3401005-10
Винт 64229-3401030
Крышка 5336-3401080
Клапан 64221-3430010
Вкладыш 64229-3401082
Распределитель 5336-3416010-01
Кронштейн с колонкой 5440-3403008
Колонка 5440-3444010
Вал 5440-3444014
Цилиндр гидравлический 6430-3405004
Бак масляный 64221-34100008
Бак масляный 5336-3410010-10
Фильтр с клапаном 5336-3410051
Вал нижний 5336-3444050
Шарнир карданный 6430-3444052-001
Шарнир карданный 6430-3444054-001
Клапан расхода и давления 5336-3407260
Уплотнение люка кабины 5440-3444256-010
Установка пневмотормозов 5440E9-3500003 (-010)
Крепление охладителя 544019-3506020
Установка ресивера 544018-3513004
Установка ресивера 544018-3513005
Крепление ресиверов и присоединительной арматуры 544018-3513007
Установка ресивера 544019-3513007
Крепление четырехконтурного клапана 544019-3515002
Установка ускорительного клапана стояночной тормозной системы 544019-3518004
Установка ускорительного клапана 544019-3518005
Установка тормозных камер 6422-3519001-10
Установка задних тормозных камер 5440-3519002-10
Пневмовыводы на полуприцеп 544019-3521004
Установка клапана управления тормозами прицепа 54401-3522005
Установка осушителя воздуха 544019-3536004
Осушитель сжатого воздуха с глушителем 630300-3512004
Привод стояночного тормоза 5440Е9-3537006
Шланги
Соединение для ремонта поврежденных трубопроводов
Установка задних фонарей 544019-3700009
Установка электрооборудования на шасси 5440Е9-3700010-000
Установка штепсельных розеток 544019-3700015
Установка выключателей 54402-3700018
Установка панели на полке 544019-7901080
Установка аккумуляторных батарей 650119-3700008
Установка электрооборудования по кабине 5440А9-3700076
Установка пневмосигнала 6430-3700096
Установка электрооборудования на двигателе 5340Е9-3700098
Установка фонарей автопоезда 6430-3700099
Установка кабелей обогрева зеркал 6430-3700108
Установка преобразователя напряжения 6430-3700109
Установка щитка приборов и коммутационной аппаратуры 5440-3800001
Установка противотуманных фар 643019-3700007
Установка и пломбировка тахографа 544069-3800005, (001), (010)
Установка таймера 544019-3700086
Установка электрооборудования подогревателя 544019-3700085
Установка электрооборудования кондиционера 643008-3700092
Установка электрооборудования независимого отопителя 6430-3700088
Установка электрооборудования независимого отопителя 6430-3700088-010
Установка стеклоочистителя 6430-3700041-001
Привод стеклоочистителя 6430-5205500-010
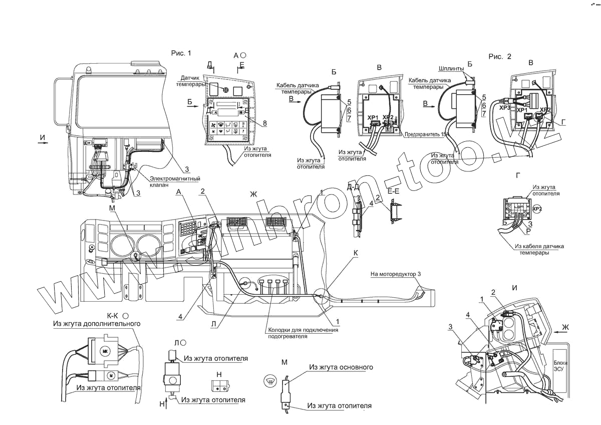
Установка электрооборудования управления микроклиматом 5440-3700103
Установка переключателей отопителя 6430-3700100-010
Установка электрооборудования АБС тормозов 544019-3800040-010
Установка электрооборудования АБС по кабине 5440А9-3700120-010
Установка электрооборудования пневмоподвески по шасси 544019-3800050
Установка электрооборудования пневмоподвески по кабине 544019-3700128
Установка пульта управления пневмоподвеской 544019-3700153
Установка электрооборудования ЭСУ двигателя 534019-3800060-010
Установка седельного устройства 5440-2700001
Установка седельного устройства 5440-2700001-012, (-013)
Седельно-сцепное устройство 64221-2702010-01
Седельно-сцепное устройство 5440-2702010
1
1
1
1
2
2
2
3
3
3
3
4
4
4
5
5
6
6
7
7
8
8
Позиция на иллюстрации
Заводской номер детали
Название детали
1
5440-3724087-001
Жгут отопителя
1
5440-3724087
Жгут отопителя
2
64221-3710016
Заглушка
3
6430-3724624
Хомут
3
8320233
Кабельная стяжка
4
54402-3870029
Заглушка
5
250464
Гайка М5-6Н
6
252003
Шайба 5
7
252133
Шайба 5Т
8
ТАИС.436714.021-01
Блок управления микроклиматом БУМ
8
ТАИС.436714.021
Блок управления микроклиматом БУМ
Содержащиеся в справочниках-каталогах запасные части и детали не предлагаются к продаже, а носят исключительно информационный характер
Дополнительная информация
×
Название:
Номер:
Примечание: