Вернуться на главную
Поиск
Каталоги запчастей к технике
Грузовые автомобили и прицепы
МАЗ
МАЗ-5440
Установка ручек, замка и ограничителя двери
Каталог запасных частей к технике: МАЗ-5440. Установка ручек, замка и ограничителя двери
zoom-in
zoom-out
enlarge
shrink
circle-right
circle-left
file-text2
info
cart
Тип техники
Не выбрано
Легковые автомобили
Грузовые автомобили и прицепы
Автобусы
Сельхозтехника
Спецтехника
Двигатели
Мототехника
Марка
Не выбрано
BAW
DAF
DongFeng
FAW
Foton
HOWO
Hyundai
IVECO
JAC Motors
LGMG
MAN
Shaanxi
SITRAK
Studebaker
Tata
Volvo
Автокомпонент Плюс
БелАЗ
Брянский Арсенал
ГАЗ
ЗИЛ
КАЗ
Камский автозавод
КрАЗ
Мадара
МАЗ
МЗКТ
МоАЗ
Нефтекамский автозавод
Ставропольский Завод АвтоПрицепов
ТАТРА
Тонар
УралАЗ
ЧМЗАП
Модель
Не выбрано
KNORR-BREMSE применяемых на технике МАЗ
КПП МАЗ-543205-070
МАЗ-3PP59 (1999)
МАЗ-437030 (Зубренок) (2004)
МАЗ-437040 (Зубренок) (2002)
МАЗ-437040 (Зубренок) (2005)
МАЗ-437041 (Зубренок) (2010)
МАЗ-437043 (Зубренок) (2011)
МАЗ-437130 (Зубренок) (2008)
МАЗ-4371P2-0000421-000 (2013)
МАЗ-500А
МАЗ-503А
МАЗ-504А
МАЗ-504В (2005)
МАЗ-530905 (2009)
МАЗ-5335 (2004)
МАЗ-5336 (2005)
МАЗ-53363
МАЗ-53366
МАЗ-5337
МАЗ-5337 (2005) (2005)
МАЗ-53371
МАЗ-533731 (2009)
МАЗ-533731 (2012)
МАЗ-5429 (2003)
МАЗ-543 (7310) (2008)
МАЗ-5432 (2003)
МАЗ-543202 (2003)
МАЗ-54321
МАЗ-54323
МАЗ-54326 (2000)
МАЗ-54328
МАЗ-5433
МАЗ-5434
МАЗ-543403, 641705, 641708 (2010)
МАЗ-5440 (2002)
МАЗ-544018 (2011)
МАЗ-544069
МАЗ-5440B5 (2013)
МАЗ-5440B9, 6430B9 (2013)
МАЗ-5440E9 (2011)
МАЗ-5516
МАЗ-5516 (2003) (2003)
МАЗ-551605 (2007)
МАЗ-551608, 630308 (2007)
МАЗ-551669 (2008)
МАЗ-5516А5 (2007)
МАЗ-5549 (2003)
МАЗ-5550V3 (V5) (2011)
МАЗ-5551
МАЗ-5551 (2003) (2003)
МАЗ-555102, 5551А2 (2007)
МАЗ-555142 (2007)
МАЗ-6303 (2000)
МАЗ-6303 (2005) (2005)
МАЗ-630333 (2012)
МАЗ-6303A3, 6303A5 (2007)
МАЗ-631019 (2014)
МАЗ-631236 (2007)
МАЗ-6312B9-0008425-012 (2015)
МАЗ-6317
МАЗ-631705 (2010)
МАЗ-631705, 631708 (2010)
МАЗ-6422 (2003)
МАЗ-6422, 5432 (2007)
МАЗ-64221
МАЗ-64226 (2000)
МАЗ-64229
МАЗ-642505, 642508 (2006)
МАЗ-64255
МАЗ-643018 (2015)
МАЗ-643068 (2003)
МАЗ-6430A8 (5440A8, 5440A5) (2008)
МАЗ-650108 (2008)
МАЗ-650119 (2010)
МАЗ-6501B9 (2014)
МАЗ-6501B9 (2015)
МАЗ-651669-320 (340) (2009)
МАЗ-6516V8-520 (6516V8-540) (2011)
МАЗ-651705 (2009)
МАЗ-6517X9-0000410 (2014)
МАЗ-74131 (1996)
МАЗ-83781
МАЗ-9008
МАЗ-93802
МАЗ-93866
МАЗ-938662
МАЗ-93892
МАЗ-9506
МАЗ-9758
МАЗ-9758-30
Общий (см. мод-ции)
Справочник
Схема
>
Не выбрано
Переднее подрессоривание кабины
Заднее подрессоривание кабины
Запорный механизм кабины
Установка регуляторов положения кабины
Механизм подъема кабины
Установка инструментального ящика
Установка панели приборов
Установка ручек, замка и ограничителя двери
Установка опускного стекла
Установка стеклоподъемника и ручки стеклоподъемника
Сиденье
Механизм регулирования высоты сиденья
Подставка сиденья с пневмооборудованием
Установка и пневмопитание сиденья
Механизм поворота и фиксации спинки сиденья
Установка обтекателя и закрылков
Установка поручней в кабине
Установка ремней безопасности
Установка спальных мест, шкафов и шторы
Штора противосолнечная
Установка шторок и козырька
Полка
Установка облицовки и боковых щитков
Крепление двигателя 64302-1001002
Крепление двигателя 64301-1001002
Крепление двигателя 64301-1001002-010
Крепление двигателя 64301-1001002-020
Установка подогревателя
Привод выключения двигателя
Привод останова двигателя
Привод подачи топлива
Привод подачи топлива
Крепление топливного бака и бачка подогревателя
Топливопроводы системы питания МАЗ 544008, 643008
Топливопроводы системы питания 544020, 643068
Установка системы выпуска
Установка системы выпуска
Радиатор с кожухом
Установка системы охлаждения
Система охлаждения наддувочного воздуха
Механизм управления сцеплением
Блок управления сцеплением и тормозами
Блок управления сцеплением и тормозами
Усилитель пневмогидравлический
Цилиндр подпедальный
Привод переключения коробки передач
Привод переключения коробки передач
Механизм промежуточный 6430-1703325
Переключатель
Рычаг
Тяга
Хвостовик 64302-1703447
Хвостовик 64302-1703448
Хвостовик 6430-1703448-040
Карданный вал 6430-2201010
Карданный вал 5440-2201010
Мост задний
Мост задний. Установка редуктора и элементов подвески
Мост задний.
Колесный редуктор
Редуктор заднего моста
Шестерни ведущая и ведомая
Редуктор заднего моста
5440-2402021-002 Шестерня ведущая
Мост средний
Мост средний. Установка редуктора и вала заднего
Мост средний. Картер моста
Редуктор среднего моста
Редуктор среднего моста. Дифференциал с картером редуктора
Редуктор среднего моста. Шестерня ведущая
Редуктор среднего моста. Дифференциал межосевой
Редуктор среднего моста. Межколесная блокировка дифференциала
Мост средний. Вал задний
Рама 544008-рессорная подвеска
Рама 544002-пневмоподвеска
Рама 6430-рессорная подвеска
Рама 6430-пневмоподвеска
Подвеска передняя
Подвеска задняя пневматическая
Подвеска задняя
Подвеска балансирная
Рессора задняя
Ось передняя
Балка передней оси
Тяга поперечная рулевая
Наконечник
Тяга продольная
Корпус шарнира
Установка запасного колеса
Ступица переднего колеса
Установка колес на задний и средний мосты
Установка передних колес
Ступица заднего моста
Распределитель
Механизм рулевой
Колонка рулевая с колесом рулевого управления
Насос
Крышка
Цилиндр
Цилиндр ЦГ80-360-3405010-20
Винт с гайкой-рейкой
Рычаг регулировочный
Привод тормозного механизма задних колес
Тормозной механизм передних колес
Тормоз заднего колеса
Камера тормозная
Установка тормозных камер и присоединительной арматуры
Установка клапана управления тормозами прицепа и присоединительной арматуры
Установка датчиков
Установка осушителя воздуха и присоединительной арматуры
Установка тормозного клапана ASR
Крепление четырехконтурного клапана
Установка модуляторов и присоединительной арматуры
Установка передних модуляторов и присоединительной арматуры
Пневмовыводы и присоединительная арматура
Установка ресиверов и присоединительной арматуры
Установка ресиверов и присоединительной арматуры
Установка ресивера и присоединительной арматуры
Установка регулятора тормозных сил и присоединительной арматуры
Установка ускорительного клапана и присоединительной арматуры
Установка задних тормозных камер и присоединительной арматуры
Управление тормозным краном
Управление стояночным и моторным тормозом МАЗ-544020
Управление стояночным и моторным тормозом МАЗ-643068, 643008, 544008
Установка пневмокомпрессора
Установка головных фар
Установка противотуманной фары
Установка указателя поворота бокового
Установка фонаря автопоезда
Установка габаритных огней
Коробка задних фонарей
Установка задних фонарей
Установка задних фонарей
Установка розеток и фары освещения сцепки
Установка плафонов освещения
Установка звуковых сигналов
Установка электрооборудования
Установка аккумуляторных батарей
Установка элементов электрооборудования
Установка элементов электрооборудования электронных систем на автомобилях
Контрольные лампы
Ввод жгутов ABS/ASR, EGAS и EDC в кабину автомобиля МАЗ-544020/643068
Электрооборудование
Установка элементов электрооборудования электронных систем на автомобилях
Установка элементов электрооборудования электронных систем на автомобилях
Контрольные лампы
Установка блока коммутационной аппаратуры
Выключатель ABS, ASR и EGAS
Ввод жгутов ABS/ASR, EGAS и EDS в кабину автомобиля МАЗ-544008/643008
Установка датчиков на шасси МАЗ-5440
Установка датчиков на шасси МАЗ-6430
Установка приборов и выключателей
Расположение элементов электронных систем в кабине автомобилей семейства МАЗ-544020/643068
Установка электронных блоков на автомобиле МАЗ-544020-643068
Установка пульта пневмоподвески
Панель реле и предохранителей автомобиля МАЗ-544020/643068
Подрулевой переключатель автомобилей МАЗ-544020/643028
Расположение элементов электронных систем в кабине автомобилей семейства МАЗ-544008/643008
Выключатели ABS, ASR и EGAS
Установка электронных блоков на автомобиле МАЗ-544008-643008
Установка пульта пневмоподвески
Панель реле и предохранителей автомобиля МАЗ-544008/643008
Седельно-сцепное устройство
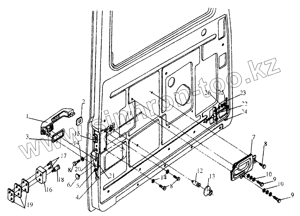
1
2
3
4
5
6
7
8
8
8
9
9
10
10
11
12
13
14
14
15
16
17
18
19
20
21
22
23
24
25
26
Позиция на иллюстрации
Заводской номер детали
Название детали
6430-6105104
6430-6105104
Тяга фиксатора правая
6430-6105102
6430-6105102
Тяга привода правая
ИЖКС.332587.006-001
ИЖКС.332587.006-001
Ручка наружная правая
ИЖКС.332587.007-001
ИЖКС.332587.007-001
Ручка внутренняя правая
6430-6105036
6430-6105036
Обойма фиксатора правая
ИЖКС.304265.004-001
ИЖКС.304265.004-001
Замок правый
1
ИЖКС.332587.006
Ручка наружная левая
2
6430-6105159
Прокладка задняя
3
6430-6105158-10
Прокладка передняя
4
201452
Болт М8х12
5
252270-02
Шайба 8
6
6430-6105165
Заглушка
7
ИЖКС.332587.007
Ручка внутренняя левая
8
201416
Болт М6-6gх12
9
201418
Болт М6-6gх16
10
252004
Шайба 6
11
6430-6105103
Тяга привода левая
12
6430-6105110
Основание кнопки
13
6430-6105108
Кнопка выключателя
14
252174
Шайба 26
15
ИЖКС.304265.004
Замок левый
16
6430-6105037
Обойма фиксатора левая
17
231664
Винт 2М8-6gх20
18
6430-6105039
Фиксатор
19
6430-6105040
Прокладка регулировочная
20
6430-6105105
Тяга фиксатора левая
21
6430-6105101
Тяга наружного привода
22
6430-6106072
Ограничитель
23
260013
Палец 6х22
24
258024
Шплинт 2,5х16
25
250508
Гайка М6-6Н
26
252134
Шайба 6Т
Содержащиеся в справочниках-каталогах запасные части и детали не предлагаются к продаже, а носят исключительно информационный характер
Дополнительная информация
×
Название:
Номер:
Примечание: