Вернуться на главную
Поиск
Каталоги запчастей к технике
Грузовые автомобили и прицепы
МАЗ
МАЗ-543 (7310)
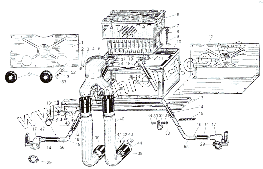
Установка воздухоочистителя 543М
Каталог запасных частей к технике: МАЗ-543 (7310). Установка воздухоочистителя 543М
zoom-in
zoom-out
enlarge
shrink
circle-right
circle-left
file-text2
info
cart
Тип техники
Не выбрано
Легковые автомобили
Грузовые автомобили и прицепы
Автобусы
Сельхозтехника
Спецтехника
Двигатели
Мототехника
Марка
Не выбрано
BAW
DAF
DongFeng
FAW
Foton
HOWO
Hyundai
IVECO
JAC Motors
LGMG
MAN
Shaanxi
SITRAK
Studebaker
Tata
Volvo
Автокомпонент Плюс
БелАЗ
Брянский Арсенал
ГАЗ
ЗИЛ
КАЗ
Камский автозавод
КрАЗ
Мадара
МАЗ
МЗКТ
МоАЗ
Нефтекамский автозавод
Ставропольский Завод АвтоПрицепов
ТАТРА
Тонар
УралАЗ
ЧМЗАП
Модель
Не выбрано
KNORR-BREMSE применяемых на технике МАЗ
КПП МАЗ-543205-070
МАЗ-3PP59 (1999)
МАЗ-437030 (Зубренок) (2004)
МАЗ-437040 (Зубренок) (2002)
МАЗ-437040 (Зубренок) (2005)
МАЗ-437041 (Зубренок) (2010)
МАЗ-437043 (Зубренок) (2011)
МАЗ-437130 (Зубренок) (2008)
МАЗ-4371P2-0000421-000 (2013)
МАЗ-500А
МАЗ-503А
МАЗ-504А
МАЗ-504В (2005)
МАЗ-530905 (2009)
МАЗ-5335 (2004)
МАЗ-5336 (2005)
МАЗ-53363
МАЗ-53366
МАЗ-5337
МАЗ-5337 (2005) (2005)
МАЗ-53371
МАЗ-533731 (2009)
МАЗ-533731 (2012)
МАЗ-5429 (2003)
МАЗ-543 (7310) (2008)
МАЗ-5432 (2003)
МАЗ-543202 (2003)
МАЗ-54321
МАЗ-54323
МАЗ-54326 (2000)
МАЗ-54328
МАЗ-5433
МАЗ-5434
МАЗ-543403, 641705, 641708 (2010)
МАЗ-5440 (2002)
МАЗ-544018 (2011)
МАЗ-544069
МАЗ-5440B5 (2013)
МАЗ-5440B9, 6430B9 (2013)
МАЗ-5440E9 (2011)
МАЗ-5516
МАЗ-5516 (2003) (2003)
МАЗ-551605 (2007)
МАЗ-551608, 630308 (2007)
МАЗ-551669 (2008)
МАЗ-5516А5 (2007)
МАЗ-5549 (2003)
МАЗ-5550V3 (V5) (2011)
МАЗ-5551
МАЗ-5551 (2003) (2003)
МАЗ-555102, 5551А2 (2007)
МАЗ-555142 (2007)
МАЗ-6303 (2000)
МАЗ-6303 (2005) (2005)
МАЗ-630333 (2012)
МАЗ-6303A3, 6303A5 (2007)
МАЗ-631019 (2014)
МАЗ-631236 (2007)
МАЗ-6312B9-0008425-012 (2015)
МАЗ-6317
МАЗ-631705 (2010)
МАЗ-631705, 631708 (2010)
МАЗ-6422 (2003)
МАЗ-6422, 5432 (2007)
МАЗ-64221
МАЗ-64226 (2000)
МАЗ-64229
МАЗ-642505, 642508 (2006)
МАЗ-64255
МАЗ-643018 (2015)
МАЗ-643068 (2003)
МАЗ-6430A8 (5440A8, 5440A5) (2008)
МАЗ-650108 (2008)
МАЗ-650119 (2010)
МАЗ-6501B9 (2014)
МАЗ-6501B9 (2015)
МАЗ-651669-320 (340) (2009)
МАЗ-6516V8-520 (6516V8-540) (2011)
МАЗ-651705 (2009)
МАЗ-6517X9-0000410 (2014)
МАЗ-74131 (1996)
МАЗ-83781
МАЗ-9008
МАЗ-93802
МАЗ-93866
МАЗ-938662
МАЗ-93892
МАЗ-9506
МАЗ-9758
МАЗ-9758-30
Общий (см. мод-ции)
Справочник
Схема
>
Не выбрано
Кабина правая 543-5000200, 543А-5000200
Кабина левая 543-5000201, 543В-5000201
Подвеска кабин 543-5000002-10, 543А-5000002-10
Подвеска кабин 543-5000002
Стеклоочиститель СЛ214-5205000 (применяется до марта 2006 г.)
Установка омывателей 543, 543А
Установка омывателя 543 M
Дверь правая, дверь левая 543-6100010-Б, 543-6100011-Б
Cиденье водителя 5551-6800010
Cиденье переднее 543-6810010-10
Cиденье заднее 543-6820010
Установка трубопроводов системы сапунирования 543, 543A
Установка трубопроводов системы сапунирования 543 M
Фильтр 543-8005410
Установка ФВУ 543, 543А
Установка ФВУ 543М
Установка напоромера
Отопитель кабины
Установка трубопроводов отопителей кабин 543, 543A
Установка трубопроводов отопителя кабины 543М
Козырек противосолнечный 543-8204010
Трап 543-8210110
Установка капота
Установка капота радиатора 543А-8400002
Установка капота и облицовки агрегатов 543М-8400002
Установка крыльев задних 543-8400005
Установка крыльев задних 543A-8400005
Установка подножек 543-8400008, 543B-8400008
Установка ограждения 543-8400009-10
Установка ограждения 543А-8400009
Установка опор платформы 543В-8500002, 543М-8500014, 543М-8500015
Подвеска двигателя, сапуны
Двигатель в состоянии установки 543-1000404, 543M-1000404
Установка системы воздухопуска 543, 543A
Установка системы воздухопуска 543М
Установка масляного бака двигателя и задней выхлопной трубы
Бак масляный двигателя 543-1018010
Установка маслоналивной горловины 543М-1000034
Установка подогревателя 543-1000022, 543М-1000022
Монтажная схема масляной системы двигателя 543, 543А
Монтажная схема масляной системы двигателя 543М
Фильтр 543-1015340
Монтажная схема топливопроводов 543
Монтажная схема топливопроводов 543A
Монтажная схема топливопроводов 543 M
Установка топливных баков 543
Бак топливный 543-1101010-10 (для шасси 543, 543А)
Установка топливных баков 543А
Установка топливного бака 543 M
Бак топливный 543В-1101010-11
Установка воздухоочистителя 543, 543А
Установка воздухоочистителя 543М
Воздухоочиститель 543-1109010
Клапан перекрытия диффузора 543-1158390
Установка ручного топливного насоса РНМ-1КУ-2
Топливораспределительный кран
Привод управления акселератором 7911-1100015-10
Установка топливного фильтра грубой очистки 7911-1100015-10
Установка бачка
Насос БЦН 79111-1133030
Установка выхлопных труб 543-1200005-Б2
Установка выхлопных труб 543 М
Установка вентилятора, привода
Установка радиатора
Установка расширительного бачка
Установка жалюзи
Вал карданный 543-1308586-А
Редуктор вентилятора 543-1308210-А1, 543-1308211-А1
Крыльчатка с магнитопроводом 543-1308010
Щетка 547А-1317210
Редуктор нижний, привод 543-1308509
Насос 543-1308714
Клапан редукционный 543-1304010-01
Монтажная схема системы охлаждения 543-1300010
Установка демпферного соединения
Демпферное соединение 543-1605010-01
Подвеска гидромеханической передачи
Гидротрансмиссия с маслопроводами 543-1700006, 543А-1700006
Гидротрансмиссия 543-1700011
Гидротрансмиссия 543М-1700011
Гидромеханическая трансмиссия 543-1700030
Механизм блокировки 535А-1512320-31
Механизм управления трансмиссией 543-1712010
Планетарная коробка передач 543-1700035
Картер планетарной коробки передач
Картер промежуточный 535А-1511014-10
Насос задний 543-1704110-10
Планетарные ряды 543-1710030
Клапан первой передачи и заднего хода
Гидротрансформатор 543-1709010-02
Колесо насосное 543-1709100
Картерные детали гидротрансформатора
Масляный насос 535А-1509010-Б
Откачивающий насос 535А-1509210-Б1
Передний насос 543-1704010-01
Демпфер 543-1713065, 543В-1713065-Б
Фильтр масляный 543-1716300-А
Теплообменник 543-1714006-А (для 543, 543А), 543В-1700062
Теплообменник 543-1752010-04
Привод переключения передач
Трубопроводы гидравлической системы ГМТ 543, 543А
Трубопроводы гидравлической системы ГМТ 543М
Установка радиатора гидротрансмиссии 543, 543А
Установка радиатора гидротрансмиссии 543М
Радиатор гидротрансмиссии 543-1714410-А
Гидромотор 543-1714270-02
Установка масляного бака гидротрансформатора 543
Бак гидротрансформатора 543-1718010-Б
Установка масляного бака гидротрансформатора 543А
Бак гидротрансформатора 543В-1718010-01
Установка масляного бака гидротрансформатора 543М
Бак гидротрансформатора 543М-1718010-10
Установка повышающей передачи 543-1700020, 543В-1700020
Повышающая передача 543-1700020, 543В-1700020
Картер 543-1731010-20 и крышки
Рычаги, тяга и вилка отключения трансмиссии
Вал ведущий 543-1731020-20
Вал ведомый 543-1731045-20
Вал промежуточный 543-1731074-30
Привод отбора мощности, насоса ГУР
Привод компрессора
Пневмопереключатель 543-1731530-Б
Горловина сливная 543-1731680
Насосы повышающей передачи
Установка заливной горловины 543М-1700038-10
Установка управления повышающей передачи 543М-1730015-Б
Установка раздаточной коробки 543-1800008
Раздаточная коробка 543-1800020-07
Раздаточная коробка 543-1800020-07
Установка дублирующего привода 543-1800014-Б
Установка крана и трубопроводов управления РК
Установка управления отбором мощности
Установка кранов управления РК и ПП в кабине
Краны управления РК и КОМ 543-1804310-А1, 543-1804310-10
Карданные валы
Карданные валы 543-2205010-01, 543-2206010-01
Карданный вал 543-2208010
Привод передних колес 543-2300005
Подвеска редукторов 543-2321025
Редуктор 1-го и 2-го заднего моста 543-2302010-01, 543-2402010-01
Редуктор 2-го переднего моста 543-2312010-01
Редукторa главной передачи 543-2312004-01
Редуктор привода 543-2312007
Шестерня коническая 543-2312007
Крышка редуктора 543-2302050
Дифференциал межколесный 543-2303010-01
Полуосевой карданный вал 543-2303100
Поворотные устройства 543-2304001-01
Шарнир поворотного кулака 543-2304060
Фланец 543-2304200-13
Промежуточная опора 543-2312260
Насос 543-2312400
Привод задних колес 543-2400005
Редуктор I-го заднего моста 543-2502010-02
Редуктор привода 543-2502007-02
Дифференциал межколесный 7911-2403010-01
Комплект дифференциала 7911-2403004-03
Полуось 543-2403069-Б
Полуось наружная 543-2403130-20
Кардан полуосевой 7909-2303100
Шестерня коническая ведущая 543-2502021
Дифференциал межосевой 543-2506010-02
Рама 543-2800010
Рама 543А-2800010, 543М-2800010
Подвеска передняя 7310-2901010
Подвеска задняя 543A-2910010, 7911-2910010
Амортизатор 543-2905306-21
Колесо 543-3101011-01
Ступицы передние задняя 543-3104002-А
Ступица передняя 543-3103006-А, ступица задняя 543-3104006-А
Ступица колеса с тормозом 543-3103005-12
Водило планетарной передачи 543-3105018-10
Вентиль с корпусом 543-3106048-01
Головка подвода воздуха 543-4224010-03
Установка трубопроводов системы накачки шин
Установка крана накачки шин 543-4200002
Кран накачки шин 543-4222010-21
Привод крана 543-4222110-В
Кран шинный 543-3123010
Установка рулевого управления 543-3400001-Б
Рулевые тяги
Рулевой механизм 543-3401004
Редуктор руля 543-3401510-10
Усилитель первого моста 543-3405010-22
Усилитель второго моста 543-3405011-22
Распределитель 543-3405012-24
Клапан предохранительный 543-3407010
Крепление маслобака
Бак масляный усилителя руля 543M-3410010-02
Кардан 543-3401314, 543-3401326-10
Установка шлангов и трубопроводов усилителя руля
Суппорт тормоза 543-3501010-20, 543-3502010-20
Цилиндр колесного тормоза 543-3501050-13
Колодка тормоза 543-3501090-А
Установка трубопроводов 543, 543А
Установка трубопроводов 543M
Установка главного тормозного цилиндра
Главный тормозной цилиндр 543-3505012-02
Установка педали тормоза и подпедального цилиндра
Цилиндр подпедальный 543-3504210
Установка тормозного крана
Кран тормозной 543-3514010-01
Установка компрессора
Компрессор 543-3509015-20
Вал карданный 543-3509410-30
Установка регулятора давления
Регулятор давления 543-3512008
Клапан предохранительный 543-3515050-А
Установка влагомаслоотделителя
Влагомаслоотделитель 543В-3511104, 543-3511104
Установка крана отбора воздуха
Установка предохранителя против замерзания
Установка воздушных баллонов
Установка крана тормозного дополнительного с арматурой
Кран тормозной дополнительный с арматурой 543-3537006
Клапан обратный 543-3515075-11
Клапан переключения 543-3515100
Клапан буксирный 543-3525010-02
Установка листов защитных стояночного тормоза
Тормоз стояночный
Привод стояночного тормоза
Тяга привода передняя 543-3508120
Тяга привода малая 543-3508128
Тяга привода малaя вторая 543-3508156
Тяга привода четвертая 543-3508192
Тяга привода пятая 543-3508196
Тяга привода задняя 543-3508230
Установка дополнительного воздушного баллона для 543М-105
Клапан обратный для 543М-105 543М-3515210-01
Установка фар и фонарей
Установка аккумуляторных батарей
Установка аккумуляторных батарей
Установка задних фонарей
Монтаж проводов по шасси. Установка внешней розетки
Монтаж проводов по шасси. Установка внешней розетки
Монтаж проводов по шасси. Установка внешней розетки
Монтаж проводов по шасси. Установка внешней розетки
Монтаж проводов по шасси
Монтаж проводов по шасси
Установка фары прожектора
Установка фильтра и шунта
Установка фильтра, шунта и контактора
Установка пневматического сигнала
Монтаж проводов по двигателю
Монтаж проводов по двигателю
Монтаж электрооборудования ФВУ
Монтаж электрооборудования ФВУ
Монтаж электрооборудования правой кабины
Монтаж электрооборудования левой кабины
Монтаж электрооборудования левой кабины
Монтаж электрооборудования левой кабины
Монтаж электрооборудования кабины
Установка кожуха контактора
Монтаж проводов
Установка датчика спидометра
Установка датчика
Панель приборов левая и правая
Панель приборов левая
Установка узлов отбора мощности
Коробка отбора мощности 543-4202010-Г
Коробка отбора мощности 543В-4202010
Вал карданный КОМ 543-2227010-03
Инструмент из комплекта ЗИП 543-3902007-ЗИ, 543А-3902007-ЗИ, 543М-3902007-ЗИ
Принадлежности из комплекта ЗИП 543-3902007-ЗИ, 543А-3902007-ЗИ, 543М-3902007-ЗИ
Установка аптечки в правой кабине 543-3900022-10
Установка аптечки 543В-3900023-10
Установка буксирного троса 543М-3900041
Установка крепления питьевых бачков 543-3900016
Установка огнетушителей 543А-3900030
Установка дополнительной емкости на шасси 543-3900048
Установка ящика I и ящика II 543А-3900027, 543А-3900032
Установка ящика III 543А-3900028-01
1
2
3
3
4
5
6
7
8
9
10
11
12
13
14
14
14
14
14
15
16
17
17
18
18
19
19
29
29
30
31
31
32
33
34
35
36
37
38
39
39
39
40
45
46
47
49
50
51
52
53
54
55
56
Позиция на иллюстрации
Заводской номер детали
Название детали
64229-1109460
64229-1109460
Хомут
1
543М-1158076
Кожух
2
250508
Гайка М6-6Н
3
252134
Шайба 6Т
4
543М-1158020
Коллектор
5
543-1158275
Прокладка
6
543-1109010
Воздухоочиститель
7
250514
Гайка М12-6Н
8
252007
Шайба 12
9
547А-1158199
Стяжка
10
543М-1158050
Кронштейн
11
258069
Шплинт 5х36
12
543М-1158080
Кожух
13
543М-1158240
Балка
14
543-1158246
Шланг соединительный
15
543-3506226-А
Прокладка
16
543М-1158142
Труба отсоса пыли правая
17
543-1158390
Клапан перекрытия диффузора
18
201456
Болт М8-6gх20
19
252135
Шайба 8Т
29
543-1203099
Прокладка
30
250512
Гайка М10-6Н
31
252136
Шайба 10.ОТ
32
252006
Шайба 10
33
379677
Кляммер
34
201497
Болт М10-6gх25
35
543М-1158164
Труба отсоса пыли промежуточная
36
543М-1158066
Патрубок
37
543-1158274
Прокладка
38
543-1158286
Фланец
39
543-1158247
Шланг соединительный
40
543М-1158036
Труба
45
543М-1158143
Труба отсоса пыли левая
46
543М-1158037
Труба
47
64229-1303514
Хомут
49
201499
Болт М10-6gх30
50
252039
Шайба 10
51
250510
Гайка М8-6Н
52
252037
Шайба 6
53
201418
Болт М6-6gх16
54
547А-1158202-10
Уплотнитель
55
543М-1158158
Труба отсоса пыли правая
56
543М-1158159
Труба отсоса пыли левая
Содержащиеся в справочниках-каталогах запасные части и детали не предлагаются к продаже, а носят исключительно информационный характер
Дополнительная информация
×
Название:
Номер:
Примечание: