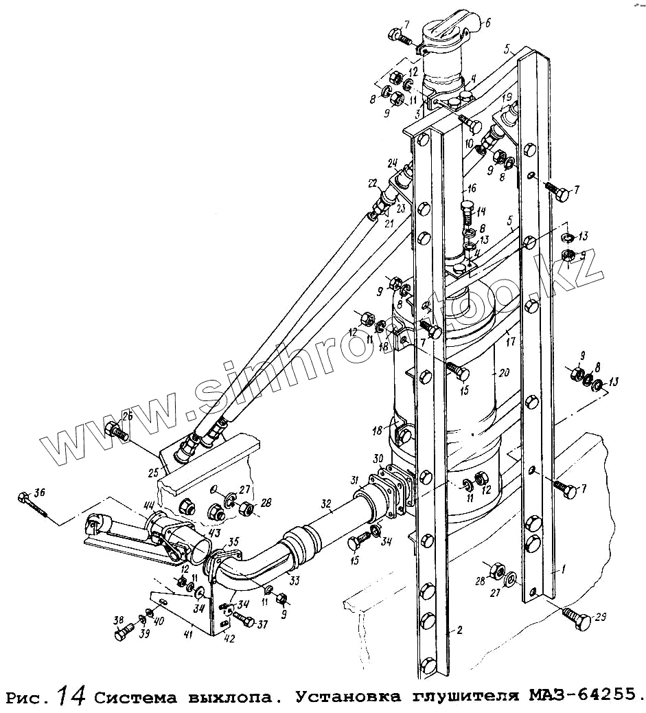
Каталог запасных частей к технике: МАЗ-5434. Система выхлопа. Установка глушителя МАЗ-64255
1
2
3
4
4
5
5
6
7
7
7
7
8
8
8
8
8
9
9
9
9
9
9
10
11
11
11
11
11
12
12
12
12
13
13
13
14
15
15
16
17
18
18
19
20
21
22
23
24
25
26
27
27
28
28
29
30
31
32
33
34
34
34
35
36
37
38
39
40
41
42
43
44
| Позиция на иллюстрации | Заводской номер детали | Название детали | |
|---|---|---|---|
| 1 | 64255-1203170 | Стойка | |
| 2 | 64255-1203171 | Стойка | |
| 3 | 5434-1203563 | Хомут | |
| 4 | 64255-1203160 | Кронштейн | |
| 5 | 64255-1203063 | Кронштейн | |
| 6 | 64255-1203148 | Крышка трубы | |
| 7 | 201540 | Болт М12-6gх30 | |
| 8 | 252137 | Шайба 12.ОТ | |
| 9 | 250514 | Гайка М12-6Н | |
| 10 | 201499 | Болт М10-6gх30 | |
| 11 | 252136 | Шайба 10.ОТ | |
| 12 | 250512 | Гайка М10-6Н | |
| 13 | 252007 | Шайба 12 | |
| 14 | 201538 | Болт М12-6gх25 | |
| 15 | 200315 | Болт М10-6gх40 | |
| 16 | 64255-1203082 | Труба выхлопная | |
| 17 | 64255-1203065 | Кронштейн | |
| 18 | 5337-1203030 | Хомут | |
| 19 | 64255-1203048 | Кронштейн | |
| 20 | 64227-1201010 | Глушитель | |
| 21 | 250515 | Гайка М12х1,25-6Н | |
| 22 | 5335-1302063 | Чашка малая | |
| 23 | 500-1302139 | Подушка малая | |
| 24 | 252045 | Шайба 12 | |
| 25 | 64255-1203097 | Кронштейн | |
| 26 | 201591 | Болт М14-6gх45 | |
| 27 | 252138 | Шайба 14.ОТ | |
| 28 | 250558 | Гайка М14-6Н | |
| 29 | 201587 | Болт М14-6gх35 | |
| 30 | 515Б-1203027 | Прокладка приемной трубы | |
| 31 | 5516-1203112 | Фланец с обоймой | |
| 32 | 64255-1203842 | Патрубок | |
| 33 | 64255-1203187 | Патрубок | |
| 34 | 252006 | Шайба 10 | |
| 35 | 5428-1203027.10 | Прокладка | |
| 36 | 200383 | Болт М12-6gх120 | |
| 37 | 201497 | Болт М10-6gх25 | |
| 38 | 201458 | Болт М8-6gх25 | |
| 39 | 252135 | Шайба 8Т | |
| 40 | 252005 | Шайба 8 | |
| 41 | 64255-1203058 | Кронштейн | |
| 42 | 64255-1203059 | Кронштейн | |
| 43 | 64221-3570010 | Заслонка | |
| 44 | 64255-1203032 | Труба приемная |
Содержащиеся в справочниках-каталогах запасные части и детали не предлагаются к продаже, а носят исключительно информационный характер