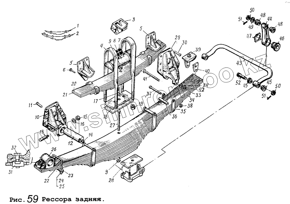
Каталог запасных частей к технике: МАЗ-5434. Рессора задняя
1
2
3
4
5
5
6
7
8
9
9
10
11
12
13
14
15
16
17
18
19
20
21
22
23
24
24
25
26
27
28
29
30
31
32
33
34
35
36
37
38
39
40
41
42
43
44
45
45
46
47
48
48
49
50
50
51
51
52
| Позиция на иллюстрации | Заводской номер детали | Название детали | |
|---|---|---|---|
| 1 | 500А-2913012 | Рессора дополнительная | |
| 2 | 509-2912012-12 | Рессора задняя | |
| 3 | 509-2912610-А | Кронштейн | |
| 4 | 5551-2912408 | Стремянка рессоры | |
| 5 | 501-2913444 | Кронштейн | |
| 6 | 257109 | Заклепка | |
| 7 | 501-2912624 | Буфер | |
| 8 | 501-2912412 | Накладка | |
| 9 | 250575 | Гайка М12х1,25-6Н | |
| 10 | 509-2912444-10 | Кронштейн | |
| 11 | 252902 | Заклепка 16х52 | |
| 12 | 500А-2912478 | Палец | |
| 13 | 500А-2912482 | Клин пальца ушка задней рессоры | |
| 14 | 264020 | Масленка 1.3.Ц6хр | |
| 15 | 250514 | Гайка М12-6Н | |
| 16 | 252137 | Шайба 12.ОТ | |
| 17 | 371797 | Болт М12х1,25 | |
| 18 | 500А-2912418 | Пластина | |
| 19 | 375059 | Гайка М27х2-5Н6Н | |
| 20 | 500А-2913101 | Лист № 1 дополнительной рессоры | |
| 21 | 500А-2913102 | Лист 2 | |
| 22 | 54321-2912024 | Стремянка ушка рессоры | |
| 23 | 54321-2912025 | Накладка ушка | |
| 24 | 252139 | Шайба 16.ОТ | |
| 25 | 374727 | Гайка М16х1,5-5Н6Н | |
| 26 | 5336-2912015 | Ушко в сборе | |
| 27 | 371792 | Болт М12х1,25gх190 | |
| 28 | 5434-2912416 | Лист подкладной | |
| 29 | 509-2912446-03 | Кронштейн | |
| 30 | 252899 | Заклепка 16х45 | |
| 31 | 5335-2902018 | Втулка накладного ушка передней рессоры | |
| 32 | 372882 | Болт М20х1,5-6gх55 | |
| 33 | 509-2912101-20 | Лист № 1 задней рессоры | |
| 34 | 509-2912102-20 | Лист № 2 задней рессоры | |
| 35 | 509-2912053-20 | Хомут | |
| 36 | 200-2902068 | Трубка распорная хомута рессоры | |
| 37 | 200332 | Болт М10-6gх115 | |
| 38 | 250512 | Гайка М10-6Н | |
| 39 | 504М-2902449 | Вкладыш кронштейна | |
| 40 | 500-2912448-Б | Вкладыш боковой | |
| 41 | 200880 | Болт М16-6gх160 | |
| 42 | 250560 | Гайка М16-6Н | |
| 43 | 54321-2916016 | Вал стабилизатора | |
| 44 | 5434-2916022 | Рычаг | |
| 45 | 54321-2916028 | Втулка | |
| 46 | 54321-2916030 | Втулка | |
| 47 | 54321-2916032 | Кольцо стопорное | |
| 48 | 64221-2906028 | Втулка | |
| 49 | 252049-10 | Шайба 20 | |
| 50 | 374910 | Гайка М20х1,5-5Н6Н | |
| 51 | 258056 | Шплинт 4х40 | |
| 52 | 54321-2916034 | Палец |
Содержащиеся в справочниках-каталогах запасные части и детали не предлагаются к продаже, а носят исключительно информационный характер