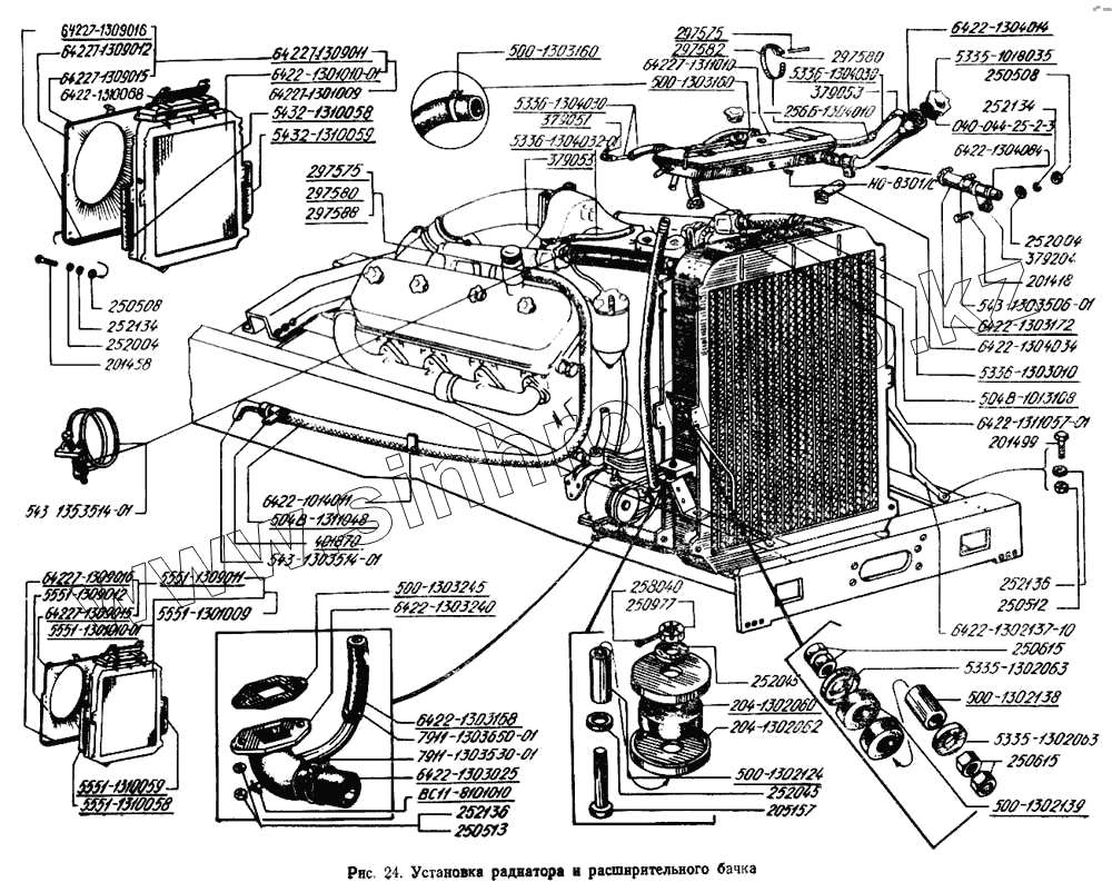
Каталог запасных частей к технике: МАЗ-5433. Установка радиатора и расширительного бачка
5551-1309012
401870
252136
252136
250513
258040
250977
379051
204-1302062
500-1302124
6422-1302137-10
5335-1302063
5335-1302063
500-1302138
297588
6422-1303168
7911-1303650-01
ВС11-8101010
6422-1014011
504В-1311048
500-1303245
6422-1303240
256Б-1304010
6422-1304014
040-044-25-2-3
201499
НО-8301/С
5551-1301010-03
64229-1303514
64229-1303530
297582
64221-1301010
6422-1310068
543-1353514-01
64221-1301009
64221-1301009
379204
201418
6422-1304084
250512
250615
250615
252045
252045
205157
250508
250508
252134
252134
252004
252004
201458
297575
297575
297580
297580
379053
379053
5335-1018035
204-1302060
500-1302139
5432-1310059
5432-1310059
543-1303506-01
6422-1303172
6422-1304034
504В-1013108
6422-1311057-01
64227-1309016
64227-1309016
64227-1309012
64227-1309015
64227-1309015
64227-1309011
64227-1309011
5432-1310058
5432-1310058
500-1303160
5336-1304030
5336-1304030
5336-1304032-01
64227-1311010
500-1303160
5336-1303010
6422-1303025
| Позиция на иллюстрации | Заводской номер детали | Название детали | |
|---|---|---|---|
| 5551-1309012 | 5551-1309012 | Кожух | |
| 401870 | 401870 | Кляммер | |
| 252136 | 252136 | Шайба 10.ОТ | |
| 250513 | 250513 | Гайка М10х1-6Н | |
| 258040 | 258040 | Шплинт 3,2х25 | |
| 250977 | 250977 | Гайка М12х1,25-6Н | |
| 379051 | 379051 | Угольник | |
| 204-1302062 | 204-1302062 | Чашка подушки | |
| 500-1302124 | 500-1302124 | Втулка распорная | |
| 6422-1302137-10 | 6422-1302137-10 | Тяга | |
| 5335-1302063 | 5335-1302063 | Чашка малая | |
| 500-1302138 | 500-1302138 | Втулка распорная | |
| 297588 | 297588 | Лента | |
| 6422-1303168 | 6422-1303168 | Рукав | |
| 7911-1303650-01 | 7911-1303650-01 | Хомут | |
| ВС11-8101010 | ВС11-8101010 | Кран | |
| 6422-1014011 | 6422-1014011 | Кронштейн | |
| 504В-1311048 | 504В-1311048 | Шланг | |
| 500-1303245 | 500-1303245 | Прокладка патрубка | |
| 6422-1303240 | 6422-1303240 | Патрубок | |
| 256Б-1304010 | 256Б-1304010 | Пробка | |
| 6422-1304014 | 6422-1304014 | Трубка | |
| 040-044-25-2-3 | 040-044-25-2-3 | Кольцо | |
| 201499 | 201499 | Болт М10-6gх30 | |
| НО-8301/С | НО-8301/С | - | |
| 5551-1301010-03 | 5551-1301010-03 | Радиатор | |
| 64229-1303514 | 64229-1303514 | Хомут | |
| 64229-1303530 | 64229-1303530 | Хомут | |
| 297582 | 297582 | Лента | |
| 64221-1301010 | 64221-1301010 | Радиатор | |
| 6422-1310068 | 6422-1310068 | - | |
| 543-1353514-01 | 543-1353514-01 | Хомут | |
| 64221-1301009 | 64221-1301009 | Радиатор с кожухом | |
| 379204 | 379204 | Кляммер | |
| 201418 | 201418 | Болт М6-6gх16 | |
| 6422-1304084 | 6422-1304084 | Уплотнитель | |
| 250512 | 250512 | Гайка М10-6Н | |
| 250615 | 250615 | Гайка М12х1,25-6Н | |
| 252045 | 252045 | Шайба 12 | |
| 205157 | 205157 | Болт 2М12х1,25-6gх70 | |
| 250508 | 250508 | Гайка М6-6Н | |
| 252134 | 252134 | Шайба 6Т | |
| 252004 | 252004 | Шайба 6 | |
| 201458 | 201458 | Болт М8-6gх25 | |
| 297575 | 297575 | Шплинт 5,6х22 | |
| 297580 | 297580 | Пряжка | |
| 5551-1108589 | 5551-1108589 | Оболочка с наконечником | |
| 379053 | 379053 | Угольник | |
| 402766 | 402766 | Угольник | |
| 5336-1115010 | 5336-1115010 | Тяга останова двигателя | |
| 500-1104000 | 500-1104000 | Трубка мерная диаметр 10 мм длиной 5000 мм | |
| 5336-1108596 | 5336-1108596 | Трос привода с наконечником | |
| 236-1306084 | 236-1306084 | Рукав 22-30-0,3(3) соединительных трубок водяных термостатов | |
| 5335-1018035 | 5335-1018035 | Пробка | |
| 204-1302060 | 204-1302060 | Подушка подвески радиатора | |
| 5336-1602029 | 5336-1602029 | Подушка педали | |
| 500-1302139 | 500-1302139 | Подушка малая | |
| 5336-1108008 | 5336-1108008 | Педаль акселератора с втулкой и рычагом | |
| 5336-1018078 | 5336-1018078 | Указатель уровня масла в оболочке | |
| 314612 | 314612 | Ниппель | |
| 314802 | 314802 | Муфта зажимная | |
| 5335-1602724-01 | 5335-1602724-01 | Манжета | |
| 5335-1101102-10 | 5335-1101102-10 | Кронштейн топливного бака | |
| 5336-2402064 | 5336-2402064 | Кольцо уплотнительное | |
| 5335-1602718-10 | 5335-1602718-10 | Колпак защитный | |
| 5336-1702236 | 5336-1702236 | Колпак защитный | |
| 5337-1201010 | 5337-1201010 | Глушитель | |
| 405641 | 405641 | Гайка стяжная | |
| 500-2902624 | 500-2902624 | Буфер | |
| 5432-1310059 | 5432-1310059 | Уплотнитель боковой левый | |
| 543-1303506-01 | 543-1303506-01 | Хомут | |
| 6422-1303172 | 6422-1303172 | Шланг | |
| 6422-1304034 | 6422-1304034 | Кронштейн | |
| 504В-1013108 | 504В-1013108 | Шланг | |
| 6422-1311057-01 | 6422-1311057-01 | Прокладка | |
| 64227-1309016 | 64227-1309016 | Уплотнитель | |
| 64227-1309012 | 64227-1309012 | Кожух | |
| 64227-1309015 | 64227-1309015 | Уплотнитель | |
| 64227-1309011 | 64227-1309011 | Кожух | |
| 5432-1310058 | 5432-1310058 | Уплотнитель боковой правый | |
| 5335-1101010-01 | 5335-1101010-01 | Бак топливный с фильтром | |
| 500-1303160 | 500-1303160 | Хомут | |
| 5336-1304030 | 5336-1304030 | Трубка | |
| 5336-1304032-01 | 5336-1304032-01 | Трубка | |
| 64227-1311010 | 64227-1311010 | Расширительный бачок в сборе | |
| 500-1303160 | 500-1303160 | Хомут | |
| 5336-1303010 | 5336-1303010 | Шланг радиатора подводящий (1-420 мм, диаметр 42Х52) | |
| 6422-1303025 | 6422-1303025 | Шланг радиатора отводящий (1-176 мм, диаметр 60х70) | |
| 6422-1101110 | 6422-1101110 | Хомут топливного бака (уст. с 1989 г.) | |
| 509А-1101110-01 | 509А-1101110-01 | Хомут топливного бака | |
| 64229-1109468 | 64229-1109468 | Хомут |
Содержащиеся в справочниках-каталогах запасные части и детали не предлагаются к продаже, а носят исключительно информационный характер