Каталог запасных частей к технике: МАЗ-5433. Коленчатый вал
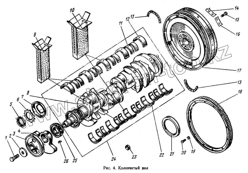
1
2
3
4
5
6
7
8
9
10
11
12
13
13
14
15
16
17
18
19
20
21
22
23
24
25
26
| Позиция на иллюстрации | Заводской номер детали | Название детали | |
|---|---|---|---|
| 236-1000102-Б2-Р2 | 236-1000102-Б2-Р2 | Вкладыши сталебронзовые коренных подшипников, комплект на один двигатель, уменьшенные на 0,50 мм (допускается установка 236-1000102-Б-ВР) | |
| 236-1000102-Б2-Р3 | 236-1000102-Б2-Р3 | Вкладыши сталебронзовые коренных подшипников, комплект на один двигатель, уменьшенные на 0,75 мм (допускается установка 236-1000102-Б-ГР) | |
| 236-1000102-Б2-Р4 | 236-1000102-Б2-Р4 | Вкладыши сталебронзовые коренных подшипников, комплект на один двигатель, уменьшенные на 1,00 мм (допускается установка 236-1000102-Б-ДР) | |
| 236-1000102-Б2-Р5 | 236-1000102-Б2-Р5 | Вкладыши сталебронзовые коренных подшипников, комплект на один двигатель, уменьшенные на 1,25 мм (допускается установка 236-1000102-Б-ЕР) | |
| 236-1000102-Б2-Р6 | 236-1000102-Б2-Р6 | Вкладыши сталебронзовые коренных подшипников, комплект на один двигатель, уменьшенные на 1,50 мм (допускается установка 236-1000102-Б-ЖР) | |
| 236-1000104-В2-Р1 | 236-1000104-В2-Р1 | Вкладыши сталебронзовые шатуна, комплект на один двигатель стандартные, уменьшенные на 0,25 мм (допускается установка 236-1000104-В-БР) | |
| 236-1000104-В2-Р2 | 236-1000104-В2-Р2 | Вкладыши сталебронзовые шатуна, комплект на один двигатель стандартные, уменьшенные на 0,50 мм (допускается установка 236-1000104-В-ВР) | |
| 236-1000104-В2-Р3 | 236-1000104-В2-Р3 | Вкладыши сталебронзовые шатуна, комплект на один двигатель стандартные, уменьшенные на 0,75 мм (допускается установка 236-1000104-В-ГР) | |
| 236-1000104-В2-Р4 | 236-1000104-В2-Р4 | Вкладыши сталебронзовые шатуна, комплект на один двигатель стандартные, уменьшенные на 1,00 мм (допускается установка 236-1000104-В-ДР) | |
| 236-1000104-В2-Р5 | 236-1000104-В2-Р5 | Вкладыши сталебронзовые шатуна, комплект на один двигатель стандартные, уменьшенные на 1,25 мм (допускается установка 236-1000104-В-ЕР) | |
| 236-1000104-В2-Р6 | 236-1000104-В2-Р6 | Вкладыши сталебронзовые шатуна, комплект на один двигатель стандартные, уменьшенные на 1,50 мм (допускается установка 236-1000104-В-ЖР) | |
| 201-1005034-Б3 | 201-1005034-Б3 | Манжета в сборе | |
| 236-1000102-Б2-Р1 | 236-1000102-Б2-Р1 | Вкладыши сталебронзовые коренных подшипников, комплект на один двигатель, уменьшенные на 0,25 мм (допускается установка 236-1000102-Б БР) | |
| 1 | 310040-П29 | Болт шкива коленчатого вала | |
| 2 | 201-1005066 | Шайба | |
| 3 | 236-1005061-Б | Шкив коленчатого вала | |
| 4 | 236-1005026-Б | Противовес коленчатого вала передний | |
| 5 | 236-1005055 | Гайка крепления передиего противовеса коленчатого вала | |
| 6 | 236-1005056-А | Шайба замковая гайки крепления переднего противовеса коленчатого вала | |
| 7 | 236-1005043 | Маслоотражатель коленчатого вала передний | |
| 8 | 236-1005009-Д | Вал коленчатый с шестерней и маслоотражателями в сборе (на двигатель ставится один из данных коленчатых валов) | |
| 9 | 236-1000104-В2 | Вкладыши сталебронзовые шатуна, комплект на один двигатель стандартные, диаметром 88 мм (допускается уст. 236-1000104-В) | |
| 10 | 236-1000102-Б2 | Вкладыши сталебронзовые коренных подшипников, комплект на один двигатель, номинального размера (допускается установка 236-1000102-Б) | |
| 11 | 236-1004058-В | Вкладыш шатунного подшипника | |
| 12 | 236-1005170-В | Вкладыш подшипника коленчатого вала верхний | |
| 13 | 236-1005183-Д | Полукольцо упорного подшипника коленчатого вала | |
| 14 | 236-1005129-Б | Пластина замковая левая | |
| 15 | 236-1005127-А | Болт крепления маховика | |
| 16 | 236-1005128-А | Пластина замковая правая | |
| 17 | 236-1005115-Ж2 | Маховик в сборе | |
| 18 | 236-1005125-А2 | Обод зубчатый маховика | |
| 19 | 312579-П29 | Шайба замковая болта крепления венца маховика | |
| 20 | 201501-П29 | Болт | |
| 21 | 236-1005042 | Маслоотражатель коленчатого вала задний | |
| 22 | 236-1005171-В | Вкладыш подшипника коленчатого вала нижний | |
| 23 | 313933-П31 | Заглушка диаметром 30 коленчатого вала | |
| 24 | 236-1000107-В4 | Вал коленчатый со сталебронзовыми коренными и шатунными вкладышами (комплект) | |
| 25 | 236-1005030-А | Шестерня коленчатого вала | |
| 26 | 314006-П2 | Шпонка сегментная |
Содержащиеся в справочниках-каталогах запасные части и детали не предлагаются к продаже, а носят исключительно информационный характер