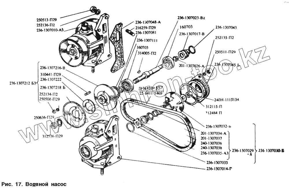
Каталог запасных частей к технике: МАЗ-54328. Водяной насос
236-1307043
252134-П2
312484-П
252136-П2
201-1307026-А
236-1307111
236-1307017-В
250511-П29
312115-П
250636-П29
250508-П29
236-1307033
312536-П29С
236-1307032-Б
240Н-1115134
236-1307035-А3
236-1307218-Б
240-1307036
201-1307037
236-1307222
201-1307034-А
310441-П29
216259-П29
314005-П2
236-1307081
236-1307029-А
236-1307014-Г
236-1307030-Б
240-1307038
236-1307010-А3
160703
160703
236-1306054-А
236-1307048-А
236-1307023-В2
11-14Х10Х936
236-1307212-Б3
236-1307045-Б
25 6411 1405
236-1307216-В
252135-П2
| Позиция на иллюстрации | Заводской номер детали | Название детали | |
|---|---|---|---|
| 236-1307043 | 236-1307043 | Кольцо | |
| 252134-П2 | 252134-П2 | Шайба | |
| 312484-П | 312484-П | Шайба | |
| 252136-П2 | 252136-П2 | Шайба | |
| 201-1307026-А | 201-1307026-А | Водосбрасыватель | |
| 236-1307111 | 236-1307111 | Втулка | |
| 236-1307017-В | 236-1307017-В | Втулка | |
| 250511-П29 | 250511-П29 | Гайка | |
| 312115-П | 312115-П | Гайка колпачковая | |
| 250636-П29 | 250636-П29 | Гайка | |
| 250508-П29 | 250508-П29 | Гайка М6 | |
| 236-1307033 | 236-1307033 | Кольцо сальника водяного насоса стопорное | |
| 312536-П29С | 312536-П29С | Шайба замковая | |
| 236-1307032-Б | 236-1307032-Б | Крыльчатка | |
| 240Н-1115134 | 240Н-1115134 | Кольцо уплотнительное | |
| 236-1307035-А3 | 236-1307035-А3 | Кольцо упорное | |
| 236-1307218-Б | 236-1307218-Б | Боковина шкива | |
| 240-1307036 | 240-1307036 | Обойма манжеты торцового уплотнения большая | |
| 201-1307037 | 201-1307037 | Обойма манжеты водяного насоса малая | |
| 236-1307222 | 236-1307222 | Прокладка шкива регулировочная | |
| 201-1307034-А | 201-1307034-А | Пружина сальника водяного насоса | |
| 310441-П29 | 310441-П29 | Шпилька | |
| 216259-П29 | 216259-П29 | Шпилька | |
| 314005-П2 | 314005-П2 | Шпонка сегментная | |
| 236Т-1307110 | 236Т-1307110 | Прокладка корпуса кольца водяного насоса | |
| 236-1307081 | 236-1307081 | Кольцо Б62 запорное ГОСТ 13943-86 | |
| 236-1307029-А | 236-1307029-А | Комплект деталей уплотнения крыльчатки водяного насоса | |
| 236-1307014-Г | 236-1307014-Г | Корпус водяного насоса в сборе (поставляется только ремонтным заводам) | |
| 236-1307030-Б | 236-1307030-Б | Крыльчатка с манжетой | |
| 240-1307090 | 240-1307090 | Манжета в сборе - первичного вала КП | |
| 236-1307090 | 236-1307090 | Манжета в сборе | |
| 240-1307038 | 240-1307038 | Манжета торцевого уплотнения | |
| 236-1307010-А3 | 236-1307010-А3 | Насос водяной в сборе | |
| 160703 | 160703 | Подшипник шариковый водяного насоса | |
| 236-1306054-А | 236-1306054-А | Прокладка коробки водяного термостата | |
| 236-1307048-А | 236-1307048-А | Прокладка корпуса водяного насоса | |
| 236-1307023-В2 | 236-1307023-В2 | Валик водяного насоса | |
| 236Т-1307046 | 236Т-1307046 | Прокладка крышки корпуса водяного насоса | |
| 240-1307046 | 240-1307046 | Прокладка крышки корпуса водяного насоса | |
| 11-14Х10Х936 | 11-14Х10Х936 | Ремень зубчатый привода компрессора (ГОСТ 5813-76) | |
| 11-14Х10Х887 | 11-14Х10Х887 | Ремень привода водяного насоса (ГОСТ 5313-76) | |
| 11-14Х10Х888 | 11-14Х10Х888 | Ремень привода водяного насоса (ГОСТ 5313-76) | |
| 236-1306084 | 236-1306084 | Рукав 22-30-0,3(3) соединительных трубок водяных термостатов | |
| 236-1307212-Б3 | 236-1307212-Б3 | Шкив водяного насоса в сборе | |
| 236-1307045-Б | 236-1307045-Б | Крышка корпуса насоса | |
| 25 6411 1405 | 25 6411 1405 | Ремень привода компрессора | |
| 236-1307216-В | 236-1307216-В | Ступица шкива | |
| 252135-П2 | 252135-П2 | Шайба |
Содержащиеся в справочниках-каталогах запасные части и детали не предлагаются к продаже, а носят исключительно информационный характер