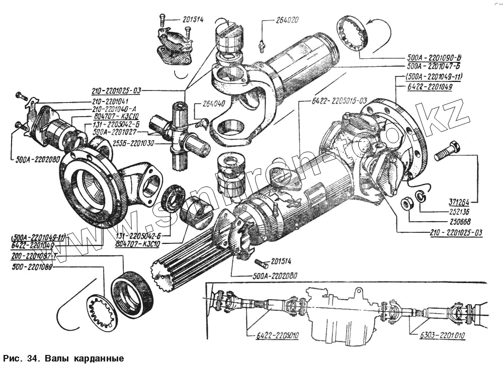
Каталог запасных частей к технике: МАЗ-54328. Валы карданные
200-2201087-Т
255Б-2201030
500А-2201027
500-2201089
250558-П29
500А-2201047-Б
252136-П2
500А-2201049-11
500А-2201049-11
6422-2201049
6422-2201049
131-2205042-Б
131-2205042-Б
500А-2201090-Б
804707К3С10
804707К3С10
210-2201041
500А-2202080
500А-2202080
6422-2205009
264040-П8
264020-П8
210-2201040-А
6422-2205015-03
201514-П2
201514-П2
371264
210-2201025-03
210-2201025-03
6303-2201010
| Позиция на иллюстрации | Заводской номер детали | Название детали | |
|---|---|---|---|
| 200-2201087-Т | 200-2201087-Т | Обойма сальника | |
| 255Б-2201030 | 255Б-2201030 | Крестовина | |
| 500А-2201027 | 500А-2201027 | Крестовина | |
| 500-2201089 | 500-2201089 | Кольцо сальника | |
| 250558-П29 | 250558-П29 | Гайка | |
| 500А-2201047-Б | 500А-2201047-Б | Вилка в сборе | |
| 252136-П2 | 252136-П2 | Шайба | |
| 500А-2201049-11 | 500А-2201049-11 | Фланец вилки карданного вала | |
| 6422-2201049 | 6422-2201049 | Фланец-вилка | |
| 131-2205042-Б | 131-2205042-Б | Уплотнение торцевое | |
| 500А-2201090-Б | 500А-2201090-Б | Сальник | |
| 804707К3С10 | 804707К3С10 | Подшипник | |
| 210-2201041 | 210-2201041 | Пластина стопорная болтов | |
| 500А-2202080 | 500А-2202080 | Пластина | |
| 6422-2205009 | 6422-2205009 | Вал карданный | |
| 264040-П8 | 264040-П8 | Пресс-масленка | |
| 264020-П8 | 264020-П8 | Пресс-масленка | |
| 210-2201040-А | 210-2201040-А | Крышка | |
| 6422-2205015-03 | 6422-2205015-03 | Вал карданный | |
| 201514-П2 | 201514-П2 | Болт | |
| 201514-П2 | 201514-П2 | Болт | |
| 371264 | 371264 | Болт М10х1-6gх40 | |
| 210-2201025-03 | 210-2201025-03 | Крестовина карданного вала | |
| 54329-2201006 | 54329-2201006 | Карданная передача (Уст. на МАЗ-54329) | |
| 54328-2201006 | 54328-2201006 | Карданная передача (Уст. на МАЗ-54328) | |
| 6303-2201010 | 6303-2201010 | Вал карданный межмостовой | |
| 5432-2201010 | 5432-2201010 | Вал карданный (Уст. на МАЗ-54323) |
Содержащиеся в справочниках-каталогах запасные части и детали не предлагаются к продаже, а носят исключительно информационный характер