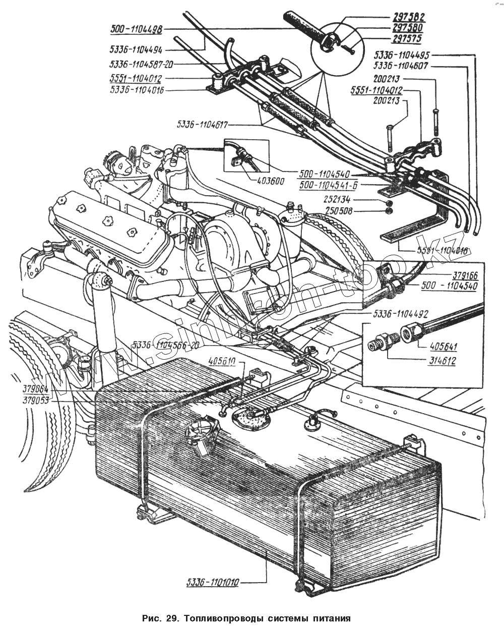
Каталог запасных частей к технике: МАЗ-54328. Топливопроводы системы питания
252134-П2
297580-П29
5336-1104492
5336-1104495
5336-1104494
5336-1104607
5336-1104587-20
5336-1104556-20
379064-П29
5551-1104012
5551-1104012
405610
500-1104498
297575-П29
5551-1104016
379166-П29
403600
5336-1104016
297582-П29
5336-1104617
500-1104541-Б
500-1104540
500-1104540
405641
314612
5336-1101010
379053
200213
200213
250508-П29
| Позиция на иллюстрации | Заводской номер детали | Название детали | |
|---|---|---|---|
| 252134-П2 | 252134-П2 | Шайба | |
| 297580-П29 | 297580-П29 | Пряжка хомутика | |
| 5336-1104492 | 5336-1104492 | Трубка | |
| 5336-1104495 | 5336-1104495 | Трубка всасывающая задняя | |
| 5336-1104494 | 5336-1104494 | Трубка всасывающая передняя | |
| 5336-1104607 | 5336-1104607 | Трубка отводящая задняя | |
| 5336-1104587-20 | 5336-1104587-20 | Трубка отводящая передняя | |
| 5336-1104556-20 | 5336-1104556-20 | Трубка топливная со шлангом | |
| 379064-П29 | 379064-П29 | Угольник | |
| 5551-1104012 | 5551-1104012 | Хомут | |
| 405610 | 405610 | Гайка накидная | |
| 500-1104498 | 500-1104498 | Шланг | |
| 297575-П29 | 297575-П29 | Шплинт | |
| 5551-1104016 | 5551-1104016 | Кронштейн | |
| 379166-П29 | 379166-П29 | Кляммер | |
| 403600 | 403600 | Кляммер | |
| 5336-1104016 | 5336-1104016 | Кронштейн | |
| 297582-П29 | 297582-П29 | Лента стяжная | |
| 5336-1104617 | 5336-1104617 | Трубка | |
| 5336-1115010 | 5336-1115010 | Тяга останова двигателя | |
| 500-1104541-Б | 500-1104541-Б | Втулка | |
| 500-1104540 | 500-1104540 | Втулка | |
| 405641 | 405641 | Гайка стяжная | |
| 6422-1101102 | 6422-1101102 | Кронштейн бака | |
| 314802 | 314802 | Муфта зажимная | |
| 314612 | 314612 | Ниппель | |
| 6422-1108589 | 6422-1108589 | Оболочка с наконечником | |
| 5336-1108008 | 5336-1108008 | Педаль акселератора с втулкой и рычагом | |
| 500-1104000 | 500-1104000 | Трубка мерная диаметр 10 мм длиной 5000 мм | |
| 5336-1101010 | 5336-1101010 | Бак | |
| 402766 | 402766 | Угольник | |
| 379053 | 379053 | Угольник | |
| 64229-1109468 | 64229-1109468 | Хомут | |
| 64229-1109460 | 64229-1109460 | Хомут | |
| 509А-1101110-01 | 509А-1101110-01 | Хомут топливного бака | |
| 6422-1101110-01 | 6422-1101110-01 | Хомут с прокладкой | |
| 200213 | 200213 | Болт М6-6gх35 | |
| 250508-П29 | 250508-П29 | Гайка М6 |
Содержащиеся в справочниках-каталогах запасные части и детали не предлагаются к продаже, а носят исключительно информационный характер