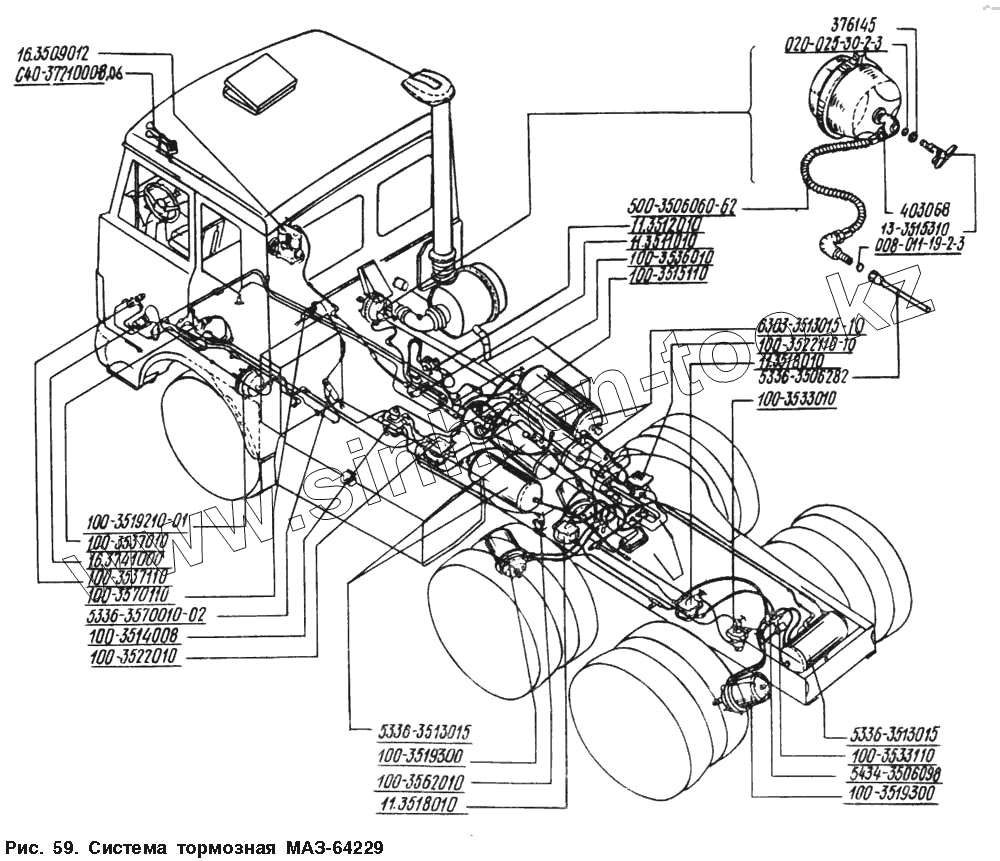
Каталог запасных частей к технике: МАЗ-54328. Система тормозная МАЗ-64229
11-3512009
100-3533010
6303-3513015-9
С40-3721000-В.06
100-3519300
100-3519300
100-3533110
100-3570110
5336-3513015
5336-3513015
100-3514008
5336-3506282
403068
13-3515310
16.3741000
5434-3506098
5336-3570010-02
100-3562010
376145
500-3506060-Б2
11.3511009
100-3519210-01
100-3515110
100-3522009
100-3522110-10
11-3518010
020-025-30-2-2
008-011-19-2-4
11.3518009
16.3509012
100-3537110
100-3537010
100-3536009
| Позиция на иллюстрации | Заводской номер детали | Название детали | |
|---|---|---|---|
| 938-3506060-Б | 938-3506060-Б | Шланг | |
| 120-3509048 | 120-3509048 | Пружина нагнетательного клапана | |
| 11-3512009 | 11-3512009 | Регулятор давления с предохранительным клапаном в сборе | |
| 100-3533010 | 100-3533010 | Регулятор тормозных сил | |
| 5336-3513014 | 5336-3513014 | Ресивер А19 | |
| 6303-3513015-9 | 6303-3513015-9 | Ресивер А39 | |
| 120-3509070-А2 | 120-3509070-А2 | Сальник в сборе | |
| 130-3509069 | 130-3509069 | Седло впускного клапана компрессора | |
| 130-3509051-А | 130-3509051-А | Седло нагнетательного клапана | |
| С40-3721000-В.06 | С40-3721000-В.06 | Сигнал 2-тональный пневматический | |
| 100-3519300 | 100-3519300 | Тормозная камера 30/30 задняя | |
| 100-3519301 | 100-3519301 | Тормозная камера 30/30 задняя | |
| 100-3533110 | 100-3533110 | Упругий элемент | |
| 100-3570110 | 100-3570110 | Цилиндр останова двигателя | |
| 130-3509055 | 130-3509055 | Прокладка седла нагнетательного клапана | |
| 938-3506060-Б | 938-3506060-Б | Шланг | |
| 508-3506060-Б2 | 508-3506060-Б2 | Шланг к передней тормозной камере | |
| 5336-3513015 | 5336-3513015 | Ресивер | |
| 100-3514008 | 100-3514008 | Кран с рычагом в сборе | |
| 5336-3506282 | 5336-3506282 | Трубка | |
| 403068 | 403068 | Тройник | |
| 13-3515310 | 13-3515310 | Клапан контрольного вывода | |
| 16.3741000 | 16.3741000 | Клапан пневматический | |
| 5434-3506098 | 5434-3506098 | Шланги с соединителем | |
| 5336-3570010-02 | 5336-3570010-02 | Заслонка моторного тормоза | |
| 100-3562010 | 100-3562010 | Клапан двухмагистральный | |
| 376145 | 376145 | Шайба 22 | |
| 500-3506060-Б2 | 500-3506060-Б2 | Шланг | |
| 010-015-30-2-3 | 010-015-30-2-3 | Кольцо | |
| 130-3509092-01 | 130-3509092-01 | Вкладыш шатуна номинального размера | |
| 130-3509092-63 | 130-3509092-63 | Вкладыш шатуна, уменьшенный на 0,3 мм | |
| 130-3509092-64 | 130-3509092-64 | Вкладыш шатуна, уменьшенный на 0,6 мм | |
| 11.3511009 | 11.3511009 | Водоотделитель | |
| 130-3509039 | 130-3509039 | Головка компрессора в сборе | |
| 130-3509039-03 | 130-3509039-03 | Головка компрессора в сборе | |
| 100-3519210-01 | 100-3519210-01 | Тормозная камера | |
| 130-3509056 | 130-3509056 | Клапан компрессора впускной | |
| 100-3515110 | 100-3515110 | Клапан защитный двойной в сборе | |
| 130-3509050 | 130-3509050 | Клапан нагнетательный компрессора | |
| 100-3522009 | 100-3522009 | Клапан управления тормозами прицепа с двухпроводным приводом | |
| 100-3522110-10 | 100-3522110-10 | Клапан управления тормозами прицепа с однопроводным приводом | |
| 11-3518010 | 11-3518010 | Клапан ускорительный | |
| 130-3509028-02 | 130-3509028-02 | Блок цилиндров в сборе | |
| 010-014-25-2-3 | 010-014-25-2-3 | Кольцо | |
| 020-025-30-2-2 | 020-025-30-2-2 | Кольцо | |
| 012-016-25-2-3 | 012-016-25-2-3 | Кольцо | |
| 008-011-19-2-4 | 008-011-19-2-4 | Кольцо | |
| 008-012-25-2-3 | 008-012-25-2-3 | Кольцо | |
| 11.3518009 | 11.3518009 | Клапан ускорительный | |
| 16.3509012 | 16.3509012 | Компрессор в сборе | |
| 130-3509009-11 | 130-3509009-11 | Компрессор в сборе | |
| 100-3537110 | 100-3537110 | Кран моторного тормоза | |
| 100-3514007 | 100-3514007 | Кран тормозной двухсекционный с рычагом | |
| 100-3537010 | 100-3537010 | Кран тормозной с ручным управлением | |
| 130-3509090-Б | 130-3509090-Б | Крышка картера задняя | |
| 100-3536009 | 100-3536009 | Предохранитель противозамерзания |
Содержащиеся в справочниках-каталогах запасные части и детали не предлагаются к продаже, а носят исключительно информационный характер